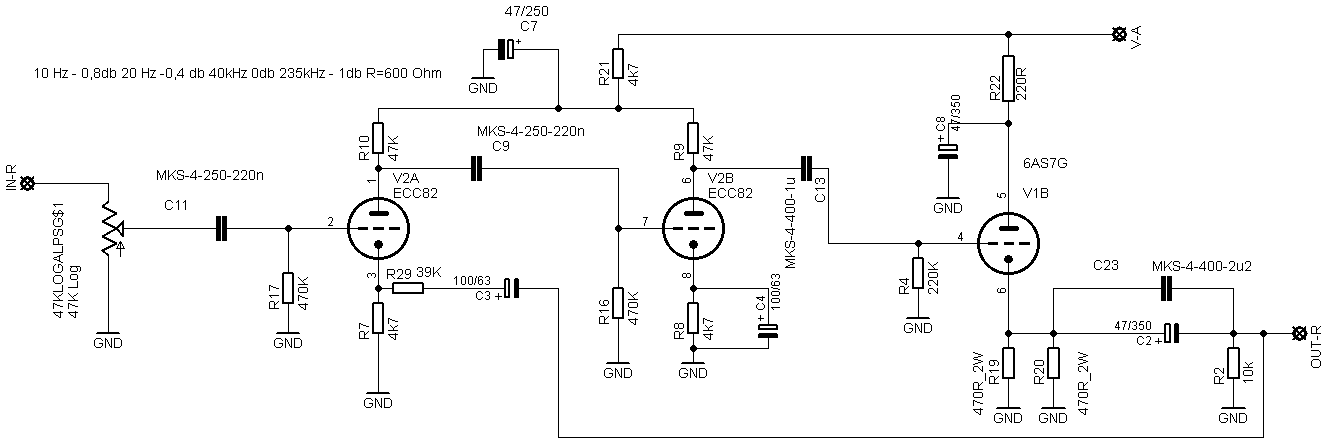
OTL Headfone Amp 6AS7G

Nun Folgt noch der Kopfhörerverstärker dann ist unser Pre Amp Komplett. Mein Ziel war einen OTL Kopfhörer Verstärker zu entwickeln, bei denen keine Übertrager im Signalweg hängen. Die Erste Überlegung war, Welche Röhre Könnte dafür geeignet sein. Nach Möglichkeit sollte es eine Triode sein, Die auch noch zu Beschaffen ist. Auch Sollte sie nach Möglicht niederohmig sein. Aber auch nicht so viel Leistung Verschlingen. Die 6C33 währe mit Sicherheit eine gute Überlegung gewesen, verbraucht aber zufiel Energie. Auch die Ausgangleistung währe mehr als wir enddefekt benötigen. Nach weiteren Recherchen ist mir noch die 6C41 eingefallen. Doch leider ist diese Röhre nicht immer zu Bekommen. So habe ich mich dann entschlossen eine 6080WA einzusetzen. Als Alternative ist auch die 6H13C oder die 6AS7G mit gleicher Pinbelegung und Gleicher Anodenverlustleistung Anwendbar. So ist es auch einfacher an die benötigte Röhre heranzukommen. Diese genannten Röhren besitzen zwei Systeme, so dass wir nur eine dieser Röhre für einen Stereo Kopfhörer Verstärker benötigen. Schnell war mir auch klar dass ich das Signal am besten an der Katode Auskoppeln werde. Die Abnehmbare Leistung reicht aus um einen 600 Ohm Kopfhörer zu betreiben auch stellte sich heraus das ein 82 Ohm Kopfhörer auch sehr gut zu betreiben ist.
In der Vergangenheit hatte ich auch schon mal mit der 6AS7G einen OTL Headfone gebaut. Schnell Zuppte ich die Unterlagen dazu. Machte auch ein par Messungen und musste feststellen dass die Schaltung bei den 82 Ohm Kopfhörer im Bassbereich zu schnell an Leistung verlor.
Eine Gegenkopplung hatte ich damals nicht eingebaut. Nun versuchte ich es mit der Gegenkopplung und bekam auch bessere Messergebnisse mit denen ich dann auch zufrieden war. Also ist die 6080WA meine Röhre für das Projekt. Ich Änderte das layout noch dem entsprechend ab und Integrierte auch das Netzteil noch dazu.
Das Bild zeigt uns die Endstufe des rechten Kanal. Wie schon beschrieben um einen brauchbaren Frequenzgang zu bekommen wird hier eine Gegenkopplung eingesetzt. Die Gegenkopplung Übernimmt C3 und R29 Am Ausgang sind zwei Kondensatoren Parallel geschaltet ( C2 und C23 ) der Folien Kondensator soll dazu beitragen das die Höhen Sauber wiedergegeben werden. Die 6AS7G weist eine geringe Verstärkung aus, so dass wir Zwei vorstufen benötigen um das Signal Ausreichend zu verstärken. Zur Abnehmbaren Leistung ist nur soviel zu sagen, das sie zum Hören vollkommen Ausreicht.
| 
 Menge  | 
 Wert  | 
 Device  | 
 Bauteile  | 
| 
 3  | 
 4k7  | 
 R-EU_0207/10  | 
 R7, R8, R21  | 
| 
 1  | 
 6AS7G  | 
 6AS7G-POKTAL1  | 
 V1  | 
| 
 1  | 
 10k  | 
 R-EU_0207/10  | 
 R2  | 
| 
 1  | 
 39K  | 
 R-EU_0207/10  | 
 R29  | 
| 
 1  | 
 47/250  | 
 CPOL-EUE5-13  | 
 C7  | 
| 
 2  | 
 47/350  | 
 E7,5-16  | 
 C2, C8  | 
| 
 2  | 
 47K  | 
 R-EU_0207/10  | 
 R9, R10  | 
| 
 1  | 
 47K Log  | 
 ALPS_BLUE  | 
 47KLOGALPS  | 
| 
 2  | 
 100/63  | 
 E5,0-10  | 
 C3, C4  | 
| 
 1  | 
 220K  | 
 R-EU_0207/10  | 
 R4  | 
| 
 1  | 
 220R  | 
 RKH214-8  | 
 R22  | 
| 
 2  | 
 470K  | 
 R-EU_0207/10  | 
 R16, R17  | 
| 
 2  | 
 470R_2W  | 
 R-EU_0411/15  | 
 R19, R20  | 
| 
 1  | 
 ECC82  | 
 ECC82-P  | 
 V2  | 
| 
 2  | 
 MKS-4-250-220n  | 
 C15/5  | 
 C9, C11  | 
| 
 1  | 
 MKS-4-400-1u  | 
 C22/10  | 
 C13  | 
| 
 1  | 
 MKS-4-400-2u2  | 
 C-EU275-205X316  | 
 C23  | 
| 
 3  | 
 SE14  | 
 SE14  | 
 IN-R, OUT-R, V-A  | 
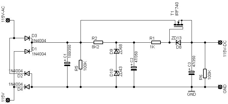
Hier gibt es auch wieder Drahtbrücken zu setzten. Auch ist wieder eine Brücke von der Heizungsmasse zu GND vorgesehen. Um mit einer einseitige Leiterplatte noch gute Ergebnisse zu erzielen werden auf der Lötseite noch zwei Litzen mit Guten Querschnitt Masseverbindungen verstärkt um Brummschleifen auszuschalten. Beim bestücken ist auch darauf zu achten das R 22, R19, R20, R13, R14, R28 Keinen Kontakt mit der Leiterplatte haben. Sie sollten wegen der Wärmeentwicklung etwas höher Angelötet werden. Für den Heizgleichrichter und T1 Empfiehlt sich jeweils einen Kühlkörper zu montieren, Diese Bauteile werden sonst zu warm und eine Zerstörung währe dann nicht ausgeschlossen.
Netzteil:
| 
 Menge  | 
 Wert  | 
 Device  | 
 Bauteile  | 
| 
 1  | 
 1K  | 
 R-EU_0207/10  | 
 R1  | 
| 
 4  | 
 1N4004  | 
 1N4004  | 
 D1, D2, D3, D4  | 
| 
 1  | 
 8K2  | 
 R-EU_0207/10  | 
 R2  | 
| 
 2  | 
 47/350  | 
 E7,5-16  | 
 C2, C3  | 
| 
 1  | 
 100/350  | 
 E7,5-18  | 
 C1  | 
| 
 2  | 
 100K  | 
 R-EU_0207/10  | 
 R5, R6  | 
| 
 1  | 
 IRF740  | 
 IRF740  | 
 T1  | 
| 
 4  | 
 SE14  | 
 SE14  | 
 115V, 115V-AC, 115V-DC, GND  | 
| 
 1  | 
 ZD13  | 
 ZPD  | 
 D8  | 
| 
 1  | 
 ZD43  | 
 ZPD  | 
 D10  | 
| 
 1  | 
 ZD68  | 
 ZPD  | 
 D9  | 
 
 




