8X HQ Audio Umschalter Cinch – Bausatz
2022 V2 FC68

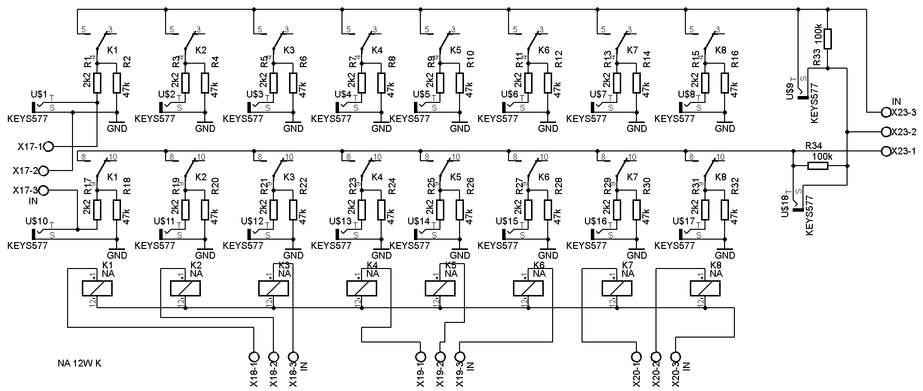
Es handelt sich hier um einen 8-fach-Audioschalter, der über Kleinsignalrelais gesteuert wird. Die Versorgungsspannung beträgt 12V DC. Zum Schalten des jeweiligen Relais werden lediglich 18 mA benötigt. Schaltgeräusche wurden hier weitestgehend minimiert, so dass diese nahezu entfallen. Eine Beseitigung der Schaltgeräusche wäre lediglich über digitale Schalter möglich. Allerdings würde das Audiosignal über eine zusätzliche, integrierte Schaltung geführt, das im Highend-Bereich nicht wünschenswert ist.
Die Relais werden mit einer 12V Steuerspannung z.B. über einen Drehschalter angesteuert, der das angewählte Relais zum Schalten bringt.
Das Board wurde so gestaltet, dass am ersten Eingang alternativ ein Plattenspieler betrieben werden kann. In diesem Fall werden die ersten zwei Cinch-Buchsen weggelassen. Der RIAA-Entzerrer wird an Klemme X17 angeschlossen. Die Phonoeingänge werden dann mit dem RIAA Entzerrer verbunden. Zwei weitere Isolierte Cinch Buchsen werden dem Gehäuse dann Spendiert. U$9und U$18 sind dann nur von Nöten wenn sie einen Direktausgang für z.b. eine Aufnahmequelle nutzen wollen. Über X23 speisen sie dann in den Vorverstärker ein und die Ausgänge wie beim RIAA über zusätzliche Buchsen. Sollten sie Die Leiterplatte als eigenständiges Gerät ohne weitere Elektronik Nutzen Wollen so müssen sie die Masse ( GND) vom ein und Ausgang miteinander verbinden in dem sie einen Lötpunkt von R32 zu U$18 setzen!
Im Falle, dass ein kompletter Preamp aufgebaut werden soll, ist diese Maßnahme NICHT erforderlich, da es im Preamp einen zentralen Massepunkt gibt und alles von dort aus zu den Baugruppen geführt wird. Dies ist notwendig, damit keine Brummschleifen zustandekommen.

Stückliste
|
Menge |
Wert |
Device |
Bauteile |
|
16 |
2k2 |
1/4 Metall |
R1, R3, R5, R7, R9, R11, R13, R15, R17, R19, R21, R23, R25, R27, R29, R31 |
|
16 |
47k |
1/4 Metall |
R2, R4, R6, R8, R10, R12, R14, R16, R18, R20, R22, R24, R26, R28, R30, R32 |
|
2 |
100k |
1/4 Metall |
R33, R34 |
|
18 |
FC68400 |
FC68401 |
|
|
5 |
Klemme |
AKL 103 |
X17, X18, X19, X20, X23 |
|
1 |
Leiterplatte |
Y110 |
174x58mm |
|
8 |
NA 12W K |
NA |
K1, K2, K3, K4, K5, K6, K7, K8 |
|
|
|
|
|

Die Buchsen werden vorzugsweise auf der Rückseite platziert. Ein Anordnen auf der Top-Seite ist ebenfalls denkbar, wenn die Deckplatte nicht allzu stark ist. Die Buchsen werden nicht ganz auf die Leiterplatte aufgesetzt, sondern sollten einen Abstand von 0,5-1 mm haben. Idealerweise ist zuerst der Mittelpunkt einer Buchse anzulöten, um sie bei Bedarf genau ausrichten zu können. Nach dem Ausrichten werden die Buchsen komplett verlötet. Da es sich um eine durchkontaktierte Leiterplatte handelt, gibt es, gegenüber „Bot. Layer“ Leiterplatten, eine hohe mechanische Stabilität.
Das häufige Anschließen und Trennen von Cinchsteckern stellt somit kein Problem dar.
Manche Ansteuer Elektronik Wie Z.b. mein Umschalter mit Eingabe Speicherung Arbeitet mit gemeinsamer U+ ! ! ! Da die Relays Polarisiert sind, ist es dann erforderlich die Relays Spiegelbildlich zu montieren. Somit haben sie Statt ein Gemeinsames GND dann ein Gemeinsames U+
