µF Plate für Leistungsendstufen
148x108 mm


Um einen gut Funktionierenden High end Verstärker optimal betreiben zu können, ist es Erforderlich ein Vernünftiges Netzteil dem Verstärker zu gönnen.
Es gibt heute eine extrem große Auswahl an Lade Kondensatoren. Nur ist es so dass die Kondensatoren Extrem Unterschiedliche Kriterien besitzen.
Es ist also gerade im Verstärkerbau umso wichtiger das erhöhte Spannungsspitzen die auch entsprechend mehr Strom benötigen dem Verstärker schnell Abrufbar zu Verfügung stehen!
Eine Spannungsabsänkung kann unerwünschte Verzerrungen verursachen!
Das Problem kann minimiert werden in dem das Netzteil entsprechend Spannungshart Ausgelegt wird.
Die Stromversorgung fängt bei der Wahl des Transformators an!
Grundsätzlich sind im Verstärkerbau Spannungsharte Transformatoren zum Vorteil. Sie wurden Niederohmig Gewickelt. Haben Weniger Windungen und lösen beim Einschalten ganz Gerne den Automaten Aus. Diese Merkmale zeigen schon mal auf das der Transformator Spannungshart ist. Der Einschaltstrom ist höher.
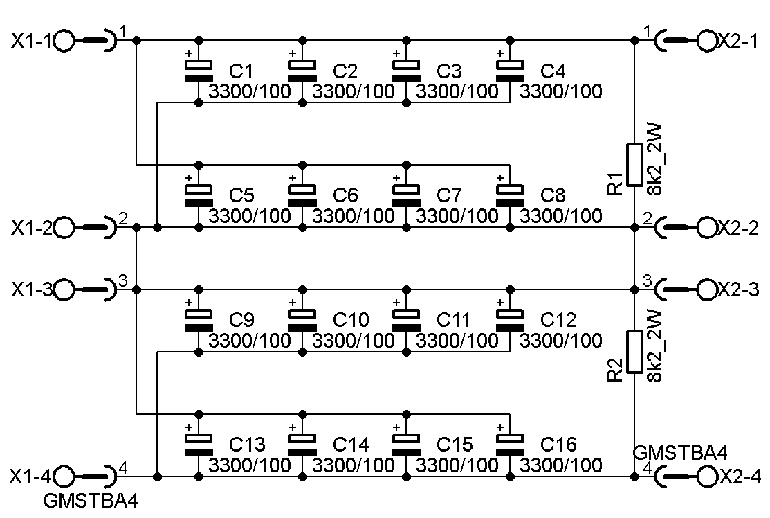
Um so einen Trafo, meist Ringkern problemlos Nutzen zu können ist grundsätzlich eine Einschaltstrombegrenzung zum Vorteil! Denn nach dem Sppannungsharten Netz Trafo, kommt ein Großzügiger Brückengleichrichter und Anschließend die Lade Kondensatoren!
Bei den Ladekondensatoren ist darauf zu achten das diese Blitz Schnell Höhere Ströme Abliefern können. Sprich der Lade und Entlade Vorgang soll so schnell wie möglich Passieren.
Ich habe für diese Aufgabe Snap-in Kondensatoren Ausgesucht, da die Anschluss Pins schon Massiver sind als die Bedrahteten Kollegen.

Diese Typen sind niederohmig genug um den erforderlichen Strom schnell abzugeben so wie er benötigt wird. Auch eine Parallel Schaltung ist Grundsätzlich zum Vorteil. Da die Kondensatoren auch eine Lade und entlade Kurve haben. Sofern er so gut wie voll ist Lädt er nur noch langsam. Beim Entladen ist das genau Umgekehrt.
Auch sind Kleinere Kondensatoren auch einfacher in einem Gehäuse unter zu bringen als die Klobigen Kollegen.
Die Leiterplatte wurde massiv Gestaltet. Insbesondere wurde darauf geachtet, dass die Kupferflächen sehr Großzügig sind, damit diese nicht den Strom massiv begrenzen.
Um das Konzept vernünftig Abzurunden, kommen hier auch Größere Printklemmen zum Einsatz.
Die Bestückung der Leiterplatte ist einfach. Auch Können die Kondensatoren gegen Andere Typen getauscht werden, Z.b. bei Niedrigere Betriebsspannung oder andere Kapazitäten.

|
Menge |
Wert |
Device |
Bauteile |
|
2 |
8k2_2W |
R-EU_0411/15 |
R1, R2 |
|
16 |
3300/100 |
RM 10 25 |
C1, C2, C3, C4, C5, C6, C7, C8, C9, C10, C11, C12, C13, C14, C15, C16 |
|
2 |
GMSTBA4 |
GMSTBA4 |
X1, X2 |
|
1 |
Leiterplatte |
148*108mm |
|
