Noise Gate mit Optokoppler 2021
- Optokoppler zum Blocken der Störsignale
- Leiterplatte 62x81mm Fr4 2-lagig DK 62x81mm
- Stromversorgung +/-15V oder +/- 12V 15mA
- Hochwertiger Langlebiger ALPS Poti
- LED-Kontrolle
- Output max. 21,53 VPP 6,81V RMS bzw. 18,8dbm
- 1 db Gewinn
- Gate – 50db -27db einstellbar
Die hier vorgestellte Schaltung Noise Gate ist Universal Einsetzbar und kann zu jeder Zeit nach den eigenen Bedürfnissen angepasst werden.
Statt einen VCA die meist auch nur sehr Schwer erhältlich sind, wird die Aufgabe mit OP´s und Optokoppler Gelöst.
Somit sind Alle Bauteile unproblematisch zu Beschaffen.
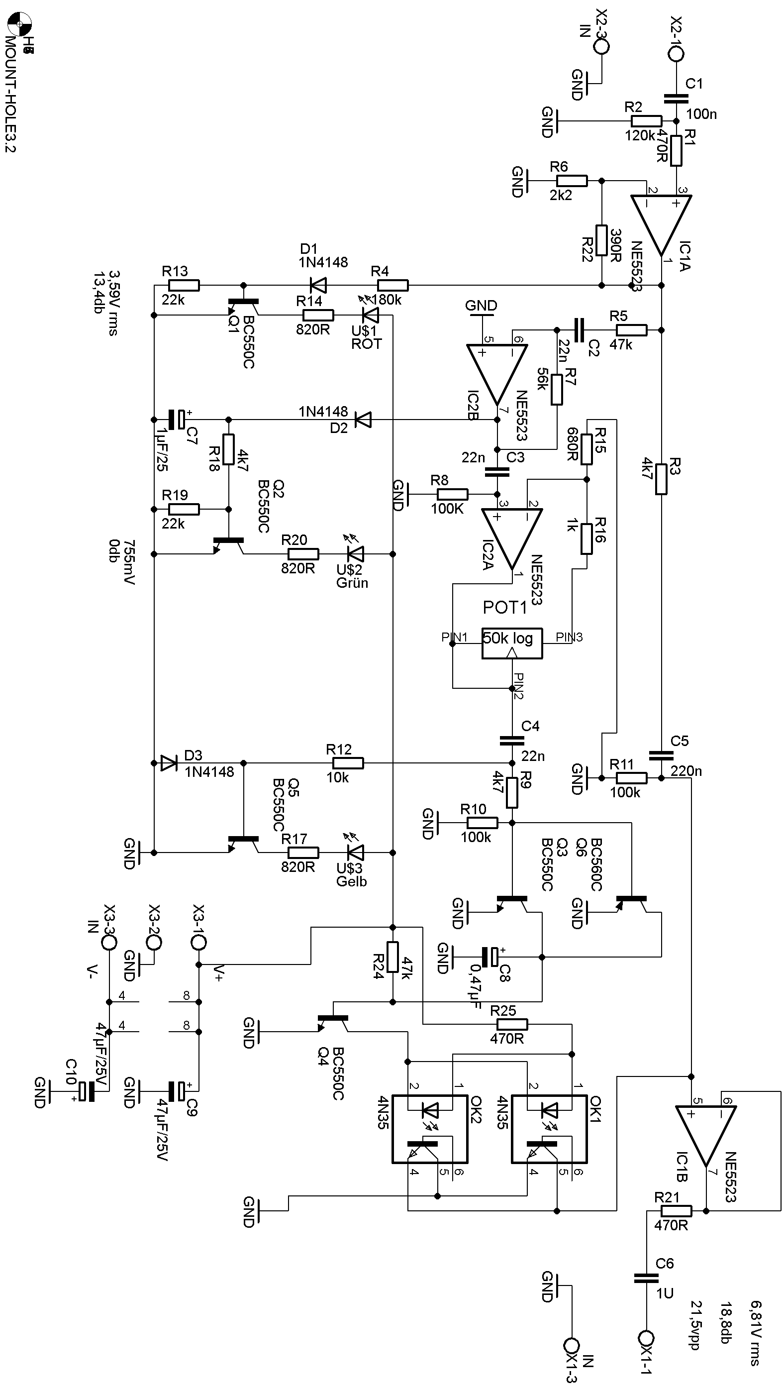
IC1A ist auf 1db gewinn eingestellt (R6 und R22) das Signal Läuft quasi durch bis zum Ausgang. Wenn hier nicht gerade geblockt wird. Das bloggen von Stör Geräusche Übernehmen die OK1 und OK2.
Diese Art und Weise zu Bloggen ist Vielleicht etwas unbekannt, Verursacht im Audiosignal aber Keine Störungen. Würde man Die OK gegen Transistoren ersetzen, so sieht man auf dem Ossi in der Amplitude kleine Verformungen die von den Transistoren in Offenen Zustand bekommen. Das ist natürlich unerwünscht und in der Praxis sogar gut Hörbar.
Damit das Signal Unbeschadet Passieren kann ist mir die Idee gekommen das einmal mit OK´s zu realisieren. Hier werden dazu gleich zwei OK´s benötigt.
IC2B Greift das Signal ab und Verstärkt es. R7 kann bei Bedarf angepasst werden. Anschließend gelangt das Signal zu IC2A. Mit Pot1 kann dann die Durchlass schwelle eingestellt werden. Wann das Gate Öffnen soll. Im Ruhezustand (kein Signal) sind die OK´s im Sperr betrieb Dies wird Durch den Vorgespannten Q4 ermöglicht. Sobald entsprechend Signal Über Q6 und Q3 Anliegt Fließt der Strom dann über diese Ab so das Q4 nicht mehr leitend ist. Somit kann das Audio Signal passieren.
LED-Rot ist auf 3,59V (13,4db) eingestellt. Diese Leuchtet auf, wenn das Signal diese Schwelle erreicht hat. So mit weiß der Anwender das Die Schaltung nicht mehr weit vom Kritischen Bereich entfernt ist. Irgendwann bei Dauer Rot würden dann Verzerrungen sich bemerkbar machen.
Über R4 Kann der wert nach Bedarf Angepasst werden.
Die Grüne LED Zeigt an das ein Signal anliegt. 755mV RMS Die Gelbe LED Zeigt den Durchfluss an.


|
Menge |
Wert |
Device |
Bauteile |
|
1 |
390R |
Metallfilm 1/4 W |
R22 |
|
3 |
470R |
Metallfilm 1/4 W |
R1, R21, R25 |
|
1 |
680R |
Metallfilm 1/4 W |
R15 |
|
3 |
820R |
Metallfilm 1/4 W |
R14, R17, R20 |
|
1 |
1k |
Metallfilm 1/4 W |
R16 |
|
1 |
2k2 |
Metallfilm 1/4 W |
R6 |
|
3 |
4k7 |
Metallfilm 1/4 W |
R3, R9, R18 |
|
1 |
10k |
Metallfilm 1/4 W |
R12 |
|
2 |
22k |
Metallfilm 1/4 W |
R13, R19 |
|
2 |
47k |
Metallfilm 1/4 W |
R5, R24 |
|
1 |
56k |
Metallfilm 1/4 W |
R7 |
|
3 |
100K |
Metallfilm 1/4 W |
R8, R10, R11 |
|
1 |
120k |
Metallfilm 1/4 W |
R2 |
|
1 |
180k |
Metallfilm 1/4 W |
R4 |
|
3 |
22n |
C-EU050-035X075 |
C2, C3, C4 |
|
1 |
100n |
C-EU050-050X075 |
C1 |
|
1 |
220n |
C-EU050-035X075 |
C5 |
|
1 |
0,47µF |
CPOL-EUE2.5-7 |
C8 |
|
1 |
1µF |
C-EU050-035X075 |
C6 |
|
1 |
1µF/25 |
CPOL-EUE2.5-7 |
C7 |
|
2 |
47µF/25V |
CPOL-EUE2.5-7 |
C9, C10 |
|
3 |
1N4148 |
1N4148 |
D1, D2, D3 |
|
2 |
4N35 |
4N35 |
OK1, OK2 |
|
5 |
BC550C |
BC550C |
Q1, Q2, Q3, Q4, Q5 |
|
1 |
BC560C |
BC560C |
Q6 |
|
2 |
NE5523 oder |
TL072P |
IC1, IC2 |
|
1 |
50k log |
RK11K112 |
POT1 |
|
1 |
Gelb |
LED3MM |
U$3 |
|
1 |
Grün |
LED3MM |
U$2 |
|
1 |
ROT |
LED3MM |
U$1 |
|
3 |
Printklemme |
AKL-03 |
X1, X2, X3 |
|
1 |
Leiterplatte |
62x81mm |
|
|
2 |
IC Fassung 8P |
Dokumentation PDF Download
