Class A Preamp der Extraklasse
Zusammenbau:
Wenn sie sich schon einmal mit der Audiosignalverarbeitung auseinandergesetzt haben, so werden sie feststellen das es sehr schnell zu unerwünschten Nebenerfekten kommen kann. Sehr schnell entpupt sich ein selbst Zusammenbau dann als Brummgennerator, oftmals ist dann guter Rat teuer.
Ich beschäftige mich mit Eigenbau seit den 80ger Jahre und habe dadurch so einiges an Erfolge und auch Misserfolge durchleben dürfen. Damit sie es einfacher haben, versuche ich es mit diesen Artickel ihnen es zu erleichtern mit Erfolg ein Preamp oder Verstärker auf zu bauen der dann nicht Brummt.
Brummen:
Brummen kann natürlich bei Marke Eigenbau sehr viele Ursachen haben.
Ein Netztrafo Kann Brummen! Um das auszuschließen. Sollten sie als erstes den Erworbenen Netztrafo Überprüfen ob er Brummt. Schließen sie ihn also an das Strom Netz an. Optimal währe es wenn sie an den Netztrafo einen Verbraucher anschließen. Stellen sie den Trafo auf und hören sie genau hin ob er Brummt. In der Regel können sie auf Marken Trafos Namenshafter Hersteller Setzten. Vergossene Trafos sind von Vorteil. Im Verstärkerbau sind Spannungsharte Transformatoren Vorteilhaft. Ein Verstärker Arbeitet Am besten wenn seine Betriebsspannung Möglich Konstant bleibt. So bedienen wir uns am besten an Ringbandkern Transformatoren. Bis 650 VA gibt es auch Becher so das ein Vergossender Trafo zu bekommen ist. Gegen Hohe Einschaltströme Hilft eine Einschaltstrombegrenzung diese finden sie auch in meinen Shop. Sollten sie ihren Trafowickler beauftragen einen Typen für sie herzustellen so könnten sie ihn Mitteilen das er den Ringbandkerntrafo auch gegen Streung Schirmt! Und im Becher vergießt. Somit minimieren sie schon einmal das Streufeld eines Trafos. Bevorzugen sie EI oder M Kerne, so achten sie darauf das der Trafo nicht das Geheuse in Schwingung versetzt. Bei Größere Leistung ab ca. 150 VA Kann das schon mal Passieren. Abhilfe schafft dann nur noch die Vergussmasse oder Trafo gegen RK ersetzen.
Wenn sie Auf Nummer sicher gehen wollen so Bringen sie das Netzteil Incl. Trafo in ein Externes Geheuse Unter. Denn gerade ein Pre Amp. Arbeitet mit kleinen Amplituden! Ein RIAA Entzerrer verarbeitet in der Regel. 3mV beim System Wechsel können auch nur 0,3 mV anfallen die dann noch verstärkt werden wollen.
Von solchen Empfindlichen Einheiten Sollten sie sogar unbedingt AC Leitungen fernhalten. Selbst die Stromleitung in der Wand sollte Möglichst Weit von einen Plattenspieler entfernt sein!
Brummschleife:
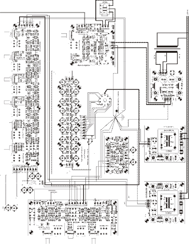
Brummschleifen Können im Gehäuse sehr schnell ungewollt entstehen um das von vorne an zu vermeiden sollten sie Ganz genau Planen wo sie ihren Massepunkt Setzen. Auf Meiner Zeichnung Sehen sie den Massepunkt. Ich habe ihn direkt neben den Cynch Buchsen des Phono Input Gesetzt. Am Massepunkt laufen Alle GND Leitungen zu einem Punkt Hin! Netzteil GND, 0V…. Auch die Erdung des Plattenspieler wird auf diesen Punkt gelegt! Natürlich von Außen.
Von diesen Punkt aus Werden Alle benötigten 0V, GND Leitungen zu den Verbraucher ( Leiterplatten ) geführt.

Sie sehen neben meinen Massepunkt die Cynch Eingänge für den Plattenspieler da Hier nur 3 mV eingespeist werden ist es Ratsam den RIAA Entzerrer auch direkt neben den Buchsen zu Plazieren! Die Cynch Buchsen Dürfen Keine Masse zum Cassis haben! Also Benutzen sie Unbedingt Isolierte Cynch Buchsen mit Isolator. Eine Geschirmte Leitung ist es bei diesen Kurzen weg zur Leiterplatte nicht erforderlich. Hier Habe ich ganz normale Schaltlitze genommen. Die Masse für die Versorgungsspannung entnehmen sie Vom Zentrahlpunkt die + und – Versorgung direkt von der Zuleitung des Netzteils. Die Cynch Buchsen Bekommen auf keinen Fall einen masse Anschluss! Das Verstärkte Signal des RIAA Entzerrers ( Signal OUT ) Verbinden sie ebenfalls mit Schaltlitze zur Cynch schalt Board. Die Leitung ist auch hier extrem Kurz. Auch Hier Keine Masse zu Massepunkt Herstellen!!!

Meine Cynch Buchsen der Leiterplatte sind mit Ausnahme der Pfono eingang allesamt bestückt. Die Buchsen sind natürlich nicht mit dem Gehäuse verbunden, sondern Freiliegend. Damit das Board beim stecken der Cynch Stecker nicht nachgibt, habe ich Ausseichend Befestigungslöcher Vorgesehen. Die Distanz Vom Cynch Boart zum Gehäuse beträgt 10mm + Unterleg Scheibe. Im Handel gibt es dafür passende Bolzen mit M3 Gewinde in Verschiedene Ausführungen.
Die Klangrelelstufe. Bzw. (mit oder Ohne) Regelbare Aktivweiche.
Oftmals werden die Potis mit den Beiliegenden Überwurfmuttern Praktischer weise mit dem Gehäuse verbunden und verschraubt. Industrie gefertigte Geräte benutzen oftmals eine Isolierte Schiene für die Potis, so sehen sie die Überwurfmutter nicht oder es gibt Plastik Implentate für die Überwurfmutter oder die Potis sind wie bei mir auf der Platine Aufgelötet und Vom Gehäuse frei von Masse. Je nach dem wie gebaut wird können die Potis sehr wohl mit dem Gehäuse Verschraubt werden. Allerdings Habe ich in der Praxis des Öfteren Feststellen müssen das diese Lösung nicht immer Optimal ist. Das Brummen Kann Sehr Leise bis Kaum Wahrnehmbar sein oder auch bis sehr Störend. Ich habe mir Angewöhnt die Potis frei Vom Gehäuse zu isolieren, da die Ergebnisse so einfacher erreicht werden können. Moderne Mischpulte werden heute auch oft so gebaut. Bei Alte Modelle wurden die Potis oftmals am Cassis verschraubt oder nur Teilweise. Schnell findet man dann bei Teuren Pulte Zwischenübertrager zum entkoppeln die Günztigeren Pulte Ohne ZÜ´s Haben dann hier und da dann ihre Störgeräusche mal mehr mal weniger. Das war dann auch mit ein Grund warum man früher im Tonstudio gerne Gemutet hatte.

Auf dem Bild sehen sie die Isolation der Potis zum Cassi Die Masse für die Alps Blue Serie ( High end Serie ) wurde direkt von der Leiterplatte neben dem Poti entnommen. Diese Methode hat sich als Sinvoll ergeben. Da das Poti in der Schaltung eingreift und Werte Verändert ( Laut/ Leise Höhen Bässe etc.) kann Nämlich genau hier durch Fehlerhafte Masse Brummen entstehen, darum ist es Wichtig Die Masse immer Direkt Dort zu entnehmen wo Werte Verändert werden. Das hat sich bis heute bewährt. Die Knöpfe sollten auch das Gehäuse nicht berühren, zumal sie dann das Gehäuse verkratzen und dann irgendwann eine Masse zum Cassis herstellen. Genau So verfahren wir auch mit der Regelbaren Aktivweiche wenn sie Benötigt wird. Ansonzten entfällt sie ganz einfach.
Wahlschalter:

Unser Wahlschalter für die Audioquelle ist relativ unkompliziert. Von hier aus werden nur die Schaltsignale einmal zur Cynch eingangswahl Board geschaltet also kein Audio Signal sondern 12V DC. An Ch1 und CH2 gehen Jeweils eine Diode ab,(Dioden sind auf dem Foto Falsch herum eingelötet da sich ein Prototyp mit umgekehrter Beschaltung der relays im Cassis ist. Die Serie ist NICHT davon betroffen!) die dann zusammen gelegt werden. Die Leitung geht dann zur Klangregelstufe denn hier befindet sich ein Relay. Dieses Schaltet dann wenn Ch1 oder CH2 gewählt wird und hebt das Audiosignal nur Hier bei Ch1 und Ch2 das Signal um 15,4db an. So ist dann die RIAA Vorstufe genauso laut wie ein CD Player. Und Ein Handy bekommt so auch noch extra Punch.

Das Bild oben Zeigt hier noch Meinen Prototyp den Class A Kopfhörerverstärker.
Die Drähte an Den Potis gehen zum Widerstand und zum Koppelkondensator. Ursprünglich war der Eingriff hinter dem Widerstand. Allerdings Zeigte die Ursprungslösung ein Leichtes Brummen in der Schaltung. Das ist auch hier ein beweis Wie Peinlich genau gearbeitet werden muss um Keine Störungen zu erzeugen. Damit hatte ich überhaupt nicht gerechnet. Dafür werden ebend Prototypen Aufgebaut und getestet um eventuelle Fehler zu beheben.
So Wächst dann ein Produkt heran zur Vollkommenheit. Mein Näster Prototyp ist noch in der Fertigung. Damit ein Anfänger aber zurecht kommt habe ich mich ebend entschlossen die Anleitung mit den Prototypen zu Veröffentlichen.
An der Linken klemme Wurde bewusst keine Masse zum Eingang gelegt. Sie Kommt Über zentral masse. Das Anliegende Audio Signal ist hier Stark genug so dass auch hier eine Normale Litze ausreicht.
Das Netzteil habe ich in ein Externes Gehäuse untergebracht und Über einen Speziellen Schraub Stecker verbunden.
Im Fertigbau und test Konnte ich kein Brummen bei Vollaufdrehen Potis Hören auch der RIAA Entzerrer muss hier an dieser Stelle gelobt werden. Er ist für ein RIAA Entzerrer Sehr Rauscharm und kann mit seine Rauscharme Eigenschaften gegenüber Viele RIAA Entzerrer auf Jedenfall behaupten und mit in der Oberliga Mitmischen. Bei Vollaussteuerung ist das Rauschen sehr gering und nur Sehr Leise Wahrnehmbar. Brummen Hört man Überhaupt nicht.
Clik auf Bild in Hohe Auflösung!
Anleitung als PDF Dokument zum Downladen

