Multidrive, Gitarrenverzerrer 2022

Multidrive, Gitarrenverzerrer 2022

 

 

  • Bypass
  • 12V 27 mA
  • Dual Verzerrer mit Mischer
  • Klangreglung
  • Geeignet für Inside Wege

 

 

 

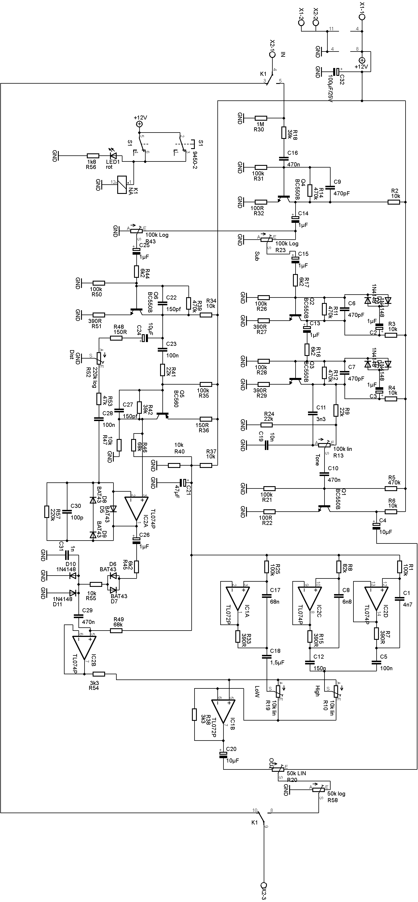
Für den bereits Vorgestellten Gitarren Pre Amp habe ich noch eine Erweiterung geschaffen um diesen noch weiter ausreizen zu können.

Hier wird die Verzerrung im oberen Kanal mit Transistoren Realisiert.

Im Zweiten Kanal wird auf eine Kombination von OP und Transistoren realisiert.

Beide Signale können miteinander gemischt werden.  

Des Weiteren wurden noch für den Eingang Jeweils ein Volumen Regler vorgesehen. Hier kann dann der Verzerr Anteil je nach Wunsch eingestellt werden.

Damit beim Durchschleifen keine Lautheitsunterschiede stattfinden, gibt es auch für die Summe ein Volumen Regler.

Somit können sie die Verzerrungen von Transistoren und OP´s vermischen

 

 

 

 

 

 

Spalte1

Spalte2

Spalte3

Spalte4

Menge

Wert

Device

Bauteile

       

2

100R

0,6W Metall

R22, R32

2

150R

0,6W Metall

R36, R48

6

390R

0,6W Metall

R7, R15, R27, R29, R33, R51

1

1k8

0,6W Metall

R56

2

3k3

0,6W Metall

R38, R54

4

6k2

0,6W Metall

R16, R17, R44, R45

9

10k

0,6W Metall

R2, R3, R4, R6, R34, R37, R40, R47, R55

3

22k

0,6W Metall

R9, R24, R41

2

39k

0,6W Metall

R18, R42

1

47k

0,6W Metall

R53

2

68k

0,6W Metall

R46, R49

1

82k

0,6W Metall

R8

8

100k

0,6W Metall

R1, R21, R25, R26, R28, R31, R35, R50

1

220k

0,6W Metall

R57

5

470k

0,6W Metall

R5, R11, R12, R14, R39

1

1M

0,6W Metall

R30

       

1

100p

C-EU050-035X075

C30

2

150pf

C-EU050-035X075

C22, C27

3

470pF

C-EU050-035X075

C6, C7, C9

1

1n

C-EU050-035X075

C31

1

3n3

C-EU050-035X075

C11

1

4n7

C-EU050-035X075

C1

1

6n8

C-EU050-035X075

C8

1

10n

C-EU050-035X075

C19

1

68n

C-EU050-035X075

C17

3

100n

C-EU050-035X075

C5, C23, C28

1

150n

C-EU050-035X075

C12

3

470n

C-EU050-035X075

C10, C16, C29

7

1µF

CPOL-EUE2.5-7

C2, C3, C13, C14, C15, C25, C26

1

1,5µF

C-EU050-075X075

C18

3

10µF

CPOL-EUE2.5-7

C4, C20, C24

1

47µF

CPOL-EUE2.5-7

C21

1

100µF/25V

CPOL-EUE3.5-8

C32

       

2

10k lin

TRIM_EU-CIP20C-6MM

R10, R19

1

50k LIN

TRIM_EU-CIP20C-6MM

R20

2

100k Log

TRIM_EU-CIP20C-6MM

R23, R43

1

100k lin

TRIM_EU-CIP20C-6MM

R13

1

220k log

TRIM_EU-CIP20C-6MM

R52

1

50k log

 

R58

4

Knopf

K88-BLK-D

 

4

Knopf

K88-BLK

 

1

Kappe

K85-GRY-L

 

3

Kappe

k85-BLU-L

 

4

Kappe

K85-RED-L

 
       
       

5

BAT43

BAT43

D5, D6, D7, D8, D9

5

BC550B

BC550B

Q1, Q2, Q3, Q4, Q6

1

BC560

BC560

Q5

1

TL072P

TL072P

IC1

1

TL074P

TL074P

IC2

1

rot

LED3MM

LED1

6

1N4148

1N4148

D1, D2, D3, D4,  D10, D11

1

9450-2

PS909L-22

S1

1

Kappe

AP22909-BR

 

1

NA

NA-12W-K DPDT

K1

2

 

W237-103

X1, X2

1

DIP 8

Fassung

 

1

DIP14

Fassung

 

1

Leiterplatte Y72

161 mm* 51 mm

 

 

 

 Doku in PDF

Wir benutzen Cookies

Wir nutzen Cookies auf unserer Website. Einige von ihnen sind essenziell für den Betrieb der Seite, während andere uns helfen, diese Website und die Nutzererfahrung zu verbessern. Sie können selbst entscheiden, ob Sie die Cookies zulassen möchten. Bitte beachten Sie, dass bei einer Ablehnung womöglich nicht mehr alle Funktionalitäten der Seite zur Verfügung stehen.