1.1 Audiosignalverarbeitung
Ein heikles Thema was ich hier als erstes Ansprechen möchte. Es gibt in der Audiosignalverarbeitung zwei Oberbegriffe: Analog und Digital. Wobei wir uns hier eher der Analogtechnik bedienen werden.
Um eine Analoge Audio kette möglichst Sauber und Brummfrei mit Röhren Gestalten zu können, ist es wichtig die Kette so auf zu bauen, das Störsignale möglichst nicht verstärkt werden. Dazu gehören Rauschen und Netzbrummen. Auch sollte auf die Wahl der Bauteile großen Wert gelegt werden. Darum Schlage ich vor das Generell Metallschicht Widerstände eingesetzt werden. Vorstufen Röhren

werden wir mit Gleichstrom Beheizen. Signalwege werden möglichst Kurz gehalten. Auf Masseschleifen achten!
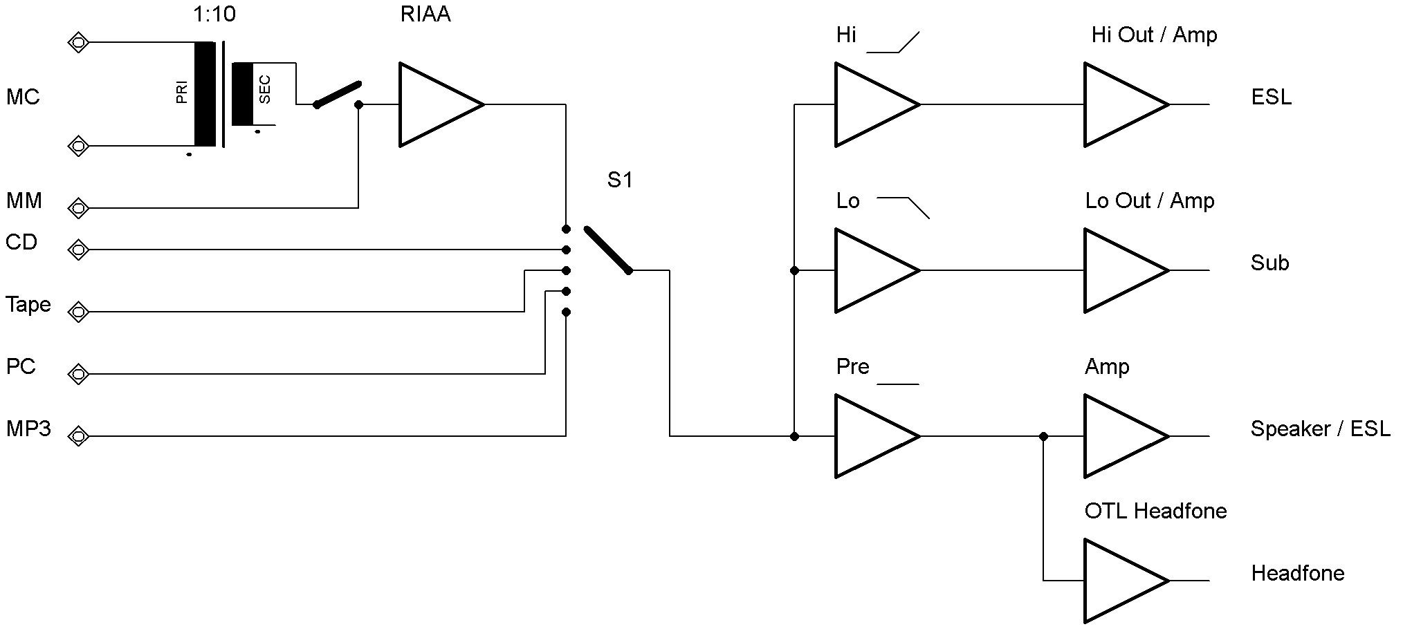
Das Bild Zeigt hier einmal ganz grob wie so eine Audio Kette aussehen kann. Es gibt einen Wahlschalter S1 mit dem die gewünschte Audioquelle ausgewählt wird. Für Phono Liebhaber wurde direkt am Eingang ein Übertrager geschaltet mit einem Übersetzungsverhältnis von 1:10. Dieser ist äußerst wichtig um bei einem MC Tonabnehmer die in der Regel eine Ausgangsspannung von nur 0,3 – 0,75 mV haben. So ein MC Übertrager hat gegenüber einer Verstärker Schalung einen Vorteil. Der Übertrager verstärkt nur das Signal und produziert kein Eigenrauschen. Würde man das Signal mit einer Röhre Verstärken würde das Grundrauschen durch die nachfolgende Schaltung mit verstärkt was sehr unerwünscht ist.
Es gibt aber auch MC Typen mit einer Ausgangspannung von 3mV. Dieser wird wie auch ein MM System direkt Am RIAA Angeschlossen.
Nach dem Wahlschalter folgt der Universelle Vorverstärker der in drei Gruppen aufgeteilt ist. Er besteht aus einem Hochpass, Tiefpass und aus einen Direkt Ausgang an den ein Verstärker und ein OTL Kopfhörer Verstärker angeschlossen werden kann.
Der Hi und Lo Ausgang wird benötigt um ein Zwei Wege Aktiv System zu nutzen. Hier Können dann herkömmliche Chassis oder ein ESL Hybrid mit Subwoofer Angeschlossen werden. Für einen Vollbereich ESL oder für einen passiven Lautsprecher wird der Pre Ausgang benutzt.
Digital oder Analog ?
Heute gibt es auch schöne Digital Frequenz Weichen oder auch DSP genannt, mit Sämtlichen Funktionen von denen man nur in der Analoge Welt nur träumen kann. Teilweise sind sie nur mit großen Aufwand in Analog Technik umzusetzen bis Überhaupt nicht Möglich.
In der Vergangenheit hatten wir unsere ESL mit so einer DSP Weiche (96kHz 24 bit) Auf Jogis Röhrenbude Stammtisch vorgestellt. Die Meisten Besucher die das Jahr davor auch da waren haben nur mit dem kopf geschüttelt. Sie waren enttäuscht wie wir letztendlich auch. Das Jahr davor liefen die ESL über eine Analoge Weiche. Trotz der zahlreichen Einstellmöglichkeiten der DSP die eigentlich gegen meiner Ersten Röhren Aktivweiche mit damals fester Trennfrequenz weit aus Überlegen war, wollten die ESL einfach nicht klingen. Wir versuchten noch mit der Weiche das letzte herauszuholen. Merkten aber schnell das wir eher alles verschlimmert hatten.
Nun die berechtigte frage Warum kam die DSP nicht mit der Röhrenaktivweiche mit?
Ein Analoges Audiosignal wird in einer DSP erst einmal in Digital Umgewandelt. Damit der Prozessor Überhaupt was mit dem eingespeisten Signal etwas Anfangen kann. Auf der Digital Ebene berechnet der Prozessor die gestellten Aufgaben. Danach wird das Signal wieder in Analog umgewandelt. Abhängig ist natürlich auch die Qualität der AD und der DA Wandler, die das Signal Umwandeln. Auch die Software in der DSP Trägt eine sehr große Verantwortung. Der Eingebaute Prozessor der dann die Rechen Aufgaben Übernimmt ist auch sehr wichtig. Ist der Prozessor zu klein, so wird die Software im System auch nur grobe Berechnungen veranlassen, damit das System nicht hakt. Wird eine DSP mit sehr Hochwertigen Bauteile ausgestattet. Ist ein schneller Prozessor im Spiel, Arbeitet die Software auch Details aus. So wird es sich um eine Sehr teure DSP handeln die dann auch mal Schnell mehr als 2000 Euro kosten kann. Aber ein Problem haben alle DSP ob billig oder Teuer.
Die Probleme fangen mit der Aussteuerung an. Viele DSP verfügen über zwei Volume Regler wie unsere Röhren Aktivweiche auch. Regler eins ist bei der DSP auch der Summenregler. Danach folgen Hoch, Mittel und Tiefpass, die dann mit dem zweiten Regler dann die Ausgangspannungen der einzelnen Endstufen an dem Lautsprecher anpasst.
Hier kann natürlich der Pegel auf ein minimal eingestellt werden um dann nahe der 0db Grenze im Eingangsbereich den AD Wandler Anzusteuern. Probleme gibt es dann Aber am Ausgang der DSP.
Hört man im Wohnzimmer Musik in Zimmerlautstärke, so trifft man hier jetzt auf die grenzen der DSP.
Wie Erwähnt werden die Signale Digitalisiert und wider in Analog Umgesetzt. Und das geschied immer mit Verluste.
Grafische Darstellung Zwischen Analog und Digital

Bild 3.1.1 Zeigt uns eine Sinus kurve in Analog und Digital. An hand der Grafik wird schnell klar welches Signal wohl eher ungeeignet ist. Bei Digital Spricht man auch Schnell von der Treppengrafik. Diese ist umso Ausgeprägter auf der Digitale Ebene umso kleiner der Pegel ist. Auch Spielt die Frequenz hier eine große Rolle. Tiefe Frequenzen haben gegenüber hohen Frequenzen kleinere Abstufungen also eine feine Treppe. Nun ist es aber so dass gerade ein Elektrostat dafür bekannt ist Musik sehr hoch Auflösend wieder zu geben. Die Membrane ist Verhältnis zu herkömmlichen Chassis um ein vielfaches leichter. Macht auch weniger hub. Und gerade im Höhenbereich ist ein ESL sehr Transperrent. Ausgerechnet hier im tranzperrenten bereich verzerrt eine DSP Am meisten. Zwar wird in der Digital Technik schon lange nicht mehr mit 48khz 16 bit gearbeitet. Der Trend läuft zu 96kHz 24 bit oder auch noch höhere Abtastraten sind heute möglich Dadurch wird die Treppe zwar feiner nur wegzaubern kann man sie noch nicht.
Im PA bereich macht eine DSP mehr sinn dort werden auch hohe Pegel gefahren und der Wandler ist meistens kurz vor der 0db grenze ausgesteuert.
In der Tontechnik wird heute meistens auch auf der Digital ebene gearbeitet. Der Tontechniker kennt die Problematik der Digital Technik und Steuert Die Aufnahmen möglist nah an der 0db grenze aus um Verzerrungen gering zu halten. Nur darf er nicht die 0 db Marke überschreiten, dann gibt es ein ungewünschtes Klipping. Hier ist der Techniker gut gefördert. Und Verschafft sich einen Künstlichen headroom der oft bei – 12 bis – 8 db gewählt wird.
In der Analogtechnik Steuert der Tontechniker auch hoch aus um das Grundrauschen zu minimieren. Hier kann sich der Tontechniker aber an der 0db Marke Richten und je nach Equikment auch mal Pegel um die +3 db bis +6 db Aufzeichnen was auch gerne gemacht wird. Erst darüber hinaus bekommt er einmalig Schwierigkeiten.
DSP im ESL nein Danke
Mancher Hersteller bietet für seine ESL eine DSP an oder baut sie direkt ein. Oft wird damit geworben damit Resonanzen wegzufiltern. Sei es die untere Resonanzfrequenz der ESL Folie oder die Obere Resonanz die vom Übertrager erzeugt wird. Der Kunde denkt dann oft eine DSP ist ein muss im ESL. Weil sie ebend Angeboten wird und man Jede menge einstell Möglichkeiten hat. Moderne DSP Können dann mit dem Computer Programmiert werden. Nur Warum Soll ich noch einen Computer neben den ESL Stellen um mal schnell einen eingriff in der DSP vor nehmen zu können? Der Hersteller Spart so an zusätzlichen kosten, weil so eine DSP mit weniger Bauteile aus kommt. Der Kunde ist dann wieder der Dumme, weil er dafür wieder einen Externen Computer braucht
Ich bin der Meinung das die Kunst einen hochwertigen ESL zu bauen nicht in der DSP liegt die dann die Fehler beseitigen soll, sondern den ESL so aufzubauen so das auf eine DSP verzichtet werden kann um Musik genießen zu können. Und eine DSP die Nur 200 Euro kostet, wird wohl kaum mit Hochwertigen Bauteilen bestückt sein. Also eher eine unwürdige Baugruppe für einen Elektrostaten.
Oftmals werden durch so eine DSP Fehler beseitigt, die bei der Entwicklung eines ESL Auftreten. Manch Entwickler ist es auch vielleicht zu Teuer gut ESL zu bauen. Denn oftmals liegt das Problem Am Step up Übertrager der auch erst einmal Entwickelt werden muss um Richtig zu funktionieren. Es ist nicht damit getan Einen Kern mit Draht zu bewickeln. Dazu gehört jede menge Berufserfahrung und Know how des Trafo Wicklers. Es Reicht also nicht aus einen Trafowickler zu beauftragen der sich fast nur mit Netz Trafos beschäftigt, denn ihn werden die Erfahrungswerte fehlen die erst einmal gesammelt werden müssen. Selbst ein Erfahrender Trafowickler der Sich hauptsächlich mit Ausgang Übertrager beschäftigt weiß worum es geht und kennt die Problematik gut. Auch die Genossen die sich mit Schaltnetzteilen oder mit der Entwicklung von Zeilen Trafos beschäftigt haben kennen die Probleme nur zu gut.
Also besser in einen Ausgereiften Step up Übertrager investieren der vielleicht erst einmal zu Teuer erscheint. Dieser aber auch einmal entwickelt werden musste und auch nicht in groß Serie gefertigt wird. Als noch unnötig in einer DSP zu Investieren, die dann letztendlich doch Beim Wechsel auf Hochwertige Aü´s dann Schnell ihren Dienst getan hat.
Übertrager
Zu Überlegen gibt es Welches Kernmaterial für einen Übertrager geeignet ist. Ich habe mich entschieden UI oder M Kerne für Elektrostaten einzusetzen. Auch auf das Blechmaterial wurde großes wert gelegt so findet hier Ausschließlich die M111-35 Blechqualität hier ihren Einsatz um das letzte aus dem Blech zu entlocken wurde es nachgeglüht. Mann erkennt ein geglühtes Blech an den dunklen Außenrand.
Beim UI werden Zwei Spulenkörper bewickelt mit exakt den gleichen Wickeldaten je Spulenkörper. Vorteilhaft ist das eine Spannungsfestigkeit einfacher zu realisieren ist, der Spulenkörper ist Länger. Da unser Elektrostat im PP Modus läuft Werden, ist es Üblich der Wicklung einen Mittenabgriff für die masse zu Setzen, kann aber auch entfallen. Manch ein Hersteller Wirbt das es unbedingt ein UI sein muss, damit das Audiosignal Symmetrisch ist. Nach meiner Meinung ist das völliger humbuck. Dafür gibt es auch eine Erklärung warum das nicht sein Muss. Eigentlich Besitzt der Elektrostat nur 2 Anschlüsse

Das Bild Zeigt den Elektrostaten so wie er Geschaltet ist. Würden wir die GND Entfernen, Spielt der Elektrostat solange weiter bis die Folienspannung sich Abgebaut hat. So dient der Mitten abgriff nur für die Masse, Denn wie sollte auch sonst die Folie geladen werden? Ein Elektrostat ähnelt von der Eigenschaft her einen Kondensator im pF bereich bis wenige nF Liegt die Kapazität.
Aber auch ein M Schnitt hat Seine Vorteile. Geringere Kapazität Zwischen Pri. und Sec.
In manchen Fällen könnte auch auf ein EI in Frage kommen. Letztendlich kommt es auf dem Verwendungszweck an.
Trotzdem wird der Selbstgebaute ESL weit aus Billiger sein als ein gekauftes Modell in dem oft M, EI oder auch Ringkerne ihren platz einnehmen. Ein UI trifft man in fertige ESL eher Selten an.

Das Bild zeigt wie so ein UI Step up Übertrager aussieht.
Ausgangs Übertrager für Röhrenendstufen.
Sollte der Röhrenverstärker Ausschließlich für Elektrostaten konzipiert werden, könnte es eine Überlegung wert sein den einzusetzenden Übertrager weiter für Elektrostaten zu Modifizieren. Statt der Üblichen Fu von 20 Hz kann bei einen Vollbereich die Fu auf 25 Hz erhöht werden. Vorteilhaft ist das ein Übertrager mit einer Fu von 25 Hz eine geringere Wickel Kapazität Aufweist. Auf dem Spulenkörper bleibt jetzt noch Platz Übrig den wir noch Zusätzlich nutzen können um einen Dickeren Drahtquerschnitt zu Wählen. Dadurch sinkt noch einmal Zusätzlich der Kupfer innen Widerstand. Für den Elektrostaten der wohl kaum seine 20 Hz erreicht kann es also nur recht sein. Das soll nicht heißen das bei 25 Hz Schluss ist. Wohlbemerkt beziehen sich die Angaben immer bei Voller Leistung. Dazu kommt noch das ein Elektrostat im Unteren Frequenzbereich so Ziemlich Hochohmig Arbeitet. So ist die Belastung im unteren Bereich schon eher als Leerlauf an zu sehen.
Vergleichen wir beide Exemplare über einen Frequenzschrieb So sind in der Unteren Frequenz nur ein Kleiner Abfall zu vermerken der nicht nennenswert ist. Gemessen wurde Über ein Messmikrofon bei einen Abstand von ca. 1 Meter Vom Vollbereich Elektrostaten.
Testhörer Fanden das Hören über einen Übertrager mit einer Fu von 25Hz angenehmer, Ausgewogener, mehr detail und Räumlichkeit wurden ihn Zugesprochen.
Bei einen Hybriden könnte es dann auch nur besser werden. Allerdings habe ich bis jetzt dazu noch kein test Aufbauten gemacht. Sollte der Hybrid so bei 150 Hz eingesetzt werden würde ich erst einmal Vorsichtig heran gehen und Vielleicht den Übertrager mit einer Unteren Grenz Frequenz von ca. 80 Hz Ausstatten Dieser sollte dann Ausreichend bemessen sein.
2.1 Das Übersätzungsverhäldnis
Ein ESL benötigt gegenüber eines herkömmlichen Chassis eine Höhere Betriebsspannung die im vierstelligen bereich zur Vollaussteuerung liegt. Also gegenüber Herkömmlichen Lautsprecher ist die Betriebsspannung ca. 60 – 120 mal höher mit denen wir uns befassen. Nun kann man hier nicht einfach jeden x Beliebigen Übertrager einsetzen. Er muss An den Verstärker und den ESL angepasst sein. So Wählt man für Röhrenverstärker einen Übertrager mit einem niedrigen Übersetzungsverhältnis aus und ein Transistor Verstärker ein Übertrager mit Höheren Übersetzungsverhältnis. Das mal als Faustregel. Beim Transistor geht man von einer Belastung von 4 Ohm aus. Bei einem Röhrenverstärker orientieren wir uns an 8 Ohm. Aber das ist noch nicht alles Das Übersetzungsverhältnis ist auch von der Kapazität des ESL Abhängig. Ein herkömmliches Chassis Arbeitet mit einer induktiven last.
Also Vorsicht ist auch beim ESL geboten. Umso höher die Frequenz des so niedriger die Impedanz. Hier muss also berücksichtigt werden dass bei 20 kHz die Impedanz Sehr Niederohmig ist. Dementsprechend wird der Übertrager Angepasst so dass der Verstärker nicht zu Niederohmig Arbeiten muss. Bei Tiefen Frequenzen Arbeitet ein ESL sehr Hochohmig.
Nun gibt es eine Möglichkeit die Kapazität um ca. 1/3 zu reduzieren, in dem man einen ESL Segmentiert. Das ist auch sehr Sinnvoll denn welcher Hörer will mit einer 200mm Kalotte oder auch noch größer Musik hören. Mit einen Draht Stator ist es einfach zu Realisieren Bei einem Blech Stator ist es schon etwas Aufwändiger, so kommt man nicht herum Drei separate Panele aufzubauen
Merke: umso Breiter der ESL gebaut wird umso mehr Strahlt er die Höhen gerade aus wie eine Taschenlampe. Und welcher Hörer sitzt mit einer Kopfstütze im Sofa um Musik zu Hören. So ist eine Segmentierung doch sehr sinnvoll. Auf die Genickstütze kann dann getrostlos verzichtet werden. Beim Segmentierten Stahlt der ESL in einen größeren Winkel die Höhen ab was auch Wünschenswert ist. So kann dann der Elektrostat in den Höhen die Karrakteristik einer 25 mm Kalotte einnehmen. Auch der Verstärker Wird dadurch entlastet was auch sehr Wünschenswert ist. Der AÜ kann im Übersetzungsverhältnis höher Ausgelegt werden. So beheben wir hier viele Probleme mit der Segmentierung. Mehr dazu Später.
2.2 Kondensatoren
Ein Thema wo viel zu fiel Diskutiert wird.
Der Markt bietet heute eine Vielzahl an Kondensatoren an. Nun fragt man sich welcher Kondensator ist der bessere? Firma X Kostet nur Wenig Firma Y bietet seinen Kondensator für viel Geld an. Nun wird dann oft gemeint dass der Kondensator von Firma Y ja auch viel Besser ist und für Audio bestens geeignet ist. Rechnet man Preis alle benötigten Kondensatoren zusammen, so stellt man schnell fest das wir es hier mit einer kapital Anlage zu tun haben. Doch benötigt man überhaupt die Kondensatoren von der Firma Y? Nein eigentlich nicht. Hörproben haben ergeben das zwischen den Billigen und den Teuren Kondensatoren kein Unterschied zu Hören ist. Die Schaltung an sich bestimmt die Qualität des Verstärkers. Allerdings möchte ich hier nicht no name und Billig Produkte zu Herzen Legen. Wenn sie sich auf WIMA Folien Kondensatoren beschränken, sind sie auf der Sicheren Seite. Alles Andere an Kondensatoren die weit aus teurer sind ist Geld Verschwendung.
Der Werkstoff aus dem der Kondensator besteht ist als erster Linie Maßgebend. Dementsprechend ist dann auch der Bestimmungszweck eingeordnet.
Besser ist es darauf zu achten welchen Typen sie verbauen. Unter anderem gibt es Tantal, Folien, Öl, Metall Papier, Polyester etc. Kondensatoren. Ein Tantal Kondensator ist hier nicht zu empfehlen! Außerdem besitzt der Kondensator auch noch giftige Substanzen. Diese trifft man oft in Computer Hardware an.
Wir werden uns auf die Polyester Kondensatoren einschränken. Bei Temperaturen zwischen 0 bis 60 Grat ergeben sich kaum nennenswerte Schwankungen. Die Fo ist Weitaus ausreichend. Die Fu wird durch der Größe der Kapazität und der Last bestimmt. Anzumerken ist auch das die Spannungsfestigkeit Ausreichend hoch ist. Manche Hersteller geben die maximal zulässige Gleichspannung sowie die maximale Wechselspannung an. Achten sie beim kauf das die Kondensatoren die Gewünschte Spannungsfestigkeit aufweisen. Wählen sie die Kondensatoren so aus das sie noch Spannungsreserven haben.
Manchmal kommt es vor das eine Hohe Kapazität benötigt wird. Dazu verwendet man gerne ein Misch Prinzip, das aus einen Elektrolyt und einen Folien Kondensator in Parallel Schaltung aufgebaut wird. Somit kann man sich viel Platz Sparen und auch Gute Ergebnisse erwirtschaften.
