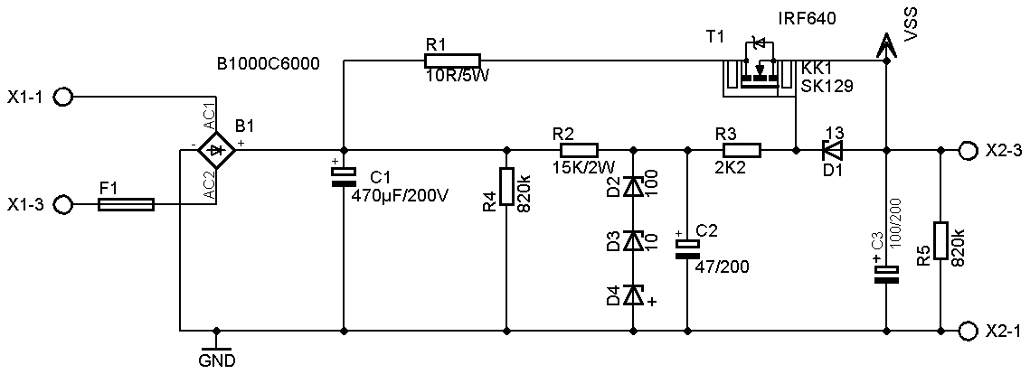
Anodenspannungsnetzteil für OTL Kopfhörerverstärker

- Für OTL Kopfhörerverstärker bis zu 150V DC oder Ähnliche Anwendungen
- 470µF Snap-in Lade Kondensator
Auf Grund das nicht immer eine Hohe Anodenspannung von über 250 V benötigt wird und es auch Anwendungen gibt wie z.b. einen OTL Kopfhörerverstärker. So macht es sinn die Bauteile im Netzteil entsprechend anzupassen. Um der Anwendung gerecht zu werden habe ich einen Lade Kondensator mit einer Höheren Kapazität gegenüber mein Standard Anodenspannung Netzteil eingesetzt statt 330µF eben 470µF. Die Spannungsfestigkeit des lade Kondensator ist 200V je nach Verfügbarkeit können das auch schon einmal 250V sein.
Die Passenden Z Dioden für die OTL Kopfhörerverstärker (110V bzw. 150V) liegen entsprechend bei. D4 ggf. D3 werden bei nicht Bestückung mit jeweils einer Draht Brücke ersetzt



|
Menge |
Wert |
Device |
Bauteile |
|
2 |
|
AK500/3 |
X1, X2 |
|
1 |
|
SHK20L |
F1 |
|
1 |
2K2 |
1/4W |
R3 |
|
1 |
15k/2W* |
2W |
R2 |
|
1 |
13 |
ZPD |
D1 |
|
1 |
47/200 |
CPOL-EUE7.5-18 |
C2 |
|
1 |
100/200 |
E7,5-18 |
C3 |
|
1 |
10R/5W |
RKH208-8 |
R1 |
|
1 |
Nach Wahl |
ZPD |
D4 |
|
2 |
Nach Wahl |
ZPD |
D2, D3 |
|
2 |
220K – 820K* |
R-EU_0207/10 |
R4, R5 |
|
1 |
470/200V |
CPOL-EUE10-30 |
C1 |
|
1 |
B1000C6000 |
KBU |
B1 |
|
1 |
IRF640 |
IRF740 |
T1 |
|
1 |
SK129 |
SK129 |
KK1 |
|
1 |
LP |
|
|
|
|
|
|
|
