Anodenspannungsnetzteil V2.0

Das neue Anodenspannungsnetzteil V2.0 ist auf Wunsch und Anregung meiner Kunden endstanden.
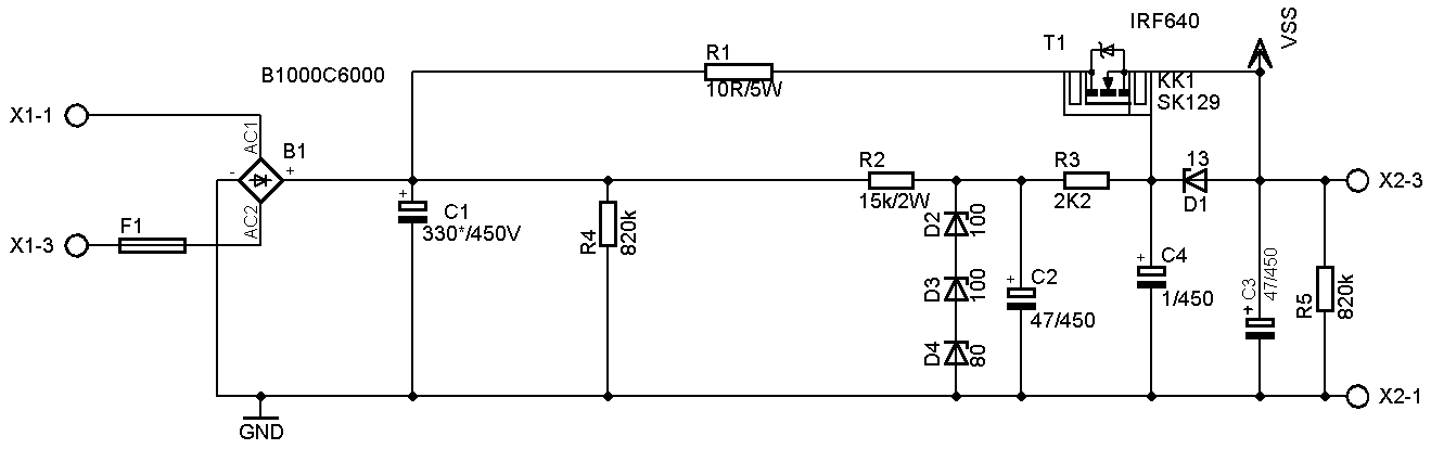
In Grunde funktioniert es genau so wie die Version V1.8. Es Geändert wurde das Package vom Ladekondensator. Nun Passen auch 35mm Typen auf der Leiterplatte. Somit sind Größere Kapazitäten wie 560µF/450V möglich. Am Gate des IGBT sitzt noch Zusätzlich ein 1µF Kondensator. R1 Habe ich etwas weiter weg vom Kondensator Platziert, damit auch 5W Widerstände andere Hersteller verwendet werden können.
Auf Grund der immer schwierigere Beschaffungsmöglichkeiten der Bauteile ist es umso wichtiger etwas Flexibler zu sein. R2 Habe ich auch etwas erhöht (15K)
In der Regel reicht eine Vorspannung von 15 – 20V Aus. Das Heist, wenn sie 300V DC Benötigen, dann sollte ca. 315 – 320 DC Vorhanden sein. Im Falle Das sie aus welchem Grunde auch immer z.b. von 400V DC auf 250V runter gehen, dann Sollte R2 angepasst (erhöht) werden damit die ZD nicht überlastet werden. Beachten sie dabei auch die Verlustleistung!
Weitere Infos finden sie in der V1.8 Version


|
Menge |
Wert |
Device |
Bauteile |
|
1 |
10R/5W |
5W |
R1 |
|
1 |
2K2 |
1/4W |
R3 |
|
1 |
15k/2W |
2W |
R2 |
|
2 |
820k |
1/4W |
R4, R5 |
|
1 |
1/450 |
CPOL-EUE5-10.5 |
C4 |
|
2 |
47/450 |
E7,5-18 |
C2, C3 |
|
1 |
680*/450V |
CPOL-EUE10-35 |
C1 |
|
1 |
13 |
ZPD |
D1 |
|
1 |
80 |
ZPD |
D4 |
|
2 |
100 |
ZPD |
D2, D3 |
|
1 |
B1000C6000 |
KBU |
B1 |
|
1 |
IRF640 |
IRF740 |
T1 |
|
2 |
AK500/3 |
X1, X2 |
|
|
1 |
SI Halter |
SHK20L |
F1 |
|
1 |
SK129 |
SK129 |
KK1 |
|
1 |
Leiterplatte |
104.1 mm* 68.3 mm |
|
