Asym Netzteil mit EI 54 16 VA

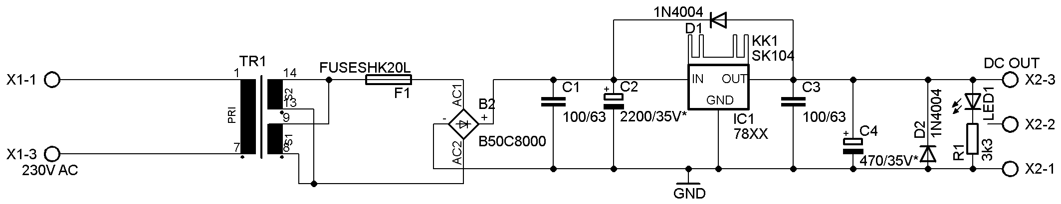
Es handelt sich hier um eine Netzteilschaltung, ausgestattet mit dem 78xx-Festspannungsregler, der es ermöglicht, mit geringem Aufwand, hochwertige Netzteile zu realisieren.
Der Trafo (El54) ist, mit seiner Gesamtleistung von 16 VA, für kleinere bis Mittlere Anwendungen ausgelegt. Es Können Symmetrische und Asymmetrische Trafos eingesetzt werden. Die Sicherungs Werte entsprechend der Stückliste entnehmen.
Um die Schaltung möglichst betriebssicher zu gestalten, sind eine Sicherung sowie Schutzdioden integriert. Das IC wird auf einen Kühlkörper montiert.
Es liegt 230V Netzspannung am Trafo an. Dementsprechend muss die Schaltung berührungssicher im Gehäuse, nach den geltenden Richtlinien, verbaut werden.
Schaltbild

Bestückungsplan

Stückliste
|
Stk |
Position |
Wert |
5V 1,2A |
12V 750mA |
15V 600 mA |
18V 600mA |
24V 470mA |
|
2 |
D1, D3 |
1N 4004 |
|
|
|
|
|
|
1 |
IC1 |
78xx |
7805 |
7812 |
7815 |
7818 |
7824 |
|
1 |
R1 |
|
470R |
1K5 |
2k2 |
2k2 |
2k3 |
|
2 |
C1, C3 |
0,1/63 RM5 53 D 3648 |
|
|
|
|
|
|
2 |
X1, X2 |
Printklemme 3 Pol |
|
|
|
|
|
|
1 |
C2 |
RM 5 d max 13 |
2200/35 |
2200/35 |
2200/35 |
2200/35 |
1000/50 |
|
1 |
C4 |
RM 5 d max 10 |
470/25 |
470/25 |
470/35 |
470/35 |
470/35 |
|
1 |
B1 |
KBU8A |
|
|
|
|
|
|
1 |
Tr. 1 |
EI 54 (16VA) |
9V1,78A |
15V 1,07A |
18V 900mA |
18V 900mA |
24V 670mA |
|
1 |
F1 |
|
2A T |
1,25A T |
1A T |
1A T |
800mA |
|
1 |
SI |
Halter PL 1200000 |
|
|
|
|
|
|
1 |
K |
SK104 STS oder V PR32/38,1 |
|
|
|
|
|
|
1 |
|
Leiterplatte 64*105mm |
|
|
|
|
|
|
1 |
|
Schraube M3* 8 mm scheiben und Mutter SZK3X8-200 |
|
|
|
||
|
1 |
|
Mutter M3 SK M3-1000 |
|
|
|
|
|
|
1 |
|
LED ROT |
|
|
|
|
|
Bauvorschlag zum Downloard in PDF
