Asym. to Sym. out/
Cinch auf XLR
- Betrieb Spannung +/- 12V
- F gang 10 Hz – 1,1 Mhz – 3db
- 2* 6,4 V RMS
- Leiterplatte 61*45mm
- +/- 12V DC
In der Audiosignalverarbeitung benötigt man für Verschiedene Anwendung ein Symmetrisches Audio Signal.
Am Bekanntesten ist die Sogenannten DI Box hier wird ein Unsymmetrisches Signal z.b. Eine Gitarre in ein Symmetrisches Signal Umgewandelt das ganze sieht dann so aus:
Das zweite Signal ist um 180° verdreht. In einer Passiven DI Box wird die Fase mit einen Übertrager gedreht. Die Qualität der DI Box ist dann Abhängig vom Übertrager.
In Manchen Fällen ist eine Aktive Fasen Drehung zum Vorteil, da der Frequenzbereich weitaus Größer ist.
Beliebt ist der Kleine Helfer auch in den Endstufen bau. Eine 2*100 Watt Stereo Endstufe kann durch das symmetrische Signal dann auch als ein 200W Mono Block eingesetzt werden. (Brücken Schaltung)
Soundkarten mit Symmetrischen Eingang bzw. A/D Wandler die einen Symmetrischen Eingang zur Verfügung Stellen Arbeiten Zwar auch mit Unsymmetrischen Signal, Allerdings steht dann nicht immer die Komplette Bandbreite zur Verfügung da diese Geräte für eine Symmetrische Signalverarbeitung konzipiert wurden.
Fehlt eine Amplitude, so wird der A/D Wandler oft nur zu 50% Ausgesteuert. Das Liegt u.a. auch Daran das die unsymmetrischen Geräte den erforderlichen Pegel nicht liefern können.
Ein A/D Wandler Arbeitet Grundsätzlich am Saubersten, wenn er Voll Ausgesteuert ist. Der künstliche Head Room soll dabei so klein wie Möglich gehalten werden. Nur dann wird das maximale an Qualität erreicht.
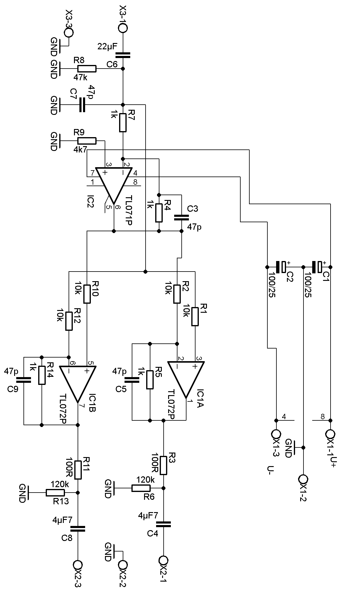
Die Schaltung ist einfach mit nur wenigen Bauteile Realisierbar.

Die Eingangsimpedanz wird mit R8 auf 47k eingestellt. C7 soll Störungen im HF Bereich Bloggen. IC2 Dient als Puffer Durch die Gegensätzliche Beschaltung von IC 1 A u. B ( Inv. ) wird eine der Amplituden auf 180° Gedreht. R3 u. R11 Begrenzt die Untere Ausgangsimpedanz auf 100 Ohm um die OP´s zu schützen C4 u. C8 Schützen Nachfolgende Geräte vor Möglichen CD-Offset. Sollte die Benötigte Impedanz weit unter 47k Liegen so sollten die Werte erhöht werden. C6 Verhindert im Eingang DC Offset.
Die TL 07x können Max +/-15V die Versorgungsspannung sollte also +/- 12V Betragen. Werden Trotz allem Höhere Pegel benötigt, können die OP´s gegen Andere Getauscht werden die dann eine Höhere Betriebsspannung zulassen.
Der Frequenzgang Lässt sich sehen wie der Bode Plot es Zeigt


|
Menge |
Wert |
Device |
Bauteile |
|
2 |
100R |
1/4 W Metall |
R3, R11 |
|
4 |
1k |
1/4 W Metall |
R4, R5, R7, R14 |
|
1 |
4k7 |
1/4 W Metall |
R9 |
|
4 |
10k |
1/4 W Metall |
R1, R2, R10, R12 |
|
1 |
47k |
1/4 W Metall |
R8 |
|
2 |
120k |
1/4 W Metall |
R6, R13 |
|
4 |
47p |
C2.5/2 |
C3, C5, C7, C9 |
|
2 |
4µF7 |
C5/7.2 |
C4, C8 |
|
1 |
22µF/Bip |
C5/7.2 |
C6 |
|
2 |
100µF/25 |
CPOL-EUE5-8.5 |
C1, C2 |
|
1 |
TL071P |
TL071P |
IC2 |
|
1 |
TL072P |
TL072P |
IC1 |
|
3 |
W237-103 |
X1, X2, X3 |
|
|
Leiterplatte 61 *45 |
Dokument in PDF
