EL 84 PP Amp

Von Markus Andrzejewski
Auf einen Röhrentreff in Mühleim ( Jogis Röhrenbude )
Hatten wir unsere Elektrostaten dabei gehabt. Natürlich war ich auch Neugierig wie denn die ESL mit anderen Selbstbau Verstärkern denn klingen. Schnell wurde klar das nicht jeder Verstärker ESL tauglich ist auch der EL 84 PP den wir dort auf dem treffen fanden konnte mich nicht Überzeugen. Nicht das er schlecht war. Mit normalen Chassis wird er wohl wunderbar klingen. Ein ESL dagegen stellt an einen Verstärker schon sehr hohe Ansprüche, so das er unter einer kapazitiven last auch Stabil laufen muss. Also muss ein Schaltungskonzept her mit dem es möglich wird. Lange Zeit war ich der Meinung dass man nur Trioden für einen ESL einsetzen sollte. All meine Pentoden Verstärker die ich vorher gebaut habe, aber auch einen Namenshaften Pentoden Amp konnte einfach meine ESL nicht Beglücken.
Mittlerweile ist es auch so dass ein ESL auch mit Kleineren Endstufen zu recht kommt. Zumindest ist es bei den Silberstatic so.
Und als Aktives 2 Wege System. ( ESL + Subwoofer)
Was ich bei so einem hochwertigen Schallwandler immer wieder Ausspreche:
Baut es Aktiv auf.
Ein Grund mit dafür dass auch ein 15 Watt Verstärker Völlig ausreicht,
Warnung!
Röhrenschaltungen arbeiten mit Spannungen, die Lebensgefährlich sein können!
Beachten Sie also immer alle Sicherheitsregeln!
Betreiben Sie die Schaltung niemals direkt am Stromnetz!
Bevor Sie Änderungen an der Verdrahtung oder an Bauteilen vornehmen, vergewissern Sie sich, dass keine Spannung mehr anliegt!
Spannungsfreiheit immer überprüfen!
Warten Sie immer einige Minuten, bis die Kondensatoren sich entladen haben.
Messungen im laufenden Betrieb nur unter größter Vorsicht mit geeigneten Messgeräten!
Für Sach- oder Personenschäden, die durch den Einsatz dieser Schaltung entstehen, kann keine Haftung übernommen werden!
So wie immer das Übliche…..
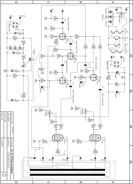
Nun zu eigentliche Schaltung:
Um die Sache möglichst Kompakt zu halten, habe ich mich entschlossen auch das Netzteil mit auf der Leiterplatte zu Intregrieren.
Ziel war auch minimierte Stör Geräusche. Also entschloss ich mich alle Röhren mit DC zu heizen. Am Gleichrichter B2 werden 6,3V AC eingespeist. Die Kondensatoren C 18-20 wurden so ausgewählt, das unter last aller Röhren die Heizspannung leicht über 6,3V DC liegt.
Vergewissern sie sich immer vor dem Betrieb das alle Röhren gesteckt sind um Überspannung an den Röhren zu vermeiden. Beim erst Betrieb Messen sie auch nochmals die Heizspannung nach ( Alle Röhren gesteckt) Stimmt er wert nicht muß eine Änderung an den der Kapazität der Kondensatoren vorgenommen werden. Bei dem von mir ausgewählten Gleichrichter beträgt die Spannung ca. 6,37V
Das Netzteil mit der Negativen Gittervorspannung habe ich auf 35 V AC festgelegt. D1 ZD 20 Stabelesiert die DC Spannung aus 20V Hier gilt auch Beim Erst Betrieb einmal Die Spannung Kontrollieren Ob sich auch an D1 Zwischen Anode und Katode anliegt.
Das Gleiche gilt auch für die Anodenspannung! Sie sollte an C13 um die 300V liegen! Wer auf den MOS verzichten will mus die Speisespannung herabsetzen, so das Am C 13 nicht mehr als 300V anliegen.
Der netz trafo sollte für einen Stereo Verstärker zwei getrennte heizwicklungen besitzen. Die Schaltung Könnte sonst brummen!
Also Wichtig ! ! !
Auf den ersten blick Sieht die Schaltung wie Üblich aus nur das hier Satt der ECC 83 die sonst sehr oft für eine EL 84 gewählt wird hier ebnend die ECC 82 gewählt wurde. Sie ist Niederohmiger als die ECC 83 Anders ist auch hier wie sonst die Art der Phasen Abgleichung. Diese geschieht Direkt beim Pfasensplitter. Die Ströme sind hier geringer als bei den Treibern. Somit ist auch das Poti weniger belastet.
Beim Abgleich der Phasenverschiebung messen sie Zwischen C und R 10 bzw. R13 jeweils gegen masse. mit einer Einspeisung eines Sinus Signal und Stellen sie das poti so ein bis beide Amplituden gleich groß sind.
Auch geben die Treiber V4 eine Hohe Spannung ab weit über der Anforderung der EL 84. Es sind also Reichliche Reserven vorhanden.
R 28 dient zur Gegenkopplung der Wert ist Geschmacksache. Der Wert kann Zwischen 220K und 56 K liegen. Je nach dem Welche Ausgangsimpedanz der AÜ hatt ( 4, 6, oder 8 Ohm)
Hier im Beispiel habe ich einen AÜ mit 8 Ohm Ausgangsimpedanz eingesetzt.
Im Eingang ist die Schaltung sehr empfindlich ausgelegt, so dass auch ein MP3 Payer zur Aussteuerung ausreicht.
Für einen ESL ist aber R 28 von großer Bedeutung. Sehr gute Ergebnisse gibt es bei einer Gegenkopplung ab 220K bis 56K.
Dementsprechend werden dann die Stepp up AÜ´s 1:60 für Röhren Anwendung gewählt und mit dem L150 von Silberstatich einfach eine traum kombination
Der Anodenstrom wirt aus 36 mA eingestellt gemessen wird Zwischen R 17 bzw. R 18 ( 0, 36V)
Auf Bild klicken für das großformat
|
Menge |
Wert |
Device |
Bauteile |
|
1 |
1K |
R-EU_0207/10 |
R24 |
|
2 |
1k5 |
R-EU_0207/10 |
R10, 13 |
|
1 |
2k2 |
R-EU_0207/10 |
R7 |
|
3 |
4K7 |
R-EU_0207/10 |
R29, R30, R31 |
|
1 |
8K2 |
R-EU_0207/10 |
R25 |
|
2 |
10K-2W |
R-EU_0411/15 |
R21, R23 |
|
2 |
10R-2W |
R-EU_0411/15 |
R17, R18 |
|
1 |
25K |
TRIM_EU-PT10 |
R36 |
|
2 |
27K |
R-EU_0207/10 |
R11, R12 |
|
1 |
33k |
R-EU_0207/10 |
R5 |
|
1 |
47/350 |
E7,5-16 |
C5 |
|
4 |
47K |
R-EU_0207/10 |
R16, R32, R33, R6 |
|
2 |
68R |
R-EU_0411/15 |
R19, R20 |
|
2 |
100/25 |
CPOL-EUE3.5-8 |
C10, C11 |
|
2 |
100/63 |
CPOL-EUE5-10.5 |
C6, C7 |
|
3 |
100/350 |
E7,5-18 |
C12, C13, C15 |
|
3 |
100K |
R-EU_0207/10 |
R1, R2, R22 |
|
2 |
100K-lin |
TRIM_EU-PT10 |
R14, R15 |
|
2 |
220K |
R-EU_0207/10 |
R3, R4 |
|
1 |
220K*-56K* (82K) |
R-EU_0207/10 |
R28 |
|
4 |
470K |
R-EU_0207/10 |
R8, R9, R34, R35 |
|
3 |
2200/16 |
CPOL-EUE5-13 |
C18, C19, C20 |
|
1 |
B50C8000 |
KBU |
B2 |
|
2 |
B500C1000 |
RB1A |
B1, B3 |
|
2 |
ECC 82 |
ECC82-P |
V3, V4 |
|
2 |
EL 84 |
EL84-P |
V1, V2 |
|
4 |
Noval |
Sockel |
|
|
1 |
IN |
SE14 |
IN |
|
1 |
IRF640 |
IRF640 |
T1 |
|
5 |
MKP-10-400-220n |
C-EU225-087X268 |
C1, C2, C3, C8, C9 |
|
1 |
MKP-10-400-330n |
C-EU225-087X268 |
C4 |
|
2 |
V4330k |
SE14 |
U+ |
|
1 |
ZD13 |
ZPD |
D8 |
|
1 |
ZD20 |
ZPD |
D1 |
|
3 |
ZD100 |
ZPD |
D2, D9, D10 |
|
2 |
270K |
R26 R27 |
Achtung R 26 u. R 27 ( 100K ) gegen 270K Tauschen!
Auf bild klicken für Große Auflösung
Hier die Leiterplatte aus der Serienfertigung in unbestückten und bestückten Zustand.
Wichtig ist das die Sockel auf der Leiterbahn Seite Angelötet werden ! ! !




Bauvorschlag
Kommen wir Zum Spannenden Teil das Zuhause ähh. Gehäuse.
Ich habe zum Anzeichen die Leiterplatte auf das Blech gelegt und die Löcher Übertragen.
Das Gleiche auch für die Obere Platte. Hier habe ich durch die Bohrungen der Sockel über Kreuz angezeichnet. Dann die Mitte der Bohrung ermittelt.

Mit der Loch Stanze die Löcher gezogen. Wichtig ist das das Stanzeisen
Oben angebracht wird. So bildet sich der Graht unten!

Die Erste Vormontage aller Baugruppen.

Die Verkabelung: Hier ist auch besonders darauf zu Achten das Alle Masse Verbindungen zusammen auf einen Punkt laufen incl. Erdung !! ( Nicht Vergessen )

Auf der Rückseite Gibt es insgesamt 3 Sicherungshalter.
Diese sind für die Anodenspannung, Gittervorspannung und eine für die Primär Seite
Des Netztrafos vorgesehen. Baue Niemals Ohne Sicherungen ! ! !
Sie Dienen zum Schutz der Bauteile Sonst kann es unter Schlechten Vorraussetzung auch zum Brand Führen !!! Auch ist ein Metall Gehäuse Zwingend Notwendig !!
Noch mal zur masse Verbindung! Von jeder leiterplatte wird eine Masseverbindung zum Zentralen Masse Punkt gezogen. Die Verbindung wird Vom Heizgleichrichter hergestellt !

Mittlerweile sind auch die Vollbereich Silberstatic. Eingetroffen. Die Elektrostatischen Schallwandler klingen einfach erster Sahne. Der Amp mit seinen 2* 15Watt Ausgangsleistung Heizt die Jungs ganz schön ein. Verblüffend ist der zu erreichende Schalldruck mit der EL 84 PP Endstufe. Ich habe es nicht für möglich gehalten was aus einen Vollbereich ESL mit 15 Watt !!! leistet. Da hatt der Macher von Silberstatic
Ganze Arbeit geleistet. Mein Kompliment.
Bauanleitung als PDF

