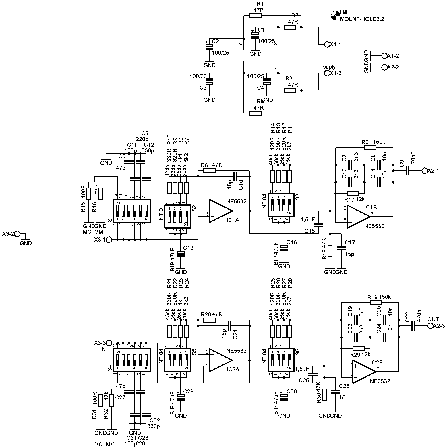
MM/MC RIAA Entzerrer 2 Fach mit NE5532 bis 88db IEC Kennlinie 2022
- +/- 12V ( 14 mA bei 12V)
- MM / MC Schaltbar
- 35 – 88 db Schaltbar
- IEC Kennlinie
- FR4 2 DK Leiterplatte 99x74 mm
Auf Grund der ständiger Nachfrage nach einen RIAA Entzerrer der auf Operationsverstärker basiert, habe ich dann den Entzerrer nach mein Transistor Modell als Basic verwendet!
Eines Vor weg! Alle die meinen Transistor RIAA Transistor Entzerrer schon kennen würden NIEMALS auf die OP-Version umsteigen!
Vergleicht man den RIAA Entzerrer mit OP basierten Modellen, so gibt es vielleicht kleine Unterschiede was das Schaltungsdesign betrifft.
In der Praxis ist der MM/MC RIAA Entzerrer auf jeden Fall gut nutzbar!
Mein MC System klingt auch über das Modell ganz nett und der Signal Rauschabstand ist auf jeden Fall auch Akzeptabel!
Auch hier empfehle ich zu mindest für den MC Betrieb das 2 Fach Netzteil!
Soweit ist die Schaltung identisch bis auf den Einsatz der OP´s. nach ausgiebige Testerrei beider Modelle, merkt man dann auf jeden fall das die Transistor Schaltung einen Weit aus Besseren Signal Rauschabstand aufweist! Beim Test habe ich die NE5532 genommen.
An dieser Stelle möchte ich mich nicht mit der OP-Palette auseinandersetzen. Es kann natürlich sein das manch OP sicherlich besser ist als der NE5532. Darum geht es hier nicht!
Für Gute HIFI Widergabe ist das Modell also auch mit einen MC Modell ohne Übertrager gut brauchbar.
Wenn es um High end geht kommen sie keines falls um die Transistor basierte variante herum. Das Bekomme ich immer wieder bestätigt!
Nachfolgend die Einstellmöglichkeiten der Dip-Schalter.
Als Aller erste Priorität wählen sie das System aus MM oder MC
1 oder 2 Muss Zwingend Aktiviert sein! Die Benötigte Kapazität kann dann anhand der Tabelle eingestellt werden. Die meisten Systeme kommen mit 47pF zurecht (47pF + Zuleitung vom Plattenspieler) Grundsätzlich ist es so dass die Zuleitung zum Entzerrer auch eine Kapazität aufweist. Oftmals sind es 130 – 150 pF. Weitere Information finden sie im Handblatt ihres Systems!
|
S8, S9 |
100R |
47K |
47pF |
100pF |
220pF |
330pF |
|
|
1 |
2 |
3 |
4 |
5 |
6 |
|
MC / 100R |
x |
|||||
|
MM / 47K |
|
x |
||||
|
47pF |
x |
|||||
|
100pF |
x |
|||||
|
147pF |
x |
x |
||||
|
220pF |
x |
|||||
|
267pF |
x |
x |
||||
|
330pF |
x |
|||||
|
367pF |
x |
x |
x |
|||
|
377pF |
x |
x |
||||
|
430pF |
|
x |
x |
|||
|
477pF |
x |
x |
|
x |
||
|
550pF |
x |
x |
||||
|
597pF |
x |
x |
x |
|||
|
650pF |
x |
x |
x |
|||
|
697pF |
x |
x |
x |
x |
Anhand der Tabelle können sie den Verstärkungsfaktor einstellen. Auch hier ist es unbedingt erforderlich das sie Jeweils einen Schalter auf ON geschaltet haben.
z.b. Sie benötigen 45 db dann müssen sie jeweils S1 und S2 Pin 1 Aktivieren. Und bei S3 und S4 aktivieren sie Jeweils Pin 2
Grundsätzlich schalten sie die Dip Schalter nur um wenn der RIAA bzw. der Vorverstärker ausgeschaltet ist!
|
S1/S2 |
20 db |
25 db |
35 db |
43 db |
S3/S4 |
15 db |
25 db2 |
30 db |
40 db |
|
1 |
2 |
3 |
4 |
1 |
2 |
3 |
4 |
||
|
35 db |
x |
x |
|||||||
|
40 db |
x |
x |
|||||||
|
45 db |
x |
x |
|||||||
|
50 db |
x |
x |
|||||||
|
55 db |
x |
x |
|||||||
|
60 db |
x |
x |
|||||||
|
65 db |
x |
x |
|||||||
|
73 db |
|
x |
x |
|
|||||
|
75 db |
x |
x |
|||||||
|
83 db |
x |
x |
|||||||
|
88 db |
x |
x |
x |
x |
|
x |
x |
x |
x |
In der Regel benötigen sie für ein MM System eine Verstärkung von 35 db – 45 db. MC Systeme benötigen eine Verstärkung von etwa 60 db – 83 db. das Ganze ist vom System abhängig und wie hoch der Pre Amp Verstärkt.


|
Spalte1 |
Spalte2 |
Spalte3 |
Spalte4 |
|
Menge |
Wert |
Device |
Bauteile |
|
4 |
47R |
Metall 0,6W |
R1, R2, R3, R4 |
|
2 |
100R |
Metall 0,6W |
R15, R31 |
|
2 |
120R |
Metall 0,6W |
R14, R25 |
|
2 |
330R |
Metall 0,6W |
R10, R21 |
|
2 |
390R |
Metall 0,6W |
R13, R26 |
|
4 |
820R |
Metall 0,6W |
R9, R12, R22, R27 |
|
2 |
2k7 |
Metall 0,6W |
R11, R28 |
|
2 |
4k1 |
Metall 0,6W |
R8, R23 |
|
2 |
5k2 |
Metall 0,6W |
R7, R24 |
|
2 |
12k |
Metall 0,6W |
R17, R29 |
|
6 |
47K |
Metall 0,6W |
R6, R16, R18, R20, R30, R32 |
|
2 |
150k |
Metall 0,6W |
R5, R19 |
|
4 |
15p |
C-EU050-024X044 |
C10, C17, C21, C26 |
|
2 |
47p |
C-EU050-045X075 |
C5, C27 |
|
2 |
100p |
C-EU050-045X075 |
C11, C31 |
|
2 |
220p |
C-EU050-045X075 |
C6, C28 |
|
2 |
330p |
C-EU050-045X075 |
C12, C32 |
|
4 |
3n3 |
C-EU050-035X075 |
C7, C13, C19, C23 |
|
4 |
10n |
C-EU050-035X075 |
C8, C14, C20, C24 |
|
2 |
470nF |
C-EU050-035X075 |
C9, C22 |
|
2 |
1,5µF |
C-EU050-075X075 |
C15, C25 |
|
4 |
BIP 47uF |
CPOL-EUE2.5-7 |
C16, C18, C29, C30 |
|
4 |
100/25 |
CPOL-EUE2.5-7 |
C1, C2, C3, C4 |
|
2 |
NE5532 |
TL072P |
IC1, IC2 |
|
4 |
NT 04 |
DS04 |
S2, S3, S5, S6 |
|
2 |
NT06 |
DS06 |
S1, S4 |
|
2 |
DIP 8 |
Fassung |
|
|
3 |
Printklemme |
W237-103 |
X1, X2, X3 |
|
1 |
Leiterplatte P55 |
99 mm* 73.7 mm |
|
