MM/MC Class A Ultra Low Noise zwei Stufen RIAA-Entzerrer 35 - 88db Schaltbar 2025 Premium Gold mit ZTX851,ZTX951 Transistoren
- High End MC / MM RIAA-Entzerrer, extrem rauscharm
- MM / MC Vorwiderstände (100 Ohm / 47 k) über DIP-Schalter schaltbar
- Eingangskapazität über DIP anpassbar (47pF – 697pF)
- Transistor statt OP
- Low-Noise-Special Transistoren (ZTX851,ZTX951)
- IEC-Filter (Rumpelfilter 7,2 Hz)
- High Voltage +/- 36V 7,3 mA
- Metall Film Widerstände
- Folien Kondensatoren
- Leiterplatte 100*72mm
- Stromaufnahme 7,2mA (Kurzschluss 19mA
- Ausgangsimpedanz 47K
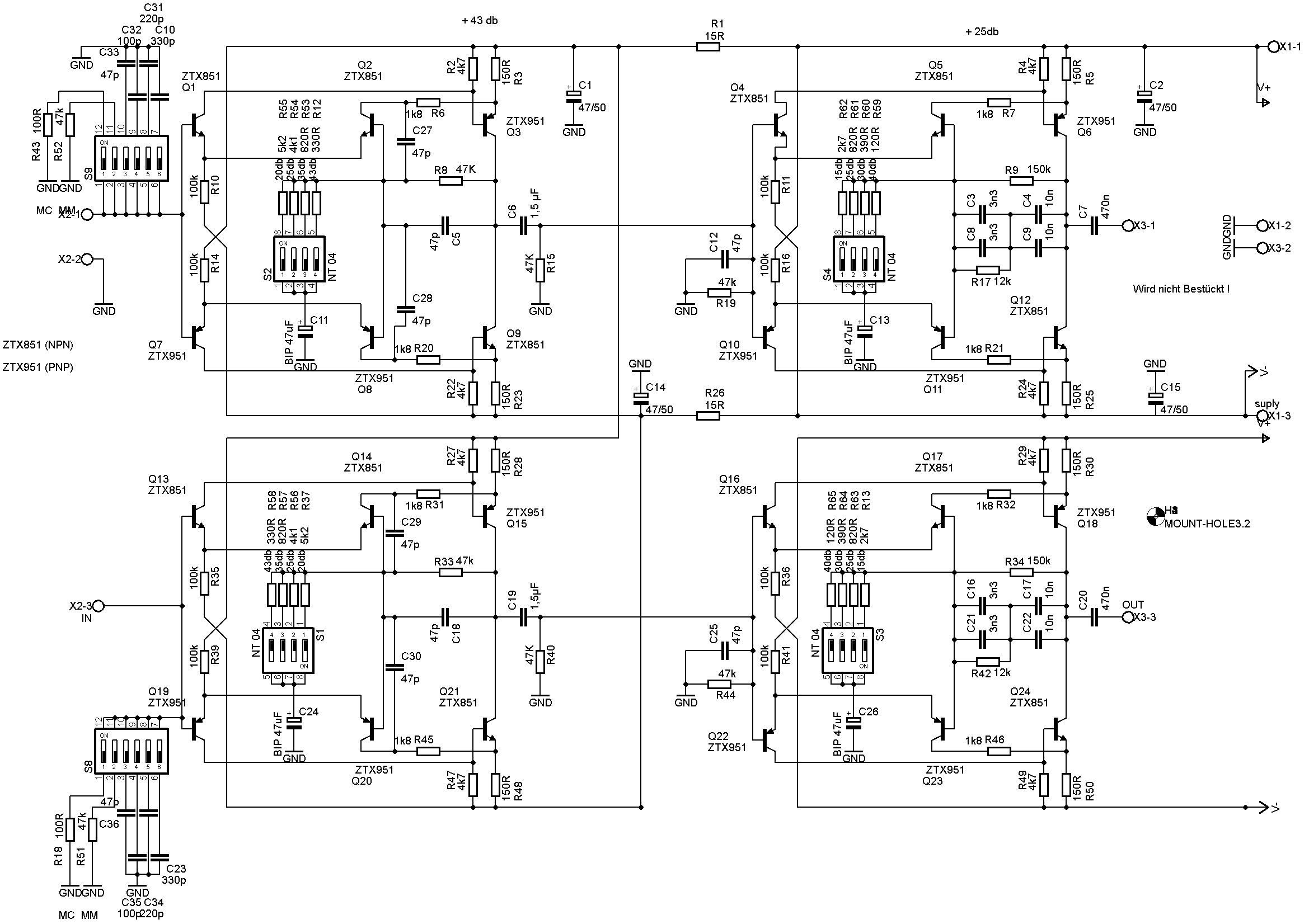
- Verstärkungsfaktor 35 - 88 db bei 1KHz Über DIP Schalter Schaltbar
- Max Ausgangsspannung Vpp 66V Peak 23,34 RMS 29,58 db (1kHz)
- Zwei-Stufen-Verstärker
- RIAA – IEC Kennlinie
Anleitung und Produktbeschreibung – RIAA-Entzerrer-Vorverstärker für MC-Systeme (Nachfolgeprodukt 2025)
Mit dieser neuen Version unseres bewährten RIAA-Entzerrer-Vorverstärkers für Moving-Coil-Systeme (MC) präsentieren wir eine weiterentwickelte, nochmals optimierte Lösung für audiophile Anwender und Studios. Dieses Nachfolgeprodukt basiert auf dem 2020er-Modell, wurde aber in allen entscheidenden Punkten verfeinert und verbessert.
Technische Highlights der neuen Version:
- Symmetrische Betriebsspannung von ±36 Volt:
Durch die Anhebung der Betriebsspannung von ±24 V auf ±36 V konnte der Dynamikumfang deutlich erweitert werden. Dadurch bietet der Entzerrer mehr Headroom für Pegelspitzen, weniger Verzerrungen und ein nochmals transparenteres Klangbild. - Verwendung modernster extrem rauscharmer Transistoren:
In dieser neuen Generation kommen Low-Noise-Transistoren zum Einsatz, die zu den besten am Markt gehören („Insider-Tipps“). Diese Transistoren haben zwar eine andere Pinbelegung als in der Vorgängerversion, wodurch das Layout angepasst wurde, bringen aber nochmals eine deutliche Verbesserung in Bezug auf Rauscharmut und Klangreinheit — perfekt für anspruchsvolle Moving-Coil-Systeme mit sehr niedrigen Ausgangsspannungen. - Überarbeitete Masseführung:
Für eine noch stabilere und störungsärmere Signalführung wurden die Masseflächen überarbeitet und verbreitert, um niedrigste Widerstände und verbesserte Signal-Ruhe zu gewährleisten.
Mechanische Kompatibilität:
- Die neue Leiterplatte wurde in einem hochwertigen Rot ton gefertigt und mit vergoldeten Pads versehen.
- Trotz Layout-Optimierungen bleiben die mechanischen Abmessungen sowie die Bohrungen für die Befestigung vollständig identisch zur Vorgängerversion von 2020.
Dadurch können Bestandskunden problemlos von der alten auf die neue Platine upgraden — ohne Änderungen am Gehäuse oder an den mechanischen Befestigungen. -
- Das ebenfalls überarbeitete Netzteil für diese neue Version wurde ebenfalls in Rot mit vergoldeten Pads gestaltet und folgt exakt den Abmessungen und Bohrungen der alten Netzteilversion — auch hier ist ein 1:1 Austausch einfach und unkompliziert möglich.
RIAA-Entzerrung mit höchster Präzision:
Die Schaltung arbeitet vollständig diskret, ohne Operationsverstärker, und in klassischer THT-Technik.Anpassbare Ausgangsbeschaltung:
Die Ausgangskondensatoren sind standardmäßig so ausgelegt, dass sie mit einer Eingangsimpedanz von 47 kΩ zusammenarbeiten. Die untere Grenzfrequenz liegt bei ca. 7,2 Hz, was für eine hervorragende Tiefbasswiedergabe sorgt.
Besondere Vorteile auf einen Blick:
- Erweiterter Dynamikumfang durch ±36 V Versorgung
- Noch rauschärmer durch Low-Noise-Transistoren
- Mechanisch vollständig kompatibel mit dem Vorgängermodell von 2020
- Exklusives Design mit roter Platine und vergoldeten Pads
- Optionales, passendes, ebenfalls rot designtes Netzteil mit identischen Abmessungen und Bohrungen
- Hohe Präzision bei der RIAA-Entzerrung
Mit dieser neuen Generation bieten wir eine zukunftssichere, audiophile Lösung für anspruchsvollste Moving-Coil-Tonabnehmer: kompromisslos rauscharm, mechanisch einfach austauschbar, optisch hochwertig und technisch auf höchstem Niveau.
Dank der identischen Abmessungen zu unserer 2020er-Version können Bestandskunden schnell und einfach upgraden — alte Leiterplatte raus, neue Leiterplatte rein, fertig.
Hinweis:
Dieser Bausatz wird standardmäßig für eine 47 kΩ Last konfiguriert geliefert.
Praxis tip:
Signalverarbeitung:
Die Signalverarbeitung dieses RIAA-Entzerrer-Vorverstärkers erfolgt in zwei sorgfältig abgestimmten Stufen:
- Stufe 1:
Eine rauscharme Eingangsstufe, die das empfindliche MC-Signal um etwa 20 bis 43 dB verstärkt und damit optimal für die nachfolgende Entzerrung vorbereitet. - Stufe 2:
Eine präzise RC-Frequenzkorrektur gemäß RIAA-Entzerrkurve, kombiniert mit einer weiteren Verstärkung von ca. 15 bis 40 dB, um den endgültigen Ausgangspegel perfekt an nachfolgende Verstärker anzupassen.
Dank dieser durchdachten Kaskadierung wird das Grundrauschen besonders effektiv unterdrückt. Die Verstärkung findet dort statt, wo sie erforderlich ist, mit exzellenter Rauscharmut bereits in der ersten Stufe, sodass auch sehr leise Signale vom MC-Tonabnehmer unverfälscht, detailreich und dynamisch verarbeitet werden.
Netzteil und Performance:
Um bei Verstärkungsfaktoren dieser Größenordnung einen möglichst hohen Störspannungsabstand zu gewährleisten, ist ein Netzteil mit minimaler Restwelligkeit unerlässlich. (Y190 2Fach Nt 26V BS)
In Kombination mit unserem zweifachen Netzteil für hochempfindliche Vorverstärker (±36 V) konnten selbst bei über 80 dB Gesamtverstärkung Messergebnisse erzielt werden, die sich mit hochpreisigen Vorverstärkern problemlos messen können.
Klang und räumliche Abbildung sind hervorragend:
Der RIAA-Entzerrer holt in Kombination mit einem guten MC-System das Optimum aus dem Tonträger heraus und sorgt für eine detailreiche, musikalische und präzise Wiedergabe.
Auch Tests mit einem Ortofon 2M Blue MM-System und einer Verstärkung von 68 dB brachten exzellente Ergebnisse, die insbesondere für anspruchsvolle MM-Nutzer interessant sein dürften:
Eine saubere, transparente Wiedergabe mit hervorragender Räumlichkeit und Musikalität — der Hörspaß ist garantiert.
Zusätzliche technische Erläuterung ggf. Schutzmaßmahmen einbinden!
Der deutlich erweiterte Dynamikbereich dieser neuen Version trägt maßgeblich zu einem besonders transparenten, offenen Klangbild bei. Durch die höhere Betriebsspannung von ±36 V kann die Gegenkopplung über die Verstärkerstufen sehr effektiv arbeiten, ohne dass das Signal „komprimiert“ wirkt — so bleibt der gesamte Dynamikumfang vollständig erhalten und auch feinste Details werden sauber und unverfälscht übertragen.
Dies sorgt für eine hervorragende Authentizität und Lebendigkeit des Musiksignals, insbesondere bei hochwertigen MC-Systemen mit sehr feinen Dynamikunterschieden.
In der Praxis ist zu beachten, dass solche hohen Dynamikreserven auch bedeuten, dass kurzzeitig sehr hohe Ausgangspegel möglich sind — zum Beispiel beim versehentlichen Antippen des Tonabnehmers oder bei der Reinigung der Abtastnadel. In der Regel bewegen sich diese Werte weit außerhalb normaler Hörsituationen und treten höchstens als kurze Spitzen auf (z. B. bei Ein- und Ausschaltvorgängen).
Wir empfehlen dennoch sicherzustellen, dass der nachfolgende Verstärker-Eingang für diese Pegel ausgelegt ist. Falls Unsicherheiten bestehen, kann optional eine Schutzschaltung integriert werden, die den Maximalpegel begrenzt und damit den Verstärkereingang zuverlässig schützt — insbesondere bei sehr empfindlichen nachfolgenden Geräten. i.d.r wird die Verstärkung so eingestellt das der Pre. Amp einen Pegel von 0db bzw. 755mV RMS Arbeitet, dann sollten Pegel die entstehen können wie beim Reinigen der Abtastnadel kein Problem darstellen.
Technische Handhabung – DIP-Schalter-Einstellungen:
Nachfolgend die Beschreibung der verfügbaren Einstellmöglichkeiten über die DIP-Schalter:
- Zwingend erforderlich ist die Auswahl des verwendeten Tonabnehmersystems an den Schaltern S8/S9.
Hier muss entweder Schalter 1 oder Schalter 2 zwingend für beide Kanäle gleich eingestellt sein, damit die Schaltung korrekt arbeitet. - Die benötigte Eingangskapazität lässt sich anschließend anhand der Tabelle im Manual bequem einstellen. Die meisten Tonabnehmersysteme arbeiten problemlos mit 47 pF (bestehend aus dem eingestellten Wert plus der Kapazität der Verbindungsleitung zwischen Plattenspieler und Entzerrer).
- Je nach System können aber auch Kapazitätswerte im Bereich von 130–150 pF üblich sein.
Bitte beachten Sie die Empfehlungen des Tonabnehmerherstellers — genaue Informationen finden Sie im jeweiligen Datenblatt des verwendeten Systems.
|
S8, S9 |
100R |
47K |
47pF |
100pF |
220pF |
330pF |
|
|
1 |
2 |
3 |
4 |
5 |
6 |
|
MC / 100R |
x |
|||||
|
MM / 47K |
x |
|||||
|
47pF |
x |
|||||
|
100pF |
x |
|||||
|
147pF |
x |
x |
||||
|
220pF |
x |
|||||
|
267pF |
x |
x |
||||
|
330pF |
x |
|||||
|
367pF |
x |
x |
x |
|||
|
377pF |
x |
x |
||||
|
430pF |
x |
x |
||||
|
477pF |
x |
x |
x |
|||
|
550pF |
x |
x |
||||
|
597pF |
x |
x |
x |
|||
|
650pF |
x |
x |
x |
|||
|
697pF |
x |
x |
x |
x |
Verstärkungsfaktor-Einstellung:
Der gewünschte Verstärkungsfaktor kann ebenfalls bequem anhand der Tabelle gewählt und über die DIP-Schalter eingestellt werden.
- Wichtig: Es muss unbedingt darauf geachtet werden, dass pro Kanal jeweils nur ein Schalter aktiviert ist.
Beispiel:
Falls eine Verstärkung von 45 dB erforderlich ist, sind folgende Einstellungen vorzunehmen:
- S1 und S2 jeweils Pin 1 aktivieren,
- S3 und S4 jeweils Pin 2 aktivieren.
Bitte beachten Sie unbedingt:
- Die DIP-Schalter dürfen nur betätigt werden, wenn der RIAA-Entzerrer bzw. der Vorverstärker vollständig ausgeschaltet ist!
- Beide Kanäle müssen identisch eingestellt werden.
|
S1/S2 |
20 db |
25 db |
35 db |
43 db |
S3/S4 |
15 db |
25 db2 |
30 db |
40 db |
|
1 |
2 |
3 |
4 |
1 |
2 |
3 |
4 |
||
|
35 db |
x |
x |
|||||||
|
40 db |
x |
x |
|||||||
|
45 db |
x |
x |
|||||||
|
50 db |
x |
x |
|||||||
|
55 db |
x |
x |
|||||||
|
60 db |
x |
x |
|||||||
|
65 db |
x |
x |
|||||||
|
73 db |
x |
x |
|||||||
|
75 db |
x |
x |
|||||||
|
83 db |
x |
x |
|||||||
|
88 db |
x |
x |
x |
x |
x |
x |
x |
x |
Stückliste
|
Spalte1 |
Spalte2 |
Spalte3 |
Spalte4 |
|
Menge |
Wert |
Device |
Bauteile |
|
2 |
15R |
1/4W Metall |
R1, R26 |
|
2 |
100R |
1/4W Metall |
R18, R43 |
|
2 |
120R |
1/4W Metall |
R59, R65 |
|
8 |
150R |
1/4W Metall |
R3, R5, R23, R25, R28, R30, R48, R50 |
|
2 |
330R |
1/4W Metall |
R12, R58 |
|
2 |
390R |
1/4W Metall |
R60, R64 |
|
4 |
820R |
1/4W Metall |
R53, R57, R61, R63 |
|
8 |
1k8 |
1/4W Metall |
R6, R7, R20, R21, R31, R32, R45, R46, |
|
2 |
2k7 |
1/4W Metall |
R62, R13 |
|
2 |
4k1 |
1/4W Metall |
R54, R56 |
|
8 |
4k7 |
1/4W Metall |
R2, R4, R22, R24, R27, R29, R47, R49 |
|
2 |
5k2 |
1/4W Metall |
R37, R55 |
|
2 |
12k |
1/4W Metall |
R17, R42 |
|
8 |
47K |
1/4W Metall |
R8, R15, R19, R33, R40, R44, R51, R52 |
|
8 |
100k |
1/4W Metall |
R10, R11, R14, R16, R35, R36, R39, R41 |
|
2 |
150k |
1/4W Metall |
R9, R34 |
|
6 |
47p |
Rm 2,5 Ceramic |
C5, C18, C27, C28, C29, C30 |
|
4 |
47p |
C-EU050-045X075 |
C12, C25, C33, C36 |
|
2 |
100p |
C-EU050-045X075 |
C32, C35 |
|
2 |
220p |
C-EU050-045X075 |
C31, C34 |
|
2 |
330p |
C-EU050-045X075 |
C10, C23 |
|
4 |
3n3 |
C-EU050-045X075 |
C3, C8,C16, C21 |
|
4 |
10n |
C-EU050-075X075 |
C4, C9, C17, C22 |
|
2 |
470n |
C-EU050-035X075 |
C7, C20 |
|
2 |
1,5µF |
C-EU050-075X075 |
C6, C19 |
|
4 |
47/50 |
CPOL-EUE2.5-7 |
C1, C2, C14, C15 |
|
4 |
BIP 47uF |
CPOL-EUE2.5-7 |
C11, C13, C24, C26 |
|
12 |
ZTX851 |
ZTX851 |
Q1, Q2, Q4, Q5, Q9, Q12, Q13, Q14, Q16, Q17, Q21, Q24 |
|
12 |
ZTX951 |
ZTX951 |
Q3, Q6, Q7, Q8, Q10, Q11, Q15, Q18, Q19, Q20, Q22, Q23 |
|
4 |
DIP NT 04 |
DS04 |
S1, S2, S4, S5 |
|
2 |
Dip NT 06 |
DS06 |
S8, S9 |
|
3 |
3 Pol |
Printklemme |
|
|
1 |
Leiterplatte |
100x72 mm |



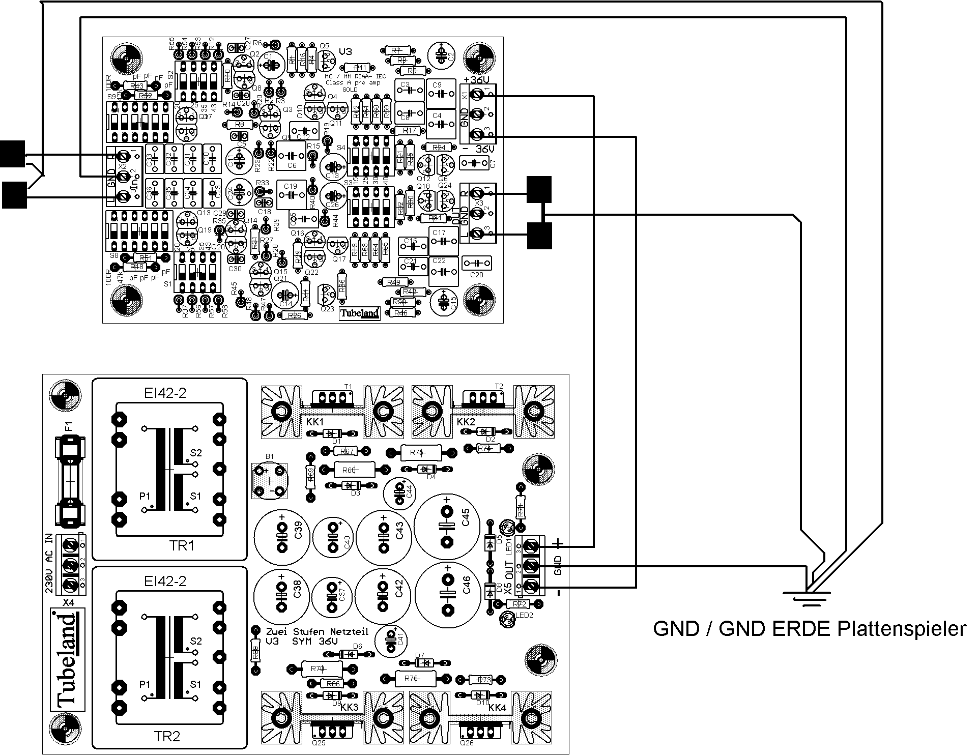
Hinweise zum Zusammenbau – RIAA
Für optimale Ergebnisse ist beim Aufbau der RIAA Deluxe Version besonders auf eine saubere Masseführung und die richtige Platzierung des Netzteils zu achten:
Das Netzteil muss extern montiert werden, um störende Einstreuungen zu minimieren. Wie im Verteilungsplan dargestellt, ist ein zentraler Massepunkt vorgesehen, an dem alle GND-Leitungen sternförmig zusammengeführt werden sollten. Dies vermeidet Brummschleifen und sorgt für ein ruhiges, störfreies Klangbild.
Die Gehäusemasse im Netzteil (Schutzleiter) wird zusätzlich mit dem zentralen GND-Punkt verbunden werden, sofern dies aus EMV- oder sicherheitstechnischen Gründen erforderlich ist – auf der Netzteilseite ist dies unkritisch.
Wie auf dem Foto zu erkennen, befindet sich am Gehäuse ein Schraubanschluss für die Plattenspieler-Masse (GND). Dieser sollte unbedingt genutzt werden, um Erdpotenziale zwischen Plattenspieler und Vorverstärker auszugleichen und Brummstörungen effektiv zu vermeiden.
