SYM Power NT für Endstufen 3A ungekühlt, 8A Gekühlt
- 2X 10.000µF 63V Snap-in Kondensatoren
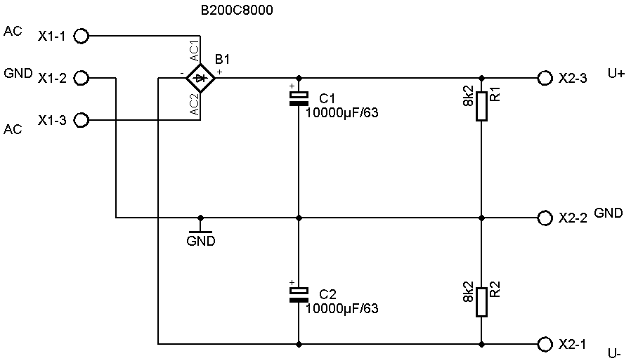
- Bis zu 2X 57V DC SYM Ausgangspannung möglich (2x40V AC Max),
- 3 A ungekühlt 8A Gleichrichter Gekühlt
- Spannung Ableitwiderstände
- Leiterplatte 48x111mm Fr4 DK2
Netzteil für Symmetrische Spannungsversorgung mit bis zu 57V realisierbar.
Ungekühlt ist ein Strom von bis zu 3A Möglich. Mit gekühltem Gleichrichter bis zu 8A!
Zusätzlich wurden noch zwei Widerstände verbaut um die Spannung Abzubauen. Das ist erforderlich, damit nach dem Abschalten der Betriebsspannung die Spannung von den lade Elkos abgebaut wird!


|
Menge |
Wert |
Device |
Bauteile |
|
2 |
AK500/3 |
X1, X2 |
|
|
2 |
8k2 |
2 W |
R1, R2 |
|
2 |
10000µF/63 |
CPOL-EUE10-35 |
C1, C2 |
|
1 |
B200C8000 |
KBU |
B1 |
|
1 |
Leiterplatte Y127 |
48 mm* 111 mm |
|
