Symmetrische 57 Watt Darlington Endstufe TIP142/147 2023
- 57 Watt 4Ohm / 54W 8 Ohm
- 2 X 25V AC Nt. = Ca.2x35V DC
- Mit Max Strom Überwachung
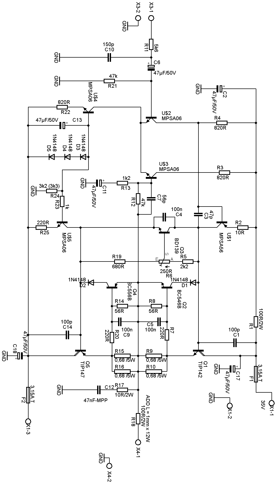
Eine einfache kleine Leistungsendstufe, aufgebaut mit Darlington-Transistoren der zweiten Generation (TIP 142/147), gibt es in zwei Bauformen. Wir verwenden für die Endstufe die neue Bauform, da die Ableitfläche größer ist als bei den alten Vormodellen. Somit hat die Industrie den Transistor in Bezug auf die Wärmeableitung verbessert. Außerdem möchte ich dringend davor warnen, Transistoren im China Store zu kaufen. Leider werden heute auch Transistoren gefälscht. Diese sehen den Originalen zwar sehr ähnlich, rauchen jedoch bei der kleinsten Beanspruchung sofort ab!
Auch hier habe ich wieder eine Strombegrenzung eingefügt, um die Endstufe robuster zu machen. Der Ruhestrom wird mit R6 auf 50 mV eingestellt, gemessen z.B. über R9. Bei der Erwärmung des Kühlkörpers wird der Ruhestrom ebenfalls ansteigen. Entsprechend muss dieser dann solange herunter geregelt werden, bis die 50 mV in etwa erreicht werden. Das Ganze kann vereinfacht werden, indem ein Lüfter auf den Kühlkörper montiert wird, inklusive einer Lüftersteuerung. Somit wird die Kühlkörpertemperatur konstanter gehalten, und die Einstellung des Ruhestroms wird ebenfalls erleichtert.
Die Endstufentransistoren sowie Q3 müssen auf einen ausreichend großen Kühlkörper montiert werden. Die Empfindlichkeit der Endstufe kann über R13 eingestellt werden. Zusätzlich zu der Schaltung wird noch eine Lautsprecher-Schutzschaltung benötigt, sowie ein Netzteil. Eine Lüftersteuerung wäre auch optimal.
Die Schutzschaltung kann in der Standard Konfig eingesetzt werden!
|
AC |
DC |
4R |
8R |
|
6v |
1,5W |
1W |
|
|
12V |
10W |
6W |
|
|
15V |
16W |
10W |
|
|
18V |
25W |
16W |
|
|
24V |
27W |
26W |
|
|
|
30V |
47W |
44W |
|
25V |
35v |
57W |
54W |
Die Tabelle zeigt die zu erwartende Leistung bei den angegebenen Spannungen.


|
Menge |
Wert |
Device |
Bauteile |
|
4 |
0,68 /5W |
RROYAL-OHM-5W |
R9, R10, R15, R16 |
|
1 |
10R |
R-EU_0207/10 |
R2 |
|
1 |
10R/2W |
R-EU_0411/15 |
R17 |
|
2 |
56R |
R-EU_0207/10 |
R8, R14 |
|
1 |
100R/2W |
R-EU_0414/15 |
R1 |
|
1 |
100R/2W |
R-EU_0414/15 |
R18 |
|
3 |
220R |
R-EU_0207/10 |
R7, R20, R25 |
|
1 |
680R |
R-EU_0207/10 |
R19 |
|
3 |
820R |
R-EU_0207/10 |
R3, R4, R22 |
|
1 |
1k |
R-EU_0207/10 |
R23 |
|
1 |
1k2 |
R-EU_0207/10 |
R13 |
|
1 |
2k2 |
R-EU_0207/10 |
R5 |
|
1 |
3k3 |
R-EU_0207/10 |
R24 |
|
1 |
5k6 |
R-EU_0207/10 |
R11 |
|
2 |
47k |
R-EU_0207/10 |
R12, R21 |
|
1 |
47p |
C-EU050-024X044 |
C3 |
|
1 |
68P |
C-EU050-024X044 |
C7 |
|
2 |
100p |
C-EU050-024X044 |
C1, C14 |
|
1 |
150p |
C-EU050-024X044 |
C10 |
|
1 |
47nF-MPP |
C-EU102-054X133 |
C12 |
|
3 |
100n |
C4, C5, C9 |
|
|
6 |
47µF/50V |
CPOL-EUE2.5-7 |
C2, C6, C11, C13, C17, C18 |
|
5 |
1N4148 |
1N4148 |
D1, D2, D3, D4, D5 |
|
1 |
BC546B |
BC546B |
Q2 |
|
1 |
BC556B |
BC556A |
Q4 |
|
1 |
BD139 |
BD139 |
Q3 |
|
4 |
MPSA06 |
MPSA06 |
U$2, U$3, U$4, U$5 |
|
1 |
MPSA56 |
MPSA56 |
U$1 |
|
1 |
TIP142 |
TIP142 |
Q1 |
|
1 |
TIP147 |
TIP147 |
Q5 |
|
2 |
Sicherungashalter |
||
|
2 |
AK500/2 |
X3, X4 |
|
|
1 |
W237-3E |
X1 |
|
|
1 |
250R |
TRIM_EU-LI15 |
R6 |
|
2 |
3,15A T |
FUSESHK20L |
F1, F2 |
|
1 |
L1 = 10W id = 6mm 1mm Cu |
ca. 260 mm Drahrt |
|
|
1 |
Leiterplatte Y143 |
95.5 mm* 78.7 mm |
|
