HV Netzteil für die Anodenspannung

Ich stelle euch eine einfache Schaltung vor, mit der man Die Wechselstrom Anteile im DC Bereich noch weiter Minimieren kann.
Gerade wenn es Darum geht Kleine Signale im mV Bereich zu verstärken, sollte eine gut gesiebte Gleichspannung zur Verfügung stehen. Auch beim SE Amp ist es zwingend Notwendig keine nennenswerten Wechselstrom Anteile im DC zu finden. Denn hier werden die Wechselstrom Anteile nicht wie beim PP Amp. Aufgehoben, sondern werden so wie sie sind auch zu hören sein. Nun Gibt es Zwei Möglichkeiten. C L C Siebung = Kondensator Drossel Kondensator. Drosseln sind aber meistens teurer und auch Schwerer als eine Moderne Stabi Schaltung.
Heut zu Tage gibt es eine Vielfältige Auswahl an FET (Feld Effekt Transistor)Transistoren. Gegenüber den Herkömmlichen Transistoren wie der 2N3055 benötigen wir keine Zusätzlichen Transistoren.
Das Gate braucht kaum Leistung um durch zu schalten. R3 Könnte wahrscheinlich genauso gegen einen 100K Ohm Widerstand ersetzt werden. Dafür sind Diese Transistoren aber auch Empfindlicher. Es sollte darauf geachtet werden das keine Aufladung Stattfindet, denn das könnte schon das Ende für so einen Transistor sein. Einige FET Transistoren haben zum Schutz intern eine Ableit Diode Integriert. Diese sind nicht ganz so empfindlich.
Kommen wir zum praktischen Aufbau:

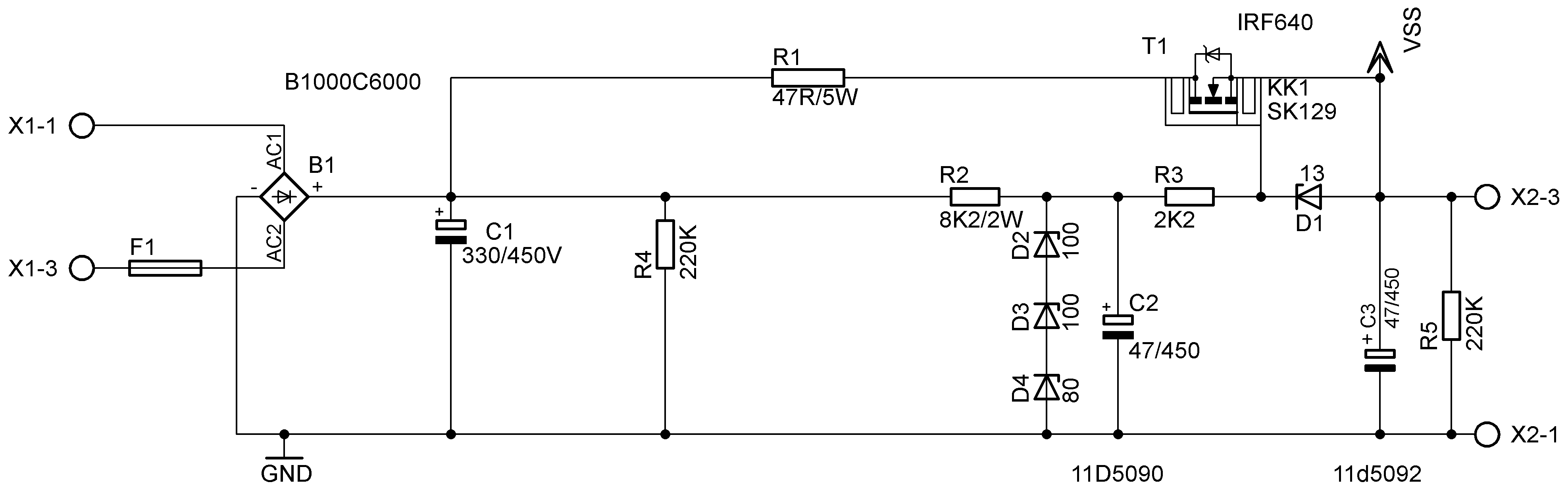
F1 Dient zum Überlastungsschutz der zu Verfügung stehende Trafostrom sollte gegen Kurzschlüsse gesichert sein. Die Feinsicherung sollte dann nach Bedarf angepasst werden. C1, 2,3 Können nach Bedarf auch gegen andere Spannungsfestigkeiten Typen getauscht werden, wie z.b. 350V etc. Je nachdem wie hoch unsere Spannung ist die dann Stabilisiert werden soll und wie Hoch unsere Eingangspannung ist. Die Nennspannung des Kondensators sollte mindestens 10% Höher sein als die Anliegende Spannung. Sollte der Verwendete Trafo hohe Leerlauf Spannungen aufweisen muss diese auch mit berücksichtigt werden. Da Könnten 10% auch knapp werden.
Die art von Schaltung nennt sich Längsregler Schaltung. Die Spannung am C1 sollte gegen über der zu nutzende Spannung an C3 mindestens 15V Höher sein Wer also 200V Benötigt Sollte mindestens mit 215V DC einspeisen. Allerdings Sollte zwischen ein und Ausgang die Spannungsdifferenz im Rahmen liegen! Ansonsten wird zufiel in Wärme umgewandelt!
R1 Kann Als Schutz Wiederstand dienen oder wenn Die Spannungsdiferenz Höher Ausfällt Kann R1 Angepasst werden. Hinter R1 Sollte die Anliegende Spannung Allerdings immer höher Sein Als an C2 min 15V. Ist die Spannung Differenz Knapp Bemessen kann R1 auch gegen eine Draht Brücke ersetzt werden. Ich habe R1 Integriert, damit die Schaltung Universeller eingesetzt werden kann. Standard wird ein 10 R 5W bei dem Bausatz beigelegt
R4 und R5 Dienen der Entladung ( Kondensatoren), Um Eine Umfallgefahr vorzubeugen. Allerdings sind die Kondensatoren nicht sofort entladen. 220K 1/4W bis ca.230V Einsetzbar 820K bis zu ca 450V Wobei die Entladung dann auch Länger Dauert. Mit ZD 2,3,4 Bestimmen sie ihre Nutzspannung. Die Summierung der drei Z Dioden ergibt dann die Ausgangsspannung. Wenn sie 200 Volt Benötigen Setzen sie 2* 100V ZD ein und Überbrücken die nicht Benötigte Diode mit einer Drahtbrücke. R2 Sollte so gewählt sein Das die Z Dioden Ihre Spannung halten. Der Anliegende Strom der durch die Dioden fließt Sollte unterhalb der Leistungsgrenze der Dioden Liegen.
D1 Dient zum Schutz des MOS FET Ich habe den IRF640 Ausgesucht. Er hat sich bis heute immer bewährt.
Seine Daten Sehen wie folgt aus: VDss 200V Rds 0,18R Id = 18A Gate-source Voltage +/- 20V Die Spitzenströme liegen bei 72 A ! Die Maximale Verlustleistung beträgt 125W.
Die Spannungsdifferenz zwischen D und S darf maximal 200 V Betragen. Mehr Wollen wir auch nicht. Im Normal fall liegen wir Zwischen 15 – 50 Volt. Die Reserven des Mos sind hoch genug.
Generell kann der IRF640 je nach Anwendung gegen einen anderen Typen getauscht werden. Achten sie darauf dass der MOS Genug Strom Liefern kann. Schauen sie nach den Leistung angaben des Herstellers.
|
Menge |
Wert |
Device |
Bauteile |
|
2 |
|
AK500/3 |
X1, X2 |
|
1 |
|
SHK20L |
F1 |
|
1 |
2K2 |
1/4W |
R3 |
|
1 |
8K2/2W* |
2W |
R2 |
|
1 |
13 |
ZPD |
D1 |
|
1 |
47/450 |
CPOL-EUE7.5-18 |
C2 |
|
1 |
47/450 |
E7,5-18 |
C3 |
|
1 |
10R/5Watt |
RKH208-8 |
R1 |
|
1 |
Nach Wahl |
ZPD |
D4 |
|
2 |
Nach Wahl |
ZPD |
D2, D3 |
|
2 |
220K |
R-EU_0207/10 |
R4, R5 |
|
1 |
330/450V |
CPOL-EUE10-30 |
C1 |
|
1 |
B1000C6000 |
KBU |
B1 |
|
1 |
IRF640 |
IRF740 |
T1 |
|
1 |
SK129 |
SK129 |
KK1 |
|
1 |
LP |
|
|
|
|
|
|
|

Kommen wir zum Praktischen Test:
Ich habe zum Test ZD2-4 in der Gesamt Summe auf 230V Gelegt. Als Verbraucher Schließe ich einen 27K 2W Widerstand an. Die Stromabnahme sollte dann bei ca. 8,51 mA liegen. Zum Test nehme ich einen Netztrafo mit einer Ausgangs Spannung von 250V AC. Damit der Mos Schön Warm wird. So Vernichtet der Mos 122V. Störspannung konnte ich im mV Bereich keine entdecken .Die Ausgangsspannung Liegt um ca. 246V Die Gleiche Spannung liegt auch an den z Dioden an. R2 Müsste etwas angepasst werden. Siehe auch nach Datenblättern der eingesetzten Z Dioden und deren Kennlinien.
Nun schließe ich eine 40W Glühbirne An. Der Kühlkörper wird jetzt so richtig Heiß. Das liegt daran das der Mos eine Große Spannung Differenz überbrückt. Nun Füge ich statt der 250V eine Wechselspannung von 195V zu. Als Last wieder die Glühbirne. 18mV Wechselstrom Anteil konnte ich messen. Der Kühlkörper wird nur noch Hand warm. Die Ausgangsspannung beträgt jetzt 227V DC An den Z Dioden Liegt 227V An. Nun Habe ich die Gleichspannung soweit reduziert, dass ich an C1 eine Spannung Von 237 V Messen konnte um einmal zu schauen wie sich das auswirkt. Also 10V Differenzspannung. Als Verbraucher wieder 40W. Die Gemessenen Wechselstrom Anteile Liegen jetzt bei knapp 20 mV. Für die Verwendung eines SE Amp. Ausreichend. Je nach Anwendung kann die Stromversorgung angepasst werden. Für einen RIAA Entzerrer Würde ich wegen der geringe Stromaufnahme dann eine Höhere Differenz Spannung auswählen. Es macht also durch aus sinn eine Spannungsdifferenz von etwa 50V bei kleinen Verbraucher zu Wählen. Der Kühlkörper bleibt ziemlich Kalt, da nur eine geringe Leistung abgenommen wird. Durch der Höheren Spannungsdifferenz Gibt es dann Keine Messbaren Wechselstrom Anteile Mehr.
Noch ein Tipp. Fassen sie Niemals den Kühlkörper An, wenn eine Spannung Anliegt, Messen sie ob auch die Kondensatoren entladen sind.
Download als PDF
