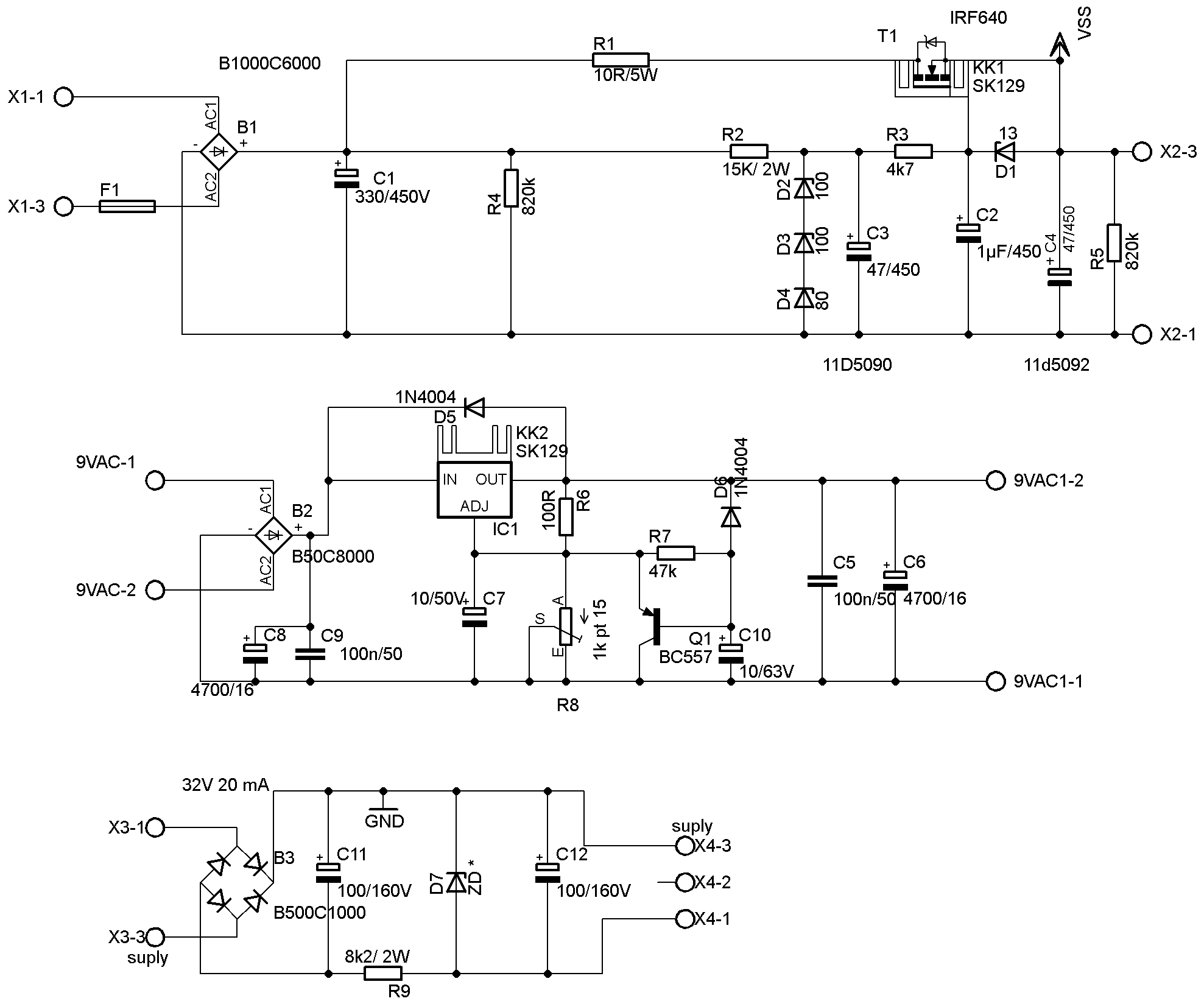
Anodenspannung -DC-Heizung--Ug Netzteil V2.0

- DC Heizung 2A (Max 3A)
- -Ug bis zu 150V
- Anodenspannung bis Zu 430V
- Leiterplatte 114*101,6mm Fr4
Viele Endstufen benötigen oftmals Diverse Gleichspannungen wie -Ug, Anodenspannung oder für Vorstufen eine Gleichstrom Beheizung.
All dies soll möglichst mit einer Leiterplatte und mit möglichst wenig Aufwand umgesetzt werden.
Ein weiterer Wichtiger Punkt ist das die für sich einzelnen Netzteil Komponenten keine Gemeinsame Masse (GND) besitzen, so dass der Anwender je nach Schaltungskonzept dies selbst frei Konfigurieren kann. Bis auf Zwei kleine Änderungen die ich bei dem Anodenspannung Netzteil Geändert habe ist alles beim Alten geblieben. Rund um den 5W leistungswiderstand gibt es etwas mehr Platz, so dass hier auch 5W Typen von anderem Hersteller ihren Platz finden können. Das ist heute bei der Bauteil Beschaffung extrem wichtig geworden, da schon seit einiger Zeit nicht immer alles zur Verfügung steht und Lieferzeiten von bis zu 9 Monate schon Standard sind! Manche Teile lassen sogar 2 Jahre!! ! Auf sich warten bis sie einmal eintrudeln.
Die Zweite Änderung ist das ein 1µF Kondensator (C2) in der Schaltung dazu gekommen ist. Dieser Soll die Restwelligkeit noch einmal zusätzlich Reduzieren!
Dies Könnte für Schaltungen wie RIAA oder Mikrofon Vorverstärker Nützlich sein. Für alle Anderen Anwendungen ist dieser nicht zwingend erforderlich. Da das Netzteil auch zuvor schon sehr gute Ergebnisse erzielt hat.
Je nach dem wie hoch die Spannungsdifferenz ist kann R2 angepasst werden. In der Regel sollte die Differenz nicht höher als 20V sein. An sonsten wird viel zu viel Leistung in Wärme unnötig verbrannt! Wenn die Bedingungen alle erfüllt sind, können selbst zwei 6C33 Röhren an ein Netzteil betrieben werden, ohne dass der Kühl Körper zu warm wird. D2-4 bestimmen die höhe der Anodenspannung ZD 300 heist dann auch das die Anodenspannung dann 300V aus gibt.
Bei der DC Heizung ist alles gleichgeblieben. In der Regel können 2A erwartet werden. Wenn die Vorspannung nicht all zu hoch ist sind maximal 3A Möglich. Ansonsten wird der Kühl Körper zu heiß! Mit R8 wird die Heizung eingestellt.
-Ug zu erzeugen ist sehr unkompliziert über R9 und D7 kann hier noch einmal die Arbeitsspannung definiert werden. Wobei in der Regel auf D7 Verzichtet werden kann. Die Kondensatoren können 160V DC Max. wobei man hier 10 – 16V unter der Spannung bleiben sollte. Wird eine Höhere -Ug benötigt, so müssen die Kondensatoren Angepasst werden.

|
Menge |
Wert |
Device |
Bauteile |
|
1 |
10R/5W |
RKH208-8 |
R1 |
|
1 |
100R |
1/4W |
R6 |
|
1 |
4k7 |
1/4W |
R3 |
|
1 |
8k2-2W |
2W |
R9 |
|
1 |
15K/ 2W |
2W |
R2 |
|
1 |
47k |
1/4W |
R7 |
|
2 |
820k |
1/4W |
R4, R5 |
|
1 |
1k pt 15 |
TRIM_EU-LI15 |
R8 |
|
2 |
100n/50V |
C-EU050-025X075 |
C5, C9 |
|
1 |
1µF/450 |
CPOL-EUE5-10.5 |
C2 |
|
2 |
10/50V |
CPOL-EUE2,5-6E |
C7, C10 |
|
2 |
47/450 |
CPOL-EUE7.5-18 |
C3, C4 |
|
2 |
100/160 |
CPOL-EUE5-13 |
C11, C12 |
|
1 |
330/450V |
CPOL-EUE10-30 |
C1 |
|
2 |
4700/16 |
CPOL-EUE7.5-16 |
C6, C8 |
|
2 |
AK500/2 |
9VAC, 9VAC1 |
|
|
4 |
AK500/3 |
X1, X2, X3, X4 |
|
|
1 |
LM350T |
IC1 |
|
|
1 |
B50C8000 |
KBU |
B2 |
|
1 |
B1000C6000 |
KBU |
B1 |
|
1 |
B250C1000 |
RB1A |
B3 |
|
2 |
1N4004 |
1N4004 |
D5, D6 |
|
1 |
13 |
ZPD |
D1 |
|
1 |
ZD 20 |
ZPD |
D7 |
|
1 |
80 |
ZPD |
D4 |
|
2 |
100 |
ZPD |
D2, D3 |
|
1 |
BC557 |
BC557 |
Q1 |
|
1 |
IRF640 |
IRF740 |
T1 |
|
1 |
Si Halter |
||
|
1 |
Si*** |
SHK20L |
F1 |
|
2 |
SK129 |
SK129 |
KK1, KK2 |
|
1 |
Leiterplatte |
114 mm* 101.6 mm |
|
