High End Headphone Amp 1000 mW 16 – 600 Ohm
-
- +/- 12V 100 mA Ruhestrom 90 mA - Max 200 mA
- Impedanz von 16 - 600 Ω
- Diskreter Aufbau
- DC-Offset abgleichbar
- Alps Potis mit 15.000 Zyklen
- Einschaltverzögerung gegen Pop
- 600 Ω Impedanz - Class A bis 7,2V RMS
- 32 Ω Impedanz Class A bis 150 mW / 800 mW Class AB
- Frequenzgang 1,5Hz – 62 kHz +/- 1dB / 1,5 Hz – 180 kHz +/- 3dB
- Verstärkung: 20,4 dB
Bauvorschlag/ Beschreibung:
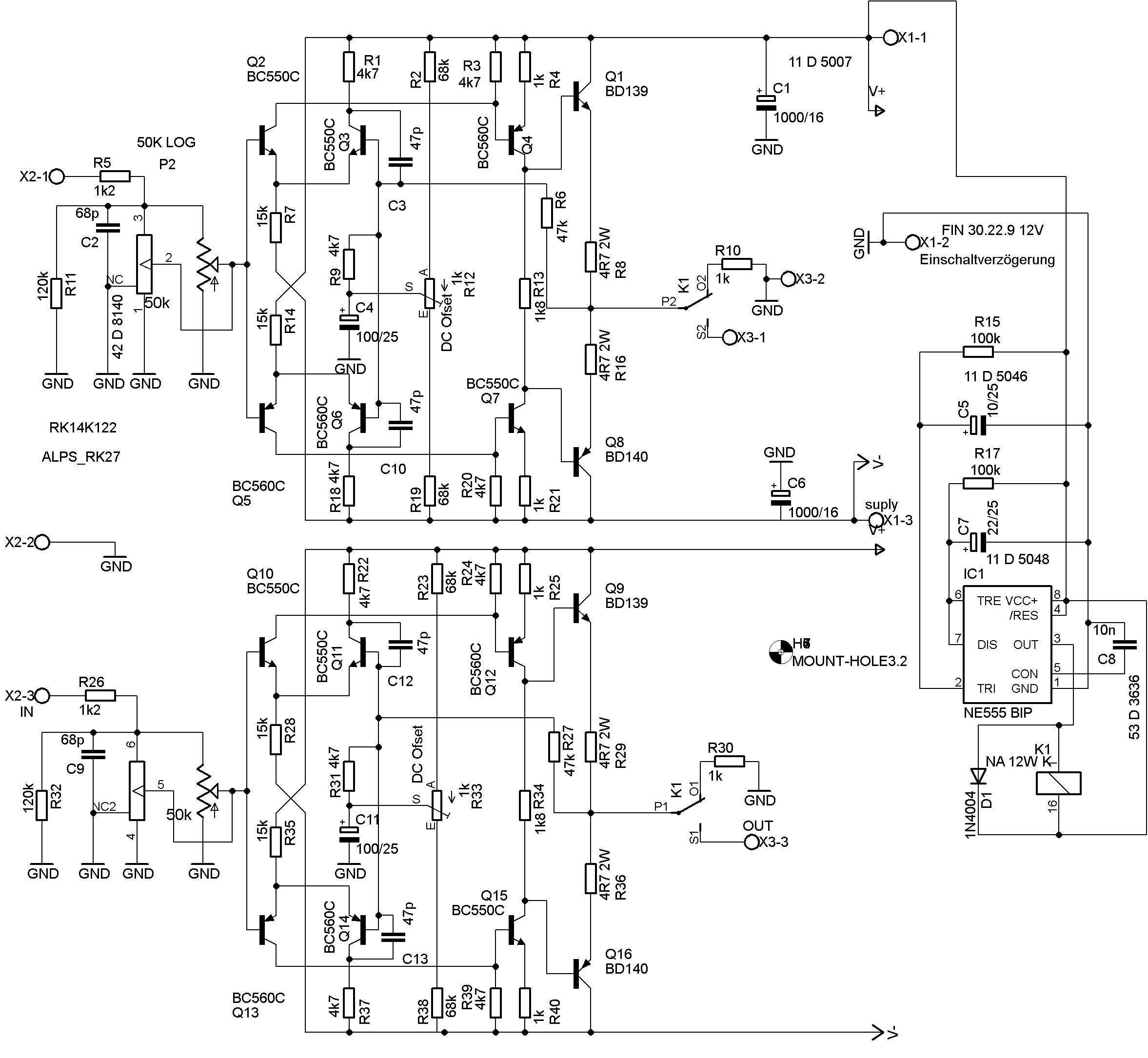
Diese Verstärkerschaltung kann Impedanzen von 16 – 600 Ω verarbeiten und tut dies weitgehend in Class A. Das bedeutet konkret, dass die Schaltung bei 16 Ω 100 mW in Class A (1000 mW Class AB) wiedergeben kann und bei 600 Ω im vollen Umfang in Class A läuft. Eine Einschaltverzögerung verhindert, dass beim Einschalten hohe Gleichspannungsanteile an den Kopfhörer gelangen und Ploppgeräusche verursachen. Die Auswahl der Transistoren fiel bewusst auf die legendären BC 550C, BC 560C sowie das Paar BD139 und BD140, da diese Typen besonders gut für Audiozwecke geeignet sind. Um unnötigen Induktivitäten vorzubeugen, wurden Metallfilm-Widerstände verwendet. Natürlich kann auch hier zwischen den Standard-Alps und der Highend-Potis gewählt werden.
Die nachfolgende Beschreibung gilt für Kanal A & B gleichermaßen.
Der Übersicht halber sind im Schaltbild zwei Lautstärke-Potis eingezeichnet. In der Praxis ist ein Stereo- bzw. Tandempoti verbaut. R5 und C2 bilden einen Tiefpassfilter, der verhindert, dass die Schaltung im MHz-Bereich Signale verstärkt und ihn somit unempfindlich gegen Funk- bzw. Radiowellen macht.
R9 ist für die Gegenkopplung (Verstärkungsfaktor, Empfindlichkeit) verantwortlich und wurde so gewählt, dass bei 775 mV eine Vollaussteuerung möglich ist.
C3 und C10 verhindern, dass die Schaltung eigenständig ins Schwingen gerät. Q2, Q3, Q5 und Q6 bilden einen Differenzverstärker, der über R9 und R6 seine Gegenkopplung bekommt. C4 fungiert als Koppelkondensator zu GND.
R13 bestimmt den Ruhestrom für Q4 und Q8. Mit 1k8 beträgt der Ruhestrom etwa 50 mA pro Kanal. Soll ein höherer Ruhestrom gefahren werden, kann R13 auf 2k7 geändert werden. Unter diesen Umständen sollten die Kühlkörper größer dimensioniert werden. Den meisten Anforderungen sollte die Standardauslegung jedoch genügen.
Abgleich
R12 und R33 sind für die DC-Offset-Einstellung verantwortlich. Um die Schaltung abzugleichen, gehen Sie wie folgt vor:
- Stellen Sie die Potis R12/R33 in Mittelstellung.
- Nehmen Sie die Schaltung in Betrieb.
- Nach ca. 30 min messen Sie an X3-2 (GND) und X3-1 im mV- Bereich mit einem geeigneten Messgerät.
- Drehen Sie R12 langsam bis das Messgerät nahezu 0 mV anzeigt.
- Verbinden Sie Ihr Messgerät nun mit X3-2 (GND) und X3-3 und wiederholen sie den Kalibriervorgang mit R33
Bevor Sie einen Kopfhörer anschließen, kontrollieren noch einmal, ob keine nennenswerte Gleichspannung an der Klemmleiste X3 anliegt.
Für Gehörschäden wird keine Haftung übernommen!
Schaltbild
Stückliste
|
Menge |
Wert |
Device |
Bauteile |
|
|
|
|
|
|
4 |
4R7 2W |
0414/ 2W Metall |
R8, R16, R29, R36 |
|
6 |
1k |
Metall |
R4, R10, R21, R25, R30, R40 |
|
2 |
1k |
PT-15 |
R12, R33 |
|
2 |
1k2 |
Metall |
R5, R26 |
|
2 |
1k8 |
Metall |
R13, R34 |
|
10 |
4k7 |
Metall |
R1, R3, R9, R18, R20, R22, R24, R31, R37, R39 |
|
4 |
15k |
Metall |
R7, R14, R28, R35 |
|
2 |
47k |
Metall |
R6, R27 |
|
4 |
68k |
Metall |
R2, R19, R23, R38 |
|
2 |
100k |
Metall |
R15, R17 |
|
2 |
120k |
Metall |
R11, R32 |
|
|
|
|
|
|
4 |
47p |
ker- 2,54 |
C3, C10, C12, C13 |
|
2 |
68p |
C-EU050-045X075 |
C2, C9 |
|
1 |
10n |
C-EU050-025X075 |
C8 |
|
1 |
10/25V |
CPOL-EUE2-5 |
C5 |
|
1 |
22/25 |
CPOL-EUE2.5-6 |
C7 |
|
2 |
100/25 |
CPOL-EUE2.5-7 |
C4, C11 |
|
2 |
1000/16 |
CPOL-EUE3.5-8 |
C1, C6 |
|
1 |
Fassung 8 Pol Dil gs8 |
|
IC1 |
|
1 |
1N4004 |
1N4004 |
D1 |
|
6 |
BC550C |
BC547 |
Q2, Q3, Q7, Q10, Q11, Q15 |
|
6 |
BC560C |
BC557 |
Q4, Q5, Q6, Q12, Q13, Q14 |
|
2 |
BD139 |
BD139 |
Q1, Q9 |
|
2 |
BD140 |
BD140 |
Q8, Q16 |
|
1 |
NE555 BIP |
NE555 |
IC1 |
|
1 |
Relay |
Fin 30.22.9 12V |
K1 |
|
|
|
|
|
|
3 |
AKL 101-03 |
|
X1, X2, X3, |
|
4 |
M3x16 Schraube/Mutter |
|
|
|
8 |
3,2 Scheibe |
|
|
|
4 |
Kühlkörper |
DO3 |
|
|
1 |
Leiterplatte 85x83mm |
|
|
|
|
|
|
|
|
|
|
|
|
|
|
|
|
|
|
|
|
|
|
|
1* |
50k |
RK14K122 |
POT1 |
|
1* |
ALPS_BLUE |
ALPS_BLUE |
U$1 |
Bestückungsplan
Dokument als PDF Format Download


