Hilf Netzteil für Lautsprecher-Schutzschaltung /
Lüftersteuerung 2020 +/-12V 460mA und 24V 460mA
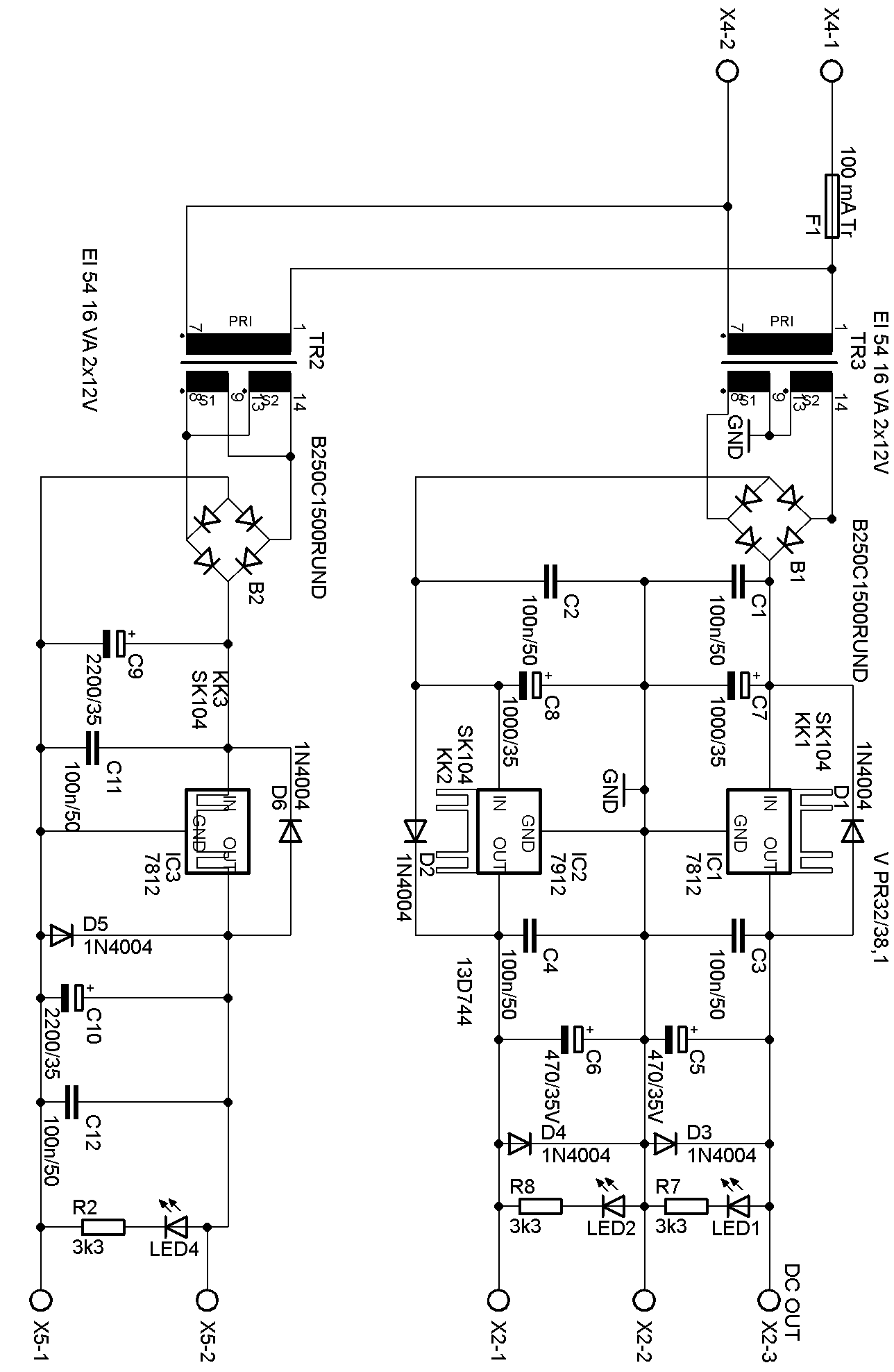
Für die Tubeland-Schutzeinrichtungen der Leistungsendstufen wird mehr als eine Spannung benötigt. Dieses Netzteil liefert +/- 12 VDC für die Lautsprecherschutzschaltung sowie + 12 VDC und ggf. + 24 VDC, je nach Lüfter, für die Lüftersteuerung. Entsprechend muss der Trafo Tr2, C9, C10 und der Festspannungsregler IC 3 angepasst werden.
Ein besonderes Feature dieser Schaltung sind die bereits, mittels drei LEDs, belasteten Spannungsregler.
Sie ermöglichen ein Messen der korrekten Ausgangsspannung schon vor dem Belasten der Ausgänge.
Im nachfolgenden Schaltbild ist die 12 VDC-Schaltung für den Lüfter illustriert. Für 24 V-Lüfter sind die jeweiligen Bauteile entsprechend der Stückliste zu ersetzen.
Schaltbild


Bestückungsplan

Stückliste
|
Menge |
Wert |
Device |
Bauteile |
|
|
|
|
|
|
3 |
3k3 |
R-EU_0207/10 |
R2, R7, R8 |
|
6 |
100n/50 |
C-EU050-025X075 |
C1, C2, C3, C4, C11, C12 |
|
2 |
470/35V |
CPOL-EUE5-10.5 |
C5, C6 |
|
2 |
1000/35 |
CPOL-EUE5-13 |
C7, C8 |
|
2 |
2200/35 (12V) /1000/63 (24V) |
CPOL-EUE7.5-18 |
C9, C10 |
|
1 |
7812 |
78XXS |
IC1 |
|
1 |
7812 oder 7824 |
IC3 |
|
|
1 |
7912 |
79XXS |
IC2 |
|
3 |
LED Rot |
LED3MM |
LED1, LED2, LED4 |
|
6 |
1N4004 |
1N4004 |
D1, D2, D3, D4, D5, D6 |
|
2 |
B250C1500RUND |
RB1A |
B1, B2 |
|
1 |
2*12V |
EI54-2 |
TR3 |
|
1 |
1*24V (24V version)bzw 1*18V ( 12V Version) |
EI54-1 |
TR2, TR3 |
|
1 |
100 mA Tr |
FUSESHK20L |
F1 |
|
3 |
Klemme |
AK500/3 |
X2, X4, X5 |
|
1 |
Si Halter |
|
|
|
3 |
SK104 |
SK104 |
KK1, KK2, KK3 |
|
1 |
Leiterplatte |
144x85mm |
|
