Hochleistungsendstufe 718 Watt Sinus / 2 Ohm
Moderne Hochleistungsendstufen mit Bipolar Transistoren gibt es Viele. Allerdings sind die Meisten Endstufen für 4 – 8 Ohm ausgelegt. In der Regel Deckt das auch schon eine Vielzahl von Lautsprechern ab. Es gibt aber auch Anwendungen die von einer Endstufe 2 Ohm Impedanz Verlangen wie zum Beispiel Elektrostaten. Aber auch im PA Bereich Macht sich ein Robuster Verstärker Gut.
Realisieren kann man das mit Bipolaren Leistung Transistoren in Parallel Schaltung. Vier Robuste 16A 200W Transistoren Pro Strang und ein 1000 Watt Netzteil (Mono) Das ist auf jeden Fall schon einmal Die Grundvoraussetzung! Natürlich ist es genauso wichtig die endstehende Verlustleistung Schnellstens Abzuführen! Am besten setzt man dafür ein Hochleistungskühlkörper ein. Denn es ist schon eine Kunst einen Leistungsverstärker in ein 3 HE Gehäuse unter zu bringen. Eine Kompakte Bauweise ist Also Grund Voraussetzung.

Des Weiteren ist es um So Mehr wichtig eine gut Funktionierende Lautsprecher Schutzschaltung zu Integrieren. Auch die Lade Kondensatoren müssen entsprechend in der Kiste. Aber einst nach dem Anderen. In diesen Artikel möchte ich auf den Verstärker Selbst eingehen. Alle Anden Benötigten Komponenten Stelle ich entsprechend in eigene Artikel vor. Natürlich wird es auch eine Zusammenbau Verdrahtungszeichnung geben die sie wie Immer in Aktuellster Form auf meiner tubeland Webseite finden.
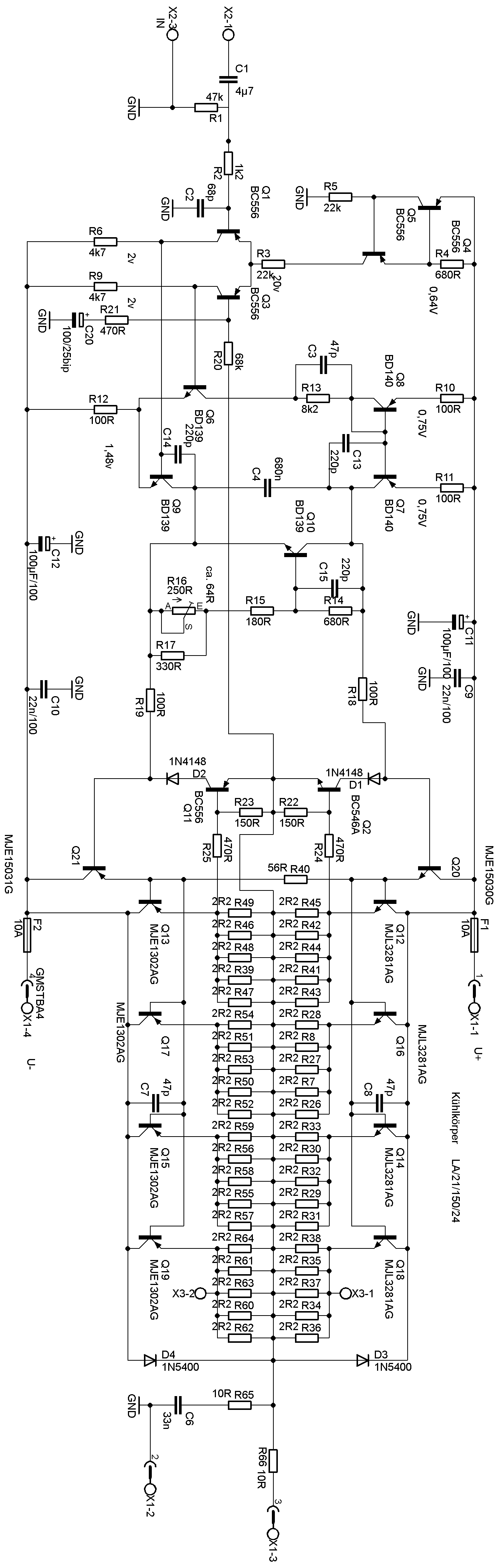
Um die Endstufe induktiv arm zu Gestalten habe ich mich entschieden statt den Benötigten Draht Widerstände Metall Oxide 2 Watt Typen jeweils 5 Stk. In Parallel Schaltung einzusetzen. Die Leiterplatte wurde im Leistungsbereich so Gestaltet das die Endstufen Transistoren genügend Leiterbahn Querschnitt Besitzen. Das hat mich dann dazu Veranlasst die Leiterplatte als Doppel Durchkontaktierte Variante zu Nutzen. Beim Leistung Kühlkörper Habe ich mich für den Fischer Typ entschieden und die Leiterplatte entsprechend dafür Angepasst. Damit die Bauweise Möglichst Kompakt ausgeführt werden kann Weist die Dazugehörige LS Schutzschaltung sowie die Kondensatoren Platte die Gleichen Lochabstände für die Befestigungsbolzen auf.

Die Endstufe wie im Bild Abgebildet ist als Mono Aufgebaut. Das ist natürlich Interessant um auch die Schaltung in einen Subwoofer einbauen zu können. Die Endstufen Schaltung ist Relative Einfach aufgebaut. Denn Weniger ist Manchmal mehr. Eine Kleine Zusatzfunktion die ich für Wichtig halte ist die Eingebaute Strombegrenzung. Diese Soll Verhindern das die Endstufe Überlastet wird!
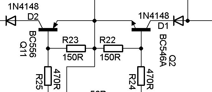
Die Strombegrenzung für die Lasterkennung ist einfach zu Realisieren Sie Besteht aus den Dioden D1 und D2 Q2 und Q11 Sowie aus den Widerständen R22,23,24,25.

Kontrolliert wird Also Zwischen Emitter und Emitter der Endstufen Transistoren Sobald die Spannung Zwischen Emitter und Emitter Ca 1,8 – 2V Beträgt Regeln Q2 und Q11 den Strom entgegen. Und ist damit Begrenzt. Wird die Endstufe im Überlast Bereich Betrieben Beschneidet sie sie die Ober und Unter welle. Bemerkbar Macht sich das dann bei ca. 718 Watt auf 2 Ohm Betrieben mit einem 2* 50 V Trafo. Im Normalen Anwendungsbereich 4 – 8 Ohm Tritt die Strombegrenzung nicht in Kraft da hier bei 4 Ohm

462 W gerade mal Zwischen Emitter und Emitter 1,05V Anliegen. Bei 8 Ohm ist das gerade mal 570 mV zu 275 Watt. Alle Angaben sind Sinus!
Mit R 16 wird der Ruhestrom auf ca. 30 – 44 mV eingestellt in etwa sind das dann 64 Ohm Die Spannung kann ganz Bequem a der Print Klemme X3 Gemessen werden!
Da die Bipolar Endstufentransistoren bei 15A gerade mal einen Basis Strom von 1,5A Benötigen Reicht der MJE 15030G bzw. MJE 15031G mit seinen 8 A Vollkommen aus. Zumal die Endstufe keinesfalls 60A wegen der Strom Begrenzung liefern könnte.
R21 Kann nach Wunsch Angepasst werden! Hier wird der Verstärkungsfaktor Festgelegt. Eingestellt ist er auf 755mV zur Voll Aussteuerung!
Ziel ist einen Betriebs Sicheren Verstärker zu realisieren.

Die Leiterplatte wird wie im Bestückungsplan Bestückt. Wie Auf dem Foto zu sehen die Kupfer Spule Besteht aus 1,5 mm Kupfer und hat einen Innen Durchmesser von ca. 13 mm und 10 Windungen Die Transistoren Können je nach Kühl System auch von Oben bestückt werden so wie gezeichnet! Wenn sie die Transistoren wie im Bau Vorschlag auch von unten Bestücken möchten, so liegen die Blanken Metall Flächen Statt Außen dann Natürlich innen! Wie auf den Fotos (Titel Foto) zu sehen!
|
Menge |
Wert |
Device |
Bauteile |
|
40 |
2R2 |
2W Metall |
R7, R8, R26, R27, R28, R29, R30, R31, R32, R33, R34, R35, R36, R37, R38, R39, R41, R42, R43, R44, R45, R46, R47, R48, R49, R50, R51, R52, R53, R54, R55, R56, R57, R58, R59, R60, R61, R62, R63, R64 |
|
1 |
10R |
5W Metall |
R66 |
|
1 |
10R |
2W Metall |
R65 |
|
1 |
56R |
2W Metall |
R40 |
|
5 |
100R |
1/4W Metall |
R10, R11, R12, R18, R19 |
|
2 |
150R |
1/4W Metall |
R22, R23 |
|
1 |
180R |
1/4W Metall |
R15 |
|
1 |
250R*** |
TRIM PT15-LV |
R16 |
|
1 |
330R*** |
1/4W Metall |
R17 |
|
3 |
470R |
1/4W Metall |
R21, R24, R25 |
|
2 |
680R |
1/4W Metall |
R4, R14 |
|
1 |
1k2 |
1/4W Metall |
R2 |
|
2 |
4k7 |
1/4W Metall |
R6, R9 |
|
1 |
8k2 |
1/4W Metall |
R13 |
|
2 |
22k |
1/4W Metall |
R3, R5 |
|
1 |
47k |
1/4W Metall |
R1 |
|
1 |
68k |
1/4W Metall |
R20 |
|
3 |
47p |
Ceramic |
C3, C7, C8 |
|
1 |
68p |
Ceramic |
C2 |
|
3 |
220p |
Ceramic |
C13, C14, C15 |
|
2 |
22n/100 |
C-EU050-030X075 |
C9, C10 |
|
1 |
33n |
C-EU050-075X075 |
C6 |
|
1 |
680n |
C-EU050-075X075 |
C4 |
|
1 |
4µ7 |
C-EU050-075X075 |
C1 |
|
2 |
100µF/100 |
CPOL-EUE5-10.5 |
C11, C12 |
|
1 |
100µF/25V |
CPOL-EUE2.5-7 |
C20 |
|
2 |
1N4148 |
1N4148 |
D1, D2 |
|
2 |
1N5400 |
1N5400 |
D3, D4 |
|
1 |
BC546A |
BC546A |
Q2 |
|
5 |
BC556 |
BC556 |
Q1, Q3, Q4, Q5, Q11 |
|
3 |
BD139 |
BD139 |
Q6, Q9, Q10 |
|
2 |
BD140 |
BD140 |
Q7, Q8 |
|
4 |
MJL1302AG |
|
Q13, Q15, Q17, Q19 |
|
1 |
MJE15030G |
|
Q20 |
|
1 |
MJE15031G |
|
Q21 |
|
4 |
MJL3281AG |
|
Q12, Q14, Q16, Q18 |
|
1 |
GMSTBA4 |
GMSTBA4 |
X1 |
|
1 |
IN |
W237-103 |
X2 |
|
2 |
10A T |
Si |
|
|
2 |
SH32 |
F1, F2 |
|
|
1 |
W237-102 |
X3 |
|
|
1 |
Leiterplatte |
157x103 mm |
06.012024 *** Leider Gibt es Keine 250 Ohm Potis mit dem RM 12.5x10mm
Alternative funktioniert das auch mit ein 200 Ohm Poti wenn dann R17 470 Ohm verbaut wird!
In Parralel sollen die Werte Optimal auf 142 Ohm Kommen!

Zum Schluss Möchte ich noch Folgendes Anmerken:
Die Messdaten Beziehen sich unter der Verwendung eines Netz Trafo von 2 x 500 VA 50V – 0V – 50V für einen Kanal! Für Stereo wäre dann ein Netzteil von 2 KW erforderlich!
275Watt RMS/ 8 Ohm
462 Watt RMS/ 4 Ohm
718 Watt RMS/ 2 Ohm
Auf Grund der Leistungsreserven kann Theoretisch die Spannung des Netzteils noch erhöht werden! Allerdings sollte dann +/- 90 V DC NICHT Überschritten werden!
Ggf. kann die Strombegrenzung und der Verstärkungsfaktor für die Voll Aussteuerung entsprechend Korrigiert werden ist aber nicht Zwingend Notwendig.
Auf 2 Ohm währe der Amp. dann um die 750 – 800 Watt Begrenzt
Der Amp. Würde dann aber auf 8 und 4 Ohm eine Höhere Ausgangsleistung Liefern!
Natürlich kann die Schaltung auch als Brücke Laufen (Stereo Amp. als Mono Block) Entsprechend erhöht sich die Ausgangsleistung. Allerdings würde ich dann auf 2 Ohm Betrieb Verzichten!
Möchten sie die Endstufe nur im 4 - 8 Ohm Modus benutzen so kann dann das Netzteil auch Kleiner Ausfallen.

Hochleistungsendstufe als PDF Format
Passende Lautsprecher Schutzschaltung Dokument in PDF
