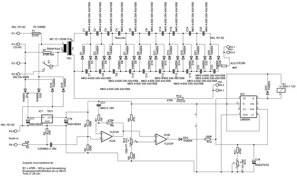
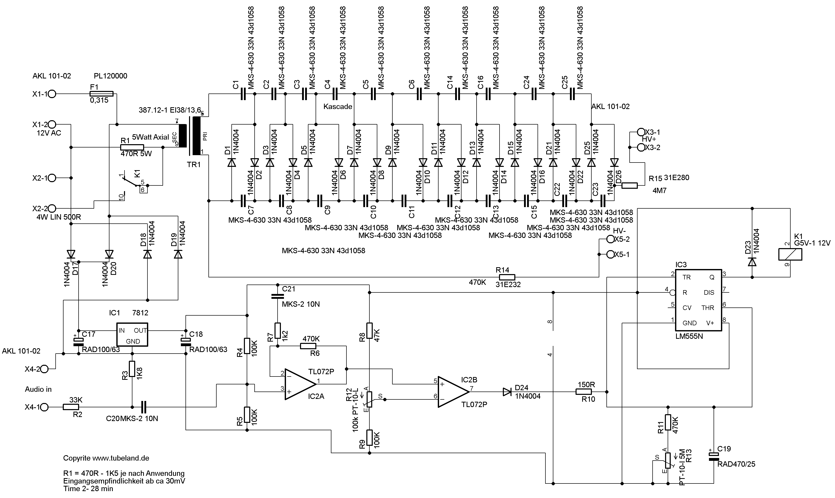
Kaskade 15

Kaskade mit Folien Vorspannung und Einschaltautomatic.
-
12 - 14V AC
-
Folienvorspannung ca. 560V ( R1 Abhängig)
-
Eingangsempfindlichkeit ca. 35 mV – 200 mV
-
Ausschaltverzögerung 2 - 28 min., regelbar
-
Folienspannung bis 5KV, regelbar
-
10KV Schutzwiderstände
Achtung! Die Schaltung erzeugt eine Hochspannung von ca. 5KV !!
Die Lebensgefährlich sein kann. Es wird Vorausgesetzt dass die Kenntnisse in Elektronik vorhanden sind.Für Schäden, die durch den Einsatz dieser Schaltungen entstehen können, lehnen wir jegliche Haftung ab.
Um einen ESL nicht immer manuell vom Netz nehmen zu müssen und die Folien mit Vorspannung trotzdem zu versorgen, wurde diese Schaltung entwickelt.
Das Eingangsignal wird vor dem Übertrager Abgegriffen ( Pri.)
Gelangt über einen Spannungsteiler ( R2 u. R3) zum OP. R6 wurde auf 470K festgelegt und bestimmt die Verstärkung des OP. Über R12 kann die Empfindlichkeit geregelt werden bei kleinsten Eingangsignal braucht C19 eine kleine weile bis er aufgeladen ist. So kann die Aktivierung etwas zeitversetzt sein. Bei kleiner Zimmerlautstärke springt das Relay sofort an und hält den zustand auch wenn stundenlang leise Klassik gehört wird. Also auch bei leisen Passagen.
Über R13 kann die Haltezeit geregelt werden.
Um den zustand sichtbar zu machen kann dann auf der Diode 23 eine LED mit Vorwiderstand ( 560R) aufgelötet werden.
R1 bestimmt die Folienvorspannung.
Über das Externe 4W Poti 500R kann dann die Gewünschte Folienspannung eingestellt werden. Für ESL mit geringen Folienabstand kann davor noch ein 100 -220 Ohm Widerstand in Serie geschaltet werden. Damit dann nicht der Komplette 5KV regel bereich genutzt wird.
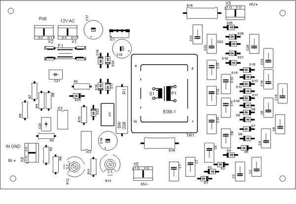
Bestückungsliste:
|
Stk |
wert |
Bst Nr. |
Bestell Nr. |
|
1 |
Leiterplatte |
Kascade 15 |
|
|
1 |
1k2 |
R7 |
1/4W1K2 |
|
1 |
47K |
R8 |
1/4W47K |
|
3 |
100K |
R4,5,9 |
1/4W100K |
|
1 |
150R |
R10 |
1/4W150R |
|
1 |
470K |
R11 |
1/4W470K |
|
1 |
470R 5W - 208 |
R1 |
5Watt Axial |
|
1 |
470k** |
R6 |
1/4W470K |
|
1 |
470K |
R14 |
31E232 |
|
1 |
4M7 |
R15 |
31E280 |
|
1 |
33K |
R2 |
1/4Watt33K |
|
1 |
1K8 |
R3 |
1/4Watt1K8 |
|
5 |
AKL101-2 |
X1-5 |
AKL101-2 |
|
1 |
SI 350mA F |
F1 |
315mA |
|
6 |
1N4004 |
D17,18,19,20 |
1N4004 |
|
23,24 |
|||
|
20 |
1N4007 |
D1-16,21,22, |
1n4007 |
|
25,26 |
|||
|
1 |
7812 |
IC1 |
uA7812 |
|
1 |
G5V-1 12V |
K1 |
G5V-1 12V |
|
1 |
NE555 |
IC3 |
NE555 |
|
2 |
MKS-2- 10N |
C20-21 |
MKS-2-10N |
|
20 |
MKS-4-630 33N |
C1-16 22-25 |
43d1058 |
|
1 |
Rad 470/25 |
C19 |
Rad470/25 |
|
2 |
100/63 |
C17,18 |
Rad100/63 |
|
1 |
TL 072 |
IC2 |
TL072 |
|
1 |
100K Lin |
R12 |
PT10l |
|
1 |
5 M Lin |
R13 |
PT10L |
|
2 |
IC Fassung |
GS8 |
|
|
2 |
PL120000 |
PL120000 |
|
|
1 |
Trafo |
387.12-1 |
|
|
1 |
P4W-LIN- 500R |
||
Text, Leiterplatte, Schaltung ist mein geistiges Eigentum. Copyrite
www.tubeland.de Markus Andrzejewski Familienstr. 33 46049 Oberhausen
Mario Sante mir folgende Mail mit Anhang
Hallo Markus, Ich habe die Kaskade nun zusammen gebaut und ausprobiert. Nur ist der HV Regelbereich für meine ESL etwas zu klein geraten. Meine ESL sind da schon etwas Älter und die Folie erneuern möchte ich erst einmal nicht. So Änderte ich die Platine wie folgt etwas Ab. Ich habe dir die Bilder geschickt, damit du deinen Kunden die auch das Problem haben Weiter helfen kannst. Du darfst sie gerne auf deiner Webseite hoch laden. Von der Einschaltautomatik bin ich Sehr Begeistert ! ! !
So nun die Änderung: Auf den Bildern kann man alles genau sehen. Die mit den Edding ummalte Stelle wird durchgetrennt und Vom Lötpunkt des 5W 470 Ohm Widerstand eine Draht Brücke zum Relay ( Freier Pin) hergestellt. Den 5W 470 Ohm habe ich gegen einen 680 Ohm 5 W getauscht. ( R1 ) Nun Läuft die Schaltung zur meiner Zufriedenheit. Und R1 beeinflust nicht mehr das Poti
Gruß Mario Gessel




Bauanleitung als PDF


