Klangregler der Extraklasse

- +/24 Volt Technik ( - 24V – 0 - +24V, 7mA ) 12V, 125mA für die Steuerung
- Hohe Aussteuerung Möglich bis …48V Peak, 16,4V RMS
- +3db Gewinn ( Normal Modus)
- Klangreglung Bass +/- 14db und Höhen +/-14db, Ein und ausschaltbar
- Frequenzgang gemessen bei 775mV RMS Eingangsspannung ohne Klangregler 5Hz – 207kHz -3db, 10Hz – 93kHz -1db
- Lautstärke Anpassung für Phono oder Handy +15,4db
- Einschaltverzögerung gegen Einschalt Geräusch
- Hochwertige Transistorsteuerung
- Hochwertige Metallfilm Widerstände
- Alps Potis Standard oder Blue Serie montierbar
- 15000 Zirkeln der Potis garantieren für lange Lebensdauer
- Relais Statt Mos Schalter
- Leiterplatte Maße 168 * 67 mm
Bauvorschlag/ Beschreibung:
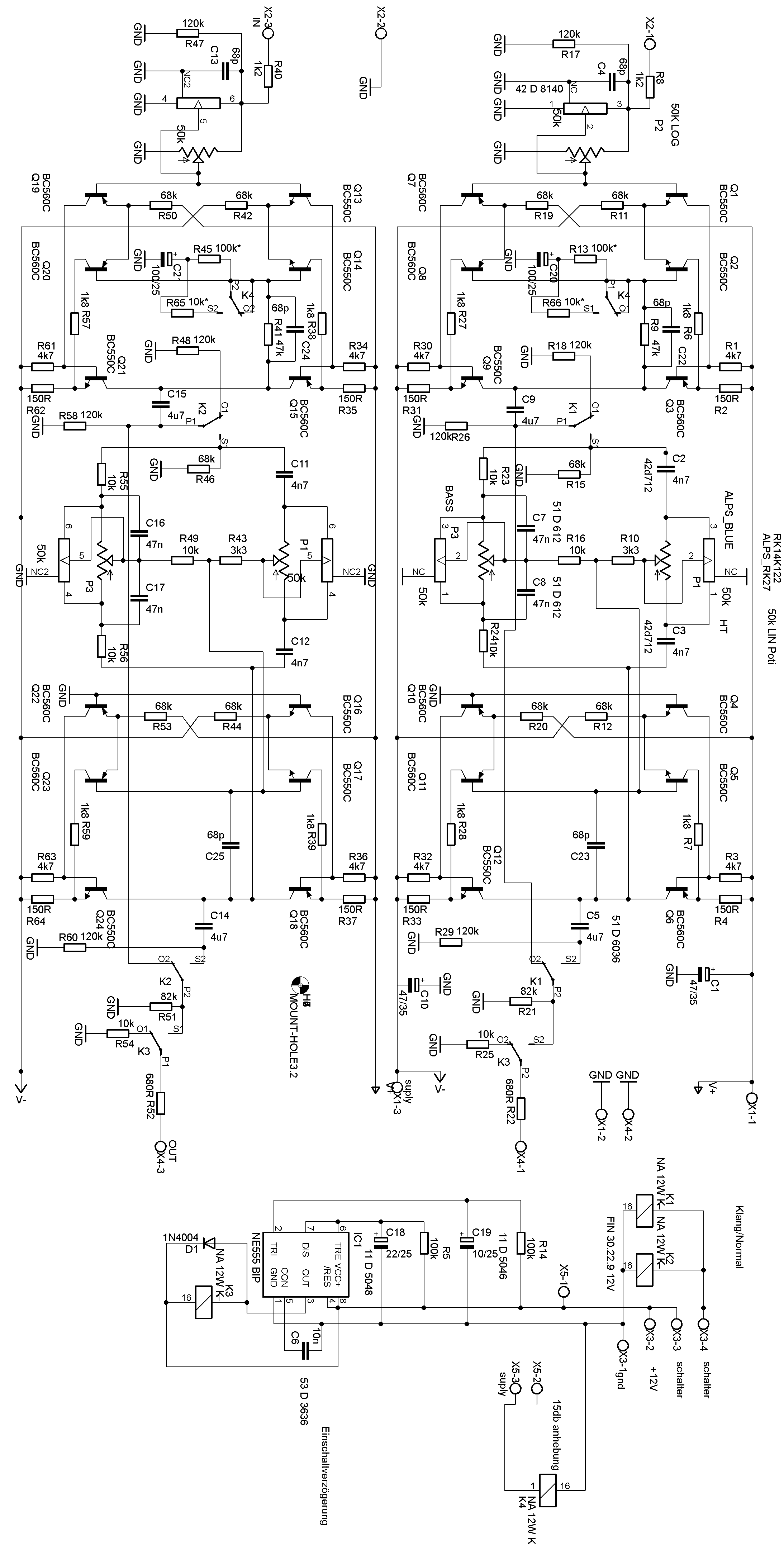
Um eine Hochwertige Klangregelstufe zu Realisieren habe ich mich bewusst von der OP Technik distanziert. OP´s sind in der Regel bei weiten Komplizierter Aufgebaut. Um einen Sehr guten Preamp aufzubauen ist es Wichtig so wenig Halbleiter wie Möglich zu nutzen. Alleine ein Moderner OP besitzt bei weiten mehr Bauteile in sich und sind sehr kompliziert aufgebaut. Ich verwende nur die Nötigsten Bauteile um einen OP nachzuahmen. Dazu Kommt das ich eine Versorgungsspannung von +/- 24 V Nutzen kann. Und das ist noch nicht einmal das ende der Fahnenstange. Die Betriebsspannung reich aber auf jeden fall aus! Und für 24V gibt es noch Stabbis im Handel, so ist ein Netzteil noch Sehr Günztig zu realisieren.
R13, R45 wird Standard mit 100K Bestückt. In der Regel reicht das aus um einen Normalen Amp Voll Auszusteuern macht bei 775mV = 1V. Wird ein Hoher Ausgangspegel benötigt, so muss R13, R45 Vom Wert Verkleinert werden! Die Schaltung Verstärkt dann das Ausgangssignal.
R65,R66 können Über das Relay dazugeschaltet werden. Dann kommen +15,4db am Pegel dazu 10k Reichen in der Regel aus um einen RIAA Entzerrer der in etwa eine Verstärkung von gute 35 – 40 db macht. Ziel ist es das der Phono Eingang dann genauso Laut ist wie der CD Player! Da sowieso auch noch ein Signalquellenwahlschalter von Nöten ist der dann meist mit hochwertigen Relais Ausgestattet ist. Wird dann das Relay K4 mit dem Eingangswahlschalter verbunden.
Im Schaltplan sind Volume und Klangregler Doppelt Eingezeichnet. Das liegt Daran das hier gewählt werden kann Welche Potis sie einsetzen möchten. Sehr gute Standart oder High end Potis.
Praktische Tipps zum Thema Brummen oder rauschen:
Um Bestmögliche Ergebnisse zu erzielen, ist es wichtig dass bei der Blue Serie die Potis mit an masse angeschlossen werden!
Die Masse Entnehmen sie direkt auf der Platine. Benutzen sie dafür die Befestiungs Bohrungen die für sie Standard Potis bestimmt sind. Befestigen sie die Potis NICHT mit dem Blech Gehäuse! Achten sie also darauf dass Zwischen Gehäuse und Poti KEINE Leitende Verbindung entsteht. ( Mit Schrumpfschlauch kann Abhilfe geschaffen werden )
So vermeiden sie von Grund aus eine Brummschleife!

Auf dem Bild zu erkennen die Eingangs Amplitude mit der Betriebswahl +15,4db ( Gelb) Blau zeigt die Mögliche Ausgangsamplitude an. In der Praxis wird meistens nicht mehr als 775mV bis ca. 1,5V benötigt um einen Verstärker Voll auszusteuern. Somit gibt es genug Reserven für die Klangreglung. Das heißt. Selbst wenn der Eingangspegel sich bei 2,72V RMS bei Vollaussteuerung befindet würde bei einer 14db Höhen und Bässe Regelung die Schaltung noch nicht verzerren! Das Können die aller Wenigsten Vorverstärker! Standard ist das in der Studio Technik Bei Seht Teuren Konsolen.

Bestückungsplan:
|
Menge |
Wert |
Device |
Bauteile |
|
|
|
|
|
|
|
|
|
|
|
8 |
150R |
Metall |
R2, R4, R31, R33, R35, R37, R62, R64 |
|
2 |
680R |
Metall |
R22, R52 |
|
2 |
1k2 |
Metall |
R8, R40 |
|
8 |
1k8 |
Metall |
R6, R7, R27, R28, R38, R39, R57, R59 |
|
2 |
3k3 |
Metall |
R10, R43 |
|
8 |
4k7 |
Metall |
R1, R3, R30, R32, R34, R36, R61, R63 |
|
8 |
10k |
Metall |
R16, R23, R24, R25, R49, R54, R55, R56 |
|
2 |
10k* |
Metall |
R65*, R66* |
|
2 |
47k |
Metall |
R9, R41 |
|
10 |
68k |
Metall |
R11, R12, R15, R19, R20, R42, R44, R46, R50, R53 |
|
2 |
82k |
Metall |
R21, R51 |
|
2 |
100k* |
Metall |
R13, R45 |
|
2 |
100k |
Metall |
R5, R14 |
|
8 |
120k |
Metall |
R17, R18, R26, R29, R47, R48, R58, R60 |
|
4 |
68p** |
Keramik |
C22, C23, C34, C25 |
|
2 |
68p |
050-045X075 |
C4, C13 |
|
4 |
4n7 |
050-045X075 |
C2, C3, C11, C12 |
|
1 |
10n |
050-025X075 |
C6 |
|
4 |
47n |
050-025X075 |
C7, C8, C16, C17 |
|
4 |
4u7 |
050-075X075 |
C5, C9, C14, C15 |
|
|
|
|
|
|
1 |
22/25 |
2.5-6 |
C18 |
|
2 |
47/35 |
2.5-7 |
C1, C10 |
|
2 |
100/25 |
|
C20, C21 |
|
1 |
10uF 25V |
2-5 |
C19 |
|
|
|
|
|
|
1 |
1N4004 |
|
D1 |
|
12 |
BC550C |
|
Q1, Q2, Q4, Q5, Q9, Q12, Q13, Q14, Q16, Q17, Q21, Q24 |
|
12 |
BC560C |
|
Q3, Q6, Q7, Q8, Q10, Q11, Q15, Q18, Q19, Q20, Q22, Q23 |
|
1 |
NE555 BIP |
|
IC1 |
|
1 |
Fassung |
|
IC1 |
|
|
|
|
|
|
|
|
|
|
|
4 |
AKL 101-3 |
|
X1, X3, X4, x5 |
|
1 |
AKL 101-4 |
|
X2 |
|
|
|
|
|
|
4 |
FIN 30.22.9 12V |
G6A-234P |
K1, K2, K3, K4, |
|
1 |
Leiterplatte 168*67mm |
|
|
|
|
|
|
|
|
2 |
50k LIN |
RK14K122, 503B 130t |
POT1, POT3 |
|
2 |
ALPS_BLUE 50K LIN |
ALPS_BLUE, 542G 50KB X2 |
U$1, U$3 |
|
|
|
|
|
|
1 |
50k LOG |
RK14K122, 503A 416C |
POT2 |
|
1 |
ALPS_BLUE LOG |
ALPS_BLUE, 539G 50KA X2 |
U$2 |
|
|
|
|
|
|
|
|
|
|

Dokument in PDF zum Download V4.2 2023
Dokument in PDF zum Download V3 2020
Dokument in PDF Zum Download V2.x 2016

