Klangregler mit Dual OP´s 2022

- Betriebsspannung: +/- 12V 70mA
- Frequenzgang 1Hz – 182 kHz + 0,2db
- Klangregler +/- 14 db Einstellbar, Abschaltbar
- + 3 db Gewinn im Normal Modus
- + 15,4 db Gewinn Zuschaltbar für z.b. RIAA oder Handy
- RK14K122 Alps Potis (15000 Zirkeln)
- Relais statt Mos Schalter
- Leiterplatte 2 DK FR4 150.7 mm* 43.5 mm
- Einschaltverzögerung gegen Pop Geräusche
Die Klangregler der Extraklasse sind sehr beliebt. Je nach Anwendungszweck reicht auch schon mal eine Kleinere Version aus. In der Vergangenheit erreichten mich mehrere Mails ob ich nicht eine Version mit OP´s Anbieten könne.
So ganz einfach Wollte ich dann den Klangregler dann doch nicht gestalten. Es Gibt diesbezüglich genug auf dem Markt und somit währe das dann auch keine Steigerung.
So habe ich den Klangregler der Extraklasse als Grundlage genommen und Alle vorhandenen Funktionen 1:1 Übernommen!
Welche OP´s nun die besseren sind möchte ich an dieser Stelle nicht Diskotieren. Da nach wie Vor mir die Transistor Variante Besser gefällt. Aber darum geht es hier nicht in diesen Artikel!
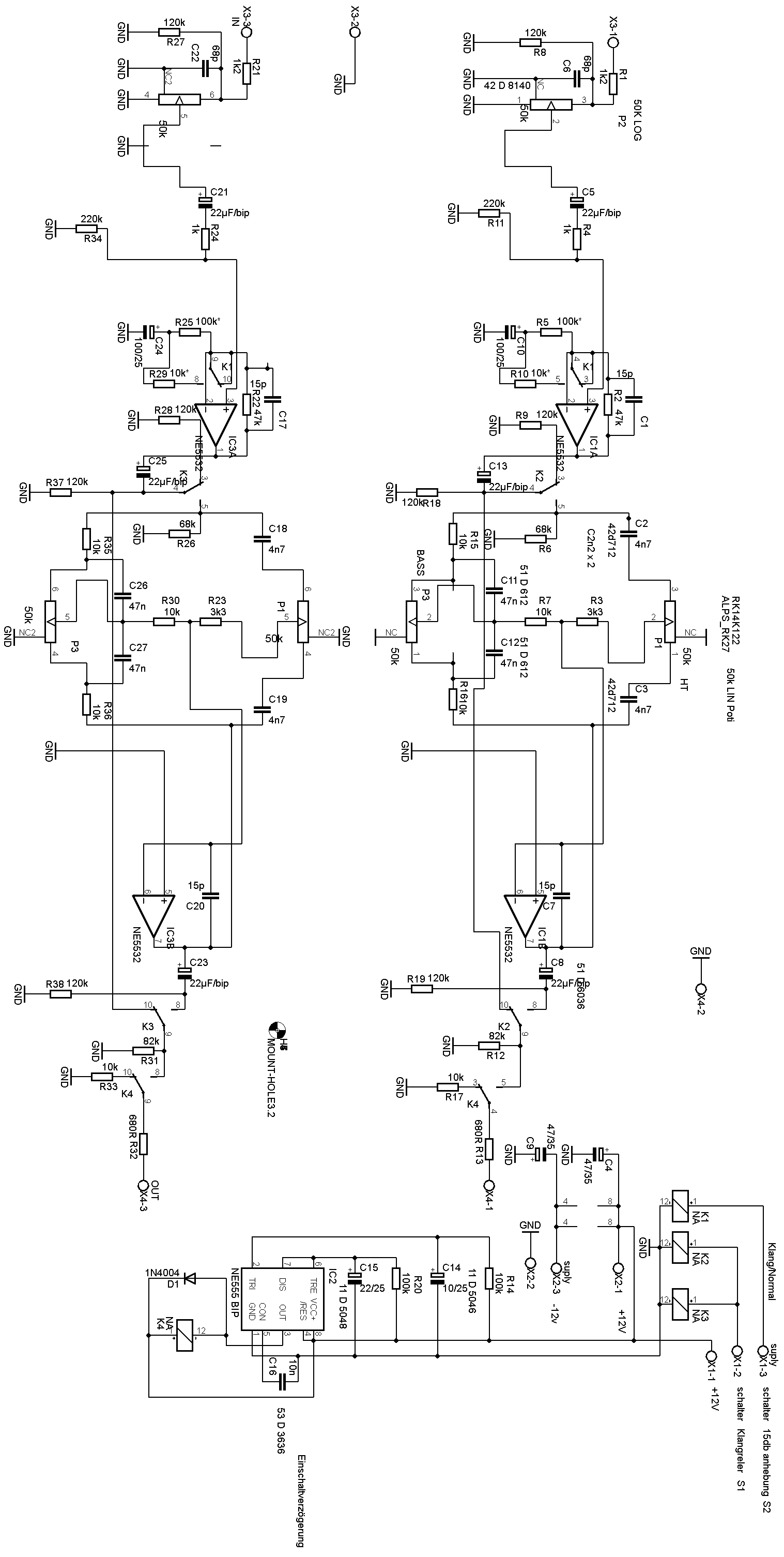
Rund um den OP´s habe ich die Schaltung wie bei der Version der Extraklasse hochwertige Bauteile ausgesucht. Das Wichtigste Element sind die Potis. Sie Sollen in der Qualität hervorragend sein und lange halten. So entschloss ich mich wieder einmal für die RK14K122 Serie von Alps. Diese Potis werden auch gerne in Mischpulte verbaut da diese Robust sein Müssen in den Rauen Alltag der Life Beschallung. Da die Leiterplatte Durchkontaktiert ist und die Potis noch zur Stabilität einen Verlötbare Stabilisierung Aufweist ist die RK14 Serie Vorteilhaft gegenüber andere Produckte.
Die Relais habe ich gegen die NA Serie getauscht. Qualitativ und Preislich gibt es dort kaum Unterschiede! Allerdings benötigt die NA Serie weniger Strom und sind auch etwas Kleiner.
Gegen die Einschalt Geräusche habe ich auch hier wieder eine Einschaltverzögerung eingebaut.
Und damit der Klangregler wieder universal eingesetzt werden kann gibt es auch hier wider die Möglichkeit den Pegel um gute 15db anzuheben. Wer mehr benötigt kann R 10 entsprechend anpassen.
Für die Fine Tunig Freunde unter uns die gerne an den einstell Frequenzen rum Spielen möchten können C2, C3 die für die Höhen sind anpassen. Wobei kleinere werte den Höhen Bereich weiter nach oben verschieben und Höhere Werte weiter nach unten verschieben. Das Gleiche gilt für C11 und C12 Sind die werte größer Verschiebt sich der Bass Bereich weiter nach unten. Wobei eine Veränderung meines erachten nicht erforderlich ist. Ich wollte das nur erwähnen, weil ich auch hier Anfragen bekommen habe. Auch gab es Anfragen nach Zuschaltung von C werten. Das wollte ich aber nicht umsetzen da dann das ganze wieder zu Kostspielig wird. Es Sollte ja auch relativ einfach sein.
C1 und C7 Verhindern das Eigenschwingen die Werte können Zwischen 15pF und 47pF gewählt werden. Im Probeaufbau mit 15pF war alles Ruhig

|
Menge |
Wert |
Device |
Bauteile |
|
2 |
680R |
Metall 0,6W |
R13, R32 |
|
2 |
1k |
Metall 0,6W |
R4, R24 |
|
1 |
1k2 |
Metall 0,6W |
R21 |
|
1 |
1k2 |
Metall 0,6W |
R1 |
|
2 |
3k3 |
Metall 0,6W |
R3, R23 |
|
8 |
10k |
Metall 0,6W |
R7, R15, R16, R17, R30, R33, R35, R36 |
|
2 |
10k* |
Metall 0,6W |
R10, R29 |
|
2 |
47k |
Metall 0,6W |
R2, R22 |
|
2 |
68k |
Metall 0,6W |
R6, R26 |
|
2 |
82k |
Metall 0,6W |
R12, R31 |
|
2 |
100k |
Metall 0,6W |
R14, R20 |
|
2 |
100k* |
Metall 0,6W |
R5, R25 |
|
8 |
120k |
Metall 0,6W |
R8, R9, R18, R19, R27, R28, R37, R38 |
|
2 |
220k |
Metall 0,6W |
R11, R34 |
|
4 |
15P - 47p |
C-EU025-024X044 |
C1, C7, C17, C20 |
|
2 |
68p/Cer |
C-EU050-045X075 |
C6, C22 |
|
4 |
4n7 |
C-EU050-025X075 |
C2, C3, C18, C19 |
|
1 |
10n |
C-EU050-025X075 |
C16 |
|
4 |
47n |
C-EU050-025X075 |
C11, C12, C26, C27 |
|
1 |
10µF/25V |
CPOL-EUE2-5 |
C14 |
|
6 |
22µF/bip |
CPOL-EUE2.5-7 |
C5, C8, C13, C21, C23, C25 |
|
1 |
22/25 |
CPOL-EUE2.5-6 |
C15 |
|
2 |
47/35 |
CPOL-EUE2.5-7 |
C4, C9 |
|
2 |
100/25 |
CPOL-EUE2.5-7 |
C10, C24 |
|
1 |
1N4004 |
1N4004 |
D1 |
|
1 |
NE555 BIP |
NE555 |
IC2 |
|
2 |
NE5532/TL072 |
NE5532 |
IC1, IC3 |
|
4 |
AKL104 |
Printklemme |
X1, X2, X3, X4 |
|
4 |
NA-12W-K |
NA |
K1, K2, K3, K4 |
|
3 |
IC Fassung |
|
|
|
2 |
RK14K122/ALPS |
50k Lin |
POT1, POT3 |
|
1 |
RK14K122/ALPS |
50k Log |
POT2 |
|
3 |
Knöpfe |
||
|
3 |
Kappe |
||
|
1 |
Leiterplatte |
150.7 mm* 43.5 mm |
|
