Röhren Pre Amp 2018

Röhren Pre Amp mit Abschaltbarer Klangreglung

 

 

 

  • Integriertes Netzteil on Board
  • DC Heizung
  • 2x ECC 83, 4x ECC 81
  • Alps Potis, Blue Serie oder Standard Montierbar
  • Klangregler, Zuschaltbar +/- 14 db
  • db über Schalter anhebbar + 11,2db (Anpassbar) für RIAA oder Handy etc.
  • Anodenspannungsversorgung 213 – 235V AC, 40mA
  • Heizspannungsversorgung 9,3V AC 3,4A
  • Leiterplatte 167X192 mm, 2 Lagen Durchkontaktiert FR4

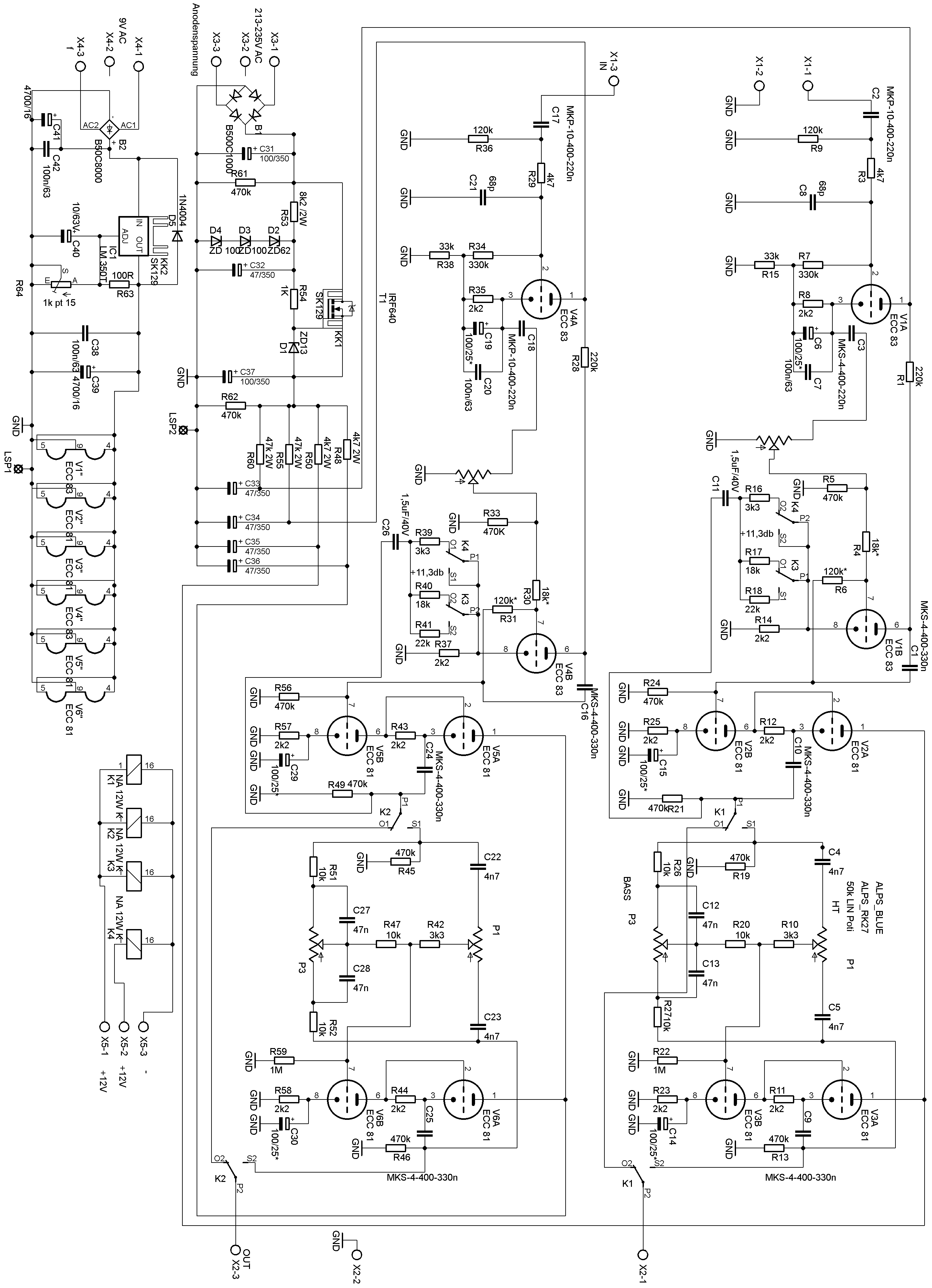
Ein Klassischer Pre Amp mit Klangreglung. Die Future an der Schaltung ist die Niederohmige Klangreglung, sowie die Möglichkeit in den Verstärkungsfaktor eingreifen zu Können.

Da die Klangreglung beim Transistor Pre Amp Sehr Angenehm Arbeitet, habe ich die Regelkette übernommen und in der Schaltung Integriert. Up to day mit der Möglichkeit über einen Schalter die db anzupassen Macht heute auf jeden Fall sinn! Handy, mp3 Player können schon mal mit mickrigen 20 mV vpp einen schnell die Laune verderben. Mit diesen Pre Amp können sie über einen Schalter nochmals den Pegel um 11,2 db anheben. Nach ihren eigenen Wünschen können sie aber auch eingreifen und die Schaltung endsprechend anpassen! Dazu müssen nur ein Parr Widerstände geändert werden.

Und auch das Netzteil darf mit ins Gehäuse eingeplant werden. Sofern es sich um ein Geschirmten Ringkerntrafo Handelt funktioniert alles Ohne Brummen Einwandfrei. Selbst die RIAA Stufe kann samt Netzteil in ein Gehäuse eingebaut werden!

Passenden Netz Transformator T2421 mit Schirmung Garantiert für eine Störungsfreie Wiedergabe. Künftig wird es noch einen Weiteren Trafo geben, so dass auch ein OTL Headfone Amp mit Integriert werden kann.

Die Netzteiltechnik habe ich mit auf der Leiterplatte Integriert, somit verringert sich der Verdrahtungsaufwand und auch die Fehlerquellen!

Die Schaltung ist jetzt so wie sie ist modern Einsetzbar! Handys, Blue, Übertragung und RIAA können dank der zusätzlich zuschaltbarer db Anhebung derzeit auf + 11,2 db eingestellt angehoben werden!

 

Um die Störsignale auszumerzen werden alle Röhren mit DC Beheizt. Für DC Beheizte Systeme wird dann Üblicherweise Pin. 9 der ECCxx auf Masse gelegt. Bei den JJ Röhren gibt es zwischen den Katoden Bleche noch ein Masse Blech! Hiermit wird im Allgemeinen eine Höhere Kanaltrennung erreicht. Das Blech ist mit Pin 9 der Heizung Verbunden. Somit würde ich die JJ ECCxx Röhren gegen andere Röhren die Kein Masse Blech Haben Vorziehen!

Die Heizspannung habe ich auf 9,3V AC festgelegt damit die Verlustleistung nicht all so hoch ist. Über R64 Wird die Heizung auf 6,3V eingestellt.

Die Anodenspannung Wird mit den Dioden D2-D4 Bestimmt und ist somit auf 268V eingestellt. R 61 und R62 Dienen der Sicherheit und entladen die Kondensatoren, damit im Ausgeschalteten zustand die Kondensatoren durch die Widerstände Entladen werden.

Über K4, wird die db Anhebung Aktiviert im Ruhezustand läuft der Amp im Normal Modus

Wenn sie Weitere Anpassung benötigen, so können sie diese dann über R30, R31, R39 Realisieren.

K1 und K2 Aktivieren die Klangregelendstufe. K3, R17 und R18 Passen den Leistungsverlust an. Sind beide Klangregler auf Mittelstellung so sollte Beim Switschen kein Lautstärkeunterschiet wahrnehmbar sein.

 

Die Vorstufe mit der ECC 83 Läuft als Katodenfolger. Die Endstufe sowie die Klangregelung ist mit der ECC 81 Als SRPP Stufe Aufgebaut.

Die Leiterplatte entspricht Grundsätzlich dem Industriestandard, ist Doppelseitig Durchkontaktiert. Somit Konnten Audio Signalwege kurzgehalten werden.

 

 

Nachfolgend das Board. Die Röhrenfassung wird von Unten Aufgelötet, so wie es auch auf den Fotos zu erkennen ist. Wie bereits bei der Transistor Klangreglung habe ich auch hier beide Alps Poti typen Berücksichtigt, so das je nach Bedarf und Verfügbarkeit Bestückt werden kann. X5 – Wird mit auf der Zentral Masse Gelegt. Siehe Dazu auch unter Röhren Pre amp. Dort finden sie u.a. Beispiele zur Montage und Verdrahtung. Eine Korrekte Verdrahtung ist Zwingend Notwendig, wenn sie ein Extrem Hochwertiges Ergebnis erreichen wollen!

 

 

In der Stückliste sind Beide Poti Typen aufgelistet. Natürlich Nehmen sie das Poti Ihrer Wahl!

Menge

Wert

Device

Bauteile

1

100R

1/4W Kohle

R63

1

1K

1/4W Metall

R54

12

2k2

1/4W Metall

R8, R11, R12, R14, R23, R25, R35, R37, R43, R44, R57, R58

4

3k3

1/4W Metall

R10, R16, R39, R42

2

4k7

1/4W Metall

R3, R29

2

4k7 2W

2W Metall

R48, R50

1

8k2 /2W

2W Metall

R53

6

10k

1/4W Metall

R20, R26, R27, R47, R51, R52

2

18k

1/4W Metall

 R17, R40

2

18k*

1/4W Metall

R4, R30

2

22k

1/4W Metall

R18, R41

2

33k

1/4W Metall

R15, R38

2

47k 2W

2W Metall

R55, R60

2

120k

1/4W Metall

R9, R36

2

120k*

1/4W Metall

R6, R31

2

220k

1/4W Metall

R1, R28

2

330k

1/4W Metall

R7, R34

12

470k

1/4W Metall

R5, R13, R19, R21, R24, R33, R45, R46, R49, R56, R61, R62

2

1M

1/4W Metall

R22, R59

       

2

68p

C-EU050-045X075

C8, C21

4

4n7

C-EU050-045X075

C4, C5, C22, C23

4

47n

C-EU050-025X075

C12, C13, C27, C28

4

100n/63

C-EU050-025X075

C7, C20, C38, C42

2

1,5 uF/40V

C-EU050-025X075

C11, C26

4

MKP-10-400-220n

C-EU225-087X268

C2, C3, C17, C18

6

MKS-4-400-330n

C-EU225-087X268

C1, C9, C10, C16, C24, C25

1

10/63V

CPOL-EUE2-5

C40

5

47/350

E7,5-16

C32, C33, C34, C35, C36

6

100/25*

CPOL-EUE3.5-8

C6, C14, C15, C19, C29, C30

2

100/350

E7,5-18

C31, C37

2

4700/16

CPOL-EUE7.5-16

C39, C41

       
       

1

B50C8000

KBU

B2

1

B500C1000

RB1A

B1

1

1N4004

1N4004

D5

1

ZD13

ZPD

D1

1

ZD62

ZPD

D2

2

ZD 100

ZPD

D3, D4

1

IRF640

 

T1

1

LM 350T

 

IC1

4

ECC 81

 

V2, V3, V5, V6

2

ECC 83

 

V1, V4

       

1

1k pt 15

TRIM_EU-LI15

R64

1

50k Log

RK14K122

POT2

2

50k Lin

RK14K122

POT1, POT3

1

50K Log

ALPS_BLUE

U$2

2

50k Lin

ALPS_BLUE

U$1, U$3

       

5

Printklemme

AK500/3

X1, X2, X3, X4, X5

4

NA 12W K

G6A-234P

K1, K2, K3, K4

2

SK129

SK129

KK1, KK2

6

Novalfassung

   

1

Leiterplatte 167X192 mm

   

 

 Bauanleitung in PDF Version

 

 

Wir benutzen Cookies

Wir nutzen Cookies auf unserer Website. Einige von ihnen sind essenziell für den Betrieb der Seite, während andere uns helfen, diese Website und die Nutzererfahrung zu verbessern. Sie können selbst entscheiden, ob Sie die Cookies zulassen möchten. Bitte beachten Sie, dass bei einer Ablehnung womöglich nicht mehr alle Funktionalitäten der Seite zur Verfügung stehen.