Class A Ultra Low Noise RIAA – MC - MM Zwei-Stufen-IEC-Entzerrer 79 dB
-
- High End MC / MM RIAA-Entzerrer, extrem rauscharm
- Symmetrische Speisespannung
- Transistor statt OP
- Low-Noise-Transistoren
- IEC-Filter (Rumpelfilter)
- High Voltage +/- 24V
- Metallfilmwiderstände
- Folien Kondensatoren
- Leiterplatte 71x72mm
- Stromaufnahme 6,4mA (Kurzschluss 18mA)
- Ausgangsimpedanz 47K Optimal
- Verstärkung 79 dB bei 1KHz
- Max. Ausgangsspannung 48V Peak 17,2V RMS (1KHz)
- Zwei-Stufen-Verstärker
- RIAA – IEC-Kennlinie
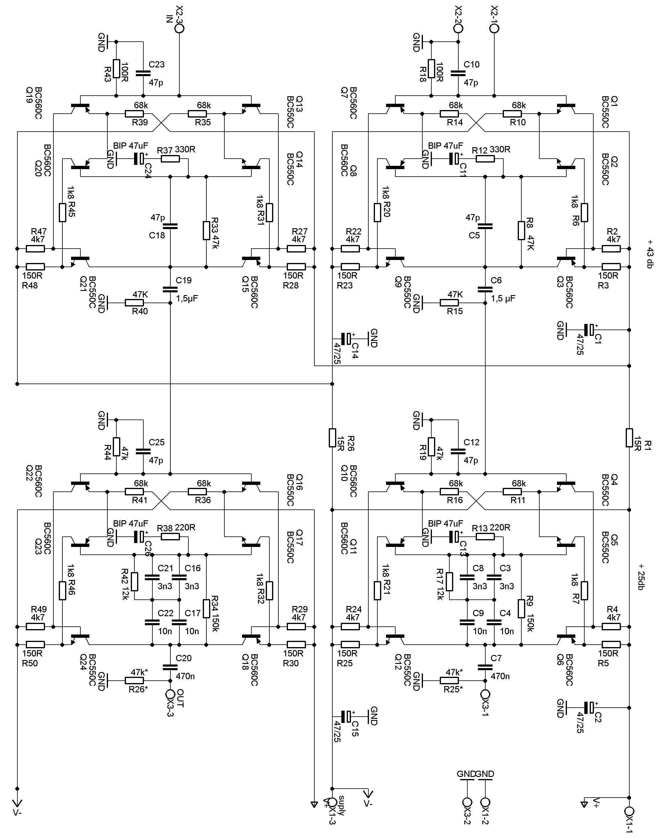
Bauvorschlag
Um Vinyl mit MC- oder MM-Systemen abspielen zu können, wird ein RIAA-Entzerrer mit sehr hohem Verstärkungsfaktor benötigt.
MC-Systeme erzeugen, je nach Modell, nur eine Ausgangsspannung von etwa 0,34 mV. Die Herausforderung bestand darin, einen extrem hochwertigen Vorverstärker ohne Übertrager zu entwickeln, der weder brummt noch rauscht.
Um die besten Ergebnisse erzielen zu können, ist es sehr wichtig, dass die Leiterplatte möglichst klein ausfällt und somit weniger störanfällig ist.
Die Signalverarbeitung erfolgt zweistufig. Stufe eins hebt das Signal 44dB an.
Stufe zwei beinhaltet eine RC-Frequenzkorrektur und eine weitere Anhebung zwischen 15 - 35 dB. Diese Kaskadierung begünstigt die Unterdrückung des Grundrauschens effektiv.Wenn der Entzerrer auf 68 db (R13 = 820R) eingestellt wird, kann auch ein 3mV-MM-System betrieben werden, ohne, dass Verzerrungen auftreten. R18 ist bei MM-Systemen auf 47K zu erhöhen. Für das schnelle Wechseln auf das MC-System kann der Abschlusswiderstand mit 100 Ohm via externem Schalter zugeschaltet werden. Ggf. kann die Verstärkung auch weiter herabgesetzt werden. Bei der Anpassung ist grundsätzlich die zweite Stufe zu bevorzugen.
Um bei Verstärkungsfaktoren dieser Größenordnung einen möglichst großen Störspannungsabstand zu gewährleisten, ist ein Netzteil mit möglichst geringer Restwelligkeit unerlässlich.
In Kombination mit dem Tubeland-Netzteil, konnten bei 79dB Verstärkung noch Ergebnisse erzielt werden, die hochpreisigen Preamps in nichts nachstehen.Sound und Räumlichkeit werden hervorragend abgebildet. Gepaart mit einem guten MC-System kann das Optimum aus dem Tonträger herausgeholt werden.
Tests mit einem Ortofon Blue 2M-System und dem RIAA-Entzerrer und einer Verstärkung von 68 dB, brachten ebenfalls Ergebnisse, die für den geneigten MM’ler durchaus interessant sind. Eine saubere Wiedergabe, die Absolut Spaß macht ist hier garantiert.




Nachfolgend die Stückliste:
|
Menge |
Wert |
Device |
Bauteile |
|
2 |
15R |
1/4W Metall |
R1, R26 |
|
2 |
100R |
1/4W Metall |
R18, R43 |
|
8 |
150R |
1/4W Metall |
R3, R5, R23, R25, R28, R30, R48, R50 |
|
2 |
330R |
1/4W Metall |
R12, R37 |
|
2 |
820R |
1/4W Metall |
R13, R38 |
|
8 |
1k8 |
1/4W Metall |
R6, R7, R20, R21, R31, R32, R45, R46 |
|
8 |
4k7 |
1/4W Metall |
R2, R4, R22, R24, R27, R29, R47, R49 |
|
2 |
12k |
1/4W Metall |
R17, R42 |
|
6 |
47K |
1/4W Metall |
R8, R15, R19, R33, R40, R44 |
|
2 |
47k* |
1/4W Metall |
R25*, R26* |
|
8 |
68k |
1/4W Metall |
R10, R11, R14, R16, R35, R36, R39, R41 |
|
2 |
150k |
1/4W Metall |
R9, R34 |
|
4 |
47p |
C Ker |
C5, C12, C18, 25 |
|
2 |
47p |
C-EU050-045X075 |
C10, C23 |
|
4 |
3n3 |
C-EU050-055X075 |
C3, C8, C16, C21 |
|
4 |
10n |
C-EU050-075X075 |
C4, C9, C17, C22 |
|
2 |
470n |
C-EU050-035X075 |
C7, C20 |
|
2 |
1,5 µF |
C-EU050-075X075 |
C6, C19 |
|
4 |
47/25 |
CPOL-EUE2.5-7 |
C1, C2, C14, C15 |
|
4 |
BIP 47uF |
CPOL-EUE2.5-7 |
C11, C13, C24, C26 |
|
12 |
BC550C |
BC547 |
Q1, Q2, Q4, Q5, Q9, Q12, Q13, Q14, Q16, Q17, Q21, Q24 |
|
12 |
BC560C |
BC557 |
Q3, Q6, Q7, Q8, Q10, Q11, Q15, Q18, Q19, Q20, Q22, Q23 |
|
3 |
AKL101-03 |
X1, X2, X3 |
|
|
1 |
Leiterplatte |
71mm x 72 mm |
|
Um ggf. den benötigten Verstärkungsfaktor anzupassen, können die Werte R12, R37 bzw. R13, R38 verändert werden.
Der gesamte Verstärkungsfaktor addiert sich aus der ersten und zweiten Verstärkerstufe.
Es gilt zu beachten, dass MM-Systeme in der Regel mit einem 47K-Abschlusswiderstand betrieben werden! MC-Systeme hingegen sind meistens mit einem 100 Ohm-Abschlusswiderstand bestückt.
Damit die gewünschte Verstärkung nach Bedarf eingestellt werden kann, sind die unten aufgelisteten Bauteile dem Bausatz beigestellt.
|
Verstärkung in db |
Verstärkungsfaktor |
R12, R37 |
R13, R38 |
|
|
15db |
5,6 |
10K |
2K7 |
|
|
20db |
10 |
5K2 |
1K2 |
|
|
25db |
12,5 |
4K1 |
820R |
|
|
30db |
31,6 |
1k5 |
390R |
|
|
35db |
56 |
820R |
220R** |
|
|
40db |
100 |
470R |
120R |
|
|
43db |
141 |
330R** |
82R |
|
|
45db |
177 |
270R |
68R |
|
