Röhren Premium Pre Amp mit Abschaltbarer Klangreglung
Oktal Version mit der 6SN7 und 6SL7
- Integriertes Netzteil on Board
- DC Heizung
- 2x 6SL7, 4x 6SN7 OKTAL Fassung
- Alps Potis, Blue Serie oder Standard Montierbar
- Klangregler, Zuschaltbar +/- 14 db
- + 3,8db Gewinn
- db über Schalter Anhebbar auf + 15db (Anpassbar) für RIAA oder Handy etc.
- Anodenspannungsversorgung 213 – 235V AC, 40mA
- Heizspannungsversorgung 9,3V AC 5A, 12V ca. 100mA (Relais)
- Leiterplatte 167X192 mm, 2 Lagen Durchkontaktiert FR4
- Frequenzgang 9 Hz – 335kHz +/- 3db
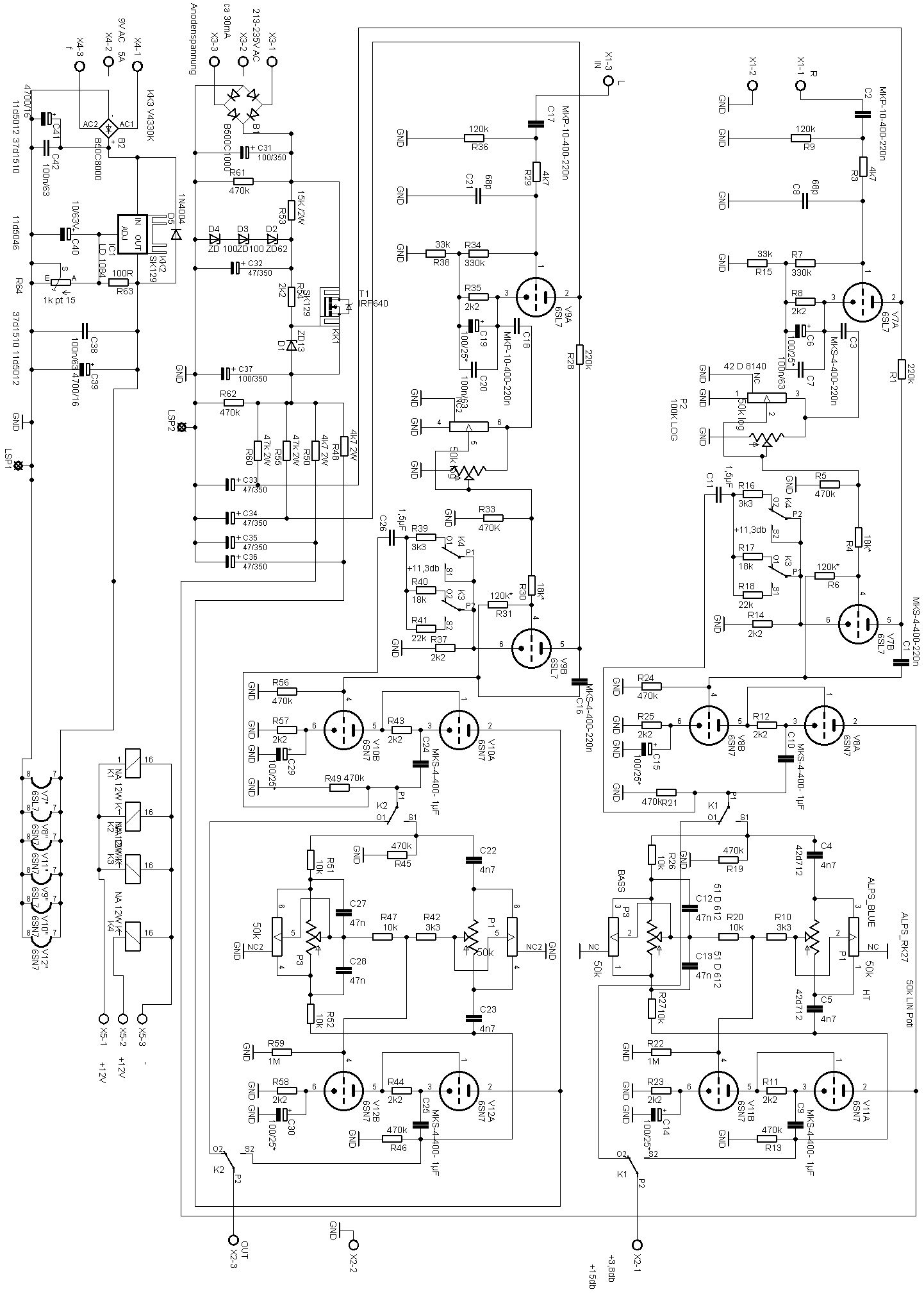
Ein Premium Pre Amp mit Klangreglung. Und diesmal als OKTAL Ausführung. Somit ist es jetzt nun Möglich auch Schöne Amps mit Röhren auf zu bauen die eine Oktal Fassung benötigen. Es gibt mittlerweile sehr viele Röhren von verschiedenem Hersteller sowie auch Neu Produktionen solcher Röhren. Wegen der Fassung sind diese meist auch größer.
Die Futures an der Schaltung ist die Niederohmige Klangreglung, sowie die Möglichkeit in den Verstärkungsfaktor eingreifen zu Können. Das Konzept hat sich bewährt und habe ich beibehalten.
Da die Klangreglung beim Transistor Pre Amp Sehr Angenehm Arbeitet, habe ich die Regelkette übernommen und in der Schaltung Integriert. Up to day mit der Möglichkeit über einen Schalter die db anzupassen Macht heute auf jeden Fall sinn! Handy, mp3 Player können schon mal mit mickrigen 20 mV Vpp einen schnell die Laune verderben. Mit diesen Pre Amp können sie über einen Schalter nochmals den Pegel auf gesamt 15 db anheben. Nach ihren eigenen Wünschen können sie aber auch eingreifen und die Schaltung endsprechend anpassen! Dazu müssen nur ein Parr Widerstände geändert werden.
Und auch das Netzteil darf mit ins Gehäuse eingeplant werden. Sofern es sich um ein Geschirmten Ringkerntrafo Handelt funktioniert alles Ohne Brummen Einwandfrei. Selbst die RIAA Stufe kann samt Netzteil in ein Gehäuse eingebaut werden!
Passenden Netz Transformator Txxxx mit Schirmung Garantiert für eine Störungsfreie Wiedergabe. Künftig wird es noch einen weiteren Trafo geben, so dass auch ein OTL Headfone Amp mit Integriert werden kann.
Die Netzteiltechnik habe ich mit auf der Leiterplatte Integriert, somit verringert sich der Verdrahtungsaufwand und auch die Fehlerquellen!
Die Schaltung ist jetzt so wie sie ist modern Einsetzbar! Handys, Blue, Übertragung und RIAA können dank der zusätzlich zuschaltbarer db Anhebung derzeit auf + 15 db eingestellt angehoben werden!
Um die Störsignale auszumerzen werden alle Röhren mit DC Beheizt.
Die Derzeitigen Röhren können Grundsätzlich auch gegen Standard typen getauscht werden.
Die Heizspannung habe ich auf 9V AC festgelegt damit die Verlustleistung nicht all so hoch ist. Über R64 Wird die Heizung auf 6,3V eingestellt.
Die Anodenspannung Wird mit den Dioden D2-D4 Bestimmt und ist somit auf 268V eingestellt. R 61 und R62 Dienen der Sicherheit und entladen die Kondensatoren, damit im Ausgeschalteten zustand die Kondensatoren durch die Widerstände Entladen werden.
Über K4, wird die db Anhebung Aktiviert im Ruhezustand läuft der Amp im Normal Modus
Wenn sie Weitere Anpassung benötigen, so können sie diese dann über R30, R31, R39 Realisieren.
K1 und K2 Aktivieren die Klangregelendstufe. K3, R17 und R18 Passen den Leistungsverlust an. Sind beide Klangregler auf Mittelstellung so sollte Beim Switchen kein Lautstärkeunterschiet wahrnehmbar sein.
Die Vorstufe mit der 6SL7 Läuft als Katodenfolger. Die Endstufe sowie die Klangregelung ist mit der 6SN7 Als SRPP Stufe Aufgebaut.
Die Leiterplatte entspricht Grundsätzlich dem Industriestandard, ist Doppelseitig Durchkontaktiert. Somit Konnten Audio Signalwege kurzgehalten werden.
Nachfolgend das Board. Die Röhrenfassung wird von Unten Aufgelötet, so wie es auch auf den Fotos zu erkennen ist. Wie bereits bei der Transistor Klangreglung habe ich auch hier beide Alps Poti typen Berücksichtigt, so das je nach Bedarf und Verfügbarkeit Bestückt werden kann. X5 – Wird mit auf der Zentral Masse Gelegt. Siehe Dazu auch unter Röhren Pre amp. Dort finden sie u.a. Beispiele zur Montage und Verdrahtung. Eine Korrekte Verdrahtung ist Zwingend Notwendig, wenn sie ein Extrem Hochwertiges Ergebnis erreichen wollen!
Das Layout habe ich diesmal mit Veröffentlicht, damit eine Fehlersuche vereinfacht wird. ( Nur in der PDF Version)
Für die Oktal Fassung habe ich das kleine Package ausgewählt, damit diese auf der bewährten leiterplatte ihren Platz finden ohne dass ich diese Weitgehens verändern musste.
Allerdings ist die leiterplatte etwas länger als die Noval Version. Der KBU8A Brückengleichrichter würde ohne Kühlkörper seine 105 Grad heiß werden. Nach Datenblatt darf er sogar ungekühlt 4,5A DC Strom liefern. Allerdings mag ich so Heiße Bauteile nicht. Somit habe ich das Layout etwas verändert und für den Gleichrichter noch einen Zusätzlichen Kühlkörper gegönnt.
Auf meinen Fotos derzeit nicht zu sehen!


In der Stückliste sind Beide Poti Typen aufgelistet. Natürlich Nehmen sie das Poti Ihrer Wahl!
|
Menge |
Wert |
Device |
Bauteile |
|
1 |
100R |
1/4W Metall |
R63 |
|
13 |
2k2 |
1/4W Metall |
R8, R11, R12, R14, R23, R25, R35, R37, R43, R44, R54, R57, R58 |
|
4 |
3k3 |
1/4W Metall |
R10, R16, R39, R42 |
|
2 |
4k7 |
1/4W Metall |
R3, R29 |
|
2 |
4k7 2W |
2 Watt Metall |
R48, R50 |
|
6 |
10k |
1/4W Metall |
R20, R26, R27, R47, R51, R52 |
|
1 |
15K /2W |
2 Watt Metall |
R53 |
|
2 |
18k |
1/4W Metall |
R17, R40 |
|
2 |
18k* |
1/4W Metall |
R4, R30 |
|
2 |
22k |
1/4W Metall |
R18, R41 |
|
2 |
33k |
1/4W Metall |
R15, R38 |
|
2 |
47k 2W |
2 Watt Metall |
R55, R60 |
|
|
|
|
|
|
2 |
120k |
1/4W Metall |
R9, R36 |
|
2 |
120k* |
1/4W Metall |
R6, R31 |
|
2 |
220k |
1/4W Metall |
R1, R28 |
|
2 |
330k |
1/4W Metall |
R7, R34 |
|
12 |
470k |
1/4W Metall |
R5, R13, R19, R21, R24, R33, R45, R46, R49, R56, R61, R62 |
|
2 |
1M |
1/4W Metall |
R22, R59 |
|
2 |
68p |
C-EU050-045X075 |
C8, C21 |
|
4 |
4n7 |
C-EU050-045X075 |
C4, C5, C22, C23 |
|
4 |
47n |
C-EU050-025X075 |
C12, C13, C27, C28 |
|
4 |
100n/63 |
C-EU050-025X075 |
C7, C20, C38, C42 |
|
|
|
|
|
|
|
|
|
|
|
6 |
MKS-4-400-220n |
C-EU225-087X268 |
C1, C2, C3, C16, C17, C18 |
|
4 |
MKS-4-400-1µF |
C-EU225-087X268 |
C9, C10, C24, C25 |
|
2 |
1,5µF |
C-EU050-075X075 |
C11, C26 |
|
1 |
10/63V |
CPOL-EUE2-5 |
C40 |
|
4 |
47/350 |
E7,5-16 |
C33, C34, C35, C36 |
|
1 |
47/350 |
E7,5-18 |
C32 |
|
6 |
100/25* |
CPOL-EUE3.5-8 |
C6, C14, C15, C19, C29, C30 |
|
2 |
100/350 |
E7,5-18 |
C31, C37 |
|
2 |
4700/16 |
CPOL-EUE7.5-16 |
C39, C41 |
|
|
|
|
|
|
1 |
1N4004 |
1N4004 |
D5 |
|
1 |
B50C8000 |
KBU |
B2 |
|
1 |
B500C1000 |
RB1A |
B1 |
|
1 |
IRF640 |
IRF740 |
T1 |
|
1 |
LD 1084 |
LD 1084 |
IC1 |
|
1 |
ZD 100 |
ZPD |
D4 |
|
1 |
ZD13 |
ZPD |
D1 |
|
1 |
ZD62 |
ZPD |
D2 |
|
1 |
ZD100 |
ZPD |
D3 |
|
1 |
1k pt 15 |
TRIM_EU-LI15 |
R64 |
|
6 |
6SN7GT-P |
V7, V8, V9, V10, V11, V12 |
|
|
1 |
AK500/3 |
X5 |
|
|
1 |
KK2 |
V4330K |
|
|
2 |
50k |
RK14K122 |
POT1, POT3 |
|
1 |
50K LOG |
Pot2 | |
|
3 |
ALPS_BLUE |
ALPS_BLUE |
U$1, U$2, U$3 |
|
4 |
Klemme |
AK500/3 |
X1, X2, X3, X4 |
|
4 |
RS 12 L |
G6A-234P |
K1, K2, K3, K4 |
|
2 |
SE14 |
SE14 |
LSP1, LSP2 |
|
2 |
SK129 |
SK129 |
KK1, KK2 |
|
1 |
Leiterplatte |
192.1 mm* 167 mm |
|
