SE Treiber mit dem Atmega48 für die 6C33, 300B, 6528, 6AS7G 6C41 oder Ähnliche Röhren
- Auto Bias mit dem Atmega48 oder auch Ohne Möglich
- Integriertes Netzteil
- Anodenspannung 296V AC 25 mA, Heizung 6,3V 2,4A 9V AV 100mA
- Amplitude 318 Vpp (106V RMS)
- Leiterplatte 251x118mm DK Fr4
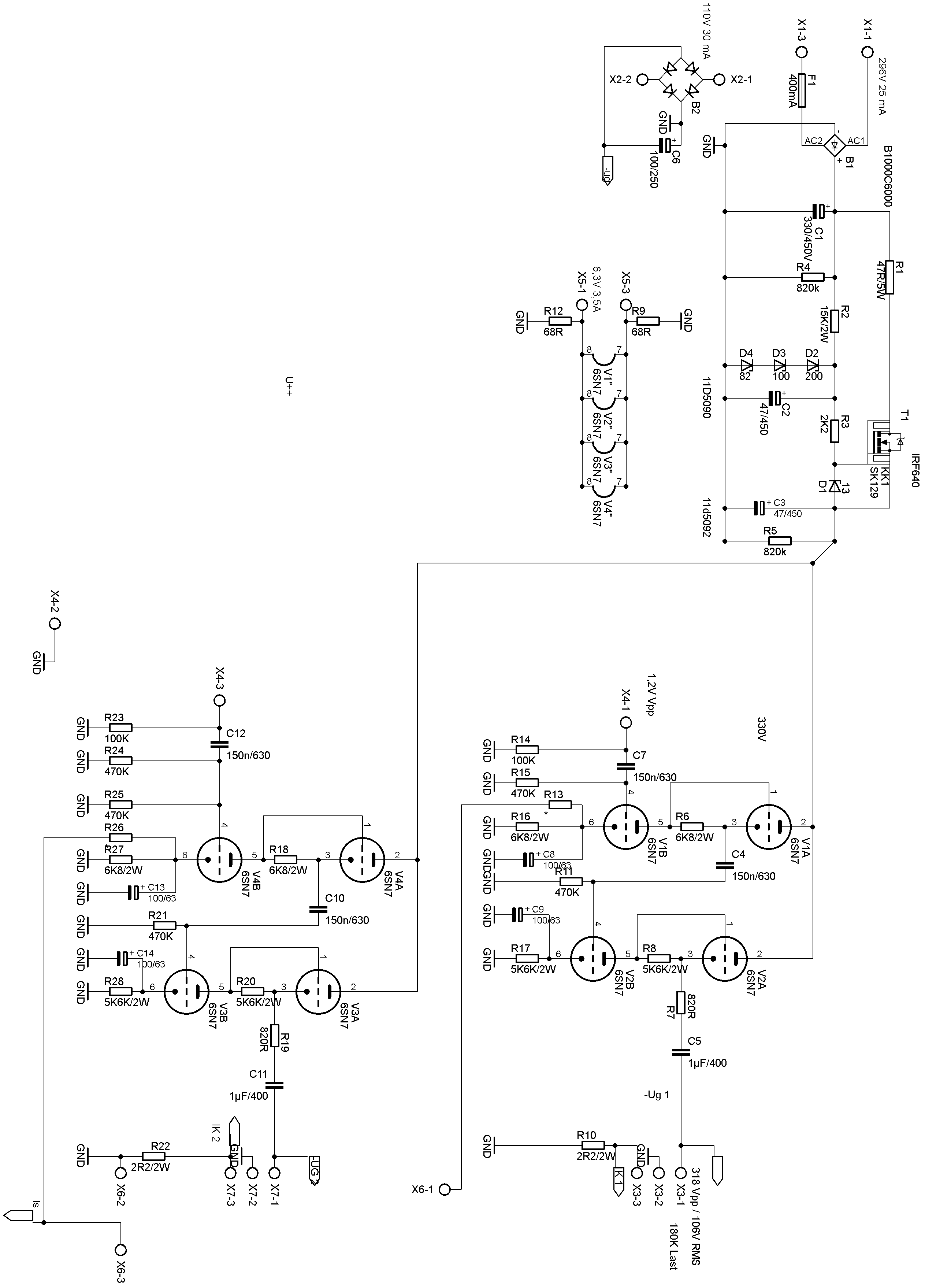
Die hier Vorgestellte Treiber Vorstufe wurde so entwickelt, so dass diese Breitbandig für Diverse Endstufen Röhren eingesetzt werden kann.
Da die Trioden eine Höhere Amplitude als die Pentoden Benötigen, bedarf es eine Schaltung mit einer Höheren Amplitude, sowie einen Höheren Verstärkungsfaktor.
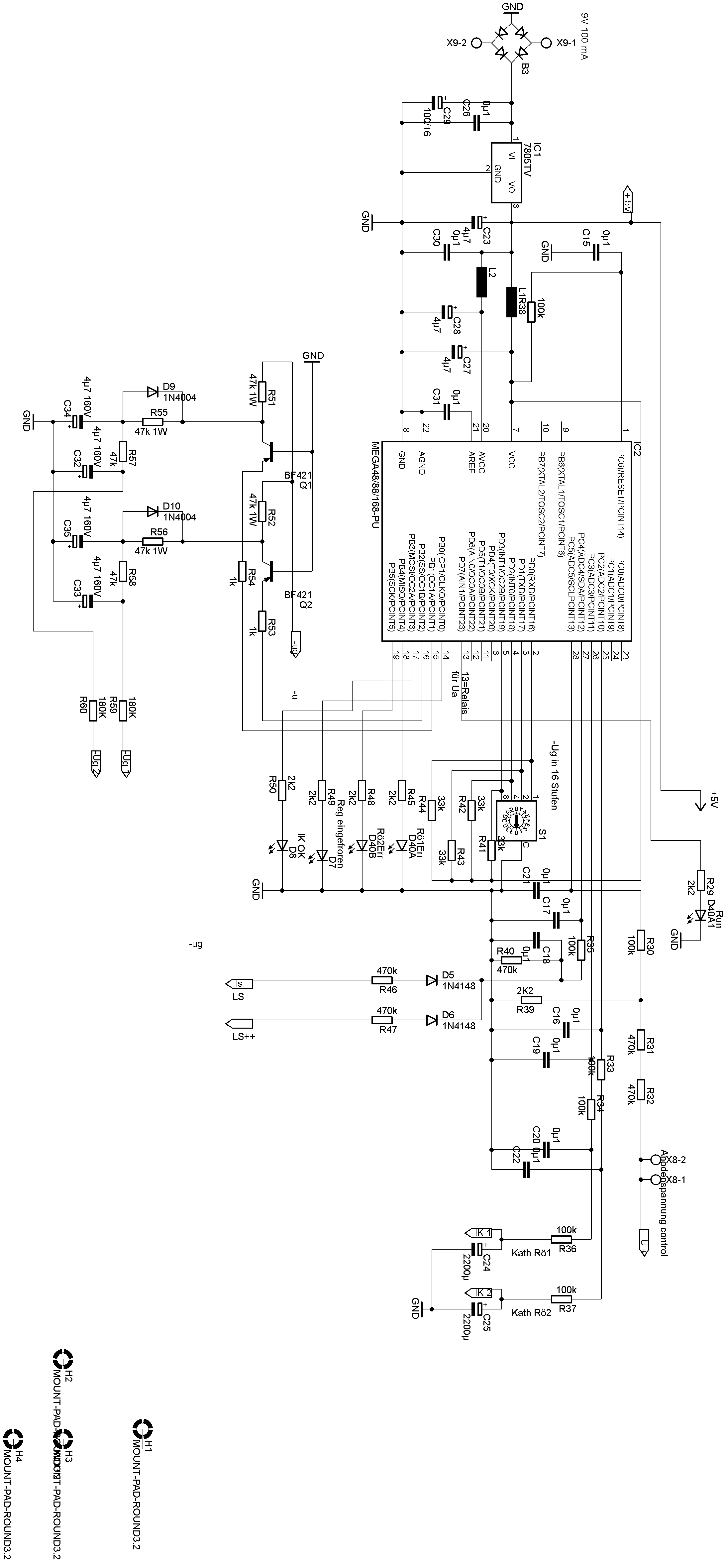
Da Bekanntlicherweise Röhren wie die 6C33, 6C41, 6AS7G etc. für ihr unerwünschtes Weg Driften Bekannt sind, so habe ich zusätzlich noch einen Atmega48 mit der Auto Bias Bestückt um das Vor zu beugen. In der Praxis hat die Steuerung nun mehr sich Über ein Jahr Zehnte bewährt.
Sollten sie die Bias Steuerung Nicht benötigen, so kann diese dann auch entfallen. Sprich sie wird dann nicht Bestückt. Entsprechend muss dann aber auf herkömmliche Art und Weise verfahren werden!
Grundsätzlich kann Die Schaltung Abweichend auch Angepasst werden in Falle das die Verstärkung noch etwas Höher sein Muss kann die Eingangsröhre entsprechend gegen die 6SL7 Getauscht werden unter der Voraussetzung das die Katoden widerstände angepasst werden.
Werden Zwei 6SN7 Verwendet, so benötigen sie zur Voll Aussteuerung 1,2 Vpp um eine Amplitude von 318 VPP zu erreichen. Das Reicht für die 6C33 Vollkommen aus um diese Aussteuern zu Können.
Grundsätzlich kann die Vorstufe auch in Gegenkopplung Laufen unter der Bedingung das C8 entfällt und R13 Bestückt wird. Einen wert kann ich an dieser Stelle nicht empfehlen, da dieser von Mehreren Faktoren Abhängig ist.
Unter anderen sollte berücksichtigt werden das die Meisten Pre Amps für eine Aussteuerung von 2,1Vpp (755 mV RMS) ausgelegt sind.
Am einfachsten ist es ein Poti für R13 Einzusetzen um den wert zu ermitteln. Sobald sie die Gewünschte GK eingestellt haben, messen sie diesen Wert und ersetzten die diesen durch einen Fest Widerstand entsprechend.
Wichtig zu wissen ist es das es Zwingend für die Atmega48 Steuerung erforderlich ist den LS Ausgang von den Übertragern mit der Leiterplatte zu verbinden! Damit der Atmeg48 auch den -Ug wert Einfrieren kann.
Je nach Erwarteter Ausgangsleistung können R46 und R47 die für das Einfrieren der -Ug verantwortlich sind angepasst werden. Berücksichtigen sie bitte auch das an dem Pin 27 die Spannung nicht mehr als 5V betragen Darf! Das Heißt bei Vollaussteuerung des Amps darf an Pin 27 nicht mehr als 5V Anliegen! ! !
Der Atmega48 ist auf einer Verzögerung von ca 45 Sec. eingestellt die auch nicht verändert werden kann. Allerdings Läuft der Atmega48 erst hoch, wenn die Anodenspannung Anliegt. Vorher tut sich dann Nicht´s! ! ! Röhren wie die 6C33 benötigen allerdings mehr als 45 Sec. zeit bevor der Regler Loslaufen darf ! ! ! Dieses Können sie gewährleisten in dem sie z.b. dafür Sorgen das die Anodenspannung erst 60 Sec. Später auf die Treiber Platine Geschaltet wird.
Somit würde es dann eine Gesamte Verzögerung von ca. . 105 Sec. ergeben.
Wenn sie dafür keine Schaltung Parat haben kann der Audio Timer dafür Modifiziert werden in dem die die Verzögerung Zeit Anpassen!
Damit keine Hohe Anodenspannung Auf das Kleine Relay anliegt würde ich mit der Schaltung An C21 Abgreifen und diesen Erst einmal mit dem Audio Timer Kurz schließen. Der Kurzschluss erfolgt dann nur wenn R4 auf dem Audio Tiemer durch eine Draht Brücke ersetzt wird!

-Ug die An X2 zur Verfügung gestellt werden kann habe ich hier für die 6C33 gewählt. Diese kann nach bedarf angepasst werden. Diese sollte jedoch nicht Über 250V Liegen.
Nachfolgendes Bild zeigt die Amplitude bei 318Vpp


Wenn das Netzteil für die Anodenspannung eine geringe Spannungsdifferenz hat, so wie es in der Regel auch Bestens ausreicht. So Reicht auch ein Kleiner Kühlkörper Vollkommen aus.

Für die Endstufe kann auch unser Anodenspannungsnetzteil eingesetzt werden! Wenn die Vorspannung nicht höher als 20V ist, Reicht ein Netzteil für Zwei 6C33 aus. Der Kühlkörper Bleibt dann auch hier ziemlich Kühl!
Bestücken können sie wie Folgt:
|
Menge |
Wert |
Device |
Bauteile |
|
2 |
2R2/2W |
R-EU_0414/15 |
R10, R22 |
|
1 |
47R/5W |
RKH208-8 |
R1 |
|
2 |
68R |
R-EU_0207/10 |
R9, R12 |
|
2 |
820R |
R-EU_0207/10 |
R7, R19 |
|
2 |
1k |
R-EU_0207/10 |
R53, R54 |
|
7 |
2k2 |
R-EU_0207/10 |
R3, R29, R39, R45, R48, R49, R50 |
|
4 |
5K6K/2W |
R-EU_0414/15 |
R8, R17, R20, R28 |
|
3 |
6K8/2W |
R-EU_0414/15 |
R6, R16, R18, R27 |
|
1 |
15K/2W |
R-EU_0411/15 |
R2 |
|
4 |
33k |
R-EU_0207/10 |
R41, R42, R43, R44 |
|
2 |
47k |
R-EU_0207/10 |
R57, R58 |
|
4 |
47k 1W |
R-EU_0207/10 |
R51, R52, R55, R56 |
|
2 |
100K |
R-EU_0207/10 |
R14, R23 |
|
4 |
100k |
R-EU_0204/2V |
R30, R33, R34, R35 |
|
3 |
100k |
R-EU_0207/10 |
R36, R37, R38 |
|
|
|
|
|
|
2 |
180K |
R-EU_0207/10 |
R59, R60 |
|
5 |
470K |
R-EU_0207/10 |
R11, R15, R21, R24, R25 |
|
3 |
470k |
R-EU_0204/2V |
R31, R32, R40 |
|
2 |
470k |
R-EU_0207/10 |
R46, R47 |
|
2 |
820k |
R-EU_0207/10 |
R4, R5, |
|
11 |
0µ1 |
C-EU050-025X075 |
C15, C16, C17, C18, C19, C20, C21, C22, C26, C30, C31 |
|
4 |
150n/630 |
C15/8 |
C4, C7, C10, C12 |
|
4 |
0µ47 160V |
CPOL-EUE2.5-6 |
C32, C33, C34, C35 |
|
2 |
1µF/400 |
C22/10 |
C5, C11 |
|
3 |
4µ7 |
CPOL-EUE2.5-6 |
C23, C27, C28 |
|
2 |
47/450 |
CPOL-EUE7.5-18 |
C2, C3 |
|
1 |
100/250 |
E7,5-18 |
C6 |
|
1 |
100/16 |
CPOL-EUE2.5-6 |
C29 |
|
4 |
100/63 |
E5,0-10 |
C8, C9, C13, C14 |
|
1 |
330/450V |
CPOL-EUE10-30 |
C1 |
|
2 |
2200µ |
CPOL-EUE5-13 |
C24, C25 |
|
1 |
7805TV |
7805TV |
IC1 |
|
1 |
B1000C6000 |
KBU |
B1 |
|
2 |
BF421 |
BF421 |
Q1, Q2 |
|
2 |
1N4004 |
1N4004 |
D9, D10 |
|
2 |
1N4148 |
1N4148DO35-7 |
D5, D6 |
|
1 |
13 |
ZPD |
D1 |
|
1 |
82 |
ZPD |
D4 |
|
1 |
100 |
ZPD |
D3 |
|
1 |
200 |
ZPD |
D2 |
|
1 |
IRF640 |
IRF740 |
T1 |
|
3 |
AK500/2 |
X2, X8, X9 |
|
|
6 |
AK500/3 |
X1, X3, X4, X5, X6, X7 |
|
|
2 |
BS11 |
L1, L2 |
|
|
1 |
P103 |
S1 |
|
|
2 |
RB1A |
B2, B3 |
|
|
1 |
SHK20L |
F1 |
|
|
4 |
6SN7 |
6AS7G-POKTAL1 |
V1, V2, V3, V4 |
|
1 |
IK OK |
grün |
D8 |
|
1 |
MEGA48/88/168-PU |
MEGA48/88/168-PU |
IC2 |
|
9 |
MOUNT-PAD-ROUND3.2 |
MOUNT-PAD-ROUND3.2 |
H1, H2, H3, H4, H5, H6, H7, H8, H9 |
|
1 |
Rö1Err |
rot |
D40A |
|
1 |
Rö2Err |
rot |
D40B |
|
1 |
Reg eingefroren |
gelb |
D7 |
|
1 |
Run |
blau |
D40A1 |
|
1 |
SK129 |
SK129 |
KK1 |
|
2 |
* |
R-EU_0207/10 |
R13, R26 |
Für das Konfigurieren der Katoden widerstände dienen Nachfolgende Tabellen:
Nachfolgende Tabellen Sind für die Ermittlung des Katoden Widerstand gedacht
|
S |
RK in Ohm |
IK= A |
RK in Ohm |
IK= A |
RK in Ohm |
IK= A |
RK in Ohm |
IK= A |
|
0 |
1 |
0,293 |
1,2 |
0,244 |
15 |
0,0196 |
1,8 |
0,163 |
|
1 |
1 |
0,328 |
1,2 |
0,273 |
15 |
0,0219 |
1,8 |
0,182 |
|
2 |
1 |
0,362 |
1,2 |
0,302 |
15 |
0,0242 |
1,8 |
0,201 |
|
3 |
1 |
0,397 |
1,2 |
0,331 |
15 |
0,0265 |
1,8 |
0,220 |
|
4 |
1 |
0,431 |
1,2 |
0,359 |
15 |
0,0288 |
1,8 |
0,240 |
|
5 |
1 |
0,466 |
1,2 |
0,388 |
15 |
0,0311 |
1,8 |
0,259 |
|
6 |
1 |
0,500 |
1,2 |
0,417 |
15 |
0,0334 |
1,8 |
0,278 |
|
7 |
1 |
0,535 |
1,2 |
0,446 |
15 |
0,0357 |
1,8 |
0,297 |
|
8 |
1 |
0,569 |
1,2 |
0,475 |
15 |
0,0380 |
1,8 |
0,316 |
|
9 |
1 |
0,604 |
1,2 |
0,503 |
15 |
0,0403 |
1,8 |
0,336 |
|
A |
1 |
0,638 |
1,2 |
0,532 |
15 |
0,0426 |
1,8 |
0,355 |
|
B |
1 |
0,673 |
1,2 |
0,561 |
15 |
0,0449 |
1,8 |
0,374 |
|
C |
1 |
0,707 |
1,2 |
0,590 |
15 |
0,0472 |
1,8 |
0,393 |
|
D |
1 |
0,742 |
1,2 |
0,618 |
15 |
0,0495 |
1,8 |
0,412 |
|
E |
1 |
0,776 |
1,2 |
0,647 |
15 |
0,0518 |
1,8 |
0,431 |
|
F |
1 |
0,811 |
1,2 |
0,676 |
15 |
0,0541 |
1,8 |
0,451 |
|
S |
RK in Ohm |
IK= A |
RK in Ohm |
IK= A |
RK in Ohm |
IK= A |
RK in Ohm |
IK= A |
|
0 |
2,2 |
0,133 |
2,7 |
0,109 |
3,3 |
0,089 |
4,7 |
0,062 |
|
1 |
2,2 |
0,149 |
2,7 |
0,121 |
3,3 |
0,099 |
4,7 |
0,070 |
|
2 |
2,2 |
0,165 |
2,7 |
0,134 |
3,3 |
0,110 |
4,7 |
0,077 |
|
3 |
2,2 |
0,180 |
2,7 |
0,147 |
3,3 |
0,120 |
4,7 |
0,084 |
|
4 |
2,2 |
0,196 |
2,7 |
0,160 |
3,3 |
0,131 |
4,7 |
0,092 |
|
5 |
2,2 |
0,212 |
2,7 |
0,173 |
3,3 |
0,141 |
4,7 |
0,099 |
|
6 |
2,2 |
0,227 |
2,7 |
0,185 |
3,3 |
0,152 |
4,7 |
0,106 |
|
7 |
2,2 |
0,243 |
2,7 |
0,198 |
3,3 |
0,162 |
4,7 |
0,114 |
|
8 |
2,2 |
0,259 |
2,7 |
0,211 |
3,3 |
0,173 |
4,7 |
0,121 |
|
9 |
2,2 |
0,275 |
2,7 |
0,224 |
3,3 |
0,183 |
4,7 |
0,128 |
|
A |
2,2 |
0,290 |
2,7 |
0,236 |
3,3 |
0,193 |
4,7 |
0,136 |
|
B |
2,2 |
0,306 |
2,7 |
0,249 |
3,3 |
0,204 |
4,7 |
0,143 |
|
C |
2,2 |
0,322 |
2,7 |
0,262 |
3,3 |
0,214 |
4,7 |
0,151 |
|
D |
2,2 |
0,337 |
2,7 |
0,275 |
3,3 |
0,225 |
4,7 |
0,158 |
|
E |
2,2 |
0,353 |
2,7 |
0,288 |
3,3 |
0,235 |
4,7 |
0,165 |
|
F |
2,2 |
0,369 |
2,7 |
0,300 |
3,3 |
0,246 |
4,7 |
0,173 |
|
|
|
|
|
|
|
|
|
|
|
S |
RK in Ohm |
IK= A |
RK in Ohm |
IK= A |
RK in Ohm |
IK= A |
RK in Ohm |
IK= A |
|
|
|
|
|
|
|
|
|
|
|
S |
RK in Ohm |
IK= A |
RK in Ohm |
IK= A |
RK in Ohm |
IK= A |
RK in Ohm |
IK= A |
|
0 |
5,6 |
0,052 |
6,8 |
0,043 |
10 |
0,029 |
12 |
0,024 |
|
1 |
5,6 |
0,059 |
6,8 |
0,048 |
10 |
0,033 |
12 |
0,027 |
|
2 |
5,6 |
0,065 |
6,8 |
0,053 |
10 |
0,036 |
12 |
0,030 |
|
3 |
5,6 |
0,071 |
6,8 |
0,058 |
10 |
0,040 |
12 |
0,033 |
|
4 |
5,6 |
0,077 |
6,8 |
0,063 |
10 |
0,043 |
12 |
0,036 |
|
5 |
5,6 |
0,083 |
6,8 |
0,069 |
10 |
0,047 |
12 |
0,039 |
|
6 |
5,6 |
0,089 |
6,8 |
0,074 |
10 |
0,050 |
12 |
0,042 |
|
7 |
5,6 |
0,096 |
6,8 |
0,079 |
10 |
0,053 |
12 |
0,045 |
|
8 |
5,6 |
0,102 |
6,8 |
0,084 |
10 |
0,057 |
12 |
0,047 |
|
9 |
5,6 |
0,108 |
6,8 |
0,089 |
10 |
0,060 |
12 |
0,050 |
|
A |
5,6 |
0,114 |
6,8 |
0,094 |
10 |
0,064 |
12 |
0,053 |
|
B |
5,6 |
0,120 |
6,8 |
0,099 |
10 |
0,067 |
12 |
0,056 |
|
C |
5,6 |
0,126 |
6,8 |
0,104 |
10 |
0,071 |
12 |
0,059 |
|
D |
5,6 |
0,132 |
6,8 |
0,109 |
10 |
0,074 |
12 |
0,062 |
|
E |
5,6 |
0,139 |
6,8 |
0,114 |
10 |
0,078 |
12 |
0,065 |
|
F |
5,6 |
0,145 |
6,8 |
0,119 |
10 |
0,081 |
12 |
0,068 |
In der Tabelle Habe ich die Werte für die EL 84 Markiert
Betribszustandanzeige der LED´s bzw. Regler Funktion
Die Led´s Zeigen den Betriebs Zustand wie folgt an.
LED15 Grün Zeigt nach ca. 45 Sec. an das der Regler anfängt zu Laufen. Davor beginnt die Aufheizfase der Endröhren. Sind die Röhren auf den Ruhestrom eingestellt dann Leuchtet Die LED D12 Grün auf und Signalisiert das die Röhren auf ein eingestellten Ruhestrom Laufen.
Sobald das Eingang Signal einen gewissen Pegel erreicht, wird der eingestellte Wert eingefroren. Dann Leuchtet die LED D11 Blau.
Für Fehler der Endröhren Leuchten dann LED D40A und/oder D40B Rot auf. Sollte das der Fall sein Stimmt etwas mit den Endstufen Röhren nicht und müssen ggf. getauscht werden. Das Passiert vor allem wenn der Ruhestrom außer den festgelegten Ruhestrom trotz allen abdriftet.
Port D7 Liegt nach ca. 30-40 Sec 5V An. Das Signalisiert, dass der Regler bereit ist zu Arbeiten.
Der Regler benötigt folgende Bedingungen um loszulaufen:
1) die Zeit (~30 - 45s) muss seit dem Einschalten abgelaufen sein - das kann überprüft werden, in dem an PortD.7 nachmisst, ob 1-5V anliegen. 2) die Spannung am Speaker-Eingang muss höher als 0,28V sein (wohlgemerkt. nach den Teiler Widerständen) Ansonsten wird –Ug nicht eingefroren und der Regler regelt unerwünscht den Arbeitspunk nach. Das soll nicht sein! 3) die Spannung am Betriebsspannungseingang muss mindestens 0,47V betragen (auch...nach dem Teiler widerstanden) ist dies nicht der Fall Bleiben alle LED´s dunkel und der Regler Hält die maximale –Ug Spannung! Je nach dem Wie hoch die Anodenspannung ist Müsste der Spannungsteiler Dementsprechend angepasst werden.
Ist alles erfüllt, so beginnt der Regler zu laufen. Wenn an den Messeingängen für die Kathodenströme nichts weiter angeschlossen ist, dann muss der Regler irgendwann in die Begrenzung laufen und die zugehörigen LEDs müssten angehen (PortB.4-PortB.7). Falls die Eingänge wirklich offen sind und nicht per Messwiderstand auf 0V gezogen werden, dann kann dies auch zu unterschiedlichen Zeitpunkten erfolgen.
PortB.0 geht nur dann auf "High" wenn am Speaker-Eingang mehr als 0,28V anliegen. Je nach Eingangsspannung Kann der Spannungsteiler Angepasst werden.
Die Kondensatoren können nach Wunsch (100nF) auch gegen Größere (1uF) getauscht werden. Ist aber Geschmacksache. PortB.3 geht auf High, falls alle (gemessenen) Kathodenströme in einem recht kleinen Bereich um den Sollstrom liegen.
Die Vorwiderstände müssen je nach LED-Typ angepasst werden Als Standard habe ich 2K2 Ohm Widerstände eingesetzt. Diese sind für LED´s Low Energie ca. 2 mA sollten die Widerstände um die 2K2 Ohm liegen. Datenblatt der eingesetzten LED beachten!
Im Allgemeinen darf an den Atmega xx an den Port Ausgängen eine Maximale last von 20 mA angeschlossen werden.
Ug Sollte etwas höher gewählt werden als benötigt!
Das Anschließen der Endstufen Trioden ist ganz einfach und unkompliziert:
Unter der Voraussetzung das sie auch den Atmega48 einsetzen, müssen sie das G1 und die Katode der endröhre mit dem Bord Verbinden!
Die Anodenspannung für die Endröhren wird direkt an die Übertrager angeschlossen Die Anode Wird an den Übertrager Angeschlossen. GND von den Endröhren Netzteil wird mit X3 Bzw. X7 Verbunden. Die Anodenspannung wird damit der Regler los läuft an X8 Angeschlossen.
Ggf. Kommt wie beschrieben noch eine Zeitverzögerung dazu die durch den Kurzschluss an C21 realisiert werden kann. An X6 wird die GK Angeschlossen LS GND Nicht Vergessen! Auch wenn keine GK gewünscht wird! ( R26,R13 Weg lassen!)
Eine DC Heizung für die Vorstufe ist bei den Testaufbau mit der 6C33 nicht nötig gewesen.
