DIY- Power Class A OP / OP Ersatz +/- 5V – 24V 2021

- 10 – 48V (+/-5 – 24V) 1,5 mA – 31 mA (+/-15V)
- Ruhestrom Variabel durch Anpassung
- Bandbreite 1 Hz – 331 kHz – 3db möglich
- Universal Nutzbar
- Leiterplatte 32 x 21 mm
Nachfolgender Bauvorschlag kann einen OP ersetzen.
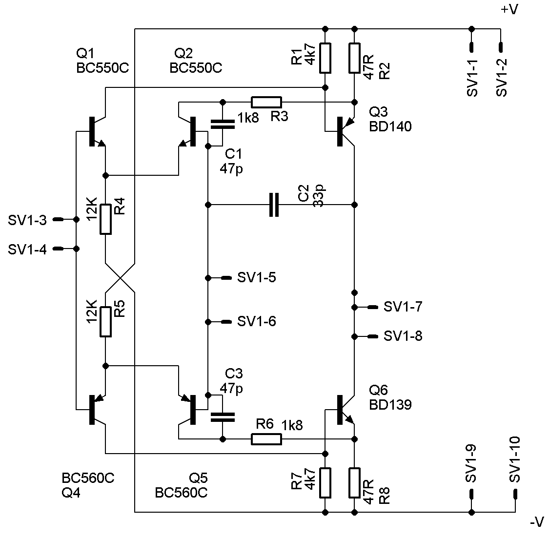
Wie schon in einigen meiner Projekte schon Angewendet, gibt es Alternativ zum Operationsverstärker eine Ersatzschaltung. Aufgebaut wird diese mit Handelsüblichen Diskreten Bauteile.
Überall Dort wo die OP´s an ihre Grenzen stoßen, ist eine Alternative Nachfolgender Bauweise Denkbar.
Die meisten OP´s sind für Anwendungen bis zu 36V (+/- 18V) ausgelegt.
Wenn dann der OP noch etwas Niederohmiger Ausfallen soll, spätestens dann wird die Sache etwas komplizierter! Vor Allem wenn der Rauschabstand noch Hoch sein soll. Natürlich Können Typen wie z.b. TDA 2030 etc. auch genutzt werden. Allerdings sind auch hier interne Parameter nicht veränderbar.
Für Manche Anwendungen wäre eine Höhere Betrieb Spannung bestimmt zum Vorteil. In der Bord cast Technik Sowieso. Je nach Anwendung muss der Ausgang dann auch einmal etwas niederohmiger sein. Um dies zu erreichen habe ich für Dieses Projekt die Typen BD 139 und BD 140 ausgesucht.
Sie liefern weitaus mehr Strom als die BC 550/560 Typen.
Der Ruhestrom kann nach Bedürfnis angepasst werden. Weniger ist oftmals Mehr so das Prinzip der Schaltung. Ein OP ist weitaus Komplizierter Aufgebaut.
Es ist eine Leichtigkeit den DIY-OP nach den Realen Bedürfnisse anzupassen. Sie können also selbst bestimmen ob die Schaltung Viel oder Wenig Strom umsetzen soll. Die Strom Stärke ist von R4 und R5 sowie von R2 und R8 abhängig.
Für Anwendungen die nicht so einen Hohen Verstärkungsfaktor Benötigen und eher eine Last von 300 Ohm oder 60 Ohm Antreiben soll, werden R1 und R2 dann z.b. 12K gewählt
Grundsätzlich Können auch andere Transistoren mit Andere Daten Genutzt werden!
Für 15V R4 und R5 legen wir auf 12k genug für Q3 und Q6 das ein Ruhestrom von ca. 31 mA erreicht wird. Die Schaltung ist jetzt viel Niederohmiger und nun auch in der Lage niederohmige Lasten anzutreiben wie z.b. einen Kopfhörer. Verbraucht aber auch nun etwas mehr Strom, da die Schaltung in Class A Läuft!
Um das Eigen Schwingen zu vermeiden, wurden C1 und C3 mit auf der Leiterplatte Integriert. C2 Korrigiert den F gang
Bei einigen wenigen Anwendungen können diese auch entfallen, wenn eine entsprechende Größere Kapazität Zwischen IN- und OUT Liegt! wie Z.B. bei einem Filter o.ä. Anwendung. Nachteilig ist das die Kondensatoren den Oberen F gang Beschneiden. Somit wird die Bandbreite dann erweitert. Derzeit Habe ich Versuchs aufbauten Zwischen +/- 5 – 24V realisiert und getestet. Höhere Betriebsspannungen sind auch noch möglich, wenn R4 und R5 bzw. R2 und R8 angepasst werden! Ohne Kühlkörper können 30 mA problemlos Fließen über 40 mA sollte ein Kühlkörper verwendet werden!

Die Schaltung selbst ist nichts anderes als ein Differenzverstärker der in diesen Fall sogar Symmetrisch aufgebaut wurde. Der Größte Vorteil ist das durch diese Symmetrische Aufbauweise Viele Netzstörgeräusche von Natur aus sich selbst Auslöschen gegenüber Unsymmetrische Bauweise wird dadurch der Störabstand um schätzungsweise 45 db zusätzlich erhöht ohne dass dafür ein zusätzlicher Aufwand nötig ist. Eine weitere Gewinnung kann durch das 2 Fach Netzteil erreicht werden!

Die Grund Schaltung sollte so klein wie möglich sein. Und Alle Weiter möglichen Bauteile die Zwar Typische Aufbauweise sind wie das RC Komponente zum Netzteil oft zu sehen ist. Je nach dem Wie viel Strom zur Verfügung stehen muss, werden die 47 Ohm Widerstände ggf. gegen kleinere Werte ersetzt!
Dieser Korrigiert die Frequenz Von C1 und C2.
Auch Kann durch die Kapazität des Koppelkondensator die Charakteristik Beeinflusst werden. Wählt man den Wert etwas höher, so bekommt man zusätzlich noch etwas Präsenz im Spiel.
+V und -V ist für die Versorgungsspannung
+ ist der Nicht Inventierender Eingang
- Ist der Inventierender Eingang
O steht für Ausgang
Bestückt kann wie Folgt:
|
Menge |
Wert |
Device |
Bauteile |
|
2 |
47R |
1/4W Metall |
R2, R8 |
|
2 |
1k8 |
1/4W Metall |
R3, R6 |
|
2 |
4k7 |
1/4W Metall |
R1, R7 |
|
2 |
12K |
1/4W Metall |
R4, R5 |
|
1 |
33p |
C-EU025-024X044 |
C2 |
|
2 |
47p |
C-EU025-024X044 |
C1, C3 |
|
2 |
BC550C |
BC547 |
Q1, Q2 |
|
2 |
BC560C |
BC557 |
Q4, Q5 |
|
1 |
BD139 |
BD139 |
Q6 |
|
1 |
BD140 |
BD140 |
Q3 |
|
1 |
Leiterplatte |
32 x 21 mm |
|
Standard wird der Bausatz mit 12K (R4, R5) Widerstände ausgeliefert ggf. je nach Anwendung Anpassen ! ! !

Wird eine noch niedrigere Impedanz benötigt Können Q3 und Q6 auch gegen etwas Leistungsstärkere Typen ersetzt werden ggf. auf pin Belegung achten!
Zwei Reihen an Löt Pads für die Stehende Montage für Lochraster oder Leiterplatten sind vorhanden.
Die erste Reihe kann auch genutzt werden um noch ein Parr Bauteile unter zu bringen. Die Zweite Reihe ist für die Lochraster Montage gedacht oder um diese dann gegen einen OP-Tauschen zu können.
Im Netz gibt es zum Operationsverstärker genügend Literatur und Formeln für die Berechnung die als Grundlage dienen. Da ein OP wie die DIY-Version einen Diffrenzverstärker aufweist, sind beide Variante mit einander Vergleichbar. Die Bestehenden Formeln die es dazu gibt sind genauso Anwendbar.
Ein Beispiel dazu wäre der Nichtinventierender Verstärker der wie Folgt Berechnet werden kann:
Verstärkung 4488 = (1+R1/R2)
Verstärkung 4488 = (1+150/43)
Damit der DIY-OP eine Verstärkung von 4488 erzielen kann könnte R1 = 150K sein und R2 = 43k

Letztendlich kann vieles mit der Schaltung Realisiert werden, so wie es mit ein OP auch möglich ist. Vorteil ist das in der Schaltung selbst eingegriffen werden kann. Unter dem Strich kann die Ersatzschaltung in der Audio Signal Verarbeitung bessere Ergebnisse als die Fertig Bauteile Liefern. Theoretisch kann die Spannung auch Höher als +/-24V sein.

Sie können die Leiterplatte mit einer Gewinkelten Stiftleiste Versehen. So ist es einfach diese Schaltung auf einer Lochraster oder Steck Platte zu setzen.
Gerne können sie auch ihre Anwendung dazu bei uns Veröffentlichen
