Masterfaser 2022
Effektgerät für Gitarre oder Keyboard

- Gitarren und Keyboard Effektgerät
- 12V / 20 mA
- Bypass Funktion
- 0 db Verstärkung
Ein Musiker ist immer auf der Suche nach neuen Sounds. Sounds gibt es mehr als genug allerdings ist es so das Viele Musiker eine Art Widererkennung Suchen und oft ist es so dass der Musiker seinen Sound Selber zusammen Schraubt und diesen selber erstellt. Möglichst so dass es für den Hörer einfach ist alleine Vom Sound her dann den Musiker Identifizieren kann. In der Regel machen das die meisten Musiker die Erfolg ernten wollen So. Es gehört also zum Pflicht Programm Vom Hörer Wiedererkannt zu werden. Und das nach Möglichkeit innerhalb weniger Sekunden!
Für etwas mehr Flexibilität, wenn es um eigene Sounds geht eignet sich dieses FX gerät bestens. Es ist einfach und unkompliziert aufgebaut und kann natürlich mit Anderen Gerätschaften Kombiniert werden. Nach und nach werde ich noch weitere FX Projekte Vorstellen die dann alle mit einander auch Kombiniert werden können.
Auch für den Keyboarder ist das FX gerät sehr interessant.
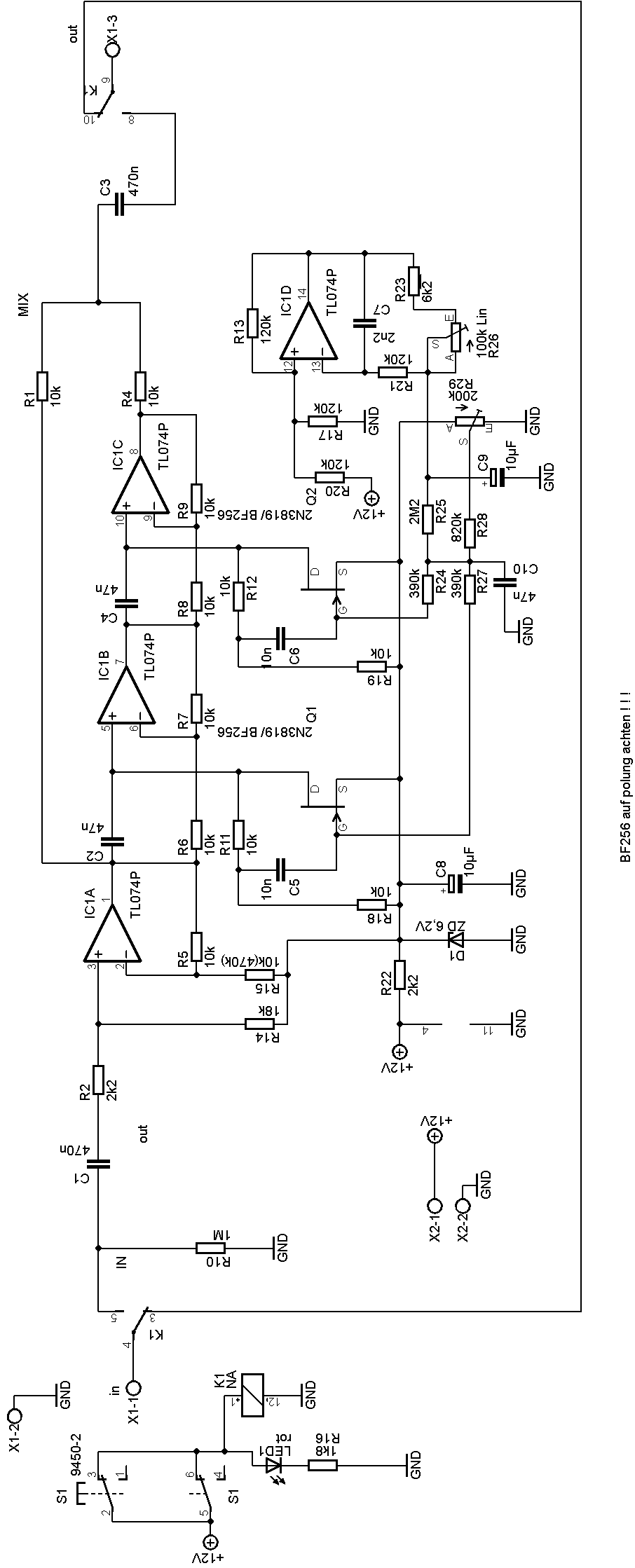
Die Schaltung ist An den Notch Filter Angelehnt C2 und C4 bestimmen hier also die Frequenz die hier mit Hilfe von IC1D moduliert wird Somit entsteht so eine Art Leslie Effekt manch einer Würde auch auf Tremolo tippen. Über R26 wird die Geschwindigkeit eingestellt die dann den Filter beeinflusst.
R29 Dient zum Abgleich. Hier wird solange gedreht bis der Effekt am Stärksten Ausgeprägt ist. R29 wird also nach gehör eingestellt. Das ist auch schon Alles.
Wenn die Schaltung das Signal nicht gerade verstärken soll wird R15 mit 10K Bestückt! Sollte die Schaltung direkt an einer Gitarre betrieben werden, so kann R15 mit 470K bestückt werden. Je nachdem wieviel Pegel gewünscht wird.
Zum Zeitpunkt als ich die Schaltung realisiert habe sollten fet´s wie 2N3819 bzw. 2n7000 zum Einsatz kommen. Da es bekantlicherweise wegen der Covid19 Pandemie zu Engpässen in der Halbleiter Industrie kommt und ich diese Typen leider nicht bekommen konnte, so bin ich dann auf den BF256 ausgewichen. Dieser funktioniert genau so gut wie die Anderen FET´s auch. Es gibt weder vor noch Nachteile dadurch.
Das Einzige was anders ist. Das ist die Pinn Belegung! Hier muss unbedingt darauf geachtet werden das der BF256 entsprechend auch richtig eingelötet wird. So wie es auf dem Bild zu sehen ist! Auf der Leiterplatte seht die Belegung (G S D) Sie Können auch Andere FET´s einsetzen, sofern sie diese richtig einlöten und auf die Pinbelegung achten. Die Information zu den FET´s stehen in den Öffentlichen Datenblätter der Bauteil Hersteller.



|
Stk |
Wert |
Device |
Bauteile |
|
1 |
1k8 |
R-EU_0207/10 |
R16 |
|
2 |
2k2 |
R-EU_0207/10 |
R2, R22 |
|
1 |
6k2 |
R-EU_0207/10 |
R23 |
|
11 |
10k |
R-EU_0207/10 |
R1, R4, R5, R6, R7, R8, R9, R11, R12, R18, R19 |
|
1 |
18k |
R-EU_0207/10 |
R14 |
|
4 |
120k |
R-EU_0207/10 |
R13, R17, R20, R21 |
|
1 |
200k |
TRIM_EU- |
R29 |
|
2 |
390k |
R-EU_0207/10 |
R24, R27 |
|
1 |
820k |
R-EU_0207/10 |
R28 |
|
1 |
1M |
R-EU_0207/10 |
R10 |
|
1 |
2M2 |
R-EU_0207/10 |
R25 |
|
1 |
2n2 |
C-EU050-035X075 |
C7 |
|
2 |
10n |
C-EU050-035X075 |
C5, C6 |
|
3 |
47n |
C-EU050-035X075 |
C2, C4, C10 |
|
2 |
470n |
C-EU050-035X075 |
C1, C3 |
|
2 |
10µF |
CPOL-EUE2.5-7 |
C8, C9 |
|
1 |
TL074P |
TL074P |
IC1 |
|
1 |
ZD 6,2V |
ZPD |
D1 |
|
1 |
rot |
LED3MM |
LED1 |
|
2 |
2N3819/BF256 |
2N3819 |
Q1, Q2 |
|
1 |
10k(470k) |
R-EU_0207/10 |
R15 |
|
1 |
100K Lin |
TRIM_EU-CIP20C-6MM |
R26 |
|
1 |
AKL102 |
W237-102 |
X2 |
|
1 |
AKL103 |
W237-103 |
X1 |
|
1 |
Knopf/Kappe |
||
|
1 |
PS909L-22 |
Schalter |
S1 |
|
1 |
AP22909-BR |
Kappe |
|
|
1 |
NA-12W-K |
NA |
K1 |
|
1 |
DIP14 |
Fassunng |
|
|
1 |
Leiterplatte Y59 |
66*66mm |
