OTL für Elektrostaten 805 500W

Vorteilhaft ist auch das ich aus der Anodenspannung Nahezu den kompletten Spannungshub heraus Holen kann, was bei SRPP nicht so Möglich it. Allerdings Kommt man Um eisen bei den Endstufen Röhren nicht drum herum.
Die Endröhren arbeiten dafür im OTL.
Zu Überlegen war zuerst einmal welche Ausgangs Spannung wir benötigen.
Auch Musste Überlegt werden Wie viel Leistung so ein ESL im Fo Verbraucht.
Zwar gibt es Aufbauten mit Angefangen bei der EL 84 (Shackmann)
Und Zuletzt mit P Röhren.
Nur sind diese nicht für solche Aufgaben ideal Ausgelegt Geschweige ist auch die Ausgangsleistung eher Miktig für das Vorhaben. So Bleibt der Obere F gang bei Größere Kapazitäten auf der Strecke.
Zwar kann man mit Segmentierten Panäle dagegenwirken und Brauchbare Ergebnisse erzielen. Nur das Gelbe Vom ei ist es nicht.
Die Nässte Röhre die Für das Vorhaben Bestens Geeignet ist. Um ehrlich zu sein sogar etwas Über dimensioniert ist die 805 mit 125 W Anodenverlustleistung
70 Watt Hätten auch gereicht. Nur habe ich keine Röhre gefunden die auch noch hergestellt wird.
Die 805 ist eine Direktgeheizte Triode. Und besitzt sogar noch obendrauf einen Annehmbaren Verstäkungsfaktor von 50 Die Röhre gibt es in Zwei Versionen mit und ohne Anodenkappe. Vor allen ist sie auch robust durch der großzügigen Graphit Anode.
Bei 1250V Ng1 = 0V
Oder 1500V Ng1 = -16 V wird sie betrieben
Sicher sind auch Höhere Anodenspannungen auch denkbar. Habe ich aber noch nicht Ausprobiert.
Symmetrisch gesehen Währen dann 2500 bzw. 3000 Volt Amplitude Möglich und das auch bei Hohen Frequenzen wo da schon OTL´s mit Kleineren röhren da nicht mehr bei 20 kHz mithalten können. Vor allen wenn dann die ESL Kapazität bei ca. 1nF liegt. Bei 1 nF wird dieser Amp noch weit Über 20 kHz hinaus Wandern.
Zudem ist er auch noch Über Alles gegengekoppelt.
Schaut man sich das Foto mit den Netztrafos und AÜ´s an
So Sieht man schnell das es sich hier um Leistung handelt die auch irgendwo herkommen Muss
Nachteil Am Projekt ist der Aufwand und das Gesamtgewicht.
So kommen bei der Fertigstellung schnell 100 kg zusammen
Ich Möchte jedoch das Projekt Trotz allen nicht Vorenthalten.
Natürlich kann man das Prinzip auch auf Kleineren Röhren bei Geringere Amplitude Übertragen.
Nun einmal im Einzeln was zu den benötigten Trafos:
2 Stück UI 60 für die Heitz Spannung
2 Stück M74 Zwischen Übertrager zum Treiben der 805
1 Drossel M65 für die Vorstufe
1 Netztrafo EI150N c für die Anodenspannung der 805
1 Netztrafo M102b für die Vorstufe, KT88 und der Kaskade.
Eventuell noch ein Übertrager EI 150N b Um an den HV Amp auch Dynamische Lautsprecher Betreiben zu Können.
Im Gegensatz zu den Gewöhnlichen PP Schaltungen fliest kein Ruhestrom Über den Übertrager. Das heißt ist der Verstärker gemutet sollte kein Strom Über den Übertrager fließen.
Die 805A die ich gekauft habe sind Von den Daten Glücklicherweise identisch, so dass ich sie wie Gematschte Röhren einsetzen kann. Mag sein das es Zufall war oder der Hersteller es wirklich geschafft hat Die 805 so zu Bauen das sie Kaum Toleranzen innerhalb einer Charge aufweisen.
Ich Empfehle aber vor dem Erwerb der 805 nach zufragen und ggf. direkt ein Quartett zu Bestellen.
Im Übrigen sind die Trafos auf dem Foto nur Für einen Mono Block

Da es sich hier um einen Testversuch handelt habe ich mich dazu entschlossen alles in Baugruppen aufzubauen.
Vorteilhaft ist das ich dann die Einzel Komponenten Tauschen kann, ohne Alles neu machen zu Müssen
Immerhin nimmt das Gehäuse viel Zeit im beim Bauen in Anspruch.
Ich Fange mal mit der Vorstufe an Diese besteht aus 2 Röhren Also Vorstufe und Pfasensplitter.
Die Anodenspannung wird Über eine Drossel Gesiebt

Die Komponenten sind Vorverdrahtet. Fehlen nur noch die lade Kondensatoren. Soweit ist die Drossel auch schon mit
Auf dem Chassis montiert. Das Poti Dient Zum Abgleich der Symmetrie.

Als Treiber Kommen 4* KT 88 Mit denen man sicher auch eine Endstufe bauen kann zum Einsatz.
Allerdings sind die KT 88 Als Triode geschaltet.
Versuche mit der EL 34 erwiesen sich als nachteilig, da die Leistung zum Treiben der 805 nicht Ausreicht! Auch sollten die KT88 als Quatet eingesetzt werden.
Von der Überlegung eine Pentoden Schaltung zu einzusetzen Rate ich hier dringend ab. Die Endstufe würde dann nicht wie erwatet Last Stabil einen ESL laufen können wie ich es aus meinen test aufbauten auch erfahren musste.

Als Treiber Kommen 4* KT 88 Mit denen man sicher auch eine Endstufe bauen kann zum Einsatz.
Allerdings sind die KT 88 Als Triode geschaltet.
-------
------
Versuche mit der EL 34 erwiesen sich als nachteilig, da die Leistung zum Treiben der 805 nicht Ausreicht! Auch sollten die KT88 als Quatet eingesetzt werden.
Von der Überlegung eine Pentoden Schaltung zu einzusetzen Rate ich hier dringend ab. Die Endstufe würde dann nicht wie erwatet Last Stabil einen ESL laufen können wie ich es aus meinen test aufbauten auch erfahren musste.
Vergleichen wir diese Schaltung mit den Üblichen SRPP Aufbauten so sieht man Deutlich dass Diese Schaltung nicht so Hohe Spannungen benötigt. Eine SRPP Endstufe benötigt oftmals 5KV oder auch etwas mehr. Hier sehe ich noch Größere Probleme bei der Ordnungsgemäsige Isolation. Geschweige denn bei der Beschaffung der Schaltlitze. Die dann auch Schwieriger zu beschaffen ist und auch mit zuwachsender Spannungsfestigkeit auch immer teurer wird. Die Gefahr der Selbstentladung durch der Luft sowie Spannungsüberschläge nimmt auch bei Höheren Spannungen zu.
Im Algemeinen ist es Beim Aufbau Äußerst Sorgfältig zu Arbeiten. Nehmen sie sich Viel Zeit dazu. Lasen sie sich nicht durch Personen bei der Arbeit Ablenken.
Und bevor sie den Netzstecker in der Steckdose Stecken. Kontrollieren sie Stets ob sie Alles richtig gemacht haben.
Ein kleiner Fehler oder eine Unachtsamkeit kann bei den Hohen Spannungen Tödlich Ändern.
Wenn sie der Meinung sind das ihre Erfahrungen mit Hohen Spannungen ÜBER 1KV nicht ausreichen, dann belassen sie es beim lesen und versuchen sie es erst gar nicht nachzubauen.
Sie Müssen sich im Klaren sein womit sie hier zu tun haben, denn die haften für ihr eigenes Ungeschick.

Auf dem Bild zu sehen die Endstufe 805A Ohne Anodenkappe für einen Mono Block.
Die Trioden Habe ich Groszügig auf dem Blech verteilt, damit an den Röhren genug Luft heran kommt.

Die Rückseite ist Vorverdrahtet und auch Ohne Großen Aufwand zu Betreiben finden sich hier ein Par Wiederstände und HV Litze, die ich selber hergestellt habe. Über der Normalen Isolierung der Schaltlitze habe ich einen Siliconschlauch gezogen. Darüber noch einmal einen Getränkten Gewebe Schlauch. Fertig ist meine HV Litze.

Nun Alle Komponenten zusammen Verdrahtet. Die UI´s dienen zur Versorgung der Heizung der 805
Es ist generell zu empfehlen hier auch 2 Trafos einzusetzen wegen den Hohen Spannung Differenz der Heizung.
Das ist wichtig!! ! Die UI´s befinden sich Unter den 805, Um die Leitungen Möglich kurz zu halten. Das Gleich gilt auch für die HV. Halten sie Stets die Litzen Möglist kurz. Achten sie darauf das ihre Litze auch Röhrenverstärker üblichen Temperaturen
Aushalten ohne zu Schmilzen.

So langsam nimmt der Amp an gestalt an. Das Netzteil ist nicht im Amp Untergebracht. Das Ganze Sollte auch noch tragbar sein. Alleine der Mono Block Wiegt so an die 25 Kg Ohne Netzteil. Zu Sehen ist auch Das die Drossel, Sowie auch die Zwischen Übertrager Auch Verdrahtet sind. Alle Litzen wurden wie Erwähnt endsprechend Bearbeitet, so dass sie HV gerecht sind.
Die Buchsen auf der Rückseite dienen der Zuführung der HV Stromversorgung und auch der Heizung, sowie den Ausgängen für die Elektrostaten. Hier habe ich aus Kostengründen Speacon Stecker Verwendet die aber Jeweils nur für eine Spannung Ausgelegt. Das ist Zwar bestimmt nicht VDE Gerecht Funktioniert aber. Immerhin sind diese gegen heraus ziehen gesichert. Im Handel gibt es Auch Steckverbindung die für 25kV zugelassen sind. Kosten aber auch um einiges mehr. Da ich den Amp aber nur Für Testzwecke aufgebaut habe und nicht für den Alltäglichen gebrauch bestimmt ist Sollte es für Laborzwecke so erst einmal ausreichen um ihn Vorführen zu können. Und darum geht es mir erst einmal. Die Schaltung an sich zu Präsentieren zu können das sie auch Funktioniert.
Sie ist in der Art auch nicht Verbreitet und auch nur Selten bis Gar nicht zu finden.
Aber Vom großen wert.

Um an dem Amp auch Modifikation und Messungen vor nehmen zu können habe ich mir aus Alu Winkel ein Simples Gestell gebaut. Der Amp Steht auf dem Kopf und ist im Betrieb. So Steht er Sicher und kann nicht umfallen. Auch die 805 und Andere Direkt Geheizten Röhren Sollten nur Stehend betrieben werden. Liegend ist dür die Empfindlichen Heizfäden nicht so gut. Auch Sollte die 805 Stets vor Erschütterung geschützt sein. Er kann schnell brechen. Das Passiert auch Schnell beim Versand dieser Röhren so das sie mit Gebrechenden Heizfaden Ankommen und dann Wertlos sind.
Die Strom Leitungen die in den Speacon Stecker hineinführen habe ich noch mit einen Dicken Schlauch Überzogen Um vor den Hohen Spannungen zu Schützen.
Das War teilweise gar nicht so leicht gewesen. Hat aber dann doch Funktioniert.
Auf keinen Fall Darf Während dem betrieb des Netzteils weder ein Stecker gesteckt noch entfernt Werden. Das Hätte zur Folge das sich dann ein Lichtbogen Zündet und den Stecker sowie die Buchse Zerstört.
Außerdem ist es auch Lebensgefährlich!!
Also Unter lassen die Stets solche Experimente. Sie gehen garantiert Schief.

Das Obere Bild Zeigt noch einmal eine Andere Ansicht des Inneren Aufbau von dem Verstärker. Viel Platz für die Wenigen Bauteile Sowie Übersichtlichkeit, macht es dann leichter mit den Hohen Spannungen um zugehen.
Unten das 25 Kg Schwere Netzteil. Lade Elkos und Transformatoren sowie die Benötigte Kaskade für die Folienspannung befinden sich im Netzteil. Ich habe 2 Schalter an der Frontplatte befestigt. Zu erst Schalte ich Die Vorstufe ein incl. Wird die KT 88 Beheizt und mit der Anodenspannung versorgt.
Wichtig ist es solange zu warten die die röhren richtig Aufgeheizt sind. Erst dann wird die 805 mit der Anodenspannung versorgt.
Grund: Die Schaltung wird sonst Schwingen, wenn die KT 88 Noch nicht ihre Arbeit aufnimmt. Und genau das Soll vermieden werden.

Anbei noch einmal eine Zusammenfassung der Hauptplatte sowie deren Verdrahtung.


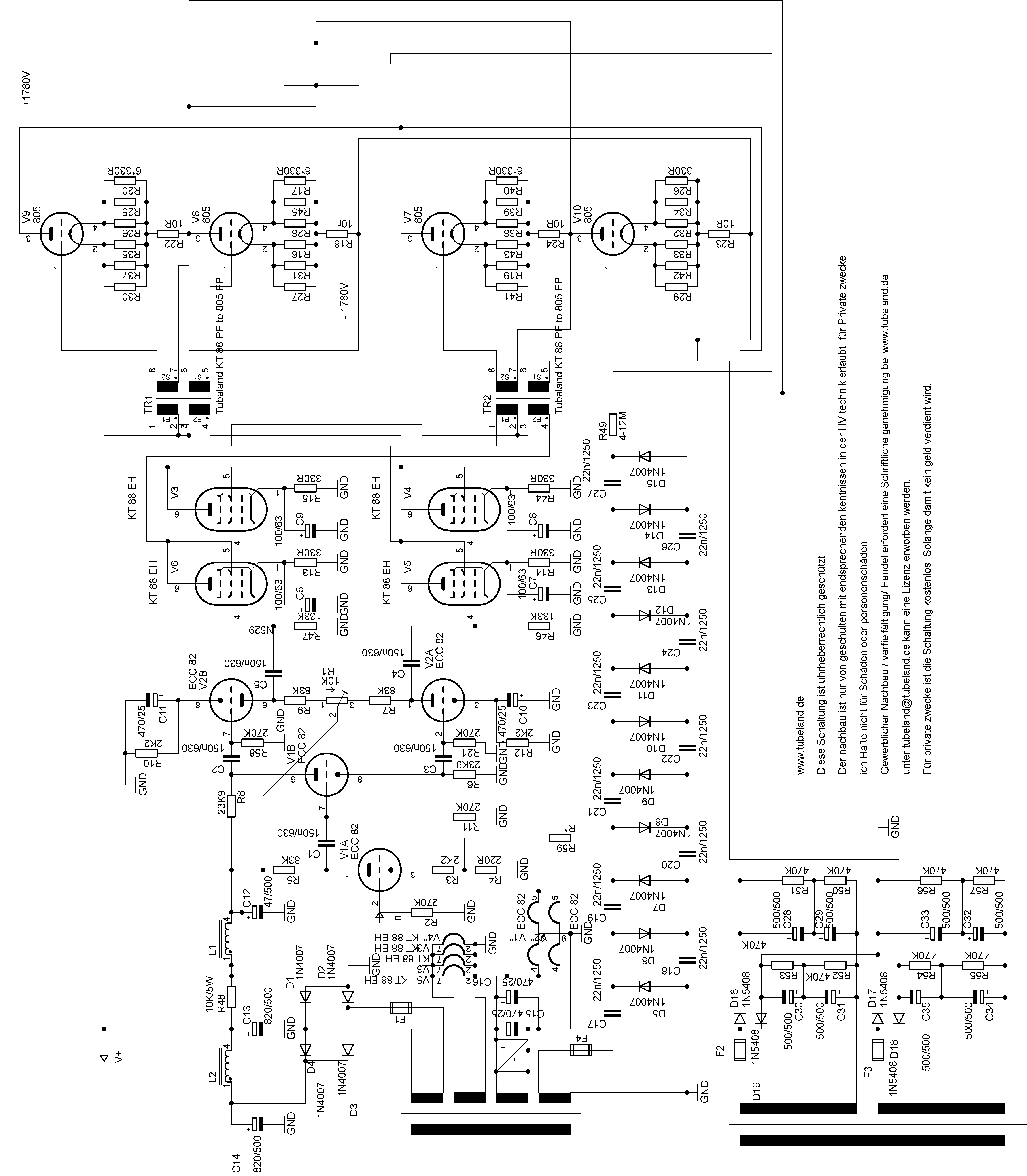
Zum Schaltplan
Auf dem Ersten blick Sieht es am Anfang ziemlich viel aus. Betrachten wir den Plan etwas Genauer, erkennt man schnell dass die Hälfte das Netzteil einnimmt.
An V1a der ECC 82 Pin2 Wird das NF Signal eingeführt. Wegen der Sicherheit Könnte an Pin 2 noch einen Einkoppel Kondensator davor geschaltet werden.
Nachfolgend dann die ECC 82 V1B Diese Dient als Pfasensplitter. Das Signal wird Jeweils Über einen Kondensator Ausgekoppelt und an der V2A bzw. B weitergeleitet, Verstärkt und zu der KT 88 Weiter geleitet. An Jeden Treiber Hängen gleich 2 KT 88 an Pin 4 kann noch ein Widerstand von jeweils 2k2 eingelötet werden, sollten Schwingungen Auftauchen können sie so beseitigt werden.
Schauen wir ganz genau hin so werden wir erkennen das V6 An Tr.2 (Pin 4) V6 Tr2. ( Pin 1 ) V3 Tr1 an Pin 1 und V4 an Tr1 an Pin 4 Liegt. Hört sich vielleicht verwirrt an. Muss aber so sein. V5 und V6 Bilden eine PP Endstufe für Trafo 2. Und für Trafo 1 sind V3 und V4 Zuständig.
Trick der Schaltung ist das beide Trafos Gegenpfasig Arbeiten.
Nur so ist es Möglich eine Hohe Amplitude am Ausgang der Endstufe zu erreichen. Andere versuche Ohne den Zwischenübertrager sind leider Fehl geschlagen. Einbußen gab es dann bei der Amplitude die nicht seine Maximale Spannung auf gebaut hatte aus welchen Grund auch immer. Habe ich dann
hinterher nicht weiter untersucht. Denn Zuvor hatte ich versuche einen OTL Kopfhörer Amp zu entwerfen, der genau Hier Scheiterte er Sollte mit Geringer Spannung einen ESL Headfone Ansteuern.
Nun Zurück:
Bei der Herstellung der Zwischenübertrager Muss unbedingt peinlichst darauf geachtet werden, das dieser mit einen Spannungs- Unterschied von 1780V aus kommt. Groß Artig Verschachteln brauchen wir ihn zum Glück nicht 2 Pri und 2 Sec Wicklungen Reichen aus. Die Fo liegt über 50 kHz das ist mehr als Ausreichend.
Die Fu geht Trotz Kleinen Kern Nämlich einen M74 aus M111-35 geglühten blechen
Weit genug runter. Warum das so ist mir noch unklar und werde ich auch nicht weiter Untersuchen. Fakt ist auch das ein ESL Wohl Schwer 20 Hz wiedergeben kann.
R18, 22,23,24 Sollten Der Anodenspannung Angepasst werden Der Eingetragene Wert Entspricht nicht der Realität und ist der Anodenspannung Anzupassen.
Wie zu erkennen ist Arbeitet die Endstufe mit einer Symmetrischen Arbeitsspannung.
+ 1780V– 1780V = 3560V Diese Spannung steht uns dann Nahezu Als Amplitude zur Verfügung.
Durch die Symmetrische Spannung Sollte dann Zwischen Anode und Katode Beider Systeme nahe zu 0V Am Abgriff zum Elektrostaten gegen GND Liegen.
Swischen den Beiden Ausgängen der Systemen also auch Annähernd 0V und die Ströme die dort Fließen sind auch als gering zu Betrachtern.
Damit die Amplitude ihren maximalen Wert erreicht, Steuert Tr1 Positiv und Tr2 im Gleichen Augenblick negativ Aus, So das Positiv bis zu 1780V und negativ auch bei Vollast 1780V Ausgegeben werden Addiert man Die Spannung Kommen wir auf 3560V Maximal. Mit So einer Hohen Ausgangsspannung Läst sich schon so mancher ESL im Vollbereich beglücken. Auf Koppelkondensatoren Können wir hier Verzichten.
Das Netzteil Treibt so wie es geschaltet ist Die Anodenspannung hoch. Um nicht unbedingt Netztrafos mit hohen Spannungen einsetzen zu müssen.
Für die KT 88 Tut es eine 4 Brücken Gleichrichter mit Drossel. Für die Vorstufe ( ECC 82 ) wird noch einmal eine Drossel Geschaltet.
Die ECC 82 Beheizen wir mit Gleichstrom.
Für die Folienspannung Steht die Kaskade Bereit.
Im Schaltbild Sieht man Das Zwischen den Beiden Platten die Folie mit der HV eingezeichnet ist.

Vereinfacht dargestellt Trafo und Endstufe Dazwischen kann sich ein Elektrostat oder / und ein AÜ befinden an denen ein Dynamischer Lautsprecher angeschlossen werden kann. Mit Dementsprechenden Ü Verhältnis ist eine Ausgangsleistung von gute 500Watt zu erreichen Vielleicht auch mehr. Das ist aber auch schon einiges.
Also ein Richtiger Hochleistungs- Amp.

