KT 88 PP Projekt

Zum Bausatz:
Die Schaltung wurde so Konzipiert das sie auch mit Elektrostaten der Fa. Silberstatic Funktioniert. Natürlich Können auch herkömmliche Lautsprecher genauso gut betrieben werden. Ohne Jeglichen Einbußen hin nehmen zu müssen.
Die Leiterplatte ist So Konzipiert das Verschiedene Röhren benutzt werden Können. Es muss nicht unbedingt die KT 88 Sein. Es ist aber darauf zu Achten das die Pinbelegung die gleiche ist wie bei der KT 88.
Besondere Merkmale:
-
Regelbare Gegenkopplung
-
EL ,34 6L6, 6550, KT 66, KT 88, KT 99, KT 100, EL 509, 5881 Können hier eingesetzt werden!
-
Anodenspannung bis Max. 800V möglich! Bei 495 uF
-
Anodenspannung bis Max. 400V 1980uF ! ( Durch Wahl der Drahtbrücken Wählbar)
-
Netzteil ist mit integriert, Geringe Verkabelung.
-
DC Heizung der Treiber und Vorstufe.
-
Symmetrie abgleich bar
-
DC Kopplung Abgleichbar
-
Stabelesierte Anoden Spannung der Vorstufen und Treiber
-
Trioden und Pentoden Modus durch Rel. schaltbar

Zum Aufbau:
Die Leiterplatte wurde so gestaltet, das sie wie oben angegeben für möglichst viele Röhren und unterschiedliche Spannungen nutzbar sind.
Verdrahtungsaufbau sollte gering sein. Somit gibt es auch Weniger Fehlerquellen Masse Schleifen einzubauen.
Die Röhrenfassungen werden auf der Butten Seite Aufgelötet. Bohrungen für die Potis sind Vorhanden. Damit der abgleich einfacher zu handhaben ist.
Wir fangen mit den Bauteilen an die Geringe Höhen aufweisen. Widerstände Dioden Löt Pinn, Drahtbrücken usw. baut man zu erst ein.
Als Beispiel Folgen Einige Bilder dazu.

Je nach Gewünschte
Versorgungsspannung der Vorstufen, werden nicht unbedingt alle Z Dioden benötigt,
Die Leiterplatte bietet Platz für 3 Dioden. In Unser Fall also die KT 88 die wir hier
Gerade Behandeln Überbrücken wir D9 Mit einer Draht Brücke.
Wir Begrenzen die Anodenspannung auf 280V für die Vorstufen. Je nach bedarf
Kann diese beliebig geändert werden. Maximal aber 350V Oder die Lade
Kondensatoren gegen 450V Typen Ersetzen. Dann aber auf das Package Achten!
In der Regel Reichen 280V völlig aus um eine Amplitude von 100V Vgg
Erzeugen zu können die wir wahrscheinlich Nicht benötigen.

So bleibt stets die Möglichkeit offen nach belieben zu Modifizieren das macht die Leiterplatte gerade interessant.

Alle 2W Montieren wir wie das Bild Bild Zeigt. In der Regel wird er
Nicht so Warm. Bei Änderungen der Schaltung muss der Wert ggf. Angepasst Werden, oder 2W
Gegen 3W – 5W etc. Tauschen.
Wie Erwähnt währe die Option immer für den erfahrenden Profi gedacht.

Gut zu Sehen auf der Rückseite sind die Bohrungen für die Potis.
So Lassen sich die Potis auch auf der Lötseite bequem einstellen ohne
Die Leiterplatte dazu drehen zu müssen. Die Kupferauflage beträgt 70µm.
Auch die Stellung der Fassung sieht man gut.

Beim Anlöten Der Fassung ist darauf Zu Achten Das die Nasen Stellung
Richtig Steht Also mit Sorgfalt Überprüfen! Pin 2 + Pin 7 werden
Zum Schluß Verlötet. Hier Fügen wir dann Später noch die Zuleitung
Für die Heizung hinzu. Das Erleichtert uns die Lötarbeit. An Andere Stelle Gibt es noch
Zeichnnungen dazu! An den Pins Endsteht durch den
Röhren Hitze! Daher ist es Wichtig KEIN Altes Bleilot aus Restbestände.

zu Verwenden! Die Schmelz Temperatur ist bei Blei Lot nidriger. Also Mit Silberlot Mindestens Die Fassungen Verlöten! Auf Hoher Schmelz Temperatur des Löt gut Achten! Das Beugt dann beim dauer Betrieb Vor Kalten Lötstellen Vor.

Zu Sehen der Anschluß Oben für Die Heizung der Endröhren. Und die
Fassung Unten drunter. Die Nase Zeigt Nach Oben zum Rand.
Pin 2 + 7 sind noch nicht Verlötet! ( Siehe auch bst.
Plan.) Die Größeren Löt Pad Werden dann Später Vollständig Verzinnt.
Pin 2 + 7 Verlötet.

Noch ein Foto mit Verlöteten Heiz Pad und Verlöteten Pin 2 + 7
Wir verwenden einen 1,25Cu Draht. Und und Ummanteln ihn. So ist er vor Hitze Geschützt. Alternativ kann auch ein
Draht mit einer hitzebeständiger Silicon Ummantlung verwendet werden.
Auch darf der Draht auf der Löt Seite Angelötet werden. Wichtig ist das die
Ummantlung Hitze beständig ist .

In der Zeichnung ist zu Sehen wie die Heizung Angeschlossen wird. Dafür werden isolierte Drähte Verwendet, Sie Sollten nicht so Nah an den Leistungswiderständen liegen!





Bei der KT 88 Version werden hier die 5 Watt wie zu sehen eingebaut. Bei Röhren mit geringeren g2 Strömen können diese auch eventuell gegen 2 Watt Metall getauscht werden ( Datenblatt der Röhren Beachten!)
Sollte R 31 gegen einen Höheren Wert getauscht werden könnte auch R 21 mit einer Geringere Leistung Auskommen. ( Ausrechnen !)
Ich werde hier noch einen Bauvorschlag des Gehäuse Dokumentieren und abgleich der Endstufe beschreiben. Die Schaltung ist dann ganz unten beschrieben.
Natürlich darf sich hier jeder selber seinen Gehäuse Entwerfen. Ob Mono Block oder Stereo.
Ich hab´s einfach mal schlicht und einfach gemacht um keine Zusätzliche Verwirrung zu Stiften.

Die Deckplatte ist aus Metall. Die Löcher für die Röhren wurden mit einer Lochstanze Gemacht.
Die Ausnehmung für die Trafos mit der Stichsäge. Für den Ringbandkern wurden Zahlreiche Bohrungen weiter Aufgefräst. Alle Benötigten Baugruppen von unten befestigt. Dadurch ist alles dann übersichtlich montiert und auch Reparatur freundlich. Nicht´s wurde verbaut.


Der Ringbandkern wurde wegen der Optik Schwarz gespritzt mit einen Hitzebeständigen Lack aus der Sprüh Dose.
Leider sind nicht immer die Schwarzen Hauben im Programm erhältlich.
Die 9V Heizspannung wurde mit der 10V Rel. Steuerung über einen Abgriff weiter geleitet dadurch wurde eine Wicklung Am Nt. Eingespart.

Die Zuleitung zum Schalter für den Pentoden Betrieb Installieren. Dann Alles Einbauen und mit einander Verdrahten. Als Bastel Unterlage was Weiches Nehmen um Kratzer zu Vermeiden währe gut.

Verbindung zu den Schaltern wurde hergestellt.

Die Komplette Verdrahtung incl. Der Einschaltstrom Begrenzung für den Ringbandkern ist hier zu sehen. Dadurch Können dann die Feinsicherung kleiner gewählt werden ohne das sie Durchschmelzen. So erzielen sie effizienter ihre Wirkung.
Störgeräusche Gibt es keine im Signal. Die Eingangsempfindlichkeit ist höher gewählt als wie beim EL 84 Amp.

Beim Abgleichen wird der Messaufbau zuerst Installiert und erst dann wird die Netzspannung eingeschaltet. Um sich vor den Spannungen zu Schützen. Die Anodenspannung und deren Ströme sind nicht gerade Ungefährlich.
Der Abgleich sollte nur vom Fachmann mit Dementsprechender Ausbildung ausgeführt werden. Bei jeder Prozedur sollte der Netzstecker wieder getrennt werden und warten bis die Elkos sich Entladen haben.
Auch wenn es so Länger dauert das leben ist Wertvoller als die eingesparte Zeit. Die Spannungen sind jedenfalls Tödlich.
Das heißt der Autor übernimmt keine Verantwortung auf nicht Achtung und nicht einhalten der Vorschriften bei Arbeiten unter Spannung.
Benutzen Sie nach Möglichkeit eine Vorschriftsmäßige Schutzausrüstung.
Gummi Handschuhe die für Arbeiten unter Spannungen zugelassen sind.
Es ist darauf zu Achten das alle Gehäuse teile geerdet sind sowohl auch die Leiterplatten und auch die AÜ´s nicht zu vergessen sonst funktioniert die Gegenkopplung nicht.
Am Eingang befindet sich kein Koppelkondensator. Es ist ratsam diesen noch zu installieren. Wer auf ihn verzichten will Muss sich Bewusst sein das im Falle eines Kurzschluss des Gitter zur Anode die Anodenspannung an der Cynch Buchse anliegt und so Folgeschäden der HIFI Kette oder Personenschäden nicht aus zu schließen Sind.
Auch sollten die Röhren vor Berührung geschützt werden. Verbrennungsgefahr durch die erzeugten Hitze der Röhren.
Die Metall Kragen der KT 88 ist oftmals mit der Katode verbunden sie führen die Katodenspannung und Dürfen das Gehäuse nicht berühren! Vor Berührung Schützen.
Der Autor übernimmt keine Haftung in jeglicher Form!
Das Abgleichen der Baugruppe:
Ist alles Installiert und ordnungsgemäß Verdrahtet, fangen wir erst einmal an zu überprüfen ob auch alle Spannungen Vorhanden sind. Vor allen die negative Gittervorspannung an Pin 5 der Endröhren anliegt. Sind alle Spannungen vorhanden. Werden zuerst die Vorstufen Röhren gesteckt.
-
Stecken der ECC 82 in den Fassungen
-
Messaufbau für Pin 5 und 9 DC Spannung auf gute 6,3 V einstellen (R41)
-
Eingang Stumm Schalten Überbrücken R29 Einstellen Tp. 6 gegen GND auf 80 V oder nach eigen Wunsch unter Berücksichtigung der Anodenverlustleistung
-
R22 in Mittelstellung. Endröhren Stecken. Übertrager mit einem 8 Ohm 11 Watt Widerstand Überbrücken KT 88 Stecken und über Tp. 1+3 einen 0V Abgleich Vornehmen Messgerät bei Erfolg im mV Bereich einstellen und Feinjustieren.
-
Mit R28 Gewünschten Anodenstrom ( ca. 0,6 V je nach Anodenspannung und der verwendeten Röhren. Anodenverlustleistung Berücksichtigen!) Über Tp 1 und 2 Einstellen 30 Min Warten Punkt 4 und Punkt 5 Wiederholen bis die werte Stabil bleiben auch im Späteren Betrieb einmal kontrollieren ob die eingestellten Ströme Stabil sind
-
Über TP. 8 gegen Masse und TP 9 gegen Masse mit R47 die Symentrie im AC Bereich der Messung einstellen So das Tp 8 und TP 9 jeweils gegen Masse beide die Gleichen Spannungen Anzeigen. Zur Hilfe benutzen sie ein Sinus Signal Aus einen Frequenz Generator. Sollte dieser nicht zur Verfügung Stehen findet man im Internet mit Sicherheit ein 1000Hz Sinus Ton oder Ähnliche Frequenzen. Den Amp dann in dem Fall an der Soundkarte Anschließen. Aber Aufpassen das die Schutzwiederstände Am AÜ nicht weg Schmelzen. Zum Schluss nochmals alle Werte Kontrollieren.
Die Eingangsspannung nicht höher wählen als die Endröhren Verarbeiten Können. Sonst Werden die Endröhren Wohlmöglich Überlastet und Zerstört. Da die Treiberstufe auch Höhere Spannungshube hin bekommt. Aus diesen Grunde wurde die Schaltung So Konzipiert das dass Eingangssignal zur Vollaussteuerung schon 725 mV als Mindestspannung Vorhanden sein muss der Pre Amp sollte also mit Höheren Ausgangsspannungen + 3db oder + 6db keine Probleme haben.
Die Halbleiter Werden vorher mit den Kühlkörper Verschraubt und erst dann eingelötet. Etwas Wärmeableitpaste schadet auch nicht.
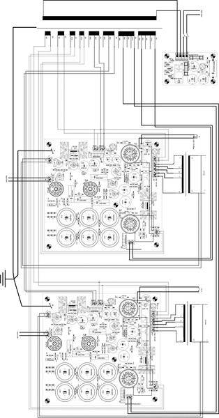
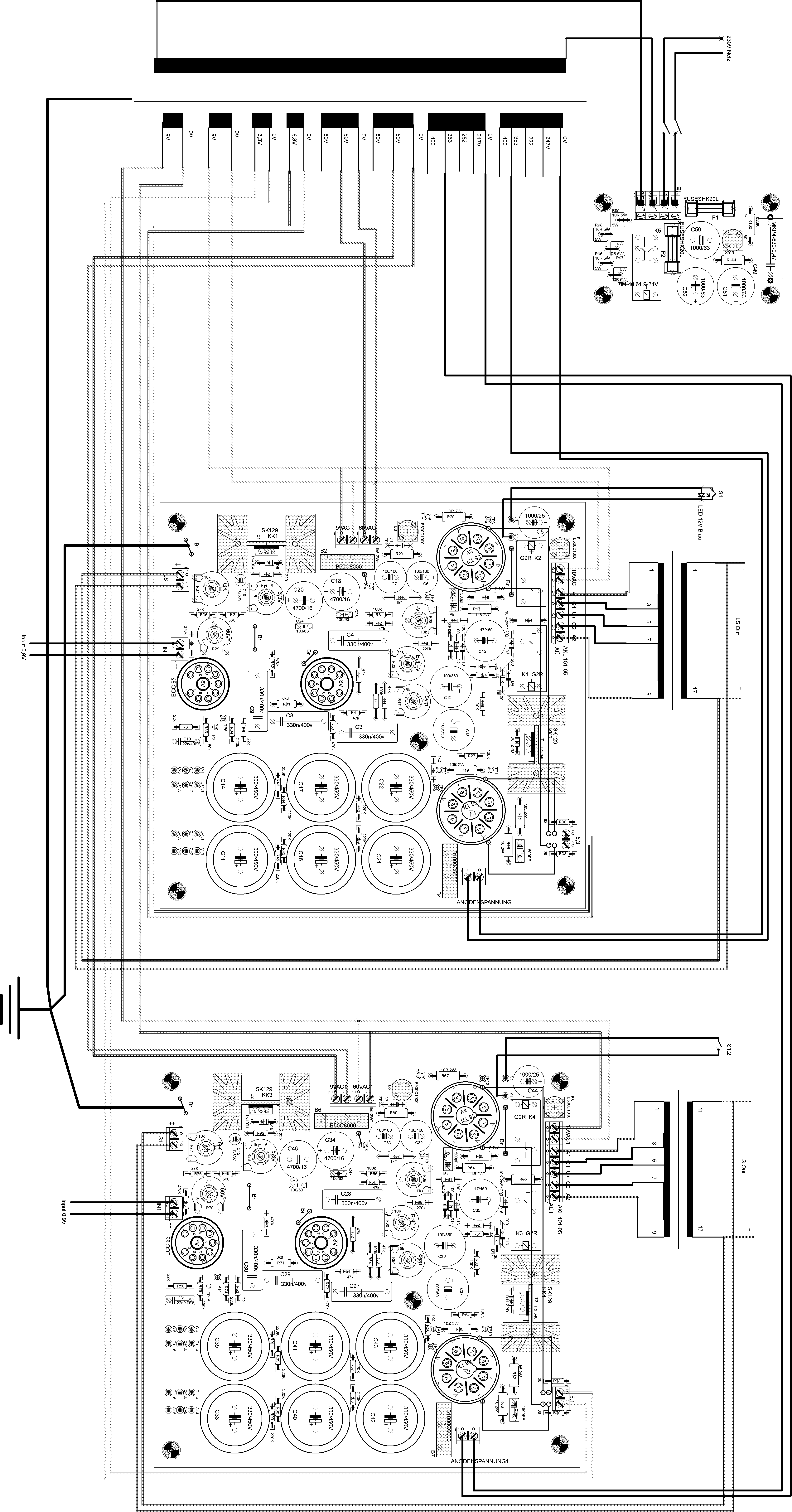
Zum Netzteil:
Zum vergrößern auf Bild Klicken
Wie man auf dem Schaltplan zu erkennen ist, sind C11,C16,C21,C14,C17,C22 nicht fertig verbunden !
In der Detail Ansicht der Leiterplatte ist jeweils zu sehen wie Verdrahtet wird.
Für die Auswahl der Maximalen Anodenspannung gibt es hier Zwei Möglichkeiten ( Betrieb bis 400V oder bis Max. 800V)

C-1 wird mit C-1.1 Verbunden
( Gestrichelte Linie)
C+1.1 wird mit C+1Verbunden
( Durchgezongende Linie) usw.
Diese Option dient für Spannungen bis Max. 400V !!

So wird für die 800V Option Verdrahtet! Die freien Pins bleiben Unbenutzt.
Im Allgemeinen empfiehlt es sich min. 10% unter der Spannungs angaben der Kondensatoren zu Bleiben.
Über R21 und die Z Dioden D 3,4,5 wird die Spannung bis auf maximal 430V Begrenzt um die Zerstörung von C 15 auszuschließen. Sobald die Röhren beheizt sind wird je nach Betriebsspannung diese auch variieren.
So das diese auch unterhalb 430V liegen kann! Das ist auch völlig normal.
Sie sollte nur nicht unter 300V liegen. Sonst würde die nachfolgende Stabi Schaltung nicht einwandfrei Funktionieren! Gegebenfalls wird dann R 21 Angepasst.
Sollten sie aus welchen Gründen auch immer eine Andere Anodenspannung für die Vorstufen benötigen, so können sie diese Über ZD2,9,10 bestimmen.
Zum Ringkern Trafo:
Wurde ein Typ mit folgenden Daten eingesetzt:
Nt. 1018 ( Tubeland Trafo)
0-247-282-353-400-V 1,1A
6,3V 5A
6,3V 5A
9V 2A ( für die DC Heizung und der Rel. Steuerung)
9V 2A ( für die DC Heizung und der Rel. Steuerung)
0-60-80V 100mA
0-60-80V 100mA
Dieser Trafo ist für eine Stereo Endstufe Ausgelegt
Für mono Blöcke halbiert sich die Ges. Leistung.
Auch wurden hier Abgriffe eingefügt um ihn Universal Nutzen zu Können.
Wir Verwenden in der Schaltung den 353V Abgriff. Die Nicht Benötigten Abgriffe Werden dann Isoliert am besten mit Schrumpfschläuche. Für die Gittervorspannung nehmen wir 60V sollten die Abgriffe nicht Verdrillt und Gelötet sein Muss dieses Unbedingt nachgeholt werden!
Die Endstufe:
Warum die Endstufe so Exzellent klingt mag vielleicht daran liegen die hier nur wenige Kondensatoren im Signalweg liegen.
Welche Anodenspannung Ruheströme, bei welchen Röhren eingestellt Werden können Entnehmen sie Bitte der Anlage!
Über S1 – S1.1 wird beim Geschlossenen Zustand der Pentoden Modus Aktiviert. Ich Habe eine LED mit Am Schalter eines Kanals mit angelötet Sie leuchtet dann Wenn der Schalter Offen ist und bekommt die Stromversorgung über das Rel. Keine Angst es zieht nicht an. Der Strom ist zu gering.
TP7 wird nicht bestückt sondern eine Draht Brücke eingelötet um DC F mit GND zu Verbinden.
DND zum Zentral Punkt: Hier auf der Brücke wird ein Kabel Angelötet welches dann zum Zentralen Massepunkt Führt. R16 + R 18 Sind bei der KT 88 270R 5W Bitte Entnehmen sie die Werte der Stückliste!
Stückliste Stand 23.12.2023
|
Stk. |
Wert |
Package |
|
|
2 |
10R 2W |
2W metall |
R19, R20 |
|
2 |
68R |
1/4 W Metall |
R30, R38 |
|
1 |
100R |
1/4 W Metall |
R42 |
|
2 |
270R 5W |
39e872 |
R16, R18 |
|
1 |
560R |
1/4 W Metall |
R2 |
|
1 |
1K |
1/4 W Metall |
R24 |
|
3 |
1k2 |
1/4 W Metall |
R9, R10, R31 |
|
2 |
1k5 2W |
2W metall |
R15, R17 |
|
1 |
1k5-2W* |
2W metall |
R23 |
|
1 |
10K-5W** |
R-EU_0411/15 |
R21 |
|
1 |
15k |
1/4 W Metall |
R14 |
|
2 |
22k |
1/4 W Metall |
R3, R6 |
|
1 |
27k |
2 W Metall |
R25 |
|
1 |
27k |
1/4 W Metall |
R36 |
|
4 |
47k |
1/4 W Metall |
R4, R5, R11, R12 |
|
2 |
100K |
1/4 W Metall |
R7, R8 |
|
1 |
150k |
1/4 W Metall |
R35 |
|
8 |
390K |
0,6W Metall |
R39, R40, R43, R44, R45, R46 |
|
2 |
220K |
1/4 W Metall |
R13, R34 |
|
1 |
270k |
1/4 W Metall |
R1 |
|
2 |
470k |
1/4 W Metall |
R32, R33 |
|
2 |
820k |
1/4 W Metall |
R26,R27 |
|
2 |
1500PF |
42D8264 |
C1, C2 |
|
1 |
22n/400V |
43D674 |
C10 |
|
2 |
100n/50 |
MKS-2-10N |
C23, C24 |
|
4 |
330n/400v |
43D688 |
C3, C4, C8, C9 |
|
1 |
10/50V |
11D5046 |
C19 |
|
1 |
47/450 |
11D5120 |
C15 |
|
2 |
100/160 |
12D5232 |
C6, C7 |
|
2 |
100/350 |
11D5094 |
C12, C13 |
|
6 |
330/400V |
13d364 |
C11, C14, C16, C17, C21, C22 |
|
1 |
1000/35 |
11D5028 |
C5 |
|
2 |
4700/16 |
11D5012 RM7,5 16 |
C18, C20 |
|
1 |
1N4004 |
1N4004 |
D6 |
|
1 |
LM350 |
41s4410 |
IC1 |
|
2 |
SK129 |
65 b 4834 |
KK1, KK2 |
|
5 |
akl101-2 |
|
|
|
1 |
akl101-4 |
||
|
1 |
akl101-5 |
||
|
Stk |
Wert |
Bst.nr |
|
|
2 |
ECC 82 |
ECC82-P |
V5 V6 |
|
1 |
ZP* |
entfällt |
D1 |
|
2 |
ZPD |
entfällt |
D9 |
|
2 |
LSL9279 |
Fassung |
|
|
2 |
LSL8280 |
Fassung |
|
|
2 |
G2R |
FIN 40.51.9 12V |
K1, K2 |
|
1 |
IRF640 |
IRF640 |
T1 |
|
1 |
B1000C6000 |
KBU6M |
B4 |
|
1 |
B50C8000 |
KBU8A |
B2 |
|
2 |
KT 88 |
KT 88 EH |
V1, V2 |
|
1 |
1k pt 15 |
PT 15-1K |
R41 |
|
3 |
10k |
PT 15-L 10K |
R28, R37, R22 |
|
2 |
5k |
PT 15-L 5K |
R29, R47 |
|
1 |
30 |
ZD |
D5 |
Anbei Anhang N in den die Daten entnommen werden Können.
Die Liste kann erweitert oder verändert werden. Die Aktuellste Version befindet sich bei www.tubeland.de
|
Anhang N |
|||||||
|
Röhre |
Ausgangsleistung |
Schaltung |
AÜ Impedanz |
U+ |
I |
R16/R18 |
G1 -U |
|
EL 34 |
36 W |
Pentode |
3k8 |
350V |
35 mA |
470R |
-32 |
|
EL 34 |
44 W |
Pentode |
2k8 |
375V |
35 mA |
470R |
-32 |
|
EL 34 |
45 W |
Pentode |
4k |
400V |
30 mA |
1K |
-38 |
|
EL 34 |
55 W |
Pentode |
3k4 |
425V |
30 mA |
1K |
-38 |
|
EL 34 |
58 W |
Pentode |
5k |
475V |
30 mA |
750 R |
-36 |
|
EL 34 |
70 W |
Pentode |
4k |
500V |
30 mA |
750 R |
-36 |
|
EL 34 |
90 W |
Pentode |
11k |
750V |
25 mA |
750 R |
-39 |
|
EL 34 |
100 W |
Pentode |
11k |
800V |
25 mA |
750 R |
-39 |
|
EL 34 |
15,5 W |
Triode |
5 K |
375 V |
|||
|
6L6 |
14,5 W |
Pentode |
5K |
250V |
60 mA |
-16 |
|
|
6L6 |
26,5 W |
Pentode |
6K6 |
360V |
44 mA |
-22,5 |
|
|
6L6 |
47 W |
Pentode |
3k8 |
360V |
-22,5 |
||
|
6L6 |
55 W |
Pentode |
5k6 |
450V |
-37 |
||
|
6L6 |
1,4 W |
Triode |
5K |
250V |
40 mA |
-20 |
|
|
6550 |
77 W |
Pentode |
3K5 |
450V |
-29,5 |
||
|
6550 |
100 W |
Pentode |
5K |
600V |
-32,5 |
||
|
KT 66 |
4,5 W |
Triode |
2k5 |
270V |
-19 |
||
|
KT 66 |
14,5 W |
Triode |
5k |
440V |
-38 |
||
|
KT 66 |
50 W |
Pentode |
8K |
525V |
35 mA |
-67 |
|
|
KT 66 |
50 W |
Pentode |
5k |
475V |
-80 |
||
|
KT 77 |
34 W |
Pentode |
6k |
430V |
22R |
||
|
KT 77 |
45 W |
Pentode |
4k5 |
400V |
22R |
-31 |
|
|
KT 77 |
67 W |
Pentode |
5k5 |
500V |
22R |
-43 |
|
|
KT 77 |
72 W |
Pentode |
9k |
600V |
22R |
-56 |
|
|
KT 77 |
18 W |
Triode |
5K |
430V |
22R |
-30 |
|
|
KT 88 |
50 W |
Pentode |
6k |
500V |
270R |
-50 |
|
|
KT 88 |
100 W |
Pentode |
4k5 |
560V |
270R |
-80 |
|
|
KT 88 |
15 W |
Triode |
4k |
400V |
270R |
-38 |
|
|
KT 88 |
37 W |
Triode |
4k |
485V |
270R |
-48 |
|
|
KT 88 |
30 W |
Pentode |
5K |
375V |
270R |
-35 |
|
|
KT 88 |
70W |
Pentode |
4K |
485V |
270R |
-59 |
|
|
KT 90 |
Leider zur zeit keine Daten vorhanden |
||||||
|
KT 100 |
Leider zur zeit keine Daten vorhanden |
||||||
Wie man sieht gibt es einige Möglichkeiten Ich habe mich für die KT 88 Entschieden 485V DC unter last und einen AÜ mit 4K für die EL 34 50W Aus mein Programm. Der seine Dienste gut erwies. Ich bin damit zufrieden. In Welschen Modus sie die Endstufe laufen lassen möchten Können sie Frei Wählen.
Die Daten Habe ich aus Tabellen Gesammelt und hier verfast eine Garantie der Richtigkeit Schließe ich aus trotz Sorgfältiger Überarbeitung aus.
Und noch was. Eine Einschaltverzögerung Würde ich der Schaltung auf allen fälle gönne! Beim Einschalten des Amps Könnte schon ein mal der Automat heraus Fliegen. Außerdem würden die Schmelzsicherungen nicht Optimal den Trafo Schützen
Leiterplatte zur Einschaltverzögerung wird separat behandelt.
Verdrahtungsplan:
Wie zu sehen ist Gibt es Zusätzlich noch eine kleine Leiterplatte die auch im Shop erhältlich ist. Diese Sorgt dafür das der Einschaltstrom Weit aus geringer ausfällt. Erst jetzt Zeigt die Feinsicherung auch ihre Wirkung. Da diese mit Hilfe der kleinen Schaltung weit aus geringer Ausfällt.
Ohne der Hilfsschaltung könnte schon mal passieren das der 16A Hausautomat raus fliegt. Und die Schutzsicherung natürlich auch Viel zu groß Währe und den Ringkern vor Zerstörung wohl kaum noch richtig Schützen würde. Darum entschloss ich mich dazu eine Serie auf zu legen. Die Sicherung für den Ringbandkern befindet sich auf der LP.
Wie Auf dem Verdrahtungsplan Angegeben Wird ein Zentrahler Massepunkt gewählt. Hier Kommt auch der Schutzleiter Vom Netz mit darauf. ( Auch das Gehäuse MUß Geerdet sein ! ! ! )
Gegenkopplung:
Um Sicher zu stellen das auch wirklich gegen gekoppelt wird. Bedienen sie sich folgenden test:
Lassen sie die Endstufe erst einmal OHNE Gegenkopplung laufen.
Als Audio Quelle kann ein Sinus Signal oder etwas von einer CD dienen.
Die Lautsprecher sind Angeschlossen. Der Ausgangspegel auf Zimmer Lautstärke einstellen genügt. Während des Betriebs wird die GK eingeschaltet.
Achten sie auf den Lautstärke Unterschied.
Ist die Musik Jetzt Leiser als Vorher. Wurde die GK Richtig Verdrahtet. Der Amp Währe dann fertig.
Sollte die Musikwiedergabe nicht leiser sondern Lauter werden. Dann Sprechen wir von einer Mitkopplung!
In unser fall ist die Mitkopplung nicht erwünscht.
Gegenmaßnahmen :
Vertauschen sie dann Am AÜ den Ausgang 11 und 17 miteinander.
Nun wird wie gewünscht Gegen gekoppelt.
GND ist immer LS – und Die Lötöse die auch zur GK verwendet wird ist LS +
Der Verstärker arbeitet mit hohen Spannungen, die bei Nichteinhaltung der allgemeinen Vorschriften lebensbedrohlich sein können. Der Verfasser übernimmt keine Verantwortung für Sach- oder Körperschäden, die beim Nachbau des oben beschriebenen Gerätes entstehen. Die Nutzung ist auf Eigene Gefahr. Beachten sie alle Sicherheits- Regeln! Tubeland übernimmt keine Haftung in jeglicher Hinsicht. Schleißen sie bei Bedarf eine Versicherung ab und suchen sie einen Autorisierten Fachmann auf.
Gerne veröffentliche ich ihr Projekt zum Selbstbau dieses Amp auf meiner Webseite. Für Anregungen Änderungen oder für Fotos zum Selbstbau Amp Würde ich mich Freuen.
Technische Daten:
Anodenspannung unter Last 485V
Verwendete Röhren: 2* ECC 82 JJ 2* KT 88 EH
Übertrager 2* EL 34 4K 8R
Trioden Betrieb:
Leistung 36W
Eingangsempfindlichkeit 0,931V Bei Volllaussteuerung
F gang Bei 20Watt gemessen 12,5 Hz 0 db, 35 kHz 0 db 54 kHz – 3 db
Verstärkungsfaktor 25,2 db
Pentoden Betrieb:
Leistung 70 W
Eingangsempfindlichkeit 0,947 V Bei Vollaussteuerung
F gang bei 35 Watt Gemessen 15 Hz – 0,2 db, 35kHz 0db, 45 – 3db
F gang bei 70 Watt Gemessen 15 Hz – 1,6 db, 20 Hz – 0,4 db, 25kHz – 3db
Verstärkungsfaktor 28 db
Störspannung 0,9mV bei 8 Ohm
Anleitung als PDF

