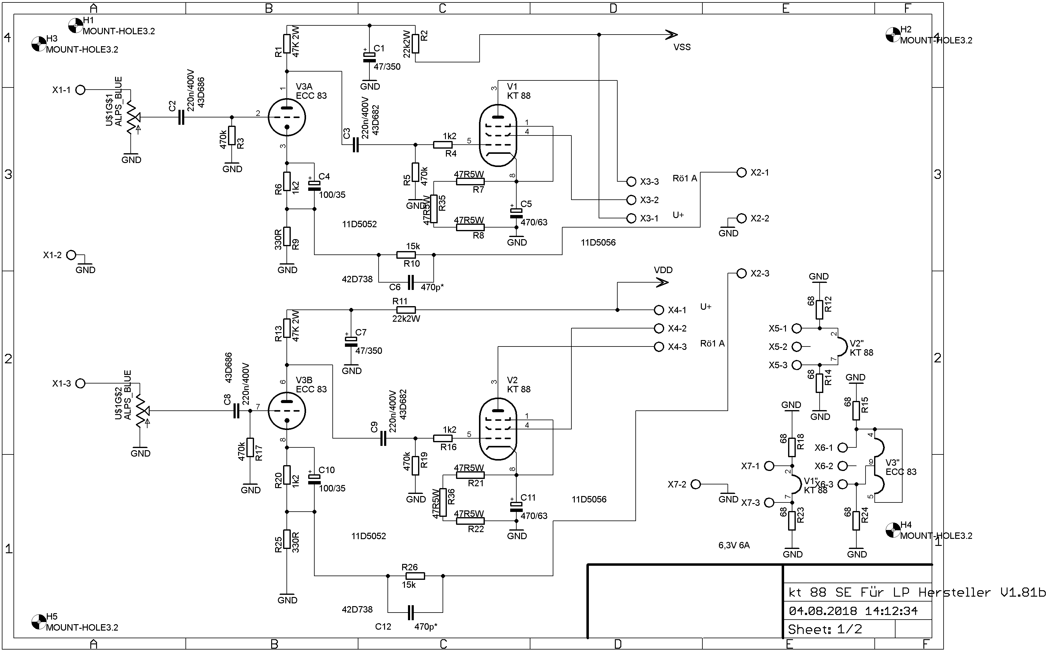
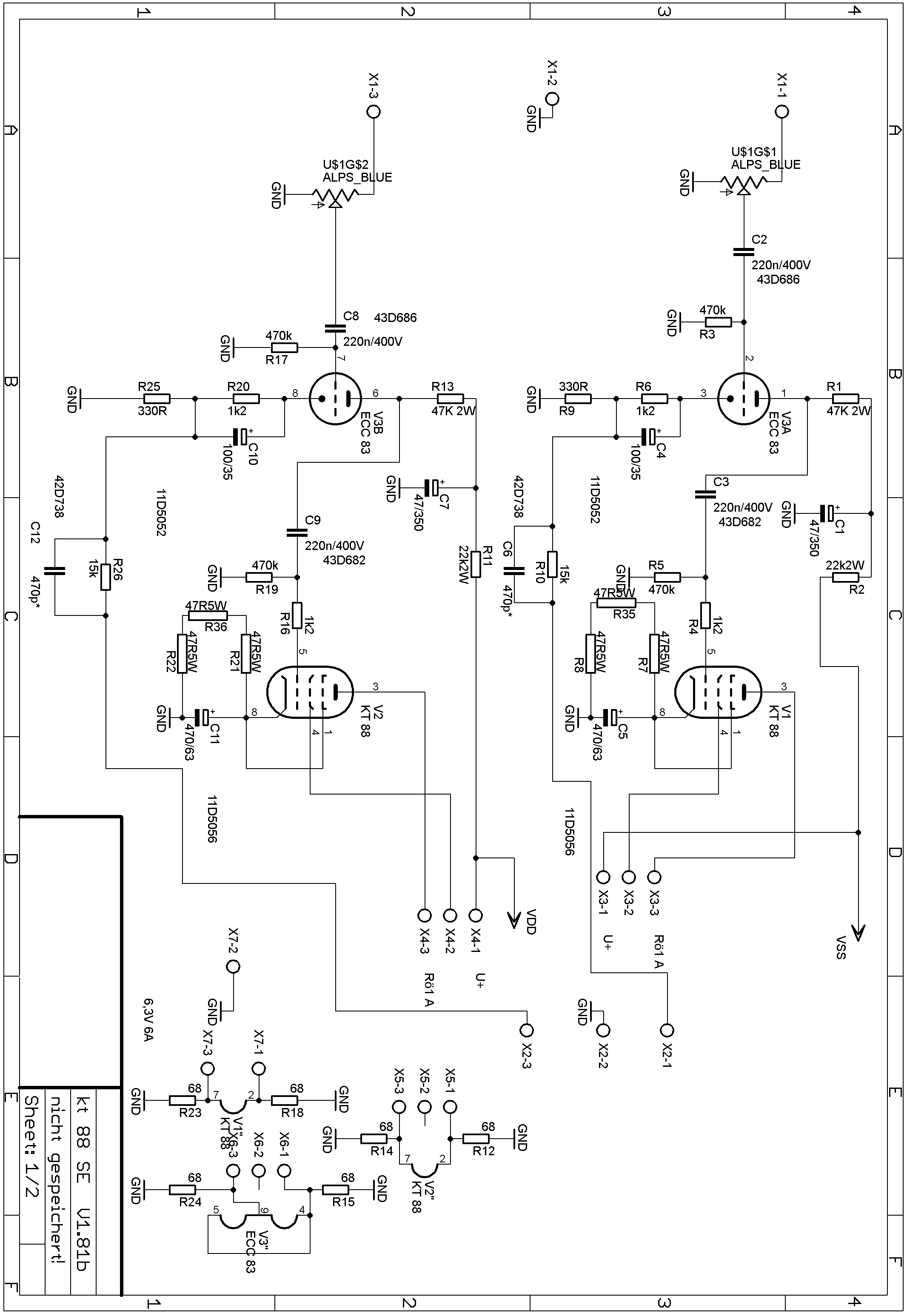
KT 88 SE Amp

Technische Daten:
- · Eingangsempfindlichkeit mit C 4 und C 10 ohne GK 125 mV 34 db
- · Eingangsempfindlichkeit mit C 4 und C 10 mit GK 263 mV 27,4 db
- · Eingangsempfindlichkeit ohne C4 und C 10 ohne GK 224 mV 28,8 db
- · Eingangsempfindlichkeit ohne C4 und C10 mit GK 359 mV 24,6 db
- · Leiterplatte Maße 231 x 120 mm
- · Verwendete Röhren 2 Stk. KT 88 1 Stk. ECC 83
- · Betriebsspannung Ca. 245 - 252V AC 0,9 A 6,3V 6 A optimal
- · F gang ist Abhängig von der Qualität der eingesetzten AÜ´s !
Ein KT 88 SE Amp mit nur eine Leiterplatte und Netzteil kit on Board. Das Board wurde so ausgelegt, so das auch Projekte mit Diversen Röhren wie die EL 34, KT 66, KT 88, KT 120 etc. eingesetzt werden kann. Möchten sie andere Röhren einsetzen ist darauf zu achten das die Pin Belegung der Verwendeten Röhren identisch ist mit der KT 88 bzw. ECC 83.
C 12 und C 6 sind in der Regel auch nicht zu bestücken. Die Genannten Positionen können sie bei Bedarf Bestücken.
G2 habe ich bewusst herausgezogen und auf die Printklemme gelegt so können sie sich entscheiden ob sie im Trioden oder Pentode Modus fahren möchten.
Es handelt sich hier um eine Sehr gut Funktionierende Schaltung, die auch nach Belieben Modiviziert werden kann. Benutzen sie einen Leistungsfähigen Pre Amp So können sie die ECC 83 gegen eine ECC 82 Tauschen R1, R6 und R9 bzw. R13, R20, R25 sollten der ECC 82 dementsprechend angepasst werden. ( Siehe Datenblatt der ECC 82 )

Die Katodenwiderstände der Endstufenröhren Wurden getrittelt, so das hier auch 5 W eingesetzt werden können und diese sich nicht so doll Aufheizen.
Für die KT 88 im Pentoden betrieb hat sich ein AÜ mit 2K5 K Impedanz Anpassung bewährt.
Im Algemeinen sollte die Anoden Eingangsspannung ca 10 -20 V über die Nutzspannung liegen, Somit hält sich die Verlustleistung in Grenzen. Damit der Netztrafo nicht all so warm wird sollte er wie oben Angegeben überdimensioniert sein.
Die Röhrenfassung werden auf der Leiterplatten Rückseite Montiert. Es ist darauf zu achten das die Oktal Fassung ihre Richtige Position erhält Wie auf dem Bst. Plan zu sehen ist!
Da die Leiterplatte Doppelduchkontaktiert ist halten die Röhrenfassung optimal so dass diese auf Dauer keine kalten Lötstellen bekommen. Verlöten sie diese mit Silberlot, da Silberlot einen Höheren Schmelzgrat als Bleilot hat!

Das Poti Gehäuse sollte mit dem Masse Pin verbunden werden!
Nachfolgend die Stückliste für die KT 88 ECC 83 Kombi Übertrager 2K5 / 8 Ohm
|
Menge |
Wert |
Device |
Bauteile |
|
1 |
10K/2W |
Metall 2W |
R29 |
|
2 |
10R/5W |
RKH208-8 |
R27, R28 |
|
6 |
68R |
Metall 1/4 W |
R12, R14, R15, R18, R23, R24 |
|
6 |
47R 5W |
RKH208-8 |
R7, R8, R21, R22, R35, R36 |
|
2 |
330R |
Metall 1/4 W |
R9, R25 |
|
2 |
1k2 |
Metall 1/4 W |
R4, R16 |
|
2 |
1k2 |
Metall 1/4 W |
R6, R20 |
|
2 |
4k7 |
Metall 1/4 W |
R30, R31 |
|
2 |
15k |
Metall 1/4 W |
R10, R26 |
|
2 |
22k2W |
Metall 2W |
R2, R11 |
|
2 |
47k 2W |
Metall 2W |
R1, R13 |
|
|
|
|
|
|
3 |
220K2W |
Metall 2W |
R32, R33, R34 |
|
4 |
470k |
Metall 1/4 W |
R3, R5, R17, R19 |
|
2 |
470p* ( Nicht erforderlich) |
C-EU075-042X103 |
C6, C12 |
|
2 |
220n/400V |
C-EU225-087X268 |
C3, C9 |
|
2 |
220n/400V |
C-EU225-087X268 |
C2, C8 |
|
3 |
47/350 |
CPOL-EUE7.5-16 |
C1, C7, C14 |
|
2 |
100/63* ( nicht erforderlich) |
CPOL-EUE5-10.5 |
C4, C10 |
|
2 |
100/350 |
E7,5-18 |
C15, C16 |
|
1 |
330/400V |
CPOL-EUE10-30 |
C13 |
|
2 |
470/35 |
CPOL-EUE5-13 |
C5, C11 |
|
1 |
Noval Fassung |
||
|
2 |
13 |
ZPD |
D1, D2 |
|
1 |
82 |
ZPD |
D5 |
|
2 |
100 |
ZPD |
D3, D4 |
|
1 |
B1000C6000 |
KBU |
B1 |
|
2 |
IRF640 |
IRF640 |
T1, T2 |
|
1 |
50 K Log Alps Poti |
ALPS_BLUE |
U$1 |
|
2 |
SK129 |
SK129 |
KK1, KK2 |
|
2 |
Oktal Fassung |
||
|
1 |
ECC 83 |
ECC82-P |
V3 |
|
2 |
KT 88 |
EL34-P |
V1, V2 |
|
8 |
AKL 103 |
X1 -X8 |
|
|
1 |
Leiterplatte 231 x 120 mm |


