KT 88 Amp PP mit dem Atmega 48 on Bord Integriert

- Neues PCB Design Maße und Bohrungen Identisch mit der Vorgänger Version. Die Leiterplatte kann Ganz einfach ohne Großen Aufwand Getauscht werden. 189x179mm
- µC Atmega48 Kontrolliert den Ruhestrom. Einstellbar in 16 Stufen
- Kein Wegdriften der Endröhren!
- LED-Zustand Kontrolle (Run, IK ok, Freeze. Rö1 Err. Rö 2 Err)
- Unkompliziertes Umschalten Zwischen Triode und Pentode
- Verwendbar für: EL 34, KT66, KT88, KT120, KT150 Etc. mit gleicher Pinbelegung.
- Netzteil on Board.
- Doppelt Durchkontaktierte Leiterplatte
- Symmetrie und DC Kopplung abgleichbar
- Vorstufenröhren DC Heizung
Nach dem das KT 88 Board schon fast ein Jahrzehnt erfolgreich im Einsatz ist, habe ich mich entschlossen eine neue Version mit Integrierter ATmega48 vollautomatische Bias Steuerung zu entwerfen. Jeder der sich mit Röhren Beschäftigt weis das auch die KT88 nicht vor dem Wegdriften geschützt ist. Meist ist es so dass die End Röhren in gewissen Abständen der Ruhestrom Kontrolliert und ggf. nach justiert wird. Und wenn man nicht mehr daran nach denkt dann ist es auch schon Passiert, dass sich eine End Röhre Verabschiedet hat. Noch Viel Schlimmer ist dann der Nachfolgende Aufwand:
Nicht nur das nun eine neue Röhre fällig ist. Meistens sind die Katoden Widerstände dann auch Hinüber und müssen ersetzt werden. Im Schlimmsten Fall ist die Leiterplatte auch Durch Überhitzung etwas Angeschnorrt. Und wenn wir es ganz genau nehmen mischt man keine Alten mit neuen Röhren da sie Unterschiedlich gealtert sind. Genau genommen wird es jetzt Teuer, da man oft alle Endröhren gemeinsam Tauscht. Das Spiel beginnt von vorne: Röhren einstellen. 20-30 min Warten und Kontrolle. Das Gleiche dann nach einen Tag, einer Woche, und wenn noch alles gut Läuft Vielleicht einmal im Monat?
Das muss nicht sein. Mit dem neuen Design können sie einfach Loslegen und Brauchen nie wider die Endröhren abgleichen. Das ist von nun an Geschichte.
Selbst Röhren die Schon gut gealtert sind, weil die Getter Pille schon eher Milchig ist bekommt der Regler noch in den Griff! Zur damaligen zeit als die KT120 Entwickelt wurde, bekam ich 4 Prototypen die bis Heute noch auf den ATmega48 Laufen. Mittlerweile geben die Getter Pillen auf. Die Röhren Laufen aber noch immer Ohne dass eine Störung angezeigt wird! Und seitdem ist noch keine der Röhren Kaputt zu Kriegen. Und das Obwohl die Über Jahre durch Elektrostatische Lautsprecher aber auch durch Normale Lautsprecher gerne Gequält wurde. All das Spricht für ein gut durchdachtes Produkt.
Um den Aufwand noch weiter klein zu halten, habe ich mich entschlossen eine Doppel Durchkontaktierte Leiterplatte Fertigen zu Lassen. Sie Sind Zwar etwas Teurer. Allerdings ist dieser Betrag noch gut Überschaubar.
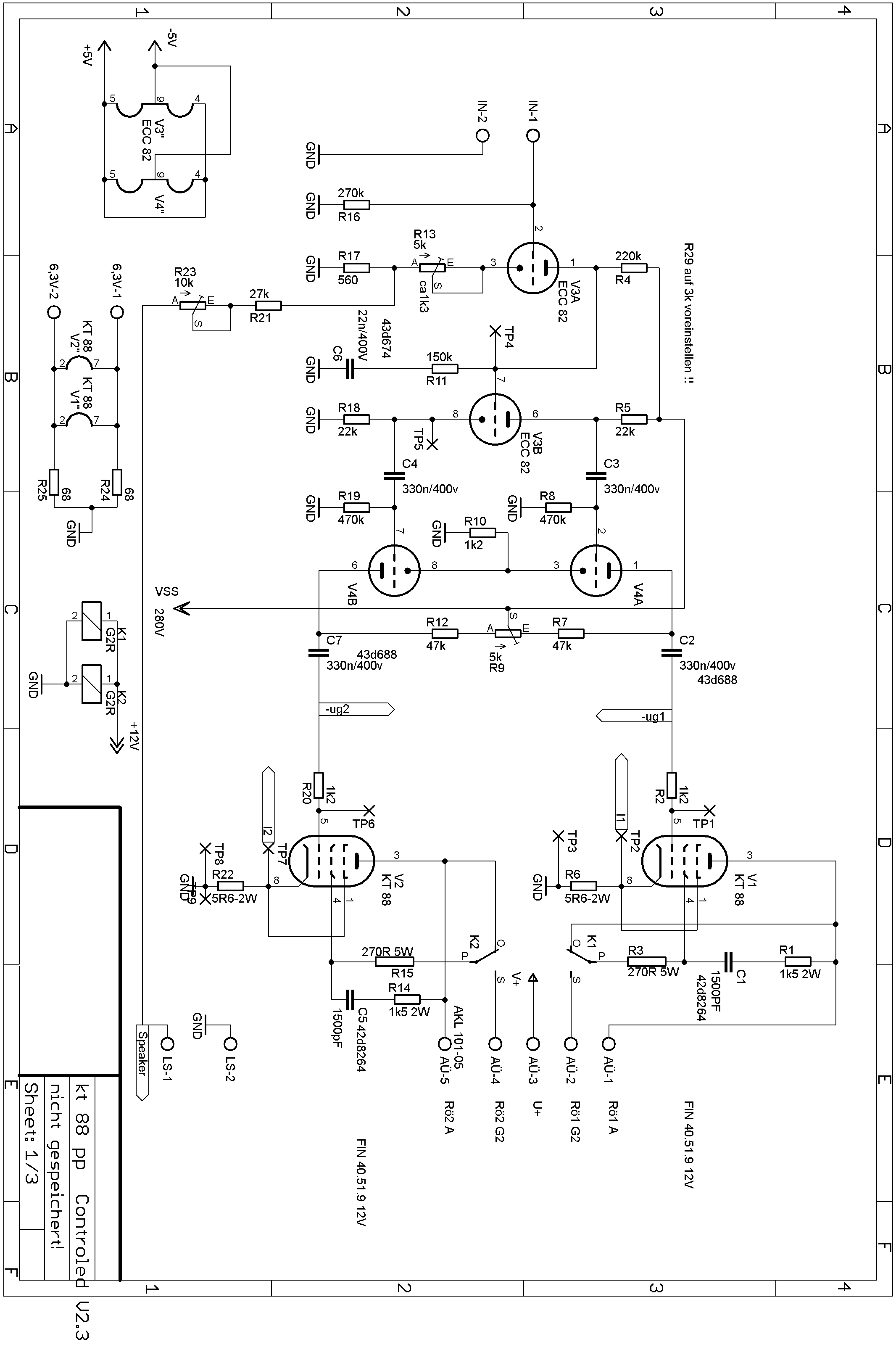
Das Abgleichen der Baugruppe:
Ist alles Installiert und ordnungsgemäß Verdrahtet, fangen wir erst einmal an zu überprüfen ob auch alle Spannungen vorhanden sind. Vor allen die negative Gittervorspannung an Pin 5 der Endröhren anliegt. Sie Schalten den Amp dazu ein und Messen an Pin 5.(TP2 und TP6 gegen GND) sofort nach dem Einschalten. Sie haben dafür nur 45 Sec. zeit. Danach fängt der Regler an zu Arbeiten und Regelt sie -UG herunter! Das ist auch normal, wenn keine KT (88 Steckt! Sind alle Spannungen vorhanden. Werden zuerst die Vorstufen Röhren gesteckt.
- Stecken der ECC 82 in den Fassungen
- Messaufbau für Pin 5 und 9 DC Spannung auf gute 6,3 V einstellen (R36)
- Eingang Stumm Schalten. R13 Einstellen Tp. 5 gegen GND auf 80 V oder nach eigen Wunsch unter Berücksichtigung der Anodenverlustleistung
- R9 auf Mittelstellung. Ggf. mit einen Sinus Generator Abgleichen Über TP 1 und 6 gegen GND
- Endröhren Stecken und Gewünschten Anodenstrom über den DIP Schalter auf Stufe 3 oder Stufe 4 einstellen. So ist der Ruhestrom für die Endröhren eingestellt. Siehe dazu auch die Tabellen!
Nachfolgende Tabellen Sind für die Ermittlung des Katoden Widerstand gedacht
|
S |
RK in Ohm |
IK= A |
RK in Ohm |
IK= A |
RK in Ohm |
IK= A |
RK in Ohm |
IK= A |
|
0 |
1 |
0,293 |
1,2 |
0,244 |
1,5 |
0,196 |
1,8 |
0,163 |
|
1 |
1 |
0,328 |
1,2 |
0,273 |
1,5 |
0,219 |
1,8 |
0,182 |
|
2 |
1 |
0,362 |
1,2 |
0,302 |
1,5 |
0,242 |
1,8 |
0,201 |
|
3 |
1 |
0,397 |
1,2 |
0,331 |
1,5 |
0,265 |
1,8 |
0,220 |
|
4 |
1 |
0,431 |
1,2 |
0,359 |
1,5 |
0,288 |
1,8 |
0,240 |
|
5 |
1 |
0,466 |
1,2 |
0,388 |
1,5 |
0,311 |
1,8 |
0,259 |
|
6 |
1 |
0,500 |
1,2 |
0,417 |
1,5 |
0,334 |
1,8 |
0,278 |
|
7 |
1 |
0,535 |
1,2 |
0,446 |
1,5 |
0,357 |
1,8 |
0,297 |
|
8 |
1 |
0,569 |
1,2 |
0,475 |
1,5 |
0,380 |
1,8 |
0,316 |
|
9 |
1 |
0,604 |
1,2 |
0,503 |
1,5 |
0,403 |
1,8 |
0,336 |
|
A |
1 |
0,638 |
1,2 |
0,532 |
1,5 |
0,426 |
1,8 |
0,355 |
|
B |
1 |
0,673 |
1,2 |
0,561 |
1,5 |
0,449 |
1,8 |
0,374 |
|
C |
1 |
0,707 |
1,2 |
0,590 |
1,5 |
0,472 |
1,8 |
0,393 |
|
D |
1 |
0,742 |
1,2 |
0,618 |
1,5 |
0,495 |
1,8 |
0,412 |
|
E |
1 |
0,776 |
1,2 |
0,647 |
1,5 |
0,518 |
1,8 |
0,431 |
|
F |
1 |
0,811 |
1,2 |
0,676 |
1,5 |
0,541 |
1,8 |
0,451 |
|
S |
RK in Ohm |
IK= A |
RK in Ohm |
IK= A |
RK in Ohm |
IK= A |
RK in Ohm |
IK= A |
|
0 |
2,2 |
0,133 |
2,7 |
0,109 |
3,3 |
0,089 |
4,7 |
0,062 |
|
1 |
2,2 |
0,149 |
2,7 |
0,121 |
3,3 |
0,099 |
4,7 |
0,070 |
|
2 |
2,2 |
0,165 |
2,7 |
0,134 |
3,3 |
0,110 |
4,7 |
0,077 |
|
3 |
2,2 |
0,180 |
2,7 |
0,147 |
3,3 |
0,120 |
4,7 |
0,084 |
|
4 |
2,2 |
0,196 |
2,7 |
0,160 |
3,3 |
0,131 |
4,7 |
0,092 |
|
5 |
2,2 |
0,212 |
2,7 |
0,173 |
3,3 |
0,141 |
4,7 |
0,099 |
|
6 |
2,2 |
0,227 |
2,7 |
0,185 |
3,3 |
0,152 |
4,7 |
0,106 |
|
7 |
2,2 |
0,243 |
2,7 |
0,198 |
3,3 |
0,162 |
4,7 |
0,114 |
|
8 |
2,2 |
0,259 |
2,7 |
0,211 |
3,3 |
0,173 |
4,7 |
0,121 |
|
9 |
2,2 |
0,275 |
2,7 |
0,224 |
3,3 |
0,183 |
4,7 |
0,128 |
|
A |
2,2 |
0,290 |
2,7 |
0,236 |
3,3 |
0,193 |
4,7 |
0,136 |
|
B |
2,2 |
0,306 |
2,7 |
0,249 |
3,3 |
0,204 |
4,7 |
0,143 |
|
C |
2,2 |
0,322 |
2,7 |
0,262 |
3,3 |
0,214 |
4,7 |
0,151 |
|
D |
2,2 |
0,337 |
2,7 |
0,275 |
3,3 |
0,225 |
4,7 |
0,158 |
|
E |
2,2 |
0,353 |
2,7 |
0,288 |
3,3 |
0,235 |
4,7 |
0,165 |
|
F |
2,2 |
0,369 |
2,7 |
0,300 |
3,3 |
0,246 |
4,7 |
0,173 |
|
|
|
|
|
|
|
|
|
|
|
S |
RK in Ohm |
IK= A |
RK in Ohm |
IK= A |
RK in Ohm |
IK= A |
RK in Ohm |
IK= A |
|
|
|
|
|
|
|
|
|
|
|
S |
RK in Ohm |
IK= A |
RK in Ohm |
IK= A |
RK in Ohm |
IK= A |
RK in Ohm |
IK= A |
|
0 |
5,6 |
0,052 |
6,8 |
0,043 |
10 |
0,029 |
12 |
0,024 |
|
1 |
5,6 |
0,059 |
6,8 |
0,048 |
10 |
0,033 |
12 |
0,027 |
|
2 |
5,6 |
0,065 |
6,8 |
0,053 |
10 |
0,036 |
12 |
0,030 |
|
3 |
5,6 |
0,071 |
6,8 |
0,058 |
10 |
0,040 |
12 |
0,033 |
|
4 |
5,6 |
0,077 |
6,8 |
0,063 |
10 |
0,043 |
12 |
0,036 |
|
5 |
5,6 |
0,083 |
6,8 |
0,069 |
10 |
0,047 |
12 |
0,039 |
|
6 |
5,6 |
0,089 |
6,8 |
0,074 |
10 |
0,050 |
12 |
0,042 |
|
7 |
5,6 |
0,096 |
6,8 |
0,079 |
10 |
0,053 |
12 |
0,045 |
|
8 |
5,6 |
0,102 |
6,8 |
0,084 |
10 |
0,057 |
12 |
0,047 |
|
9 |
5,6 |
0,108 |
6,8 |
0,089 |
10 |
0,060 |
12 |
0,050 |
|
A |
5,6 |
0,114 |
6,8 |
0,094 |
10 |
0,064 |
12 |
0,053 |
|
B |
5,6 |
0,120 |
6,8 |
0,099 |
10 |
0,067 |
12 |
0,056 |
|
C |
5,6 |
0,126 |
6,8 |
0,104 |
10 |
0,071 |
12 |
0,059 |
|
D |
5,6 |
0,132 |
6,8 |
0,109 |
10 |
0,074 |
12 |
0,062 |
|
E |
5,6 |
0,139 |
6,8 |
0,114 |
10 |
0,078 |
12 |
0,065 |
|
F |
5,6 |
0,145 |
6,8 |
0,119 |
10 |
0,081 |
12 |
0,068 |
In der Tabelle Habe ich für das KT88 Projekt die entsprechende Stelle Markiert!
Betribszustandanzeige der LED´s bzw. Regler Funktion
Die Led´s Zeigen den Betriebs Zustand wie folgt an.
LED15 Blau Zeigt nach ca. 45 Sec. an das der Regler anfängt zu Laufen. Davor beginnt die Aufheizfase der Endröhren. Sind die Röhren auf den Ruhestrom eingestellt dann Leuchtet Die LED D12 Grün auf und Signalisiert das die Röhren auf ein eingestellten Ruhestrom Laufen.
Sobald das Eingang Signal einen gewissen Pegel erreicht, wird der eingestellte Wert eingefroren. Dann Leuchtet die LED D11 Grün.
Für Fehler der Endröhren Leuchten dann LED D40A und/oder D40B Rot auf. Sollte das der Fall sein Stimmt etwas mit den Endstufen Röhren nicht und müssen ggf. getauscht werden. Das Passiert vor allem wenn der Ruhestrom außer den festgelegten Ruhestrom trotz allen abdriftet.
Port D7 Liegt nach ca. 30-40 Sec 5V An. Das Signalisiert, dass der Regler bereit ist zu Arbeiten.
Der Regler benötigt folgende Bedingungen um loszulaufen:
1) die Zeit (~30 - 45s) muss seit dem Einschalten abgelaufen sein - das kann überprüft werden, in dem an PortD.7 nachmisst, ob 1-5V anliegen. 2) die Spannung am Speaker-Eingang muss höher als 0,28V sein (wohlgemerkt. nach den Teiler Widerständen) Ansonsten wird –Ug nicht eingefroren und der Regler regelt unerwünscht den Arbeitspunk nach. Das soll nicht sein! 3) die Spannung am Betriebsspannungseingang muss mindestens 0,47V betragen (auch...nach dem Teiler widerstanden) ist dies nicht der Fall Bleiben alle LED´s dunkel und der Regler Hält die maximale –Ug Spannung! Je nach dem Wie hoch die Anodenspannung ist Müsste der Spannungsteiler Dementsprechend angepasst werden.
Ist alles erfüllt, so beginnt der Regler zu laufen. Wenn an den Messeingängen für die Kathodenströme nichts weiter angeschlossen ist, dann muss der Regler irgendwann in die Begrenzung laufen und die zugehörigen LEDs müssten angehen (PortB.4-PortB.7). Falls die Eingänge wirklich offen sind und nicht per Messwiderstand auf 0V gezogen werden, dann kann dies auch zu unterschiedlichen Zeitpunkten erfolgen.
PortB.0 geht nur dann auf "High" wenn am Speaker-Eingang mehr als 0,28V anliegen. Je nach Eingangsspannung Kann der Spannungsteiler Angepasst werden.
Die Kondensatoren können nach Wunsch (100nF) auch gegen Größere (1uF) getauscht werden. Ist aber Geschmacksache. PortB.3 geht auf High, falls alle (gemessenen) Kathodenströme in einem recht kleinen Bereich um den Sollstrom liegen.
Die Vorwiderstände müssen je nach LED-Typ angepasst werden Als Standard habe ich 2K2 Ohm Widerstände eingesetzt. Diese sind für LED´s mit einer Stromaufnahme von ca. 20 mA Für Low Energie LED´s ca. 2 mA sollten die Widerstände um die 2K2 Ohm liegen. Datenblatt der eingesetzten LED beachten!
Im Allgemeinen darf an den Atmega xx an den Port Ausgängen eine Maximale last von 20 mA angeschlossen werden.
-Ug Sollte etwas höher gewählt werden als benötigt!


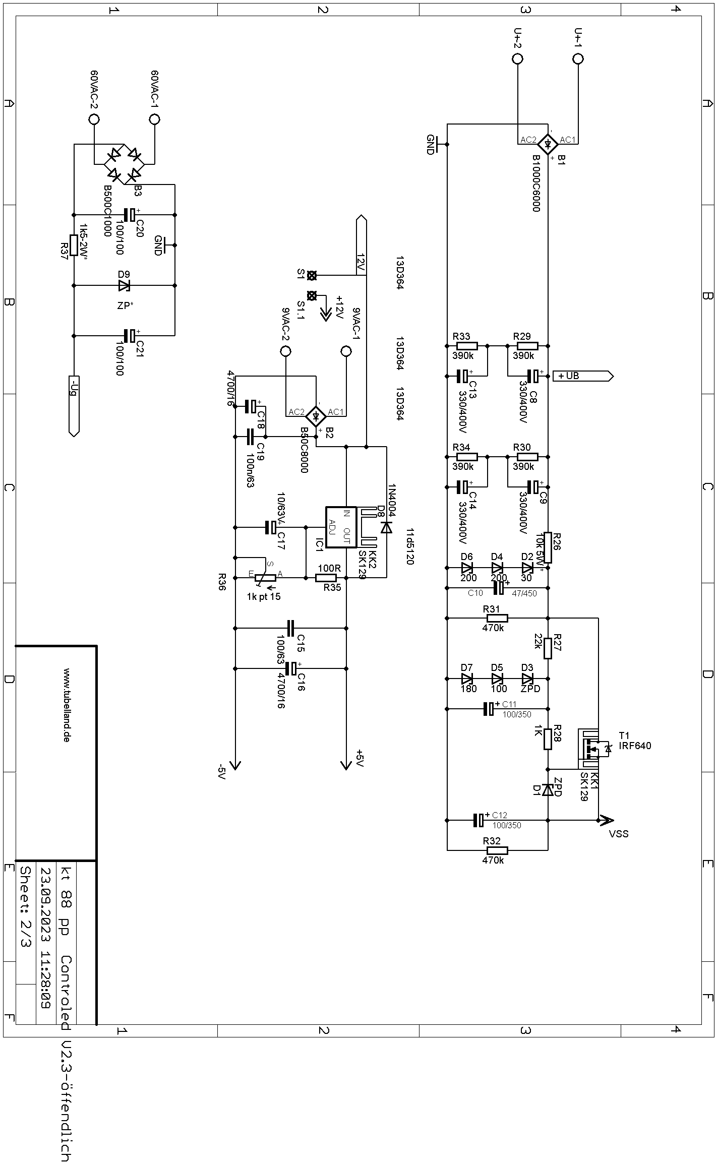
Zum Netzteil:
Auch hier wurden ein Parr Kleine Sinnvolle Änderungen Durchgeführt. R27 wurde gegen einen 22K 2W Widerstand getauscht (Früher 8K2) das hat den Vorteil das R26 nicht mehr ganz so warm wird. D3 Wird in der Regel nicht Bestückt und durch eine Draht Brücke ersetzt! Auch D9 Wird in der Regel nicht Bestückt! Sie dient ggf. zur Spannungsberenzung.
Auch Wurde das Netzteil etwas vereinfacht.
Die Ladekondensatoren sind Jeweils in Reihe geschaltet und mit entlade Widerstände Versehen. ACHTUNG! Die Bordspannung ist Lebensgefährlich! ! ! Bitte Achten sie darauf das beim Hantieren die Anodenspannung nahezu Abgebaut ist. Damit sie sich nicht Verletzen! !

Das Bild Zeigt nochmals die DIP Schalterstellung für den KT88 Amp Stufe 3-4 ist hier richtig!
Die Versorgungsspannung ist Über den T1018 oder Über den T2419 möglich.
Die Anodenspannung ist für die KT88 353V -UG = 60V zu Wählen Über S1 und S1.1 Kann der Amp Während des Betriebs Zwischen Triode und Pentode Geschaltet werden.
Auf dem Bestückungsdruck sehen sie Über TP9 eine kleine Draht Brücke! Diese muss gesetzt werden und Verbindet die DC Heizung auf GND! Alle TP (Test Point) dienen Zum Testen der Board Spannung bzw. Abgleich. Hier Können die Meßspitzen einfach auf das Pad platziert werden.

Bestückt wird Grundsätzlich nach den Bestückungsplan!
Sei dem sie möchten den Amp Modifizieren!
|
Spalte1 |
Spalte2 |
Spalte3 |
Spalte4 |
|
Menge |
Wert |
Device |
Bauteile |
|
2 |
5R6-2W |
2W Metall |
R6, R22 |
|
2 |
68R |
1/4 W Metall |
R24, R25 |
|
1 |
100R |
1/4 W Metall |
R35 |
|
1 |
560R |
1/4 W Metall |
R17 |
|
2 |
270R 5W |
RKH208-8R |
R3, R15 |
|
3 |
1k |
1/4 W Metall |
R28, R63, R64 |
|
3 |
1k2 |
1/4 W Metall |
R2, R10, R20 |
|
2 |
1k5 2W |
2W Metall |
R1, R14 |
|
1 |
1k5-2W* |
2W Metall |
R37 |
|
6 |
2k2 |
1/4 W Metall |
R50, R56, R58, R59, R60, R71 |
|
1 |
10k |
TRIM_EU-LI15 |
R23 |
|
1 |
10k 5W * |
RKH208-8 |
R26 |
|
2 |
22k |
1/4 W Metall |
R5, R18 |
|
1 |
22k 2W |
2W Metall |
R27 |
|
1 |
27k |
1/4 W Metall |
R21 |
|
4 |
33k |
1/4 W Metall |
R52, R53, R54, R55 |
|
4 |
47k |
1/4 W Metall |
R7, R12, R67, R68 |
|
4 |
47k 1W |
1W Metall |
R61, R62, R65, R66 |
|
11 |
100k |
1/4 W Metall |
R38, R42, R43, R44, R45, R46, R47, R48, R49, R69, R70 |
|
1 |
150k |
1/4 W Metall |
R11 |
|
1 |
220k |
1/4 W Metall |
R4, R51 |
|
1 |
270k |
1/4 W Metall |
R16 |
|
4 |
390k |
1/4 W Metall |
R29, R30, R33, R34 |
|
8 |
470k |
1/4 W Metall |
R8, R19, R31, R32, R39, R40, R41, R57 |
|
1 |
1k pt 15 |
TRIM_EU-LI15 |
R36 |
|
2 |
5k |
TRIM_EU-LI15 |
R9, R13 |
|
2 |
1500PF |
C-EU075-042X103 |
C1, C5 |
|
1 |
22n/400V |
C-EU102-043X133 |
C6 |
|
13 |
0µ1 |
C-EU050-025X075 |
C15, C19, C22, C23, C24, C25, C26, C27, C28, C29, C31, C34, C35 |
|
4 |
330n/400v |
C-EU225-087X268 |
C2, C3, C4, C7 |
|
4 |
0,47µF 160V |
CPOL-EUE2.5-6 |
C38, C39, C40, C41 |
|
3 |
4µ7 |
CPOL-EUE2.5-6 |
C30, C32, C33 |
|
1 |
10µF/63V |
CPOL-EUE2.5-6 |
C17 |
|
1 |
47µF/450V |
E7,5-18 |
C10 |
|
2 |
100µF/100V |
CPOL-EUE5-13 |
C20, C21 |
|
2 |
100µF/350V |
E7,5-18 |
C11, C12 |
|
4 |
330µF/400V |
CPOL-EUE10-30 |
C8, C9, C13, C14 |
|
2 |
2200µF/16V |
CPOL-EUE5-13 |
C36, C37 |
|
2 |
4700µF/16V |
CPOL-EUE7.5-16 |
C16, C18 |
|
3 |
1N4004 |
1N4004 |
D8, D13, D14 |
|
1 |
1N4148 |
1N4148DO35-7 |
D10 |
|
1 |
13V |
ZPD |
D1 |
|
1 |
30V |
ZPD |
D2 |
|
1 |
100V |
ZPD | D/ |
| 180V |
ZPD |
D7 |
|
|
2 |
200V |
ZPD |
D4, D6 |
|
1 |
7805TV |
7805TV |
IC2 |
|
1 |
B50C8000 |
KBU |
B2 |
|
1 |
B500C1000 |
RB1A |
B3 |
|
1 |
B1000C6000 |
KBU |
B1 |
|
2 |
BF421 oder BF423 |
BF421 |
Q1, Q2 |
|
1 |
IRF640 |
IRF640 |
T1 |
|
1 |
MEGA48PU |
MEGA48PU |
IC3 |
|
1 |
LM350T |
LM350T |
IC1 |
|
1 |
IK OK LED GRÜN |
SFH482 |
D12 |
|
1 |
Rö1Err LED ROT |
SFH482 |
D40A |
|
1 |
Rö2Err LED ROT |
SFH482 |
D40B |
|
1 |
Reg eingefroren, LED GELB |
SFH482 |
D11 |
|
1 |
Run LED Blau |
SFH482 |
D15 |
|
7 |
AK500/2 |
|
|
|
1 |
AKL 101-03 |
AK500/3 |
|
|
1 |
Fassung DIP28 |
||
|
2 |
SK129 |
SK129 |
KK1, KK2 |
| 1 | KDR16 HEX DIP Schalter 6 Pin | ||
|
2 |
4,7mH |
BS11 |
L1, L2 |
|
2 |
ECC82 |
ECC82 |
V3, V4 |
|
2 |
KT 88 |
EL34-P |
V1, V2 |
|
2 |
Noval Fassung |
|
|
|
2 |
Oktal Fassung |
|
|
|
2 |
G2R Relay 12V 1xUM |
G2R |
K1, K2 |
|
1 |
Leiterplatte 189x179mm |
Bein Bestücken werden Die Fassung auf der Botten Seite Montiert! Bei den Oktal Fassung darauf achten dass sie Richtig Eingelötet wird wie auf den Foto zu sehen! Dabei Zeigt die Nase nach Hinten!

Anbei Anhang N in den die Daten entnommen werden können.
Die Liste kann erweitert oder verändert werden. Die Aktuellste Version befindet sich auf www.tubeland.de
|
Anhang N |
|
|
|
|
|
|
|
|
|
|
|
|
|
|
|
|
|
Röhre |
Ausgangsleistung |
Schaltung |
AÜ Impedanz |
U+ |
I |
R16/R18 |
G1 -U |
|
|
|
|
|
|
|
|
|
|
EL 34 |
36 W |
Pentode |
3k8 |
350V |
35 mA |
470R |
-32 |
|
EL 34 |
44 W |
Pentode |
2k8 |
375V |
35 mA |
470R |
-32 |
|
EL 34 |
45 W |
Pentode |
4k |
400V |
30 mA |
1K |
-38 |
|
EL 34 |
55 W |
Pentode |
3k4 |
425V |
30 mA |
1K |
-38 |
|
EL 34 |
58 W |
Pentode |
5k |
475V |
30 mA |
750 R |
-36 |
|
EL 34 |
70 W |
Pentode |
4k |
500V |
30 mA |
750 R |
-36 |
|
EL 34 |
90 W |
Pentode |
11k |
750V |
25 mA |
750 R |
-39 |
|
EL 34 |
100 W |
Pentode |
11k |
800V |
25 mA |
750 R |
-39 |
|
|
|
|
|
|
|
|
|
|
EL 34 |
15,5 W |
Triode |
5 K |
375 V |
|
|
|
|
|
|
|
|
|
|
|
|
|
6L6 |
14,5 W |
Pentode |
5K |
250V |
60 mA |
|
-16 |
|
6L6 |
26,5 W |
Pentode |
6K6 |
360V |
44 mA |
|
-22,5 |
|
6L6 |
47 W |
Pentode |
3k8 |
360V |
|
|
-22,5 |
|
6L6 |
55 W |
Pentode |
5k6 |
450V |
|
|
-37 |
|
6L6 |
1,4 W |
Triode |
5K |
250V |
40 mA |
|
-20 |
|
|
|
|
|
|
|
|
|
|
6550 |
77 W |
Pentode |
3K5 |
450V |
|
|
-29,5 |
|
6550 |
100 W |
Pentode |
5K |
600V |
|
|
-32,5 |
|
|
|
|
|
|
|
|
|
|
KT 66 |
4,5 W |
Triode |
2k5 |
270V |
|
|
-19 |
|
KT 66 |
14,5 W |
Triode |
5k |
440V |
|
|
-38 |
|
KT 66 |
50 W |
Pentode |
8K |
525V |
35 mA |
|
-67 |
|
KT 66 |
50 W |
Pentode |
5k |
475V |
|
|
-80 |
|
|
|
|
|
|
|
|
|
|
KT 77 |
34 W |
Pentode |
6k |
430V |
|
22R |
|
|
KT 77 |
45 W |
Pentode |
4k5 |
400V |
|
22R |
-31 |
|
KT 77 |
67 W |
Pentode |
5k5 |
500V |
|
22R |
-43 |
|
KT 77 |
72 W |
Pentode |
9k |
600V |
|
22R |
-56 |
|
KT 77 |
18 W |
Triode |
5K |
430V |
|
22R |
-30 |
|
|
|
|
|
|
|
|
|
|
KT 88 |
50 W |
Pentode |
6k |
500V |
|
270R |
-50 |
|
KT 88 |
100 W |
Pentode |
4k5 |
560V |
|
270R |
-80 |
|
KT 88 |
15 W |
Triode |
4k |
400V |
|
270R |
-38 |
|
KT 88 |
37 W |
Triode |
4k |
485V |
|
270R |
-48 |
|
KT 88 |
30 W |
Pentode |
5K |
375V |
|
270R |
-35 |
|
KT 88 |
70W |
Pentode |
4K |
485V |
|
270R |
-59 |
|
|
|
|
|
|
|
|
|
|
|
|
|
|
|
|
|
|
|
KT 90 |
Leider zurzeit keine Daten vorhanden |
|
|
|
|
||
|
|
|
|
|
|
|
|
|
|
KT 100 |
Leider zurzeit keine Daten vorhanden |
|
|
|
|
||
Wie man sieht gibt es einige Möglichkeiten Ich habe mich für die KT 120 Entschieden 485V DC unter Last und einen AÜ mit 4K für die EL 34 50W Aus mein Programm. Der seine Dienste gut erwies. Grundsätzlich sind meine AÜ´s Überdemensiert so dass ich auch für die KT120 den EL34 AÜ nutzen kann. Ruhestrom steht auf Pos 4. Ich bin damit zufrieden. In Welschen Modus sie die Endstufe laufen lassen möchten Können sie Frei Wählen.
Die Daten Habe ich aus Tabellen Gesammelt und hier verfasst eine Garantie der Richtigkeit schließe ich aus trotz Sorgfältiger Überarbeitung aus.
Und noch was. Eine Einschaltverzögerung Würde ich der Schaltung auf alle Fälle gönne! Beim Einschalten des Amps Könnte sonst der Automat heraus Fliegen. Außerdem würden die Schmelzsicherungen nicht Optimal den Trafo Schützen
Leiterplatte zur Einschaltverzögerung wird separat behandelt.
Gegenkopplung:
Um sicher zu stellen das auch wirklich gegen gekoppelt wird. Bedienen sie sich folgenden Test:
Lassen sie die Endstufe erst einmal OHNE Gegenkopplung laufen.
Als Audio Quelle kann ein Sinus Signal oder etwas von einer CD dienen.
Die Lautsprecher sind Angeschlossen. Der Ausgangspegel auf Zimmer Lautstärke einstellen genügt. Während des Betriebs wird die GK eingeschaltet.
Achten sie auf den Lautstärke Unterschied.
Ist die Musik Jetzt Leiser als vorher. Wurde die GK Richtig Verdrahtet. Der Amp wäre dann fertig.
Sollte die Musikwiedergabe nicht leiser, sondern Lauter werden. Dann Sprechen wir von einer Mitkopplung!
In unser Fall ist die Mitkopplung nicht erwünscht.
Gegenmaßnahmen:
Vertauschen sie dann Am AÜ den Ausgang 11 und 17 miteinander.
Nun wird wie gewünscht Gegen gekoppelt.
GND ist immer LS – und Die Lötöse die auch zur GK verwendet wird ist LS +
Grundsätzlich Muss der Amp Geerdet sein. Um eine Masseschleife zu verhindern kann die Erde an den Cinch Eingang oder an der DC Heizung Brücke geerdet werden.
Technische Daten:
Anodenspannung unter Last 485V
Verwendete Röhren: 2* ECC 82 JJ 2* KT 88 EH
Übertrager 2* EL 34 4K 8R
Trioden Betrieb:
Leistung 36W
Eingangsempfindlichkeit 0,931V Bei Volllaussteuerung
F gang Bei 20Watt gemessen 12,5 Hz 0 db, 35 kHz 0 db 54 kHz – 3 db
Verstärkungsfaktor 25,2 db
Pentoden Betrieb:
Leistung 70 W
Eingangsempfindlichkeit 0,947 V Bei Vollaussteuerung
F gang bei 35 Watt Gemessen 15 Hz – 0,2 db, 35kHz 0db, 45 – 3db
F gang bei 70 Watt Gemessen 15 Hz – 1,6 db, 20 Hz – 0,4 db, 25kHz – 3db
Verstärkungsfaktor 28 db
Störspannung 0,9mV bei 8 Ohm
