SRS4452-Tetrode-OTL-AMP 2021

- 150V DC (130V AC 220mA) 6,3V 3,5A
- 80 Ohm 13 Hz – 144 kHz – 0,6db
- Albs Blue Poti
- Leiterplatte 119*114 mm 2 DK Fr4
Die SRS4452 ist eine Strahlungsgekühlte Sende Tetrode beide Systeme besitzen ein gemeinsames Schirmgitter. Sie ist baugleich mit der Röhre QQE 03/20 und der 6252. Die Röhre wurde ursprünglich Als HF Verstärker, Oszillator, Frequenzvervielfacher oder auch als NF Verstärker eingesetzt. Entsprechend ist sie in den Datenblatt auch Als NF Röhre Aufgelistet.
In der Praxis Aber findet man die Röhre äußerst Selten in NF Verstärkern zur Anwendung.
Die Röhre ist Sehr interessant, da diese auch noch in Sehr hoher Stückzahl zur Verfügung Steht. Sie ist Preisgünstig.
Technische Daten:
Uf 6,3V 1,3A Parallel / 12,6V 0,65 mA in Serie
Ua 250V
Ug2 250V
Ug1 – 22V
Ia 20 mA
Steilheit 2,5 mA/V
Ug2/g1 = 8 (Schirmgitterverstärkungsfaktor)
Anodenverlustleistung 2x 10W
Nf Verstärker B betrieb:
Ua 300V
Ug2 250V
Raa 11K
Gitterwechselspannung 50V
Ia 2x 35 mA
I g2 2 x 9,5 mA
P = 13,2 W
Soviel erst einmal zu dieser Röhre.
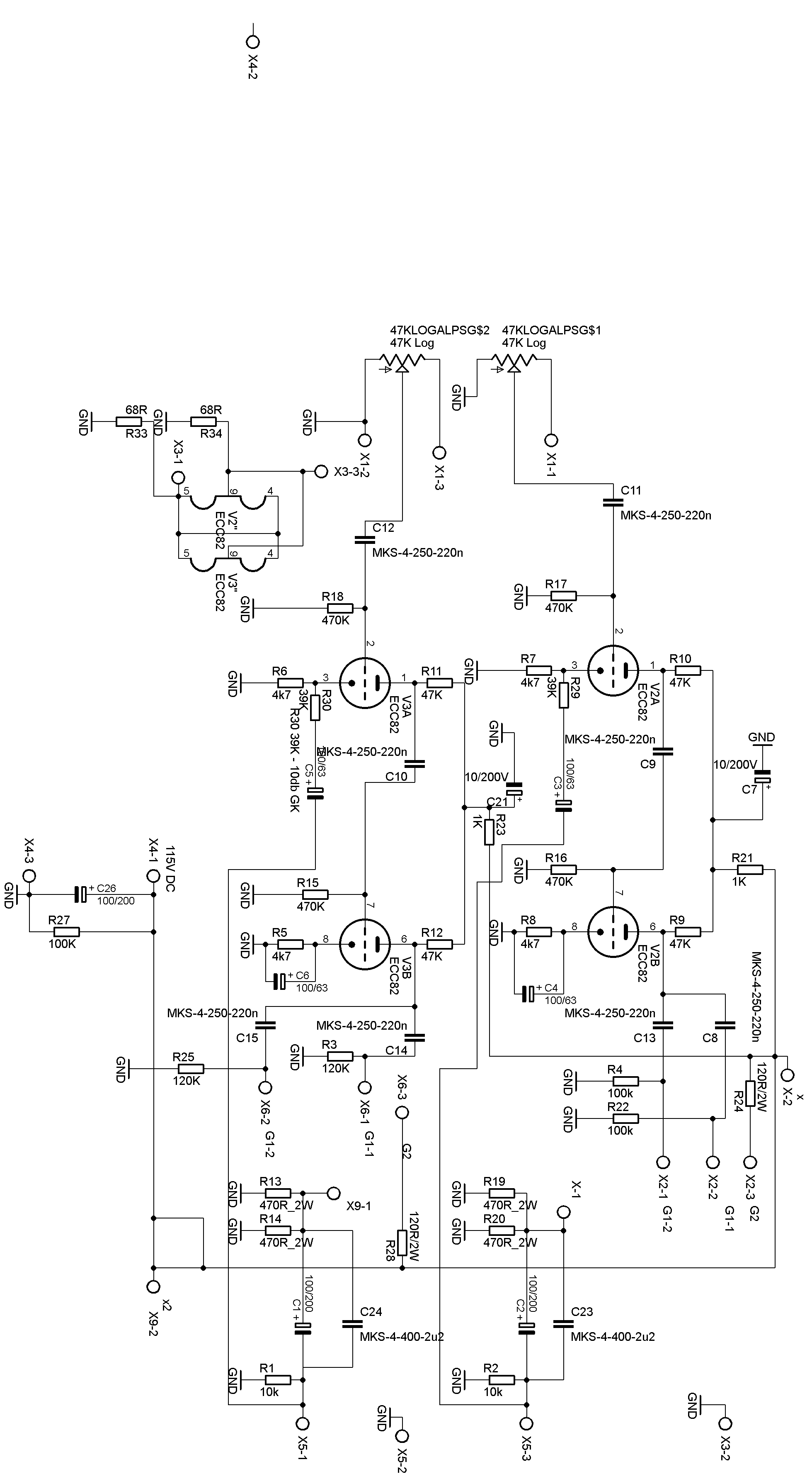
Um einen OTL Kopfhörerverstärker damit bauen zu können, werden beide Systeme für einen Kanal verwendet. 150V Betrieb Spannung reichen hier Völlig aus.
Soviel erst einmal zu dieser Röhre.
Um einen OTL Kopfhörerverstärker damit bauen zu können, werden beide Systeme für einen Kanal verwendet. 150V Betrieb Spannung reichen hier Völlig aus.
Ich Verwende dafür 130V AC und Speise damit das Anodenspannung Netzteil ein. Die ZD auf 150V in Summe. Geheizt wird mir AC.
Wichtig ist bei dieser Röhre das die Leiterplatte in ein Gehäuse gesetzt wird und die Verdrahtung kurzgehalten wird! Für g1 und g2 habe ich Abgeschirmte Audio Litze verwendet, da ich in meinen Gehäuse das ich zur Verfügung habe den Ringbandkern direkt unter der Endröhre Sitzen habe. Somit konnte ich die Störgeräusche fast auf 0 setzen.
In der Praxis habe ich festgestellt das die Anode der Röhre sehr empfänglich ist und Störsignale Prodozieren kann! Das Problem ist aber auf verschiedenen Wegen auch ohne Gehäuse im Griff zu bekommen. Durch das Anlöten eines Widerstands (47- 120 Ohm 2W) direkt an der Anodenkappe hilft gegen das Problem! Auch eine kleine Spule mit 4,7 mH Funktioniert.
Die Anodenkappe sowie die Zuleitung incl. Widerstand sollte Berührungssicher verpackt werden da hier 150V !! ! anliegen.
Es ist auf Jedem Fall Möglich eine Saubere und Störungsfreie Widergabe zu bekommen.
Nicht zu vergessen ist das die Röhre von den Herstellern auch für NF Zwecke beworben wurde.
Optisch gesehen ist das eine sehr schöne Röhre die nicht überall zu finden ist. Die Klanglichen Eigenschaften sind auf jedenfalls überzeugend. Es macht viel Freude damit zu Hören.


Die Endröhren werden Gemäß der Klemmleiste angeschlossen. Im Grunde erklärt sich das von selbst. Die Heizung wird direkt an den Fassungen angeschlossen. Sowie bei der vor Röhre (R33, R34 68R) werden auch an der End Röhre nach dem Gleichen Prinzip Widerstände versehen und mit GND Verbunden!
|
Menge |
Wert |
Device |
Bauteile |
|
2 |
68R |
1/4W Metall |
R33, R34 |
|
2 |
120R/2W |
2W Metall |
R24, R28 |
|
4 |
470R_2W |
2W Metall |
R13, R14, R19, R20 |
|
2 |
1K |
1/4W Metall |
R21, R23 |
|
4 |
4k7 |
1/4W Metall |
R5, R6, R7, R8 |
|
2 |
10k |
1/4W Metall |
R1, R2 |
|
2 |
39K |
1/4W Metall |
R29, R30 |
|
4 |
47K |
1/4W Metall |
R9, R10, R11, R12 |
|
1 |
100K |
1/4W Metall |
R27 |
|
2 |
100k |
1/4W Metall |
R4, R22 |
|
2 |
120K |
1/4W Metall |
R3, R25 |
|
4 |
470K |
1/4W Metall |
R15, R16, R17, R18 |
|
8 |
MKS-4-250-220n |
C15/6 |
C8, C9, C10, C11, C12, C13, C14, C15 |
|
2 |
MKS-4-400-2u2 |
C-EU275-205X316 |
C23, C24 |
|
2 |
10/200V |
CPOL-EUE5-13 |
C7, C21, C26 |
|
2 |
100/200 |
E7,5-16 |
C1, C2 |
|
4 |
100/63 |
E5,0-10 |
C3, C4, C5, C6 |
|
|
|
|
|
|
2 |
Noval Fassung |
||
|
2 |
Septar |
||
|
2 |
ECC82 |
ECC82-P |
V2, V3 |
|
2 |
SRS4452 |
V3, V4 |
|
|
1 |
47K Log |
ALPS_BLUE |
47KLOGALPS |
|
1 |
x |
AK500/2 |
X |
|
1 |
x2 |
AK500/2 |
X9 |
|
6 |
AK500/3 |
X1, X2, X3, X4, X5, X6 |
|
|
1 |
Leiterplatte |
119,114 mm |
