PP Treiber mit dem Atmega48 für die 6C33, 300B, 6528, 6AS7G 6C41 oder Ähnliche Röhren 2021

 PP Treiber mit dem Atmega48 für die 6C33, 300B, 6528, 6AS7G 6C41 oder Ähnliche Röhren

 

 

  • Auto Bias mit dem Atmega48 oder auch Ohne Möglich
  • Anodenspannung bis zu 400V ca. 19 mA, Heizung 6,3V xx A, (Röhren Abhängig)  9V 100mA
  • Amplitude 246 Vpp (89V RMS)
  • Leiterplatte 141x118mm DK Fr4
  • 6SL7 / 6SN7 je nach Bedarf einsetzbar

 

Die hier Vorgestellte Treiber Vorstufe wurde so entwickelt, so dass diese Breitbandig für Diverse Endstufen Röhren eingesetzt werden kann.

Da die Trioden eine Höhere Amplitude als die Pentoden Benötigen, bedarf es eine Schaltung mit einer Höheren Amplitude, sowie einen Höheren Verstärkungsfaktor.

 

Da Bekanntlicherweise Röhren wie die 6C33, 6C41, 6AS7G etc. für ihr unerwünschtes Weg Driften Bekannt sind,  ist eine Auto Bias Schaltung nur zum Vorteil!

Sollten sie die Bias Steuerung Nicht benötigen, so kann diese dann auch entfallen. Sprich sie wird dann nicht Bestückt. Entsprechend muss dann aber auf herkömmliche Art und Weise verfahren werden!

Grundsätzlich kann Die Schaltung Abweichend auch Angepasst werden in Falle das die Verstärkung noch etwas höher sein Muss kann die Eingangsröhre entsprechend gegen die 6SL7 Getauscht werden!

 

Mein Testaufbau erfolgte mit  2X 6SN7 für mich war die Verstärkung so hoch genug gewesen so das eine Empfindlichere Röhre nicht erforderlich war.

Eine Anpassung der Widerstände bei Röhrenwechsel in der Vorstufe ist nicht Zwingend erforderlich!

Allerdings muss nach Röhrentausch die Symmetrie neu Abgeglichen werden!

Die Idee und der Entwurf der Treiberstufe stammt von Ernst Rößler (Verstorben am 13.Sept.2017) der in der Vergangenheit viele Schöne Schaltungen entworfen hatte u.a. sogar auch ein UKW-Röhrenradio.

Bis auf ein Parr Kleinigkeiten wie das er eine 6BL7 Als Treiber eingesetzt hat und als Eingang eine 6SL7, so verwende ich stattdessen 2x die 6SN7. Die Anodenverlustleistung von 5 W Reicht auch aus um eine 6C33 anzusteuern!

Da Schaltungsbedingt bei 400V Anodenspannung  89V RMS erreicht wird, würde ich die 6C33 mit einer Anodenspannung von ca. 200V - 220V betreiben.

Die zu erwartende Ausgangsleistung bei einem AÜ mit einer Raa von 600 Ohm sind etwas Über 60W RMS möglich!  Die Anodenverlustleistung würde ich Zwischen 20 – 35 W max. einstellen. Da die 6C33 nicht mehr Hergestellt wird würde ich sie nicht am Limit betreiben. So erhöht sich die Lebenserwartung der Röhre um ein Vielfaches!

R18 ist für die Gegenkopplung verantwortlich. Dieser Wert kann von 39K oder Höher gewählt werden. Je nach dem wie Empfindlich der Eingang sein soll.  

Unter anderen sollte berücksichtigt werden das die Meisten Pre Amps für eine Aussteuerung von 2,1Vpp (755 mV RMS) ausgelegt sind.

Am einfachsten ist es ein Poti für R18 Einzusetzen um den Wert zu ermitteln. Sobald sie die Gewünschte GK eingestellt haben, messen sie diesen Wert und ersetzten die diesen durch einen Fest Widerstand entsprechend.

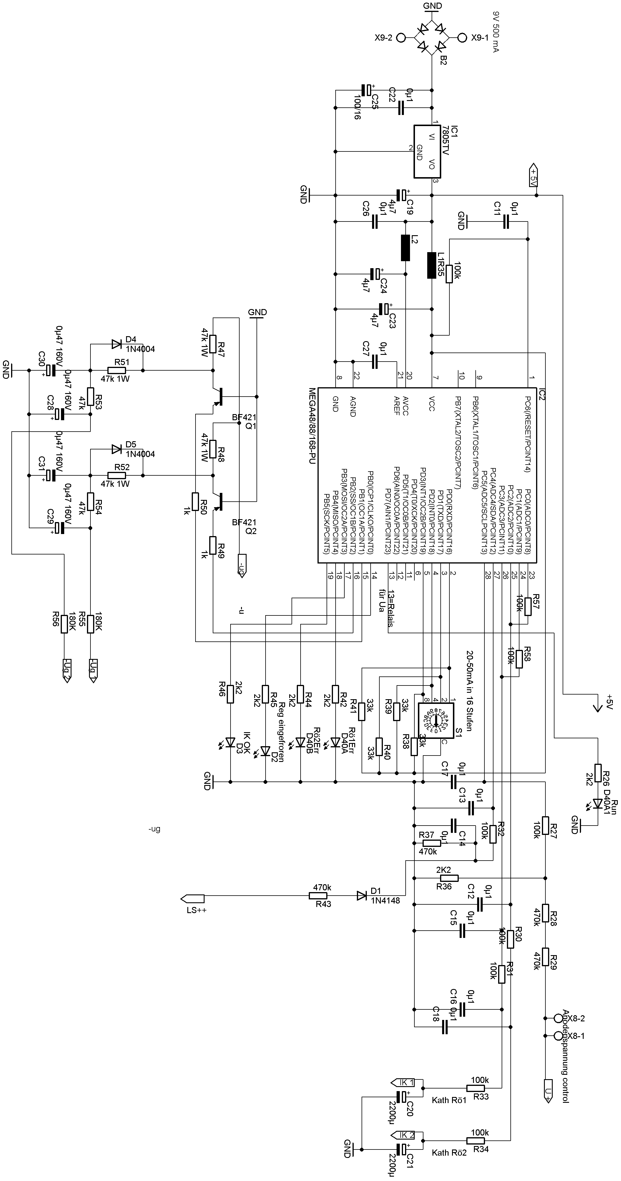
Wichtig zu wissen ist es das es Zwingend für die Atmega48 Steuerung erforderlich ist den LS Ausgang von den Übertragern mit der Leiterplatte zu verbinden! Damit der Atmeg48 auch den -Ug wert Einfrieren kann.

Je nach Erwarteter Ausgangsleistung können R43 und R37 die für das Einfrieren der -Ug verantwortlich sind angepasst werden. Berücksichtigen sie bitte auch das an dem Pin 27 die Spannung nicht mehr als 5V betragen Darf! Das Heißt bei Vollaussteuerung des Amps darf an Pin 27 nicht mehr als 5V Anliegen! ! !

Der Atmega48 ist auf einer Verzögerung von ca. 45 Sec. eingestellt die auch nicht verändert werden kann. Allerdings Läuft der Atmega48 erst hoch, wenn die Anodenspannung Anliegt. Vorher tut sich dann Nicht´s! ! ! Röhren wie die 6C33 benötigen allerdings mehr als 45 Sec. zeit bevor der Regler Loslaufen darf ! ! ! Dieses Können sie gewährleisten in dem sie z.b. dafür Sorgen das die Anodenspannung erst 60 Sec. Später auf die Treiber Platine Geschaltet wird.

Somit würde es dann eine Gesamte Verzögerung von ca. . 105 Sec. ergeben.

Wenn sie dafür keine Schaltung Parat haben kann der Audio Timer dafür Modifiziert werden in dem die die Verzögerung Zeit Anpassen!

Damit keine Hohe Anodenspannung Auf das Kleine Relay anliegt würde ich mit der Schaltung An C14 Abgreifen und diesen Erst einmal mit dem Audio Timer Kurz schließen. Der Kurzschluss erfolgt dann nur wenn R4 auf dem Audio Timer durch eine Draht Brücke ersetzt wird!

Für das Konfigurieren der Katoden widerstände dienen Nachfolgende Tabellen:

 

 

 

 

 

 

 

 

 

 Nachfolgende Tabellen Sind für die Ermittlung des Katoden Widerstand gedacht

 

 

S

RK in Ohm

IK= A

RK in Ohm

IK= A

RK in Ohm

IK= A

RK in Ohm

IK= A

0

1

0,293

1,2

0,244

15

0,0196

1,8

0,163

1

1

0,328

1,2

0,273

15

0,0219

1,8

0,182

2

1

0,362

1,2

0,302

15

0,0242

1,8

0,201

3

1

0,397

1,2

0,331

15

0,0265

1,8

0,220

4

1

0,431

1,2

0,359

15

0,0288

1,8

0,240

5

1

0,466

1,2

0,388

15

0,0311

1,8

0,259

6

1

0,500

1,2

0,417

15

0,0334

1,8

0,278

7

1

0,535

1,2

0,446

15

0,0357

1,8

0,297

8

1

0,569

1,2

0,475

15

0,0380

1,8

0,316

9

1

0,604

1,2

0,503

15

0,0403

1,8

0,336

A

1

0,638

1,2

0,532

15

0,0426

1,8

0,355

B

1

0,673

1,2

0,561

15

0,0449

1,8

0,374

C

1

0,707

1,2

0,590

15

0,0472

1,8

0,393

D

1

0,742

1,2

0,618

15

0,0495

1,8

0,412

E

1

0,776

1,2

0,647

15

0,0518

1,8

0,431

F

1

0,811

1,2

0,676

15

0,0541

1,8

0,451

 

S

RK in Ohm

IK= A

RK in Ohm

IK= A

RK in Ohm

IK= A

RK in Ohm

IK= A

0

2,2

0,133

2,7

0,109

3,3

0,089

4,7

0,062

1

2,2

0,149

2,7

0,121

3,3

0,099

4,7

0,070

2

2,2

0,165

2,7

0,134

3,3

0,110

4,7

0,077

3

2,2

0,180

2,7

0,147

3,3

0,120

4,7

0,084

4

2,2

0,196

2,7

0,160

3,3

0,131

4,7

0,092

5

2,2

0,212

2,7

0,173

3,3

0,141

4,7

0,099

6

2,2

0,227

2,7

0,185

3,3

0,152

4,7

0,106

7

2,2

0,243

2,7

0,198

3,3

0,162

4,7

0,114

8

2,2

0,259

2,7

0,211

3,3

0,173

4,7

0,121

9

2,2

0,275

2,7

0,224

3,3

0,183

4,7

0,128

A

2,2

0,290

2,7

0,236

3,3

0,193

4,7

0,136

B

2,2

0,306

2,7

0,249

3,3

0,204

4,7

0,143

C

2,2

0,322

2,7

0,262

3,3

0,214

4,7

0,151

D

2,2

0,337

2,7

0,275

3,3

0,225

4,7

0,158

E

2,2

0,353

2,7

0,288

3,3

0,235

4,7

0,165

F

2,2

0,369

2,7

0,300

3,3

0,246

4,7

0,173

 

 

 

 

 

 

 

 

 

S

RK in Ohm

IK= A

RK in Ohm

IK= A

RK in Ohm

IK= A

RK in Ohm

IK= A

 

 

 

 

 

 

 

 

 

 

S

RK in Ohm

IK= A

RK in Ohm

IK= A

RK in Ohm

IK= A

RK in Ohm

IK= A

0

5,6

0,052

6,8

0,043

10

0,029

12

0,024

1

5,6

0,059

6,8

0,048

10

0,033

12

0,027

2

5,6

0,065

6,8

0,053

10

0,036

12

0,030

3

5,6

0,071

6,8

0,058

10

0,040

12

0,033

4

5,6

0,077

6,8

0,063

10

0,043

12

0,036

5

5,6

0,083

6,8

0,069

10

0,047

12

0,039

6

5,6

0,089

6,8

0,074

10

0,050

12

0,042

7

5,6

0,096

6,8

0,079

10

0,053

12

0,045

8

5,6

0,102

6,8

0,084

10

0,057

12

0,047

9

5,6

0,108

6,8

0,089

10

0,060

12

0,050

A

5,6

0,114

6,8

0,094

10

0,064

12

0,053

B

5,6

0,120

6,8

0,099

10

0,067

12

0,056

C

5,6

0,126

6,8

0,104

10

0,071

12

0,059

D

5,6

0,132

6,8

0,109

10

0,074

12

0,062

E

5,6

0,139

6,8

0,114

10

0,078

12

0,065

F

5,6

0,145

6,8

0,119

10

0,081

12

0,068

 

 

Betribszustandanzeige der LED´s  bzw. Regler Funktion

Die Led´s Zeigen den Betriebs Zustand wie folgt an.
LED15 Grün Zeigt nach ca. 45 Sec. an das der Regler anfängt zu Laufen. Davor beginnt die Aufheizfase der Endröhren. Sind die Röhren auf den Ruhestrom eingestellt dann Leuchtet Die LED D12 Grün auf und Signalisiert das die Röhren auf ein eingestellten Ruhestrom Laufen.

Sobald das Eingang Signal einen gewissen Pegel erreicht, wird der eingestellte Wert eingefroren. Dann Leuchtet die LED D11 Blau.

Für Fehler der Endröhren Leuchten dann LED D40A und/oder D40B Rot auf. Sollte das der Fall sein Stimmt etwas mit den Endstufen Röhren nicht und müssen ggf. getauscht werden. Das Passiert vor allem wenn der Ruhestrom außer den festgelegten Ruhestrom trotz allen abdriftet.

Port D7 Liegt nach ca. 30-40 Sec 5V An. Das Signalisiert, dass der Regler bereit ist zu Arbeiten.

Der Regler benötigt folgende Bedingungen um loszulaufen:
1) die Zeit (~30 - 45s) muss seit dem Einschalten abgelaufen sein - das kann überprüft werden, in dem an PortD.7 nachmisst, ob 1-5V anliegen. 2) die Spannung am Speaker-Eingang muss höher als 0,28V sein (wohlgemerkt. nach den Teiler Widerständen) Ansonsten wird –Ug nicht eingefroren und der Regler regelt unerwünscht den Arbeitspunk nach. Das soll nicht sein!  3) die Spannung am Betriebsspannungseingang muss mindestens 0,47V betragen (auch...nach dem Teiler widerstanden) ist dies nicht der Fall Bleiben alle LED´s dunkel und der Regler Hält die maximale –Ug Spannung! Je nach dem Wie hoch die Anodenspannung ist Müsste der Spannungsteiler Dementsprechend angepasst werden.
Ist alles erfüllt, so beginnt der Regler zu laufen. Wenn an den Messeingängen für die Kathodenströme nichts weiter angeschlossen ist, dann muss der Regler irgendwann in die Begrenzung laufen und die zugehörigen LEDs müssten angehen (PortB.4-PortB.7). Falls die Eingänge wirklich offen sind und nicht per Messwiderstand auf 0V gezogen werden, dann kann dies auch zu unterschiedlichen Zeitpunkten erfolgen.
PortB.0 geht nur dann auf "High" wenn am Speaker-Eingang mehr als 0,28V anliegen. Je nach Eingangsspannung Kann der Spannungsteiler Angepasst werden.

Die Kondensatoren können nach Wunsch (100nF) auch gegen Größere (1uF) getauscht werden. Ist aber Geschmacksache. PortB.3 geht auf High, falls alle (gemessenen) Kathodenströme in einem recht kleinen Bereich um den Sollstrom liegen.

 Die Vorwiderstände müssen je nach LED-Typ angepasst werden Als Standard habe ich 2K2 Ohm Widerstände eingesetzt. Diese sind für LED´s  Low Energie  ca. 2 mA sollten die Widerstände um die 2K2 Ohm liegen. Datenblatt der eingesetzten LED beachten!

 Im Allgemeinen darf an den Atmega xx an den Port Ausgängen eine Maximale last von 20 mA angeschlossen werden.

 Ug Sollte etwas höher gewählt werden als benötigt!

 

 

 

 

 

 

Spalte1

Spalte2

Spalte3

Spalte4

Menge

Wert

Device

Bauteile

       

2

4R7/2W

2W Metall

R9, R25

2

15R

1/4W Metall

R3, R23

2

68R

1/4W Metall

R19, R21

2

1k

1/4W Metall

R49, R50

4

1k2 2W

2W Metall

R11, R12, R14, R17

6

2k2

1/4W Metall

R26,  R36, R42, R44, R45, R46

1

27k 2W

2W Metall

R4

4

33k

1/4W Metall

R38, R39, R40, R41

2

33k 2W

2W Metall

R2, R22

2

39k 2W

2W Metall

R1, R24

2

47k

1/4W Metall

R53, R54

4

47k 1W

1W Metall

R47, R48, R51, R52

1

100K-lin

TRIM_EU-LI15

R13

9

100k

1/4W Metall

R7, R15, R27, R30, R31, R32, R33, R34, R35, R57, R58

2

100k 2W

2W Metall

R6, R20

2

180K

1/4W Metall

R55, R56

2

330k

1/4W Metall

R10, R16

5

470K

1/4W Metall

R8, R28, R29, R37, R43

1

1M

1/4W Metall

R5

       

11

0µ1

C-EU050-025X075

C11, C12, C13, C14, C15, C16, C17, C18, C22, C26, C27

4

150n/630

C15/8

C2, C3, C7, C9

4

0µ47 160V

CPOL-EUE2.5-6

C28, C29, C30, C31

2

220n/630V

C22/10

C1, C10

3

4µ7

CPOL-EUE2.5-6

C19, C23, C24

2

47/450

E7,5-18

C6, C8

1

100/16

CPOL-EUE2.5-6

C25

2

100/63

E5,0-10

C4, C5

2

2200µ

CPOL-EUE5-13

C20, C21

1

7805TV

7805TV

IC1

2

BF421

BF421

Q1, Q2

2

1N4004

1N4004

D4, D5

1

1N4148

1N4148DO35-7

D1

1

IK OK

grün

D3

1

MEGA48/88/168-PU

MEGA48/88/168-PU

IC2

1

Dip 28 Fassung

 

 

1

Rö1Err

rot

D40A

1

Rö2Err

rot

D40B

1

Reg eingefroren

gelb

D2

1

Run

glau

D40A1

4

Printklemme

AK500/2

X3, X4, X8, X9

5

Printklemme

AK500/3

X1, X2, X5, X6, X7

2

4,7 mH

BS11

L1, L2

1

KDR16

P103

S1

2

B600C1500

RB1A

B1, B2

1

* 39K - 120K

1/4W Metall

R18

2

6SN7

OKTAL

V1, V2

1

Leiterplatte

141 mm* 118 mm

 

 

Die Stückliste ist so ausgelegt das eine 6C33 Röhre Betrieben werden kann.

Die Anodenspannung Liegt dann für die Treiber auf 400V -Ug sollte ca. 155V sein! (110V AC)

Sollten sie mein Anodenspannung Netzteil einsetzen, so sollte die Ankommende Spannung ca. 20 – 30V Höher sein als die Nutzspannung!

 

Je nach Dem für Welche Röhren sie diese Schaltung Verwenden Möchten, kann es sein Das eine geringere Amplitude ausreicht. Entsprechend kann die Anodenspannung auch Kleiner Sein.

Ggf. Müssen die Widerstände dafür Angepasst werden.

 

Wenn sie die Wiederstände anpassen möchten, so gibt es in den Datenblätter der Röhrenhersteller zum Teil Sehr Hilfreiche Tabellen. Dort ist die Grundschaltung u.a. Abgebildet sowie eine Tabelle mit den entsprechenden Angaben. Diese können nach bedarf in der Schaltung auch eingesetzt werden.

 

Sollten sie auf die Idee kommen Pentoden mit dieser Schaltung anzusteuern, so könnte es Passieren das der Verstärkungsfaktor mit reichlich Gegenkopplung nicht mehr anpassbar ist. Dazu gibt es einen Kleinen Trick dies zu umgehen ohne dass die Schaltung an sich geändert werden muss.

Sie können die werte der Anodenwiderstände Verringern. Dadurch fällt die Amplitude dann auch geringer aus die Verstärkung Verringert sich somit. Ggf. die Katoden Widerstände etwas erhöhen! Die Anodenverlustleistung darf nicht höher sein wie es im Datenblatt angegeben ist.

 

 PDF Dokument 

 

 

 

 

Wir benutzen Cookies

Wir nutzen Cookies auf unserer Website. Einige von ihnen sind essenziell für den Betrieb der Seite, während andere uns helfen, diese Website und die Nutzererfahrung zu verbessern. Sie können selbst entscheiden, ob Sie die Cookies zulassen möchten. Bitte beachten Sie, dass bei einer Ablehnung womöglich nicht mehr alle Funktionalitäten der Seite zur Verfügung stehen.