RIAA - IEC Entzerrer - Transistor

Class A Low Noise RIAA –MM-IEC

Entzerrer

 

 

    • High End-MM-RIAA-Entzerrer, extrem rauscharm
    • Symmetrische Speisespannung
    • Transistor statt OP
    • Low-Noise-Transistoren
    • IEC Filter (Rumpelfilter)
    • High Voltage +/- 24V (24V+ 0V 24V-)
    • Metallfilmwiderstände
    • Folienkondensatoren
    • Leiterplatte 46x72 mm
    • Stromaufnahme 3,2 mA (Kurzschluss 10 mA, bei Vollaussteuerung – 3,2 mA bei 47K abgeschlossen)
    • Ausgangsimpedanz 47K optimal
    • Verstärkungsfaktor 38
    • Bei 1 kHz bis 52db möglich
    • Max. Ausgangsspannung 48 V Peak 17,2 V RMS (1 kHz)
    • Max. Eingangsspannung 640 mV Peak 224 mV RMS (1 kHz)
    • Bei 3,2 mV-MM-System kommen 280 mV (1 kHz)
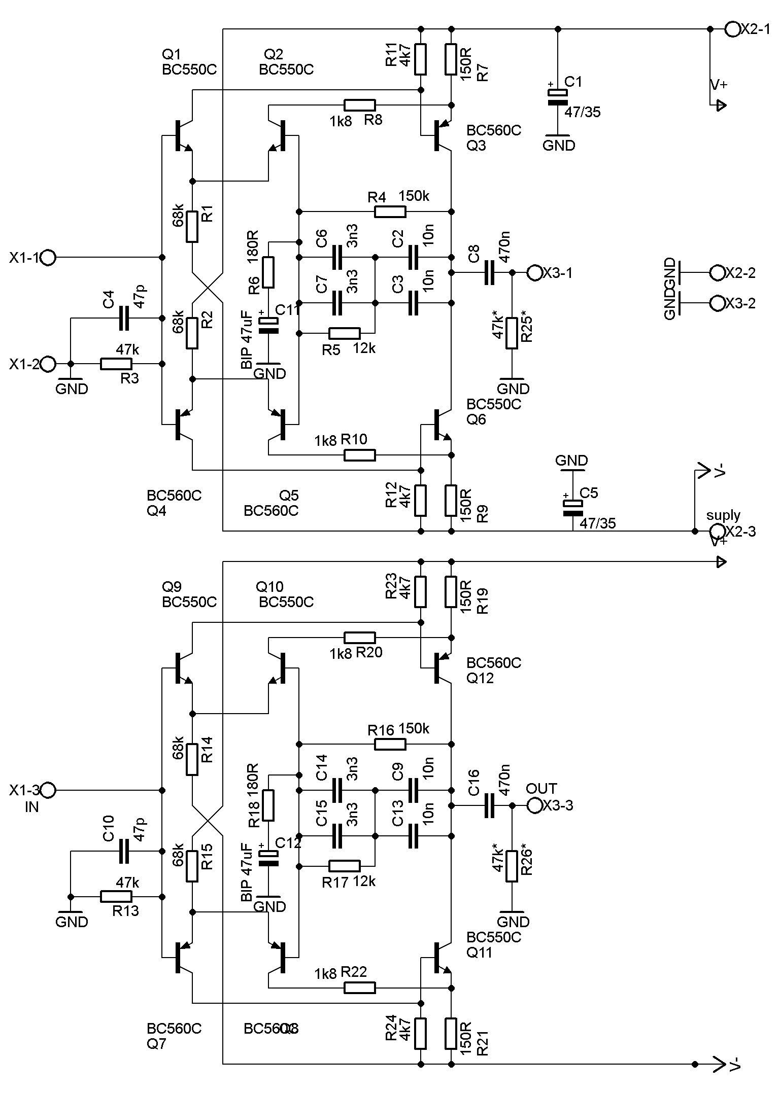
    • RIAA – IEC Kennlinie

     

     

    Bauvorschlag

     

    Um Vinyl abspielen zu können, wird ein RIAA-Entzerrer benötigt. Dieser arbeitet den Frequenzgang entsprechend so auf, dass der „Originalzustand“ des Audiomaterials wiederhergestellt ist.

    Um dies auf bestem Wege zu erreichen, ist es wichtig, insbesondere in der RC-Kette (C6, C2, R4, C7, C3, R5) eng tolerierte Bauteile zu verwenden.

    R6 bestimmt den Verstärkungsfaktor der Schaltung und ist auf ca. 38dB bei 1 kHz eingestellt. Eine Verstärkung von bis zu 52 dB ist ebenfalls möglich, wenn R6 auf 18 Ohm reduziert wird!

    Allerdings ist es dann zwingend erforderlich, ein extrem saubere Spannungsversorgung bereitzustellen. Ein Netzteil mit 2 Stufen Siebung ist auf jeden Fall dann von Vorteil, wenn über 42dB verstärkt werden soll.

     

    Werden lediglich 38dB – 42dB Verstärkung benötigt, so genügt ein stabilisiertes Netzteil, mit einem Festspannungsregler der 7824 und 7924 Serie.

    C11, C8 dient als Rumpelfilter (IEC).

    R25 ist abhängig von C8. Diese Kette bestimmt die untere Grenzfrequenz.

    R25 entfällt in der Regel, kann aber bestückt werden, falls eine abweichende Ausgangsimpedanz gewünscht ist.

    C4 (47pF + Zuleitungskapazität) und R3 bestimmen die Eingangsimpedanz und sind vom Tonabnehmer abhängig. In den meisten Fällen sind diese Werte praxisgerecht. Ggf. ist das Datenblatt des Tonabnehmers zu sichten und die Werte anzupassen.

     

     

    Um möglichst niedrige Ruheströme und einen geringen Fremdspannungsabstand zu realisieren, wurde die Schaltung mit Transistoren realisiert. Dies trägt zu einem möglichst geringen Grundrauschen bei.

    Die hohe Versorgungsspannung von +/- 24 V sorgt für einen großen Headroom. Ist die Betriebsspannung zu klein gewählt, funktioniert die Schaltung nicht, da sie so ausgelegt wurde, dass sie lediglich 3,2 mA benötigt.

    Ein passendes Netzteil wird von Tubeland ebenfalls angeboten. Eingesetzt werden können das 5 VA symmetrisches Netzteil oder das 2-Fach Doppel Netzteil.

 

 

 

 

 

 

 

 

 

 

Menge

Wert

Device

Bauteile

 

 

 

 

4

150R

Metall

R7, R9, R19, R21

2

180R

Metall

R6, R18

4

1k8

Metall

R8, R10, R20, R22

4

4k7

Metall

R11, R12, R23, R24

2

12k

Metall

R5, R17

2

47k

Metall

R3, R13

1

47k*

Metall

R25* (entfällt i.d.r.)

1

47k*

Metall

R26* ((entfällt i.d.r.)

4

68k

Metall

R1, R2, R14, R15

2

150k

Metall

R4, R16

 

 

 

 

2

47p

C-EU050-045X075

C4, C10

4

3n3

C-EU050-045X075

C6, C7, C14, C15

4

10n

Metall

C2, C3, C9, C13

2

470nF

C-EU050-035X075

C8, C16

2

BIP 47uF

CPOL-EUE2.5-6

C11, C12

2

47/35

CPOL-EUE2.5-7

C1, C5

 

 

 

 

6

BC550C

BC547

Q1, Q2, Q6, Q9, Q10, Q11

6

BC560C

BC557

Q3, Q4, Q5, Q7, Q8, Q12

 

 

 

 

3

AKL101-3

Altern. Lötstifte

X1,X2,X3

1

Leiterplatte 46x72mm

 

 

 

 

 

Anleitung als PDF

 

Einbau beispiel in einen Preamp mit Tip und Triks

Wir benutzen Cookies

Wir nutzen Cookies auf unserer Website. Einige von ihnen sind essenziell für den Betrieb der Seite, während andere uns helfen, diese Website und die Nutzererfahrung zu verbessern. Sie können selbst entscheiden, ob Sie die Cookies zulassen möchten. Bitte beachten Sie, dass bei einer Ablehnung womöglich nicht mehr alle Funktionalitäten der Seite zur Verfügung stehen.