Phono-Vorverstärker

von Rolf Husemeyer
Hallo Röhrenbastler,
Einen hab ich noch. Ich sende Euch im Anhang etwas zu meiner Phono-Vorstufe. Das war mein erstes geplantes und entwickeltes Röhrenprojekt überhaupt. Und es war ausgerechnet ein Phono-Vorverstärker; da hat mir nicht nur der Kopf gebrummt. Heute bin ich etwas schlauer. Insgesamt vier komplett verschiedene aufbauten und Philosophien habe ich aufgebaut. Ich bin bei der Aktiven Entzerrung und SRPP-Nachverstärkung hängengeblieben. Obwohl die Passive Variante zwischen SRPP-Stufen auch nicht übel war. Einiges prinzipielles ist dann auch in meinen Steuerverstärker gelandet. Hier habe ich auf jeden fall gelernt: Wenige Hirnwindungen = Viele Brummschleifen. Ansonsten benötigt man: Aalglatte Spannung, streuarmen Trafo und immer eine Idee, warum genau dann der Wurm drinn ist, wenn man glaubt einen Hund beseitigt zu haben. Und das ich meine Geräte immer brav geerdet habe, hat die Sache nicht wirklich einfacher gemacht.
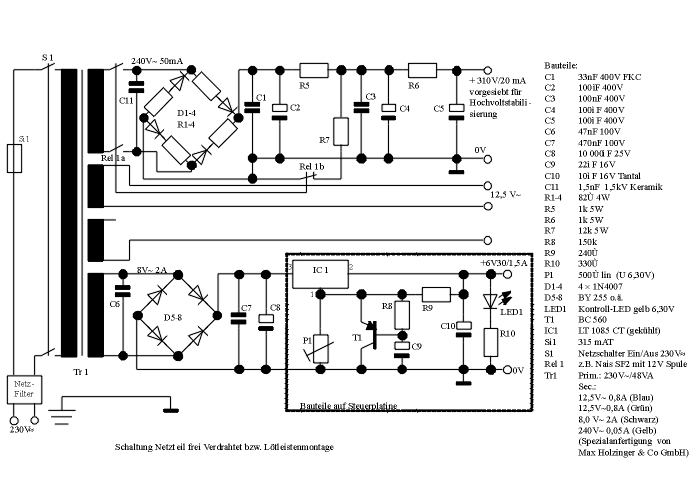
Das Innenleben an sich hat keine all zu großen Besonderheiten. Der selbe Ringkerntrafo wie im Steuerverstärker, fast die selbe HV- und Heizungsstabilisierung. Die HV-Siebkette hat insgesamt 600mF. Die Röhren waren ein Resteverkauf eines Elektrogeschäftes, das vor 15 Jahren die Röhren quasi aufgab. Zwei E82CC und zwei ECC83 mit AEG-Stempel für DM20,-- war nicht schlecht. Die Transistoren für die HV-Stabilisierung sind Fernseher-Ersatzteile. Die HV-Elkos waren Geschenk eines Schaltnetzteilentwicklers. Nach über 10 Jahren im Lager explodierten ihm einige beim ersten einschalten. Die Elkos wieder langsam an die Arbeit zu gewöhnen war ihm zu aufwändig (mir nicht!). Die Vorstufenschaltung befindet sich auf einer Platine mit Handgefrästen Leiterbahnen. Die Platine ist noch mal extra abgeschirmt. Aber: Dieser Phonovorverstärker klingt aufregender als er aussieht!
Schöne Grüße, Rolf.
ACHTUNG!!! Wir weisen bei allen Projekten auf der Hohen Betriebspannung hin! Die Zwischen 250V und 5 KV !!! liegen können je nach projekt und beim falschen Umgang LEBENSGEFÄHRLICH Sind. der Nachbau hier beschriebenen Geräte ist auf eigende verantworung durchzuführen. Weder die Autoren noch der Homepage Betreiber übernimmt Hafung für fahrlässigkeiten oder für fehler die in den veröffendlichten Schaltungen sich / erschlichen haben die verantwortung. und das Risiko liegt alleine bei der Person die eine Schaltung nachhbaut. fundierte Kenntnisse der Elektronik und der elektrischen Sicherheit sind unabdingbar. Der nachbau ist nur für Private personen gestattet. Für eine gewerbliche nutzung sind die jeweiligen Autoren um Einverständnis Schriftlich zu fragen!



|
R1 |
2K2 1% 0,6W |
C1 |
330nF 400V |




