RIAA Entzerrer
Um einen Plattenspieler benutzen zu können benötigt man einen RIAA Entzerrer, der das Audiosignal von der Platte aufbereitet. Die Ausgangsspannung eines Tonabnehmers ist sehr bescheiden. Damit wir mit dem Signal Arbeiten können wird es entzerrt und Angehoben.

Bild 7.2.3 zeigt erst einmal den RIAA Entzerrer. Direkt Am Eingang gekoppelt befindet sich ein DIP Schalter (S2) Hier wird die Kapazität gewählt, die der Hersteller zu den Tonabnehmer Angibt. Oft wirt hier ein Wert Zwischen 150pF bis 300pF gewählt. Dazu ein Beispiel: für eine Kapazität von 150pF wird der Schalter eins und drei auf on gestellt. Damit hätten wir eine Kapazität von 147pF ausgewählt.
R1 der oft auch als Abschlusswiderstand bezeichnet wird, hat in der Regel einen wert von 47 K. Auch hier gibt der Hersteller oftmals die werte vor. C14 und C15 Soll ein Mögliches Eigenschwingen der ECC 83 verhindern. C7 bis C9 sowie R9 und R10 Bilden ein Korrektur Glied.
Alle Widerstände sind Metallschicht Typen, sie haben ein geringeres Eigenrauschen gegenüber Kohleschicht Widerstände. Über C2 wird das Korrigierte Signal Ausgekoppelt und in den Vorverstärker eingespeist.
Die Schaltung ist für MM Systeme bestens geeignet eine Weitere Verstärkerstufe habe ich hier nicht vorgesehen. Um die Schaltung auch für MC Systeme einsetzen zu können die eine Ausgangsspannung von 0,3 mV bis 0,75 mV Aufweisen ist es zu empfehlen einen MC Übertrager am Eingang anzuschließen. Es ist vom großen Vorteil sich eines MC Übertrager zu bedienen. Er hebt das Signal um den Faktor 10 also 20db an und erzeugt kein zusätzliches Rauschen. Ziel war es einen RIAA Entzerrer zu bauen, der Möglist wenig Eigenrauschen verursacht.
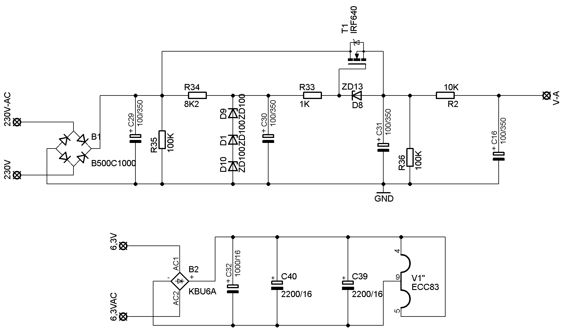
Das Netzteil

Das Netzteil für die Anodenspannung und für die DC Heizung der ECC 83 zu sehen. 230V AC wird für die Aufbereitung der Anodenspannung benötigt. Die Anodenspannung wird mit den Z Dioden D1, D9, D10 festgelegt. Jede dieser Diode hat einen wert von 100V Summiert man die Werte kommen wir auf einer Gleichspannung von 300V C30 Glättet die Spannung noch einmal D8 ist zum Schutz von T1 Vorgesehen Manche MOS haben bereits eine Schutzdiode im Gehäuse Integriert. In diesen fall kann auf der Diode verzichtet werden. Es Können hier Verschiedene MOS eingesetzt werden wenn nicht gerade in IRF 640 zu beschaffen ist. T1 (IRF 640) benötigt keinen zusätzlichen Kühlkörper, er verursacht nur eine geringe Wärme die nicht zusätzlich Abgeführt werden muss. R 35 sowie R 36 trägt dazu bei die Kondensatoren zu entladen, damit sie keine Restspannung auf Dauer Speichern. Diese Widerstände dienen der eigenen Sicherheit um verletzungs- gefahren zu minimieren. R2 hat gleich Zwei Funktionen. Er Schützt T1 zusätzlich vor Zerstörung und setzt die Anodenspannung noch etwas herunter C16 Übernimmt noch einmal die Siebung.
Die ECC 83 Beheizen wir mit Gleichstrom um das Netzbrummen aus dem Signalweg fern zu halten. Um hier den Schaltungsaufwand möglicht gering zu halten habe ich auf einen Halbleiter verzichtet. Diese Art von Schaltung Arbeitet sehr Unstabil und ist lastabhängig. Sie hat aber auch einige Vorteile. Wir nehmen einmal an das wir hier ein Stabelesiertes Netzteil mit einer Üblichen Versorgungsspannung von 9V aufbauen wir setzen einen Spannungsregler ein und stellen ihn auf 6,3V ein. Im kalt zustand zieht ein Heizfaden Reichlich Strom. Er verringert sich dann allmälig mit der Erwärmung des Heizfadens. Der Spannungsregler freut sich nicht gerade darauf. Aus eignender Erfahrung ist es bei mir vorgekommen dass durch einen Defekten Spannungsregler die Röhre mit ca. 12V beheizt wurde. Ich bemerkte es erst als der heizfaden durchgeglüht war. Und ein Glücklicher Besitzer einer Nos Röhre wohl möglich noch Telefunken wird sich nicht gerade darüber freuen das die Röhre kaputt ist. Darum bedienen wir uns hier mit einer unstabilen Schaltung die aber nur mit 6,3 V AC eingespeist wird. Die Kondensatoren C32, C40, C39 sind in der Kapazität so ausgewählt das unter last in etwa 6,3 Volt Heizung anliegt. Auch beim Anheizen bricht die Spannung etwas ein was man auch schon bald mit einer Softstart Schaltung vergleichen kann.
Je nach verwendetem Gleichrichter kann die DC Spannung auch etwas Abweichen. Mit Dem KBU6A (Reichelt) habe ich Gute Erfahrungen gemacht. Beim ersten betrieb Empfehle ich aber noch einmal die Heizspannung unter last zu Kontrollieren und die Kapazität dem entsprechend anzupassen. Die Kapazität ist auch etwas Von der Netzspannung abhängig und kann leicht abweichen. Die Siebung reicht aber aus um ein Netzbrummen zu verhindern.
Da sich das Netzteil Konzept sich bis heute bei mir gut bewährt hat, werden sie es in Anderen Schaltungsvorschläge wider finden. Ich werde es aber an Andere stellen nicht mehr Darauf hinweisen so sind die Hinweise die hier gegeben sind auch bei allen Anderen Schaltungen zu beachten, sei dem es finden Abweichungen statt die behandelt werden müssen.
RIAA Mechanischer Aufbau

Das layout zum RIAA Entzerrer
ennerrell Fängt man eine leiterplatte mit den kleinsten Bauteilen an zu bestücken. Der Noval Print Sockel wird dann zum Schluss auf der Lötseite angelötet.

Bestückungsaufdruck des RIAA Entzerrers) Nicht vergessen die Drahtrücke zu setzen um die Masse mit der Heizung zu verbinden!
Stückliste:
Bauteil Wert
B1 B500C1000 ( Gleichrichter )
B2 KBU6A ( Gleichrichter )
C1 MKP-10-400-0,22
C2 MKP-10-250-1uF
C3 MKP-10-400-0,33
C4 FKP2-330pF
C5 100/25 RAD
C6 FKP2-68pF
C7 FKP2-680pF
C8, 9 FKP2-1500pF
C10 FKP2-220pF
C11 FKP2-100pF
C12 FKP2-68pF
C13 FKP2-47pF
C14, 15 FKP2-15pF
C16, 29, 30, 31 100/350
C32* 1000/16
C39, 40 * 2200/16
( C 32, 39, 40 Für die DC Heizung Werte Können Variieren DC Überprüfen!)
D1, D9, D10 ZD100
D8 ZD13
R1* 47k ( Siehe Angaben zum Tonabnehmer! )
R2 10K 2W
R3 470K
R4, 5 2K2
R6 10k
R7, 8 330K
R9 2M2
R10 100K
R33 1K
R34 8K2
R35, 36 100K
S2 DIP05YL DIL/CODE SWITCH
T1 IRF640 TO220
V1 ECC83 JJ
V1 Noval Print Fassung auf Lötseite montieren!
